소방설비기사(전기분야) (2013년06월02일 기출문제)
1과목 : 소방원론
1번 위험물안전관리법령상 위험물의 적재시 혼재기준에서 다음 중 혼재가 가능한 위험물로 짝지어진 것은? (단, 각 위험물은 지정수량의 10배로 가정한다.)
2번 다음 위험물 중 물과 접촉시 위험성이 가장 높은 것은?
3번 Twin agent system으로 분말소화약제와 병용하여 소화효과를 증진 시킬 수 있는 소화약제로 다음 중 가장 적합한 것은?
4번 다음 물질 중 공기 중에서의 연소범위가 가장 넓은 것은?
5번 다음 중 제1류 위험물로 그 성질이 산화성고체인 것은?
6번 화재에 관한 설명으로 옳은 것은?
7번 Halon 1301 의 화학기호로 옳은 것은?
8번 물체의 표면온도가 250℃ 에서 650℃ 로 상승하면 열복사량은 약 몇 배 정도 상승하는가?
9번 물질의 연소시 산소 공급원이 될 수 없는 것은?
10번 LNG와 LPG 에 대한 설명으로 틀린 것은?
11번 담홍색으로 착색된 분말소화약제의 주성분은?
12번 건물의 주요구조부에 해당되지 않는 것은?
13번 다음 중 인화성 액체의 발화원으로 가장 거리가 먼 것은?
14번 방화구조에 대한 기준으로 틀린 것은?
15번 열경화성 플라스틱에 해당하는 것은?
16번 발화온도 500℃ 에 대한 설명으로 다음 중 가장 옳은 것은?
17번 다음 중 플래시 오버 (flash over)를 가장 옳게 설명한 것은?
18번 1기압, 100℃ 에서의 물 1g 의 기화잠열은 약 몇 cal 인가?
19번 화재발생시 주수소화를 할 수 없는 물질은?
20번 이산화탄소의 물성으로 옳은 것은?
2과목 : 소방전기회로
21번
차동식스포트형 반도체식 감지기 회로의 일부이다. (가)의 명칭과 감시상태에서의 A점 전압은?

22번 조작기기는 직접 제어대상에 작용하는 장치이고 응답이 빠른 것이 요구된다. 다음 중 전기식 조작기기가 아닌 것은?
23번 SCR의 양극 전류가 10[A]일 때 게이트 전류를 반으로 줄이면 양극 전류는?
24번
그림과 같은 논리회로는?

25번 단상변압기(용량 100kVA) 3대를 △결선으로 운전하던 중 한 대가 고장이 생겨 V결선하였다면 출력은 [kVA] 인가?
26번 콘덴서와 코일에서 실제적으로 급격히 변화할 수 없는 것이 있다면 어느 것인가?
27번 1차 전압 6600[V], 권수비 60인 단상 변압기가 전등부하에 40[A]를 공급할 때 1차 전류는 몇 [A] 인가?
28번
인 전압에서
[rad]일 때의 크기가 70.7[V]이면 이 전원의 실효값은 몇 [V]가 되는가?
인 전압에서
[rad]일 때의 크기가 70.7[V]이면 이 전원의 실효값은 몇 [V]가 되는가?
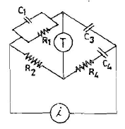
29번
그림과 같은 시스템의 등가합성 전달함수는?

30번 구동점 임피던스(driving point impedance)함수에서 극점 (pole)이란 무엇을 의미하는가?
31번 입력이 1과 0일 때 1의 출력이 나오지 않는 게이트는?
32번 공기 중에서 20 cm 거리에 있는 두 자극의 세기가 2×10-3Wb와 4×10-3Wb 일 대, 두 자극사이에 작용하는 힘은 약 몇 [N] 인가?
33번 변위를 전압으로 변환시키는 장치가 아닌 것은?
34번 2개의 전하사이에 작용하는 정전기력과 거리사이의 관계는?
35번 RLC 직렬회로에서 일반적인 공진조건으로 옳지 않은 것은?
36번
어떤 측정계기의 지시값을 M, 참값을 T라 할 때 보정율은?
37번
그림과 같은 교류브리지의 평형조건으로 옳은 것은?

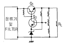
38번
그림과 같은 트랜지스터를 사용한 정전압회로에서 Q1의 역할로서 옳은 것은?

39번 2개의 저항을 직렬로 연결하여 30 V의 전압을 가하면 6 A의 전류가 흐르고, 병렬로 연결하면 동일 전압을 가하면 25 A의 전류가 흐른다. 두 저항값은 각각 몇 [Ω] 인가?
40번 다음 중 쌍방향성 사이리스터인 것은?
3과목 : 소방관계법규
41번 소방기본법에 규정한 한국소방안전협회의 회원이 될 수 없는 사람은?
42번 소방대상물에 대한 소방특별조사결과 화재가 발생되면 인명 또는 재산의 피해가 클 것으로 예상 되는 경우 소방본부장 또는 소방서장이 소방대상물 관계인에게 조치를 명할 수 있는 사항과 가장 거리가 먼 것은?
43번 스프링클러설비를 설치하여야 할 대상의 기준으로 옳지 않은 것은?
44번 위험물을 취급함에 있어서 정전기가 발생할 우려가 있는 설비는 공기 중의 상대습도를 몇 [%]이상으로 하는 방법으로 정전기를 유효하게 제거할 수 있는 설비를 설치하여야 하는가?
45번 다음의 특정소방대상물 중 의료시설에 해당 되지 않는 것은?
46번 소방안전관리자를 두어야 하는 특정소방대상물로서 1급 소방안전관리대상물에 해당하는 것은?
47번 규정에 의한 지정수량 10배 이상의 위험물을 저장 또는 취급하는 제조소 등에 설치하는 경보설비로 옳지 않은 것은?
48번 소방안전관리대상물의 소방안전관리자로 선임된 자가 실시하여야 할 업무가 아닌 것은?
49번 소방안전교육사는 누가 실시하는 시험에 합격하여야 하는가?(관련 규정 개정전 문제입니다. 정답은 1번 이었습니다. 자세한 내용은 해설을 참고하세요.)
50번 소방시설관리업의 기술인력으로 등록된 소방기술자가 받아야 하는 실무교육의 주기 및 회수는?
51번 원활한 소방활동을 위하여 소방용수시설에 대한 조사를 실시하는 사람은?
52번 소방본부장 또는 소방서장은 화재경계지구 안의 관계인에 대하여 소방상 필요한 훈련 및 교육을 실시하고자 하는 때에는 관계인에게 몇 일전까지 그 사실을 통보하여야 하는가?
53번 방염대상물품에 해당되지 않는 것은?
54번 소방방재청장 등은 관할구역에 있는 소방대상물에 대하여 소방특별조사를 실시할 수 있다. 특별조사 대상과 거리가 먼 것은? (단. 개인 주거에 대하여는 관계인의 승낙을 득한 경우이다.)
55번 연면적이 3만 m2 이상 20만 m2 미만인 특정소방대상물(아파트는 제외한다.) 또는 지하층을 포함한 층수가 16층 이상 40층 미만인 특정소방대상물의 공사 현장인 경우 소방공사 감리원의 배치기준은?
56번 다음 중 위험물탱크 안전성능시험자로 시ㆍ도지사에게 등록하기 위하여 갖추어야 할 사항이 아닌 것은?
57번 다음 중 소방용기계ㆍ기구 우수품질에 대한 인증업무를 담당하고 있는 기관은?
58번 소방활동 종사 명령으로 소방활동에 종사한 사람이 사망하거나 부상을 입은 경우 보상하여야 하는 사람은?
59번 제조소 등에 설치하여야 할 자동화재탐지설비의 설치 기준으로 옳지 않은 것은?
60번 소방기본법이 정하는 목적을 설명한 것으로 거리가 먼 것은?
4과목 : 소방전기시설의 구조 및 원리
61번 비상방송설비의 설치기준에 대한 설명으로 옳지 않는 것은?
62번 비상경보설비의 축전지의 전원 전압변동 범위로 알맞은 것은?
63번 무선통신보조설비의 증폭기에는 비상전원이 부착된 것으로 하고 당해 비상전원의 용량은 무선통신보조설비를 유효하게 몇 분 이상 작동시킬수 있는 것으로 하여야 하는가?
64번 무선통신보조설비의 누설동축케이블 또는 동축케이블의 임피던스는 몇 [Ω]으로 하는가?
65번 누전경보기의 변류기(ZCT)는 경계전로에 정격전류를 흘리는 경우 그 경계전로의 전압강하는 몇 [V] 이하이어야 하는가? (단, 경계전로의 전선을 그 변류기에 관통시키는 것은 제외한다.)
66번 일반전기사업자로부터 특별고압으로 수전하는 소방시설용 비상전원 수전설비를 방화구획형, 옥외개방형 또는 큐비클형으로 하여야 하는데 설치기준으로 옳지 않은 것은?
67번 유도표지는 계단에 설치하는 것을 제외하고는 각층마다 복도 및 통로의 각 부분으로부터 하나의 유도표지까지의 보행거리 몇 m 이하마다 설치하여야 하는가?
68번 누전경보기의 변류기는 직류 500V의 절연저항계로 절연된 1차권선과 2차권선간을 절연저항시험을 할 때 몇[MΩ] 이상이어야 하는가?
69번 자동화재탐지설비에서 4층 이상의 소방대상물에는 어떤 기기와 전화통화가 가능한 수신기를 설치하여야 하는가?
70번 비상조명등 조도는 비상조명등이 설치된 장소의 각 부분의 바닥에서 얼마이상이 되어야 하는가?
71번 다음 중 단자부와 마감 고정금구와의 설치간격을 10cm 이내로 설치하고, 굴곡반경은 5cm 이상으로 하여야 하는 감지기는?
72번 자동화재탐지설비의 수신기의 설치기준으로 옳지 않은 것은?
73번 자동화재속보설비의 속보기의 기능에 대한 설명으로 틀린것은?
74번 비상콘센트를 터널에 설치하고자 할 경우 설치기준으로 옳은 것은?
75번 비상콘센트설비의 전원회로 설치기준에 대한 설명으로 틀린 것은?(오류 신고가 접수된 문제입니다. 반드시 정답과 해설을 확인하시기 바랍니다.)
76번 각층의 면적이 200m2인 15층 건축물 2개동이 서로 인접할 때 자동화재탐지설비를 설치하려고 한다. 화재안전기준에 맞게 경계구역을 설정한 것은?
77번 비상방송설비의 축전지설비에 대한 설명 중 옳은 것은? (단, 수신기에 내장하는 경우도 포함하며 30층 미만인 경우이다.)
78번 비상방송설비에서 기동장치에 의한 화재신고를 수신한 후 방송이 개시될 때까지의 소요시간은 몇 초 이내여야 하는가?
79번 누전경보기는 계약전류 용량이 몇 [A]를 초과할 때 설치하여야 하는가?
80번 비상조명등의 외함 재질의 기준으로 적합하지 않은 것은?
연도별
- 2022년04월24일
- 2022년03월05일
- 2021년09월12일
- 2021년05월15일
- 2021년03월07일
- 2020년09월26일
- 2020년08월22일
- 2020년06월06일
- 2019년09월21일
- 2019년04월27일
- 2019년03월03일
- 2018년09월15일
- 2018년04월28일
- 2018년03월04일
- 2017년09월23일
- 2017년05월07일
- 2017년03월05일
- 2016년10월01일
- 2016년05월08일
- 2016년03월06일
- 2015년09월19일
- 2015년05월31일
- 2015년03월08일
- 2014년09월20일
- 2014년05월25일
- 2014년03월02일
- 2013년09월28일
- 2013년06월02일
- 2013년03월10일
- 2012년09월15일
- 2012년05월20일
- 2012년03월04일
- 2011년10월02일
- 2011년06월12일
- 2011년03월20일
- 2010년09월05일
- 2010년05월09일
- 2010년03월07일
- 2009년08월30일
- 2009년05월10일
- 2009년03월01일
- 2008년09월07일
- 2008년05월11일
- 2008년03월02일
- 2007년09월02일
- 2007년05월13일
- 2007년03월04일
- 2006년09월10일
- 2006년05월17일
- 2006년03월05일
- 2005년09월04일
- 2005년05월29일
- 2005년03월06일
- 2004년09월05일
- 2004년05월23일
- 2004년03월07일
- 2003년08월31일
- 2003년05월25일
- 2003년03월16일