소방설비기사(전기분야) (2017년03월05일 기출문제)
1과목 : 소방원론
1번 고층 건축물 내 연기거동 중 굴뚝효과에 영향을 미치는 요소가 아닌 것은?
2번 섭씨 30도는 랭킨(Rankine)온도로 나타내면 몇 도인가?
3번 물질의 연소범위와 화재 위험도에 대한 설명으로 틀린 것은?
4번 A급, B급, C급 화재에 사용이 가능한 제3종 분말 소화약제의 분자식은?
5번 할론 (Halon) 1301의 분자식은?
6번 소화약제의 방출수단에 대한 설명으로 가장 옳은 것은?
7번 다음 중 가연성 가스가 아닌 것은?
8번 1기압, 100℃에서의 물 1g의 기화잠열은 약 몇 cal 인가?
9번
건축물의 화재 시 피난자들의 집중으로 패닉(panic) 현상이 일어날 수 있는 피난방향은?
10번 연기의 감광계수(m-1)에 대한 설명으로 옳은 것은?
11번 위험물의 저장 방법으로 틀린 것은?
12번 건축방화계획에서 건축구조 및 재료를 불연화하여 화재를 미연에 방지하고자 하는 공간적 대응방법은?
13번 할론 가스 45kg과 함께 기동가스로 질소2kg을 충전하였다. 이 때 질소가스의 몰분율은? (단, 할론 가스의 분자량은 149이다.)
14번 다음 중 착화온도가 가장 낮은 것은?
15번 B급 화재 시 사용할 수 없는 소화방법은?
16번 가연물의 제거와 가장 관련이 없는 소화방법은?
17번 유류 저장탱크의 화재에서 일어날 수 있는 현상이 아닌 것은?
18번 분말소화약제 중 탄산수소칼륨(KHCO3)과 요소(CO(NH2)2)와의 반응물을 주성분으로 하는 소화약제는?
19번 소화효과를 고려하였을 경우 화재 시 사용할 수 있는 물질이 아닌 것은?
20번 인화성 액체의 연소점, 인화점, 발화점을 온도가 높은 것부터 옳게 나열한 것은?
2과목 : 소방전기회로
21번 최대눈금이 70V 인 직류전압계에 5kΩ 의 배율기를 접속하여 전압의 최대측정치가 350V 라면 내부 저항은 몇 kΩ 인가?
22번 발전기에서 유도기전력의 방향을 나타내는 법칙은?
23번
다음은 논리식들 중 틀린 것은?
24번 길이 1m의 철심(비투자율 μs=700) 자기회로에 2mm 의 공극이 생겼다면 자기저항은 몇 배 증가하는가? (단, 각 부의 단면적은 일정하다.)
25번 빛이 닿으면 전류가 흐르는 다이오드로 광량의 변화를 전류값으로 대치하므로 광센서에 주로 사용하는 다이오드는?
26번 3상 직권 정류자 전동기에서 중간 변압기를 사용하는 이유 중 틀린 것은?
27번 피드백제어계에서 제어요소에 대한 설명 중 옳은 것은?
28번 균등 눈금을 사용하며 소비전력이 적게 소요되고 정확도가 높은 지시계기는?
29번
그림과 같은 유접점 회로의 논리식은?

30번 50kW의 전력의 안테나에서 사방으로 균일하게 방사될 때, 안테나에서 1km 거리에 있는 점에서의 전계의 실효값은 약 몇 V/m 인가?
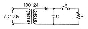
31번
그림과 같은 반파정류회로에 스위치 A를 사용하여 부하 저항 RL을 떼어 냈을 경우, 콘덴서 C의 충전전압은 몇 V 인가?

32번
그림과 같은 교류브리지의 평형조건으로 옳은 것은?

33번 MOSFET(금속-산화물 반도체 전계효과 트랜지스터)의 특성으로 틀린 것은?
34번 인덕턴스가 0.5H 인 코일의 리액턴스가 753.6Ω일 때 주파수는 약 몇 Hz 인가?
35번 페루프 제어의 특징에 대한 설명으로 옳은 것은?
36번 20℃의 물 2L를 64℃가 되도록 가열하기 위해 400W의 온수기를 20분 사용하였을 때 이 온수기의 효율은 약 몇 %인가?
37번 PD(비례 미분) 제어 동작의 특징으로 옳은 것은?
38번 정현파 전압의 평균값과 최대값의 관계식 중 옳은 것은?
39번 열팽창식 온도계가 아닌 것은?
40번 동기발전기의 병렬조건으로 틀린 것은?
3과목 : 소방관계법규
41번 관계인이 예방규정을 정하여야 하는 제조소등의 기준이 아닌 것은?
42번 특정소방대상물이 증축 되는 경우 기존 부분에 대해서 증축 당시의 소방시설의 설치에 관한 대통령령 또는 화재안전기준을 적용하지 않는 경우가 아닌 것은?
43번 대통령령으로 정하는 특정소방대상물 소방시설공사의 완공검사를 위하여 소방본부장이나 소방서장의 현장확인 대상 범위가 아닌 것은?(오류 신고가 접수된 문제입니다. 반드시 정답과 해설을 확인하시기 바랍니다.)
44번 소화난이도등급 Ⅲ인 지하탱크저장소에 설치하여야 하는 소화설비의 설치기준으로 옳은 것은?
45번 소방특별조사의 연기를 신청하려는 자는 소방특별조사 시작 며칠 전까지 국민안전처장관, 소방본부장 또는 소방서장에게 소방특별조사 연기신청서에 증명서류를 첨부하여 제출해야 하는가? (단, 천재지변 및 그 밖에 대통령령으로 정하는 사유로 소방특별조사를 받기 곤란한 경우이다.)
46번 시장지역에서 화재로 오인할 만한 우려가 있는 불을 피우거나 연막소독을 하려는 자가 소방본부장 또는 소방서장에게 신고를 하지 아니하여 소방자동차를 출동하게 한 자에 대한 과태료 부과금액 기준으로 옳은 것은?
47번 국민안전처장관, 소방본부장 또는 소방서장이 소방특별조사 조치명령서를 해당 소방대상물의 관계인에게 발급하는 경우가 아닌 것은?
48번 대통령령 또는 화재안전기준이 변경되어 그 기준이 강화되는 경우에 기존 특정소방대상물의 소방시설에 대하여 변경으로 강화된 기준을 적용하여야 하는 소방시설은?
49번 출동한 소방대의 화재진압 및 인명구조ㆍ구급 등 소방활동 방해에 따른 벌칙이 5년이하의 징역 또는 3000만원 이하의 벌금에 처하는 행위가 아닌 것은?(관련 규정 개정전 문제로 여기서는 기존 정답인 2번을 누르면 정답 처리됩니다. 자세한 내용은 해설을 참고하세요.)
50번 화재예방, 소방시설 설치ㆍ유지 및 안전관리에 관한 법률상 특정소방대상물 중 오피스텔이 해당하는 것은?
51번 소방시설업에 대한 행정처분 기준 중 1차처분이 영업정지 3개월이 아닌 경우는?
52번 지정수량 미만인 위험물의 저장 또는 취급에 관한 기술상의 기준은 무엇으로 정하는가?
53번 소방시설기준 적용의 특례 중 특정소방대상물의 관계인이 소방시설을 갖추어야 함에도 불구하고 관련 소방시설을 설치하지 아니할 수 있는 소방시설의 범위로 옳은 것은? (단, 화재 위험도가 낮은 특정소방대상물로서 석재, 불연성금속, 불연성 건축재료 등의 가공공장ㆍ기계조립공장ㆍ주물공장 또는 불연성 물품을 저장하는 창고이다.)
54번 소방용수시설 금수탑 개폐밸브의 설치기준으로 옳은 것은?
55번 옥내저장소의 위치ㆍ구조 및 설비의 기준 중 지정수량의 몇 배 이상의 저장창고(제6류 위험물의 저장창고 제외)에 피뢰침을 설치해야 하는가? (단, 저장창고 주위의 상황이 안전상 지장이 없는 경우는 제외한다.)
56번 우수품질인증을 받지 아니한 제품에 우수품질 인증표시를 하거나 우수품질인증 표시를 위조 또는 변조하여 사용한 자에 대한 벌칙기준은?(2017년 12월 26일 개정된 규정 적용됨)
57번
다음 조건을 참고하여 숙박시설이 있는 특정소방대상물의 수용인원 산정 수로 옳은 것은?

58번 성능위주설계를 실시하여야 하는 특정소방대상물의 범위 기준으로 틀린 것은?
59번 소방본부장 또는 소방서장은 건축허가등의 동의요구서류를 접수한 날부터 최대 며칠 이내에 건축허가등의 동의여부를 회신하여야 하는가? (단, 허가 신청한 건축물은 지상으로부터 높이가 200m 인 아파트이다.)
60번 총리령으로 정하는 고급감리원 이상의 소방공사 감리원의 소방시설공사 배치 현장기준으로 옳은 것은?(관련 규정 개정전 문제로 여기서는 기존 정답인 2번을 누르면 정답 처리 됩니다. 자세한 내용은 해설을 참고하세요.)
4과목 : 소방전기시설의 구조 및 원리
61번 감지기의 설치기준 중 옳은 것은?
62번 휴대용비상조명등의 설치기준 중 틀린 것은?
63번 경사강하식 구조대의 구조 기준 중 틀린 것은?
64번 전기사업자로부터 저압으로 수전하는 경우 비상전원설비로 옳은 것은?
65번 비상콘센트의 배치 기준 중 바닥면적이 1000m2미만인 층은 계단의 출입구로부터 몇m 이내에 설치하여야 하는가?
66번 광원점등방식 피난유도선의 설치기준 중 틀린 것은?
67번 자동화재속보설비의 속보기는 연동 또는 수동작동에 의한 다이얼링 후 소방관서와 전화접속이 이루어지지 않는 경우에는 최초 다이얼링을 포함하여 몇 회 이상 반복적으로 접속을 위한 다이얼링이 이루어져야 하는가? (단, 이 경우 매회 다이얼링 완료 후 호출은 30초 이상 지속한다.)
68번
무선통신보조설비의 설치제외 기준 중 다음 ( )안에 알맞은 것으로 연결된 것은?

69번 5~10회로까지 사용할 수 있는 누전경보기의 집합형 수신기 내부결선도에서 그 구성요소가 아닌 것은?
70번 무선통신보조설비의 증폭기 전면에 주회로의 전원이 정상 인지의 여부를 표시할 수 있도록 설치하는 것으로 옳은 것은?
71번 피난기구의 설치개수 기준 중 틀린 것은?
72번 비상콘센트설비의 전원회로의 설치기준 중 틀린 것은?
73번 특정소방대상물의 그 부분에서 피난층에 이르는 부분의 비상조명등을 60분 이상 유효하게 작동시킬 수 있는 용량으로 하여야 하는 경우가 아닌 것은?(오류 신고가 접수된 문제입니다. 반드시 정답과 해설을 확인하시기 바랍니다.)
74번 주요구조부를 내화구조로 한 특정소방대상물의 바닥면적이 370m2인 부분에 설치해야 하는 감지기의 최소 수량은? (단, 감지기의 부착높이는 바닥으로부터 4.5m 이고, 보상식 스포트형 1종을 설치한다.)
75번 자동화재탐지설비의 경계구역 설정 기준으로 옳은 것은?(2021년 01월 15일 개정된 규정 적용됨)
76번 피난구유도등의 설치제외 기준 중 틀린 것은?
77번 각 설비와 비상전원의 최소용량 연결이 틀린 것은?
78번 비상방송설비의 배선의 설치기준 중 부속회로의 전로와 대지 사이 및 배선상호간의 절연저항은 1경계구역마다 직류 250V의 절연저항측정기를 사용하여 측정한 절연저항이 몇 MΩ 이상이 되도록 해야 하는가?
79번 감지기의 부착면과 실내 바닥과의 거리가 2.3m 이하인 곳으로서 일시적으로 발생한 열ㆍ연기 또는 먼지 등으로 인하여 화재신호를 발신할 우려가 있는 장소에 적응성이 있는 감지기가 아닌 것은?
80번
비상방송설비의 음향장치의 설치기준 중 다음 ( )안에 알맞은 것으로 연결된 것은?

연도별
- 2022년04월24일
- 2022년03월05일
- 2021년09월12일
- 2021년05월15일
- 2021년03월07일
- 2020년09월26일
- 2020년08월22일
- 2020년06월06일
- 2019년09월21일
- 2019년04월27일
- 2019년03월03일
- 2018년09월15일
- 2018년04월28일
- 2018년03월04일
- 2017년09월23일
- 2017년05월07일
- 2017년03월05일
- 2016년10월01일
- 2016년05월08일
- 2016년03월06일
- 2015년09월19일
- 2015년05월31일
- 2015년03월08일
- 2014년09월20일
- 2014년05월25일
- 2014년03월02일
- 2013년09월28일
- 2013년06월02일
- 2013년03월10일
- 2012년09월15일
- 2012년05월20일
- 2012년03월04일
- 2011년10월02일
- 2011년06월12일
- 2011년03월20일
- 2010년09월05일
- 2010년05월09일
- 2010년03월07일
- 2009년08월30일
- 2009년05월10일
- 2009년03월01일
- 2008년09월07일
- 2008년05월11일
- 2008년03월02일
- 2007년09월02일
- 2007년05월13일
- 2007년03월04일
- 2006년09월10일
- 2006년05월17일
- 2006년03월05일
- 2005년09월04일
- 2005년05월29일
- 2005년03월06일
- 2004년09월05일
- 2004년05월23일
- 2004년03월07일
- 2003년08월31일
- 2003년05월25일
- 2003년03월16일