소방설비기사(전기분야) (2016년10월01일 기출문제)
1과목 : 소방원론
1번 청정소화약제 중 HCFC-22를 82% 포함하고 있는 것은?
2번 니트로셀룰로오스에 대한 설명으로 틀린 것은?
3번 화재실 혹은 화재공간의 단위바닥면적에 대한 등가가연물량의 값을 화재하중이라 하며 식으로 표시할 경우에는 Q=∑(Gt ㆍ Ht)/H ㆍ A와 같이 표현할 수 있다. 여기에서 H는 무엇을 나타내는가?
4번 위험물안전관리법상 위험물의 적재 시 혼재기중 혼재가 가능한 위험물로 짝지어진 것은? (단, 각 위험물은 지정수량의 10배로 가정한다.)
5번 자연발화의 예방을 위한 대책이 아닌 것은?
6번 제1종 분말소화약제인 탄산수소나트륨은 어떤색으로 착색되어 있는가?
7번 밀폐된 내화건물의 실내에 화재가 발생했을 때 그 실내의 환경변화에 대한 설명 중 틀린 것은?
8번 할로겐 화합물 소화설비에서 Halon 1211 약제의 분자식은?
9번 조연성가스로만 나열되어 있는 것은?
10번 다음 중 제거소화 방법과 무관한 것은?
11번 실내에서 화재가 발생하여 실내의 온도가 21℃에서 650℃로 되었다면, 공기의 팽창은 처음의 약 몇 배가 되는가? (단, 대기압은 공기가 유동하여 화재 전후가 같다고 가정한다.)
12번 연기에 의한 감광계수가 0.1m-1, 가시거리가 20~30m일 때의 상황을 옳게 설명한 것은?
13번 물의 물리ㆍ화학적 성질로 틀린 것은?
14번 다음 중 증기비중이 가장 큰 것은?
15번 보일 오버(Boil over)현상에 대한 설명으로 옳은 것은?
16번 건축물의 화재성상 중 내화건축물의 화재성상으로 옳은 것은?
17번 정전기에 의한 발화과정으로 옳은 것은?
18번 피난계획의 일반원칙 중 Fool proof 원칙에 해당하는 것은?
19번 칼륨에 화재가 발생할 경우에 주수를 하면 안되는 이유로 가장 옳은 것은?
20번
분말소화약제의 열분해 반응식 중 다음 ( )안에 알맞은 화학식은?

2과목 : 소방전기회로
21번 전원과 부하가 다같이 △결선된 3상 평형회로가 있다. 전원전압이 200V, 부하 1상의 임피던스가 4+j3Ω인 경우 선전류는 몇 A 인가?
22번 온도 측정을 위하여 사용하는 소자로서 온도-저항 부특성을 가지는 일반적인 소자는?
23번 자기장 내에 있는 도체에 전류를 흘리면 힘이 작용한다. 이 힘을 무엇이라고 하는가?
24번 히스테리시스 곡선의 종축과 횡축은?
25번 4단자 정수 A=5/3, B=800, C=1/450, D=5/3 일 때 영상 임피던스 Z01과 Z02는 각각 몇 Ω인가?
26번 200Ω의 저항을 가진 경종 10개와 50Ω의 저항을 가진 표시등 3개가 있다. 이들을 모두 직렬로 접속할 때의 합성저항은 몇 Ω인가?
27번
그림과 같은 무접점회로는 어떤 논리회로인가?

28번 지시계기에 대한 동작원리가 틀린 것은?
29번 다음 중 쌍방향성 사이리스터인 것은?
30번 SCR의 양극 전류가 10A 일 때 게이트 전류를 반으로 줄이면 양극 전류는 몇 A 인가?
31번
어떤 측정계기의 지시값을 M, 참값을 T라 할 때 보정율은?
32번 자기인덕턴스 L1, L2 가 각각 4mH, 9mH 인 두 코일이 이상적인 결합이 되었다면 상호인덕턴스는 몇 mH인가? (단, 결합계수는 1 이다.)
33번 국제 표준 연동 고유저항은 몇 Ωㆍm인가?
34번 도너(donor)와 억셉터(acceptor)의 설명 중 틀린 것은?
35번 변압기의 철심구조를 여러 겹으로 성층시켜 사용하는 이유는 무엇인가?
36번 자동제어계를 제어목적에 의해 분류한 경우를 설명한 것 중 틀린 것은?
37번 V=141sin377t[V]인 정현파 전압의 주파수는 몇 Hz인가?
38번
그림과 같은 정류회로에서 부하 R에 흐르는 직류전류의 크기는 약 몇 A인가? (단, V=200V, R=20√2Ω이며, 이상적인 다이오드이다.)

39번 계단변화에 대하여 잔류편차가 없는 것이 장점이며, 간헐현상이 있는 제어계는?
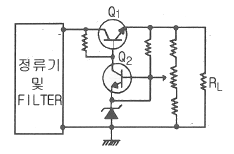
40번
그림과 같은 트랜지스터를 사용한 정전압회로에서 Q1의 역할로서 옳은 것은?

3과목 : 소방관계법규
41번 제2류 위험물의 품명에 따른 지정수량의 연결이 틀린 것은?
42번 소방시설공사업법상 소방시설업 등록신청 신청서 및 첨부서류에 기재되어야 할 내용이 명확하지 아니한 경우 서류의 보완 기간은 며칠 이내인가?
43번 특정소방대상물 중 의료시설에 해당되지 않는 것은?
44번 소방용품의 형식승인을 반드시 취소하여야 하는 경우가 아닌 것은?
45번 위험물 제조소 게시판의 바탕 및 문자의 색으로 올바르게 연결된 것은?
46번 소방기본법상 소방용수시설의 저수조는 비면으로부터 낙차가 몇 m 이하가 되어야 하는가?
47번 화재예방, 소방시설 설치ㆍ유지 및 안전관리에 관한 법률에 따른 소방안전관리 업무를 하지 아니한 특정소방대상물의 관계인에게는 몇 만원 이하의 과태료를 부과하는가?
48번 작동기능점검을 실시한 자는 작동기능점검 실시결과 보고서를 며칠 이내에 소방본부장 또는 소방서장에게 제출해야 하는가?(2020년 8월 14일 변경된 규정 적용됨)
49번 고형알코올 그 밖에 1기압 상태에서 인화점이 40℃ 미만인 고체에 해당하는 것은?
50번 소방기본법상의 벌칙으로 5년이하의 징역 또는 3000만원 이하의 벌금에 해당하지 않는 것은?(관련 규정 개정전 문제로 여기서는 기존 정답인 2번을 누르면 정답 처리됩니다.)
51번 일반 소방시설 설계업(기계분야)의 영업범위는 공장의 경우 연면적 몇 m2미만의 특정소방대상물에 설치되는 기계분야 소방시설의 설계에 한하는가? (단, 제연설비가 설치되는 특정소방대상물은 제외한다.)
52번 소방본부장이 소방특별조사위원회 위원으로 임명하거나 위촉할 수 있는 사람이 아닌 것은?
53번 교육연구시설 중 학교 지하층은 바닥면적의 합계가 몇 m2이상인 경우 연결살수설비를 설치해야 하는가?
54번 소방체험관의 설립ㆍ운영권자는?
55번 위험물안전관리법상 행정처분을 하고자 하는 경우 청문을 실시해야 하는 것은?
56번 소방장비 등에 대한 국고보조 대상사업의 범위와 기준보조율은 무엇으로 정하는가?
57번 하자보수 대상 소방시설 중 하자보수 보증기간이 2년이 아닌 것은?
58번 정기점검의 대상인 제조소등에 해당하지 않는 것은?
59번 소방용수시설 중 소화전과 급수탑의 설치기준으로 틀린 것은?
60번 소화난이도등급 I의 제조소등에 설치해야 하는 소화설비기준 중 유황만을 저장ㆍ취급하는 옥내탱크저장소에 설치해야 하는 소화설비는?
4과목 : 소방전기시설의 구조 및 원리
61번 통로유도등의 설치기준 중 틀린 것은?
62번 비상콘센트설비의 전원회로의 공급용량은 최소 몇 kVA 이상인 것으로 설치해야 하는가?
63번
비상조명등 비상점등 회로의 보호를 위한 기준중 다음 ( )안에 알맞은 것은?

64번 무선통신보조설비의 누설동축케이블 및 공중선은 고압의 전류로부터 1.5m 이상 떨어진 위치에 설치해야 하나 그렇게 하지 않아도 되는 경우는?
65번 유도등의 전기회로에 점멸기를 설치할 수 있는 장소에 해당되지 않는 것은? (단, 유도등은 3선식 배선에 따라 상시 충전되는 구조이다.)
66번 각 실별 실내의 바닥면적이 25m2인 4개의 실에 단독경보형감지기를 설치 시 몇 개의 실로 보아야 하는가? (단, 각 실은 이웃하고 있으며, 벽체 상부가 일부 개방되어 이웃하는 실내와 공기가 상호유통되는 경우이다.)
67번 피난기구 중 다수인 피난장비의 설치기준 중 틀린 것은?
68번 누전경보기 수신부의 기능검사 항목이 아닌 것은?
69번 아파트형 공장의 지하 주차장에 설치된 비상방송용 스피커의 음량조정기 배선방식은?
70번 아파트의 4층이상 10층 이하에 적응성이 있는 피난기구는? (단, 아파트는 주택법 시행령 제48조의 규정에 해당하는 공동주택이다.)(오류 신고가 접수된 문제입니다. 반드시 정답과 해설을 확인하시기 바랍니다.)
71번 감지기의 설치기준 중 부착높이 20m이상에 설치되는 광전식 중 아날로그장식의 감지기는 공칭감지농도 하한값이 감광율 몇 %/m 미만인 것으로 하는가?
72번 연기감지기 설치 시 천장 또는 반자부근에 배기구가 있는 경우에 감지기의 설치위치로 옳은 것은?
73번
자동화재탐지설비 배선의 설치기준 중 다음 ( )안에 알맞은 것은?

74번 누전경보기의 변류기는 경계전로에 정격전류를 흘리는 경우 그 경계전로의 전압강하는 몇 V 이하여야 하는가? (단, 경계전로의 전선을 그 변류기에 관통시키는 것은 제외한다.)
75번 무선통신보조설비 증폭기의 설치기준으로 틀린 것은?
76번 비상콘센트의 배치는 아파트 또는 바닥면적이 1000m2 미만인 층은 계단의 출입구로부터 몇 m 이내에 설치해야 하는가? (단. 계단의 부속실을 포함하며 계단이 2 이상 있는 경우에는 그 중 1개의 계단을 말한다.)
77번 비상방송설비는 기동장치에 따른 화재신고를 수신한 후 필요한 음량으로 화재발생 상황 및 피난에 유효한 방송이 자동으로 개시될 때까지의 소요시간은 몇 초 이하여야 하는가?
78번 누전경보기 음향장치의 설치위치로 옳은 것은?
79번 광전식 분리형감지기의 설치기준 중 틀린 것은?
80번 자동화재속보설비 속보기의 구조에 대한 설명 중 틀린 것은?
연도별
- 2022년04월24일
- 2022년03월05일
- 2021년09월12일
- 2021년05월15일
- 2021년03월07일
- 2020년09월26일
- 2020년08월22일
- 2020년06월06일
- 2019년09월21일
- 2019년04월27일
- 2019년03월03일
- 2018년09월15일
- 2018년04월28일
- 2018년03월04일
- 2017년09월23일
- 2017년05월07일
- 2017년03월05일
- 2016년10월01일
- 2016년05월08일
- 2016년03월06일
- 2015년09월19일
- 2015년05월31일
- 2015년03월08일
- 2014년09월20일
- 2014년05월25일
- 2014년03월02일
- 2013년09월28일
- 2013년06월02일
- 2013년03월10일
- 2012년09월15일
- 2012년05월20일
- 2012년03월04일
- 2011년10월02일
- 2011년06월12일
- 2011년03월20일
- 2010년09월05일
- 2010년05월09일
- 2010년03월07일
- 2009년08월30일
- 2009년05월10일
- 2009년03월01일
- 2008년09월07일
- 2008년05월11일
- 2008년03월02일
- 2007년09월02일
- 2007년05월13일
- 2007년03월04일
- 2006년09월10일
- 2006년05월17일
- 2006년03월05일
- 2005년09월04일
- 2005년05월29일
- 2005년03월06일
- 2004년09월05일
- 2004년05월23일
- 2004년03월07일
- 2003년08월31일
- 2003년05월25일
- 2003년03월16일