소방설비기사(전기분야) (2021년09월12일 기출문제)
1과목 : 소방원론
1번 다음 중 피난자의 집중으로 패닉현상이 일어날 우려가 가장 큰 형태는?
2번 연기감지기가 작동할 정도이고 가시거리가 20~30m 에 해당하는 감광계수는 얼마인가?
3번 소화에 필요한 CO2의 이론소화농도가 공기 중에서 37Vol% 일 때 한계산소농도는 약 몇 vol% 인가?
4번 건물화재 시 패닉(panic)의 발생원인과 직접적인 관계가 없는 것은?
5번 소화기구 및 자동소화장치의 화재안전기준에 따르면 소화기구(자동확산소화기는 제외)는 거주자 등이 손쉽게 사용할 수 있는 장소에 바닥으로부터 높이 몇 m 이하의 곳에 비치하여야 하는가?
6번 물리적 폭발에 해당하는 것은?
7번 소화약제로 사용되는 이산화탄소에 대한 설명으로 옳은 것은?
8번 Halon 1211의 화학식에 해당하는 것은?
9번 건축물 화재에서 플래시 오버(Flash over) 현상이 일어나는 시기는?
10번 인화칼슘과 물이 반응할 때 생성되는 가스는?
11번 위험물안전관리법령상 자기반응성물질의 품명에 해당하지 않는 것은?
12번 마그네슘의 화재에 주수하였을 때 물과 마그네슘의 반응으로 인하여 생성되는 가스는?
13번 제2종 분말소화약제의 주성분으로 옳은 것은?
14번 물과 반응하였을 때 가연성 가스를 발생하여 화재의 위험성이 증가하는 것은?
15번 물리적 소화방법이 아닌 것은?
16번 다음 중 착화온도가 가장 낮은 것은?
17번 화재의 분류방법 중 유류화재를 나타낸 것은?
18번 소화약제로 사용되는 물에 관한 소화성능 및 물성에 대한 설명으로 틀린 것은?
19번 다음 중 공기에서의 연소범위를 기준으로 했을 때 위험도(H) 값이 가장 큰 것은?
20번 조연성가스로만 나열되어 있는 것은?
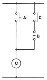
2과목 : 소방전기회로
21번 단상 반파 정류회로를 통해 평균 26V의 직류 전압을 출력하는 경우, 정류 다이오드에 인가되는 역방향 최대 전압은 약 몇 V 인가? (단, 직류 측에 평활회로(필터)가 없는 정류회로이고, 다이오드의 순방향 전압은 무시한다.)
22번
시퀀스회로를 논리식으로 표현하면?

23번 제어량에 따른 제어방식의 분류 중 온도, 유량, 압력 등의 공업 프로세스의 상태량을 제어량으로 하는 제어계로서 외란의 억제를 주목적으로 하는 제어방식은?
24번 반도체를 이용한 화재감지기 중 서미스터(thermistor)는 무엇을 측정하기 위한 반도체 소자인가?
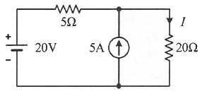
25번
회로에서 a와 b 사이의 합성저항(Ω)은?

26번 1개의 용량의 25W인 객석유도등 10개가 설치되어 있다. 이 회로에 흐르는 전류는 약 몇 A 인가? (단, 전원 전압은 220V이고, 기타 선로손실 등은 무시한다.)
27번 PD(비례 미분) 제어 동작의 특징으로 옳은 것은?
28번
회로에서 저항 20Ω에 흐르는 전류(A)는?

29번 1cm의 간격을 둔 평행 왕복전선에 25A의 전류가 흐른다면 전선 사이에 작용하는 단위 길이당 힘(N/m)은?
30번 0.5 kVA의 수신기용 변압기가 있다. 이 변압기의 철손은 7.5W이고, 전부하동손은 16W 이다. 화재가 발생하여 처음 2시간은 전부하로 운전되고, 다음 2시간은 1/2의 부하로 운전되었다고 한다. 4시간에 걸친 이 변압기의 전손실 전력량은 몇 Wh 인가?
31번
테브난의 정리를 이용하여 그림 (a)의 회로를 그림 (b)와 같은 등가회로로 만들고자 할 때 Vth(V)와 Rth(Ω)은?

32번
블록선도에서 외란 D(s)의 입력에 대한 출력 C(s)의 전달함수
는?
는?
33번
회로에서 전압계 Ⓥ가 지시하는 전압의 크기는 몇 V 인가?

34번 지시계기에 대한 동작원리가 아닌 것은?
35번 선간전압의 크기가 100√3 V인 대칭 3상 전원에 각 상의 임피던스가 Z = 30 + j40(Ω)인 Y결선의 부하기 연결되었을 때 이 부하로 흐르는 선전류(A)의 크기는?
36번
자유공간에서 무한히 넓은 평면에 면전하밀도 σ(C/m2)가 균일하게 분포되어 있는 경우 전계의 세기(E)는 몇 V/m 인가? (단, ε0는 진공의 유전율이다.)
37번 50Hz의 주파수에서 유도성 리액턴스가 4Ω인 인덕터와 용량성 리액턴스가 1Ω인 커패시터와 4Ω의 저항이 모두 직렬로 연결되어 있다. 이 회로에 100V, 50Hz의 교류전압을 인가했을 때 무효전력(var)은?
38번 다음의 단상 유도전동기 중 기동 토크가 가장 큰 것은?
39번 무한장 솔레노이드에서 자계의 세기에 대한 설명으로 틀린 것은?
40번
다음의 논리식을 간소화하면?

3과목 : 소방관계법규
41번
다음 위험물안전관리법령의 자체소방대 기준에 대한 설명으로 틀린 것은?

42번
위험물안전관리법령상 제조소등에 설치하여야 할 자동화재탐지설비의 설치기준 중 ( ) 안에 알맞은 내용은? (단, 광전식분리형 감지기 설치는 제외한다.)

43번 소방시설공사업법령상 전문 소방시설공사업의 등록기준 및 영업범위의 기준에 대한 설명으로 틀린 것은?
44번
화재예방, 소방시설 설치·유지 및 안전관리에 관한 법령상 특정소방대상물의 관계인이 특정소방대상물의 규모·용도 및 수용인원 등을 고려하여 갖추어야 하는 소방시설의 종류에 대한 기준 중 다음 ( ) 안에 알맞은 것은?

45번 화재예방, 소방시설 설치·유지 및 안전관리에 관한 법령상 천재지변 및 그 밖에 대통령령으로 정하는 사유로 소방특별조사를 받기 곤란하여 소방특별조사의 연기를 신청하려는 자는 소방특별조사 시작 최대 며칠 전까지 연기신청서 및 증명서류를 제출해야 하는가?
46번 위험물안전관리법령상 정기점검의 대상인 제조소등의 기준으로 틀린 것은?
47번 위험물안전관리법령상 제4류 위험물 중 경유의 지정수량은 몇 리터인가?
48번
화재예방, 소방시설 설치·유지 및 안전관리에 관한 법령상 1급 소방안전관리대상물의 소방안전관리자 선임대상 기준 중 ( ) 안에 알맞은 내용은?

49번
화재예방, 소방시설 설치·유지 및 안전관리에 관한 법령상 용어의 정의 중 ( ) 안에 알맞은 것은?

50번 소방기본법 제1장 총칙에서 정하는 목적의 내용으로 거리가 먼 것은?
51번 소방기본법령상 소방본부 종합상황실의 실장이 서면·팩스 또는 컴퓨터통신 등으로 소방청 종합상황실에 보고하여야 하는 화재의 기준이 아닌 것은?
52번 화재예방, 소방시설 설치·유지 및 안전관리에 관한 법령상 관리업자가 소방시설등의 점검을 마친 후 점검기록표에 기록하고 이를 해당 특정소방대상물에 부착하여야 하나 이를 위반하고 점검기록표를 거짓으로 작성하거나 해당 특정소방대상물에 부착하지 아니하였을 경우 벌칙 기준은?
53번 화재예방, 소방시설 설치·유지 및 안전관리에 관한 법령상 분말형태의 소화약제를 사용하는 소화기의 내용연수로 옳은 것은? (단, 소방용품의 성능을 확인받아 그 사용기한을 연장하는 경우는 제외한다.)
54번 소방시설공사업법령상 소방시설공사업자가 소속 소방기술자를 소방시설공사 현장에 배치하지 않았을 경우의 과태료 기준은?
55번 소방기본법령상 위험물 또는 물건의 보관기간은 소방본부 또는 소방서의 게시판에 공고하는 기간의 종료일 다음 날부터 며칠로 하는가?
56번 소방기본법령상 소방활동장비와 설비의 구입 및 설치 시 국조보조의 대상이 아닌 것은?
57번 화재예방, 소방시설 설치·유지 및 안전관리에 관한 법령상 특정소방대상물의 관계인은 소방안전관리자를 기준일로부터 30일 이내에 선임하여야 한다. 다음 중 기준일로 틀린 것은?
58번 위험물안전관리법령상 위험물을 취급함에 있어서 정전기가 발생할 우려가 있는 설비에 설치할 수 있는 정전기 제거설비 방법이 아닌 것은?
59번 소방기본법령상 특수가연물의 수량 기준으로 옳은 것은?
60번 화재예방, 소방시설 설치·유지 및 안전관리에 관한 법령상 소방청장, 소방본부장 또는 소방서장이 소방특별조사를 하려면 관계인에게 조사대상, 조사기간 및 조사사유 등을 최대 며칠 전에 서면으로 알려야 하는가? (단, 긴급하게 조사할 필요가 있는 경우와 사전에 통지하면 조사목적을 달성할 수 없다고 인정되는 경우는 제외한다.)
4과목 : 소방전기시설의 구조 및 원리
61번 감지기의 형식승인 및 제품검사의 기술기준에 따라 단독경보형감지기를 스위치 조작에 의하여 화재경보를 정지 시킬 경우 화재경보 정지 후 몇 분 이내에 화재경보 정지기능이 자동적으로 해제되어 정상상태로 복귀되어야 하는가?
62번 비상콘센트설비의 화재안전기준(NFSC 504)에 따라 하나의 전용회로에 설치하는 비상콘센트는 몇 개 이하로 하여야 하는가?
63번 자동화재속보설비의 속보기의 성능인증 및 제품검사의 기술기준에 따라 속보기는 작동신호를 수신하거나 수동으로 동작시키는 경우 20초 이내에 소방관서에 자동적으로 신호를 발하여 통보하되, 몇 회 이상 속보할 수 있어야 하는가?
64번 자동화재탐지설비 및 시각경보장치의 화재안전기준(NFSC 203)에 따른 감지기의 설치 제외 장소가 아닌 것은?
65번 비상콘센트의 배치와 설치에 대한 현장 사항이 비상콘센트설비의 화재안전기준(NFSC 504)에 적합하지 않은 것은?
66번 자동화재탐지설비 및 시각경보장치의 화재안전기준(NFSC 203)에 따라 제2종 연기감지기를 부착높이가 4m 미만인 장소에 설치 시 기준 바닥면적은?
67번
아래 그림은 자동화재탐지설비의 배선도이다. 추가로 구획된 공간이 생겨 가, 나, 다, 라 감지기를 증설했을 경우, 자동화재탐지설비 및 시각경보장치의 화재안전기준(NFSC 203)에 적합하게 설치한 것은?

68번
비상방송설비의 화재안전기준(NFSC 202)에 따라 비상방송설비 음향장치의 설치기준 중 다음 ( ) 에 들어갈 내용으로 옳은 것은?

69번 유도등의 형식승인 및 제품검사의 기술기준에 따른 용어의 정의에서 “유도등에 있어서 표시면외 조명에 사용되는 면”을 말하는 것은?
70번 자동화재탐지설비 및 시각경보장치의 화재안전기준(NFSC 203)에 따라 부착높이 20m 이상에 설치되는 광전식 분 아날로그방식의 감지기는 공칭감지농도 하한값이 감광율 몇 %/m 미만인 것으로 하는가?
71번 비상조명등의 우수품질인증 기술기준에 따라 인출선인 경우 전선의 굵기는 몇 mm2 이상이어야 하는가?
72번
누전경보기의 형식승인 및 제품검사의 기술기준에 따른 과누전시험에 대한 내용이다. 다음 ( ) 에 들어갈 내용으로 옳은 것은?

73번 비상방송설비의 화재안전기준(NFSC 202)에 따른 비상방송설비의 음향장치에 대한 설치기준으로 틀린 것은?
74번 무선통신보조설비의 화재안전기준(NFSC 505)에 따른 용어의 정의 중 감시제어반 등에 설치된 무선중계기의 입력과 출력포트에 연결되어 송수신 신호를 원활하게 방사·수신하기 위해 옥외에 설치하는 장치를 말하는 것은?
75번 무선통신보조설비의 화재안전기준(NFSC 505)에 따라 무선통신보조설비의 누설동축케이블 또는 동축케이블의 임피던스는 몇 Ω으로 하여야 하는가?
76번
비상경보설비 및 단독경보형감지기의 화재안전기준(NFSC 201)에 따른 단독경보형감지기에 대한 내용이다. 다음 ( )에 들어갈 내용으로 옳은 것은?

77번 소방시설용 비상전원수전설비의 화재안전기준(NFSC 602)에 따른 용어의 정의에서 소방부하에 전원을 공급하는 전기회로를 말하는 것은?
78번 누전경보기의 형식승인 및 제품검사의 기술기준에 따라 누전경보기의 변류기는 직류 500V의 절연저항계로 절연된 1차권선과 2차권선 간의 절연저항 시험을 할 때 몇 MΩ 이상이어야 하는가?
79번 소방시설용 비상전원수전설비의 화재안전기준(NFSC 602)에 따라 소방시설용 비상전원 수전설비의 인입구배선은 「옥내소화전설비의 화재안전기준(NFSC 102)」 별표 1에 따른 어떤 배선으로 하여야 하는가?
80번 유도등 및 유도표지의 화재안전기준(NFSC 303)에 따라 설치하는 유도표지는 계단에 설치하는 것을 제외하고는 각층마다 복도 및 통로의 각 부분으로부터 하나의 유도표지까지의 보행거리가 몇 m 이하가 되는 곳과 구부러진 모퉁이의 벽에 설치하여야 하는가?
연도별
- 2022년04월24일
- 2022년03월05일
- 2021년09월12일
- 2021년05월15일
- 2021년03월07일
- 2020년09월26일
- 2020년08월22일
- 2020년06월06일
- 2019년09월21일
- 2019년04월27일
- 2019년03월03일
- 2018년09월15일
- 2018년04월28일
- 2018년03월04일
- 2017년09월23일
- 2017년05월07일
- 2017년03월05일
- 2016년10월01일
- 2016년05월08일
- 2016년03월06일
- 2015년09월19일
- 2015년05월31일
- 2015년03월08일
- 2014년09월20일
- 2014년05월25일
- 2014년03월02일
- 2013년09월28일
- 2013년06월02일
- 2013년03월10일
- 2012년09월15일
- 2012년05월20일
- 2012년03월04일
- 2011년10월02일
- 2011년06월12일
- 2011년03월20일
- 2010년09월05일
- 2010년05월09일
- 2010년03월07일
- 2009년08월30일
- 2009년05월10일
- 2009년03월01일
- 2008년09월07일
- 2008년05월11일
- 2008년03월02일
- 2007년09월02일
- 2007년05월13일
- 2007년03월04일
- 2006년09월10일
- 2006년05월17일
- 2006년03월05일
- 2005년09월04일
- 2005년05월29일
- 2005년03월06일
- 2004년09월05일
- 2004년05월23일
- 2004년03월07일
- 2003년08월31일
- 2003년05월25일
- 2003년03월16일