소방설비기사(전기분야) (2011년10월02일 기출문제)
1과목 : 소방원론
1번 다음 중 분진폭발을 일으킬 가능성이 가장 낮은 것은?
2번 불활성 가스에 해당하는 것은?
3번 제1류 위험물에 해당하는 것은?
4번 메탄 80vol%, 에탄15vol%, 프로판 5vol% 인 혼합가스의 공기 중 폭발 하한계는 약 몇 vol% 인가? (단, 메탄, 에탄, 프로판의 공기 중 폭발 하한계는 5.0%, 3.0%, 2.1% 이다.)
5번 탄화칼슘의 화재시 물을 주수하였을 때 발생하는 가스로 옳은 것은?
6번 탄산수소나트륨이 주성분인 분말소화약제는 제 몇 종 분말인가>
7번 건축물의 피난ㆍ방화구조 등의 기준에 관한 규칙에 따르면 철망모르타르로서 그 바름두께가 최소 몇 cm 이상인 것을 방화구조로 규정하는가?
8번 피난계획의 일반원칙 중 fool proof 원칙에 해당하는 것은?
9번 갑작스런 화재 발생시 인간의 피난 특성으로 틀린 것은?
10번 0℃, 1기압에서 44.8m3 의 용적을 가진 이산화탄소가스를 액화하여 얻을 수 있는 액화탄산가스의 무게는 몇 kg 인가?
11번 열에너지가 물질을 매개로 하지 않고 전자파의 형태로 옮겨지는 현상은?
12번 피난계획의 기본 원칙에 대한 설명으로 옳지 않은 것은?
13번 화재 급수에 따른 화재 분류가 틀린 것은?
14번 금수성 물질에 해당하는 것은?
15번 건축물의 주요 구조부에 해당되지 않는 것은?
16번 가연물이 되기 위한 조건으로 가장 거리가 먼 것은?
17번 위험물안전관리법령상 과산화수소는 그 농도가 며 중량 퍼센트 이상인 경우 위험물에 해당하는가?
18번 소화효과를 고려하였을 경우 화재시 사용할 수 있는 물질이 아닌 것은
19번 일반적으로 공기 중 산소농도를 몇 vol% 이하로 감소시키면 연소상태의 중지 및 질식소화가 가능하겠는가?
20번 공기의 평균 분자량이 29 일 때 이산화탄소의 기체 비중은 얼마인가?
2과목 : 소방전기회로
21번
그림과 같은 유접점회로의 논리식은?

22번 기계적인 변위의 한계부근에다 배치해 놓고 이 스위치를 누름으로서 기계를 정지하거나 명령신호를 내는데 사용되는 스위치는?
23번 조작기기는 직접 제어대상에 작용하는 장치이고 응답이 빠른 것이 요구된다. 다음 중 전기식 조작기기가 아닌 것은?
24번 전기기기에 생기는 손실 중 권선의 저항에 의하여 생기는 손실은?
25번 다음 사항 중 직류전동기의 제동법이 아닌 것은?
26번 RC 직렬회로에서 R = 100[Ω], C = 5[μF] 일 때 e=220√2sin377t인 전압을 인가하면 이 회로의 위상치는 대략 얼마인가?
27번
그림과 같은 브리지 회로가 평형이 되기 위한 Z의 값은 몇 [Ω] 인가? (단, 그림의 임피던스 단위는 모두 Ω이다.)

28번 3상3선식 전로에 접속하는 Y결선의 평형 저항부하가 있다. 이 부하를 △결선하여 같은 전원에 접속한 경우의 선전류는 Y결선을 할 때 보다 어떻게 되는가?
29번 전자유도현상에 의하여 생기는 유도기전력의 크기를 정의하는 법칙은?
30번 동작신호를 조작량으로 변환하는 요소로소 조절부와 조작부로 이루어진 요소는?
31번 소화설비의 기동장치에 사용하는 전자(電磁)솔레노이드에서 발생되는 자계의 세기는?
32번 제어량을 어떤 일정한 목표값으로 유지하는 것을 목적으로 하는 제어법은?
33번 시퀀스제어에 관한 설명 중 옳지 않은 것은?
34번 전압변동율이 10% 인 정류회로에서 무부하 전압이 24V 인 경우 부하시 전압은 몇 [V] 인가?
35번
와
정현파의 합성전압 e는 약 몇 [V] 인가?
와
정현파의 합성전압 e는 약 몇 [V] 인가?
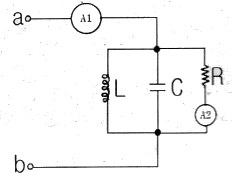
36번
그림과 같은 회로에서 단자 a, b사이에 주파수 f[Hz]의 정현파 전압을 가했을 때 전류계 A1, A2의 값이 같았다. 이 경우 f, L, C 사이의 관계로 옳은 것은?

37번 단상변압기의 3상 결선중 △-△결선의 장점이 아닌 것은?
38번 어떤 회로 소자에 전압을 가하였더니 흐르는 전류가 전압에 비해 π/2만큼 위산이 느리다면 사용한 회로소자는 무엇인가?
39번
그림과 같은 회로에서 흐르는 전류는 I는 몇 [A] 인가?

40번 변압기 결선에서 제3고조파가 발생하여 통신선에 영향을 주는 결선은?
3과목 : 소방관계법규
41번 소방용 ㆍ기구 중 우수품질에 대하여 우수품질인증을 할 수 있는 사람은?
42번 한국소방안전협회의 업무와 거리가 먼 것은?
43번 소방시설관리업의 등록기준 중 보조 기술인력에 해당되지 않는 자는?
44번 연면적 5000m2 미만인 특정대상물에 대한 소방공사감리원 배치기준은?
45번 제4류 위험물을 저장하는 위험물제조소의 주의사항을 표시한 게시판의 내용으로 적합한 것은?
46번 방화관리대상물의 관계인은 소방훈련과 교육을 실시한 때에는 그 실시결과를 소방훈련ㆍ교육실시결과기록부에 기재하고 이를 몇 년간 보관하여야 하는가?
47번 특정소방대상물의 근린생활시설에 해당되는 것은?
48번 위험물 제조소에는 보기 쉬운 곳에 기준에 따라 “위험물제조소” 라는 표시를 한 표지를 설치하여야 하는데 다음중 표지의 기준으로 적합한 것은?
49번 소방시설공사의 착공신고 대상이 아닌 것은?
50번 특수가연물에 해당되지 않는 물품은?
51번 소방기본법에 의하여 5년 이하의 징역 또는 3천만원이하의 벌금에 해당하는 위반사항이 아닌 것은?(관련 규정 개정전 문제로 여기서는 기존 정답인 1번을 누르면 정답 처리됩니다. 자세한 내용은 해설을 참고하세요.)
52번 종합상황실장의 업무와 직접적으로 관련이 없는 것은?
53번 특정소방대상물이 증축되는 경우 소방시설기준 적용에 관한 설명 중 옳은 것은?
54번 제조소등의 위치ㆍ구조 또는 설비의 변경 없이 당해 제조소등에서 저장하거나 취급하는 위험물의 품명ㆍ수량 또는 지정수량의 배수를 변경하과 할 때는 누구에게 신고하여야 하는가?
55번 형식승인을 얻지 아니한 소방용기계ㆍ기구를 판매할 목적으로 진열했을 때의 벌칙으로 옳은 것은?(관련 규정 개정전 문제로 기존 정답은 1번이었습니다. 여기서는 1번을 누르면 정답 처리 됩니다. 자세한 내용은 해설을 참고하세요.)
56번 위험물안전관리법에 의하여 자체소방대를 두는 제조소로서 제 4류 위험물의 최대수량의 합이 지정수량 24만배 이상 48만배 미만인 경 보유하여야 할 화학소방자동차와 자체소방대원의 기준으로 옳은 것은?
57번 스프링클러설비 또는 물분무등소화설비가 설치된 연면적 5000m2 이상인 특정소방대상물(위험물제조소 등을 제외한다)에 대한 종합정밀점검을 할 수 있는 자격자로서 옳지 않은 것은?
58번 소방본부장 또는 소방서장은 건축허가 등의 동의요구서류를 접수한 날부터 며칠 이내에 건축허가 등의 동의여부를 회신하여야 하는가? (단, 허가신청한 건축물 등의 연면적이 3만m2 이상인 경우)
59번 제4류 위험물 제조소의 경우 사용전압이 22kV 인 특고압가공전선이 지나갈 때 제조소의 외벽과 가공전선 사이의 수평거리(안전거리)는 몇 [m] 이상이어야 하는가?
60번 방염성능기준 이상의 실내장식물을 설치하여야 하는 대상물로서 틀린 것은?
4과목 : 소방전기시설의 구조 및 원리
61번 비상방송설비의 배성과 관련해서 부속회로의 전로와 대지사이 및 배선 상호간의 절연저항은? (단, 1경계구역마다 직류 250V의 절연저항측정기를 사용하여 측정)
62번 소방시설용 비상전원수정설비에서 소방회로 및 일반회로 겸용의 것으로서 수전설비, 변전설비 그 밖의 배선을 금속제 외함에 수납한 것을 무엇이라 하는가?
63번 축광식 위치표지는 주위 조도 0 lx 에서 60분간 발광 후 직선거리 몇 [m] 떨어진 위치에서 보통시력으로 표시면의 문자 또는 화살표 등을 쉽게 식별할 수 있는 것으로 하여야 하는가?
64번 비상콘센트의 배치는 아파트 또는 바닥면적이 1000m2미만인 층에 있어서 계단의 출입구(계단의 부속실을 포함하여 계단이 2 이상 이쓴 경우에는 그 중 1개의 계단을 말한다)로 부터 몇 [m] 이내에 설치하여야 하는가?
65번 누전경보기의 수신부를 설치할 수 있는 장소는?
66번 휴대용비상조명등의 설치기준에 접합하지 않은 것은?
67번 다음 중 비상콘센트설비의 전원공급회로의 설치기준으로 틀린 것은?
68번 누전경보기의 화재안전기준에서 변류기의 설치위치로 옳은 것은?
69번 자동화재탐지설비의 경계구역설정의 기준으로 옳은 것은?(관련 규정 개정전 문제로 여기서는 기존 정답인 3번을 누르면 정답 처리됩니다. 자세한 내용은 해설을 참고하세요.)
70번 비상방송설비에서 우선경보방식을 적용하여야 할 소방대상물은? (단, 소방대상물 연면적은 3000m2 을 초과한다.)
71번 천장의 높이가 2m이하인 경우에 청각장애인용 시각경보장치는 다음 중 어떤 위치에 설치해야 하는가?
72번 피난구유도등에 관한 설명으로 옳지 않은 것은?(관련 규정 개정전 문제로 여기서는 기존 정답인 2번을 누르면 정답 처리됩니다. 자세한 내용은 해설을 참고하세요.)
73번 누전경보기의 음향장치의 설치 위치는?
74번 무선통신보조설비에 대한 설명으로 잘못된 것은?(오류 신고가 접수된 문제입니다. 반드시 정답과 해설을 확인하시기 바랍니다.)
75번 정온식감지선형 감지기의 감지선이 늘어지지 않도록 하기 위하여 사용하는 것은?
76번 다음 비상방송설비의 설치 및 시공 내용 중 적법하지 않은 것은?
77번 원칙적으로 집회장에 설치하지 않아도 되는 유도등은?
78번 분말소화설비의 비상전원의 기준으로 옳지 않은 것은?
79번 무선통신보조설비에서 지상에 설치하는 무선기기 접속단자는 보행거리 몇 [m] 이내마다 설치하여야 하는가?
80번 다음 중 자동화재속보설비의 예비전원 시험방법으로 알맞은 것은?
연도별
- 2022년04월24일
- 2022년03월05일
- 2021년09월12일
- 2021년05월15일
- 2021년03월07일
- 2020년09월26일
- 2020년08월22일
- 2020년06월06일
- 2019년09월21일
- 2019년04월27일
- 2019년03월03일
- 2018년09월15일
- 2018년04월28일
- 2018년03월04일
- 2017년09월23일
- 2017년05월07일
- 2017년03월05일
- 2016년10월01일
- 2016년05월08일
- 2016년03월06일
- 2015년09월19일
- 2015년05월31일
- 2015년03월08일
- 2014년09월20일
- 2014년05월25일
- 2014년03월02일
- 2013년09월28일
- 2013년06월02일
- 2013년03월10일
- 2012년09월15일
- 2012년05월20일
- 2012년03월04일
- 2011년10월02일
- 2011년06월12일
- 2011년03월20일
- 2010년09월05일
- 2010년05월09일
- 2010년03월07일
- 2009년08월30일
- 2009년05월10일
- 2009년03월01일
- 2008년09월07일
- 2008년05월11일
- 2008년03월02일
- 2007년09월02일
- 2007년05월13일
- 2007년03월04일
- 2006년09월10일
- 2006년05월17일
- 2006년03월05일
- 2005년09월04일
- 2005년05월29일
- 2005년03월06일
- 2004년09월05일
- 2004년05월23일
- 2004년03월07일
- 2003년08월31일
- 2003년05월25일
- 2003년03월16일