소방설비기사(전기분야) (2003년08월31일 기출문제)
1과목 : 소방원론
1번 목재 화재시 최기의 연소속도가 매분 평균 0.75m~1m씩 원형으로 확대한다면 발화 5분 후 연소된 면적은 약 몇 m2정도 되는가?
2번 제1종가연물에 해당되는 물질은?
3번 복사에 대한 설명으로 틀린 것은?
4번 스테판-볼쯔만(Stefan-Boltzman)법칙에 맞는 것은?
5번 피난을 위한 시설물이라고 볼 수 없는 것은?
6번 가연성 액체에 점화원을 가져가서 인화된 후에 점화원을 제거하여도 가연물이 계속 연소되는 최저온도를 무엇이라 하는가?
7번 정전기의 발생이 가장 적은 것은?
8번 황이나 나프탈렌 같은 고체위험물의 연소 형태는?
9번 피난계획의 일반적 원칙이 아닌 것은?
10번 소화원리에 대한 일반적인 소화효과의 종류가 아닌 것은?
11번 건축방화계획에서 건축구조 및 재료를 불연화하므로서 화재를 미연에 방지하고자 하는 공간적 대응은?
12번 다음 중 휘발유의 인화점은?
13번 방화안전관리시에 화점의 관리사항으로 볼 수 없는 것은?
14번 유류 저장탱크의 화재중 열류층(HEAT LAYER)을 형성, 화재의 진행과 더불어 열류층이 점차 탱크 바닥으로 도달해 탱크 저부에 물 또는 물기름 에멀젼이 수증기로 변해 부피팽창에 의하여 유류의 갑작스런 탱크 외부로의 분출을 발생시키면서 화재를 확대시키는 현상은?
15번 화재발생시 소화작업에 주로 물을 이용한다. 물을 이용하는 주된 목적은 무엇 때문인가?
16번 인화성 물질이 아닌 것은?
17번 이산화 탄소의 소화능력을 1 로한 경우 분말 소화약제의 소화능력은 얼마인가?
18번 자연발화의 예방대책으로 옳지 않은 것은?
19번 무장층에서 개구부로 인정되기 위한 필요 조건은?
20번 가연된 금속분말에 물을 뿌릴 때 수소(H2)가 발생하지 않는 것은?
2과목 : 소방전기회로
21번 온도를 전압으로 변환시키는 요소는?
22번 파고율이 2가 되는 파형은?
23번 시퀀스제어에 관한 설명중 옳지 않은 것은?
24번
그림과 같은 결합회로의 합성인덕턱스는 몇 H 인가?

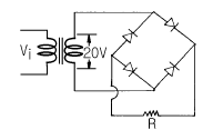
25번
그림과 같은 정류회로에서 R에 걸리는 최대 역전압은 몇 V인가? (단, Vi 는 정현파 전압이다.)

26번 주기적인 구형파의 신호는 그 주파수 성분이 어떻게 되는가?
27번 조절부와 조작부로 이루어진 것을 무엇이라 하는가?
28번
선간전압 E[V]의 3상 평형전원에 대칭 3상저항부하 R[Ω]이 그림과 같이 접속되었을 때 a, b 두 상간에 접속된 전력계의 지시값이 W[W]라면 C상의 전류는 몇 A 인가?

29번 전기기기에 생기는 손실중 권선의 저항에 의하여 생기는 손실은?
30번 SCR의 양극전류가 10A일 때 게이트전류를 2배로 늘리면 양극전류는 몇 A 인가?
31번 변위를 압력으로 변환시키는 장치는?
32번 다이오드를 사용한 정류회로에서 과대한 부하전류에 의하여 다이오드가 파손될 우려가 있을 경우의 적당한 대책은?
33번 동일한 조건에서 전동기중 기동토크가 가장 큰 것은?
34번 알칼리 축전지의 음극의 재료는?
35번 피드백 제어에서 반드시 필요한 장치는?
36번
회로에서 CD간의 전압을 100V로 할 때 AB간의 단자전압은 몇 V인가?

37번 무한장 직선도체에 1A의 전류가 흐른다. 이 때 생기는 자계의 세기가 0.2AT/m인 점은 도체로부터 몇 m 떨어진 점인가?
38번 측정량과 별도로 크기를 조정할 수 없는 표준량을 준비하고 이것을 표준량과 평행시켜 표준량으로부터 측정량을 구하는 방법으로 감도가 좋고 정밀측정에 적합한 측정 방법은?
39번
논리식
를 간단히 나타낸 것은?
를 간단히 나타낸 것은?
40번 역률을 개선하기 위하여 설치하는 진상콘덴사는 어느 위치에 설치하는 것이 가장 효과가 좋은가?
3과목 : 소방관계법규
41번 위험물제조소에 환기설비를 시설할 때 바닥면적이 100m2라면 급기구의 면적은 몇 cm2 이상이어야 하는가?
42번 다음의 소방시설이 설치기준에 적합하게 설치되어 있더라도 당해설비의 유효범위안의 부분에 자동화재탐지설비를 면제 받을 수 없는 것은?
43번 소방시설공사 후 설비의 하자보수기간으로 그 기간이 1년인 것은?(관련 규정 개정전 문제인듯 합니다. 기존 정답은 2번이며 여기서는 2번을 누르면 정답 처리 됩니다. 자세한 내용은 해설을 참고하세요.)
44번 방화관리자를 두어야 할 특수장소중 1급 방화관리대상물에 해당되는 것은?
45번 가스시설로서 지상에 노출된 탱크의 저장용량의 합계가 몇톤 이상 이어야 하는가?
46번 위험물탱크안전성능시험자가 반드시 갖추어야 할 장비에 해당되는 것은?
47번 옥외탱크저장소의 펌프설비에서 펌프설비의 주위에는 몇 미터이상의 공지를 보유하여야 하는가?
48번 소방시설의 종류에 대한 설명으로 옳은 것은?
49번 다음중 소방용 기계ㆍ기구등의 형식승인을 얻고자 하는 사람은 어떤 법 기준에 따라야 하는가?
50번 소방대상물의 위치, 구조, 설비 또는 관리의 상황에 관하여 화재 예방상 필요하거나, 화재가 발생하면 인명에 위험이 미칠 것으로 인정될 때에는 관계인에게 당해 소방대상물의 개수명령 등의 필요한 조치를 명할 수 있는 사람은?
51번 화재예방, 소화활동, 소방훈련을 위하여 사용되는 신호의 종류와 방법은 누가 정하는가?
52번 소방본부장 또는 소방서장의 직무로 옳은 것은?
53번 주유취급소에 설치하여서는 아니 되는 것은?
54번 화재예방, 소화활동, 소방훈련을 위하여 사용되는 신호를 무엇이라 하는가?
55번 방염대상물품외에 방염처리가 필요하다고 인정되는 경우에 소방서장이 방염제품을 사용하도록 권장할 수 있는 물품은?
56번 방화관리업무 등에 관한 강습은 누가 실시하는가?
57번 위험물 제조소등의 허가취소 또는 사용정지 사유가 아닌 것은?
58번 소방대상물의 검사시 자료를 제출하지 않거나 허위자료를 제출한 자 또는 정당한 사유없이 관계공무원의 출입 또는 검사를 거부하거나 방해 또는 기피한 자의 벌칙에 해당하는 것은?
59번 제조소 등의 설치자가 위험물안전관리자를 해임한 때에는 그 해임한 날부터 몇 일이내에 위험물안전관리자를 선임하여야 하는가?
60번 시.도간의 소방업무 상호 응원협정을 할 때는 미리 규약을 정하여야 하는데 필요사항이 아닌 것은?
4과목 : 소방전기시설의 구조 및 원리
61번 자동화재재탐지설비에서 비화재보가 빈번할 때의 조치로서 적당하지 않은 것은?
62번 옥외형 M형 발신기는 100V에서 300V까지의 전압으로 작동하는 용량 3A의 무엇을 갖추어야 하는가?
63번 누전경보기의 증폭기는 어느 부분에 내장되어 있는가?
64번 발신기를 기능에 따라 분류한 것이 아닌 것은?
65번 제연설비의 비상전원으로 자사발전설비를 사용했을 경우 그것의 용량은 제연설비를 몇 분이상 가동시킬 수 있어야 하는가?
66번 자동화재탐지설비의 감지기회로의 전로저항은 몇 Ω이하가 되도록 하여야 하는가?
67번 피난구 유도등의 설치장소로 적장하지 않는 곳은?
68번 주요구조부가 내화구조로된 소방대상물의 자동화재탐지 설비중 열전대식차동식 분포형감지기의 설치기준으로 옳은 것은?
69번 자동화재탐지설비의 감지기 설치 높이가 10m인 장소에 설치할 수 있는 감지기의 종류는?
70번 종합방재센터에서 이용하는 제어방식이 아닌 것은?
71번 공기관식감지기의 화재감지 동작순서를 옳게 나타낸 것은?
72번 축전지설비의 구성요소로 맞지 않는 것은?(오류 신고가 접수된 문제입니다. 반드시 정답과 해설을 확인하시기 바랍니다.)
73번 R형수신기의 기능과 가스누설경보기의 수신부 기능을 겸한 수신기는?
74번 비상방송설비에 음량 조정기를 설치할 경우 음량 조정기의 배선방식으로 옳은 것은?
75번 이산화탄소소화설비의 음향경보장치로 방송에 의한 경보장치를 설치할 경우 방호구역 또는 방호대상물이 있는 구획의 각 부분으로부터 하나의 확성기까지의 수평거리는 몇 m 이하가 되도록 하여야 하는가?
76번 자동화재속보설비의 설치기준중 맞지 않는 것은?
77번 비상콘센트에 접지공사를 하는 경우 접지공사의 종류는?
78번 무선통신보조설비의 무선기기 접속단자의 설치기준으로 옳지 않은 것은?
79번 이산화탄소 소화설비의 제어반의 설치장소로 적합지 않은 곳은?
80번 차동식스포트형 감지기의 구조에 해당되는 것은?
연도별
- 2022년04월24일
- 2022년03월05일
- 2021년09월12일
- 2021년05월15일
- 2021년03월07일
- 2020년09월26일
- 2020년08월22일
- 2020년06월06일
- 2019년09월21일
- 2019년04월27일
- 2019년03월03일
- 2018년09월15일
- 2018년04월28일
- 2018년03월04일
- 2017년09월23일
- 2017년05월07일
- 2017년03월05일
- 2016년10월01일
- 2016년05월08일
- 2016년03월06일
- 2015년09월19일
- 2015년05월31일
- 2015년03월08일
- 2014년09월20일
- 2014년05월25일
- 2014년03월02일
- 2013년09월28일
- 2013년06월02일
- 2013년03월10일
- 2012년09월15일
- 2012년05월20일
- 2012년03월04일
- 2011년10월02일
- 2011년06월12일
- 2011년03월20일
- 2010년09월05일
- 2010년05월09일
- 2010년03월07일
- 2009년08월30일
- 2009년05월10일
- 2009년03월01일
- 2008년09월07일
- 2008년05월11일
- 2008년03월02일
- 2007년09월02일
- 2007년05월13일
- 2007년03월04일
- 2006년09월10일
- 2006년05월17일
- 2006년03월05일
- 2005년09월04일
- 2005년05월29일
- 2005년03월06일
- 2004년09월05일
- 2004년05월23일
- 2004년03월07일
- 2003년08월31일
- 2003년05월25일
- 2003년03월16일