소방설비기사(전기분야) (2017년09월23일 기출문제)
1과목 : 소방원론
1번 목재 화재 시 다량의 물을 뿌려 소화할 경우 기대되는 주된 소화효과는?
2번 포소화약제 중 고팽창포로 사용할 수 있는 것은?
3번 FM200이라는 상품명을 가지며 오존파괴 지수(ODP)가 0인 할론 대체 소화약제는 무슨 계열인가?(오류 신고가 접수된 문제입니다. 반드시 정답과 해설을 확인하시기 바랍니다.)
4번 화재 시 소화에 관한 설명으로 틀린 것은?
5번 화재의 종류에 따른 분류가 틀린 것은?
6번 휘발유의 위험성에 관한 설명으로 틀린 것은?
7번 질소 79.2vol.%, 산소 20.8vol.%로 이루어진 공기의 평균분자량은?
8번 고비점 유류의 탱크화재 시 열유층에 의해 탱크 아래의 물이 비등·팽창하여 유류를 탱크 외부로 분출시켜 화재를 확대시키는 현상은?
9번 전기불꽃, 아크 등이 발생하는 부분을 기름 속에 넣어 폭발을 방지하는 방폭구조는?
10번 할로겐원소의 소화효과가 큰 순서대로 배열된 것은?
11번 이산화탄소 20g은 몇 mol인가?
12번 공기 중에서 연소범위가 가장 넓은 물질은?
13번 건축물에 설치하는 방화벽의 구조에 대한 기준 중 틀린 것은?
14번 분말소화약제에 관한 설명 중 틀린 것은?
15번 공기 중에서 자연발화 위험성이 높은 물질은?
16번 제3류 위험물로서 자연발화성만 있고 금수성이 없기 때문에 물속에 보관하는 물질은?
17번 건물의 주요 구조부에 해당되지 않는 것은?
18번 폭발의 형태 중 화학적 폭발이 아닌 것은?
19번 연소확대 방지를 위한 방화구획과 관계없는 것은?
20번 피난층에 대한 정의로 옳은 것은?
2과목 : 소방전기회로
21번
그림과 같은 회로에서 a, b단자에 흐르는 전류 I가 인가전압 E와 동위상이 되었다. 이때 L 값은?

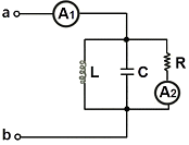
22번
그림과 같은 회로에서 단자 a, b 사이에 주파수 f(Hz)의 정현파 전압을 가했을 때 전류계 A1, A2의 값이 같았다. 이 경우 f, L, C 사이의 관계로 옳은 것은?

23번 추종제어에 대한 설명으로 가장 옳은 것은?
24번
다음 그림과 같은 논리회로로 옳은 것은?

25번 진공 중에 놓인 5μC의 점전하에서 2m되는 점의 전계는 몇 V/m인가?
26번 전류 측정 범위를 확대시키기 위하여 전류계와 병렬로 연결해야만 되는 것은?
27번 100V, 500W의 전열선 2개를 같은 전압에서 직렬로 접속한 경우와 병렬로 접속한 경우의 전력은 각각 몇 W인가?
28번 정속도 운전의 직류발전기로 작은 전력의 변화를 큰 전력의 변화로 증폭하는 발전기는?
29번 전압 및 전류측정방법에 대한 설명 중 틀린 것은?
30번 공진작용과 관계가 없는 것은?
31번
다음 그림과 같은 회로에서 전달함수로 옳은 것은?

32번 0.5kVA의 수신기용 변압기가 있다. 변압기의 철손이 7.5W, 전부하동손이 16W이다. 화재가 발생하여 처음 2시간은 전부하 운전되고, 다음 2시간은 1/2의 부하가 걸렸다고 한다. 4시간에 걸친 전손실 전력량은 약 몇 Wh인가?
33번 지름 1.2m, 저항 7.6Ω의 동선에서 이 동선의 저항률을 0.0172Ω·m라고 하면 동선의 길이는 약 몇 m인가?
34번 제어 목표에 의한 분류 중 미지의 임의 시간적 변화를 하는 목표값에 제어량을 추종시키는 것을 목적으로 하는 제어법은?
35번
논리식
와 같은 것은?
와 같은 것은?
36번 다이오드를 여러 개 병렬로 접속하는 경우에 대한 설명으로 옳은 것은?
37번 이상적인 트랜지스터의 a 값은? (단, α는 베이스접지 증폭기의 전류증폭율이다.)
38번
저항이 R, 유도리액턴스가 XL, 용량리액턴스가 Xc인 R-L-C 직렬회로에서의 Z와 Z값으로 옳은 것은?
39번 3상 유도전동기의 기동법이 아닌 것은?
40번 조작기기는 직접 제어대상에 작용하는 장치이고 빠른 응답이 요구된다. 다음 중전기식 조작기기가 아닌 것은?
3과목 : 소방관계법규
41번 위험물안전관리자로 선임할 수 있는 위험물 취급자격자가 취급할 수 있는 위험물 기준으로 틀린 것은?
42번 소방용수시설의 설치기준 중 주거지역·상업지역 및 공업지역에 설치하는 경우 소방대상물과의 수평거리는 최대 몇 m 이하 인가?
43번 정기점검의 대상이 되는 제조소등이 아닌 것은?
44번 1급 소방안전관리대상물에 대한 기준이 아닌 것은? (단, 동·식물원, 철강 등 불연성 물품을 저장·취급하는 창고, 위험물 저장 및 처리 시설 중 위험물 제조소등, 지하구를 제외한 것이다.)
45번 대통령령으로 정하는 특정소방대상물의 소방시설 중 내진설계 대상이 아닌 것은?
46번 건축물의 공사 현장에 설치하여야 하는 임시소방시설과 기능 및 성능이 유사하여 임시소방시설을 설치한 것으로 보는 소방시설로 연결이 틀린 것은? (단, 임시소방시설- 임시소방시설을 설치한 것으로 보는 소방시설 순이다.)
47번
행정안전부령으로 정하는 연소 우려가 있는 구조에 대한 기준 중 다음 ( ) 안에 알맞은 것은?

48번
특정소방대상물의 소방시설 설치의 면제기준 중 다음 ( ) 안에 알맞은 것은?

49번 위험물로서 제1석유류에 속하는 것은?
50번 건축허가 등을 함에 있어서 미리 소방본부장 또는 소방서장의 동의를 받아야 하는 건축물 등의 범위기준이 아닌 것은?
51번 스프링클러설비가 설치된 소방시설 등의 자체점검에서 종합정밀점검을 받아야 하는 아파트의 기준으로 옳은 것은?(2020년 8월 14일 변경된 규정 적용됨)
52번 방염성능기준 이상의 실내장식물 등을 설치해야 하는 특정소방대상물이 아닌 것은?
53번 화재의 예방조치 등과 관련하여 불장난, 모닥불, 흡연, 화기 취급, 그 밖에 화재예방상 위험하다고 인정되는 행위의 금지 또는 제한의 명령을 할 수 있는 자는?
54번 2급 소방안전관리대상물의 소방안전관리자 선임 기준으로 틀린 것은?
55번 경보설비 중 단독경보형 감지기를 설치해야 하는 특정소방대상물의 기준으로 틀린 것은?
56번 다음 중 과태료 대상이 아닌 것은?
57번 시·도지사가 소방시설업의 영업정지처분에 갈음하여 부과할 수 있는 최대 과징금의 범위로 옳은 것은?(관련 규정 개정전 문제로 여기서는 기존 정답인 3번을 누르면 정답 처리됩니다. 자세한 내용은 해설을 참고하세요.)
58번 화재경계지구의 지정대상이 아닌 것은?
59번 소방시설업의 반드시 등록 취소에 해당하는 경우는?
60번 자동화재탐지설비의 일반 공사감리기간으로 포함시켜 산정할 수 있는 항목은?
4과목 : 소방전기시설의 구조 및 원리
61번
자동화재속보설비를 설치하여야 하는 특정소방 대상물의 기준 중 다음 ( ) 안에 알맞은 것은?

62번
무선통신보조설비 무선기기 접속단자의 설치기준 중 다음 ( ) 안에 알맞은 것은?

63번 객석유도등을 설치하여야 하는 특정소방 대상물의 대상으로 옳은 것은?
64번 누전경보기의 구성요소에 해당하지 않는 것은?
65번
자동화재탐지설비 수신기의 설치기준 중 다음 ( ) 안에 알맞은 것은?

66번
피난기구 용어의 정의 중 다음 ( ) 안에 알맞은 것은?

67번 무선통신보조설비를 설치하여야 하는 특정소방 대상물의 기준 중 옳은 것은? (단, 위험물 저장 및 처리 시설 중 가스시설은 제외한다.)
68번 피난기구의 종류가 아닌 것은?
69번 누전경보기의 전원은 배선용 차단기에 있어서는 몇 A 이하의 것으로 각 극을 개폐할 수 있는 것을 설치하여야 하는가?
70번 자동화재탐지설비 배선의 설치기준 중 틀린 것은?
71번 비상경보설비를 설치하여야 할 특정소방 대상물의 기준 중 옳은 것은? (단, 지하구, 모래·석재 등 불연재료 창고 및 위험물 저장·처리 시설 중 가스시설은 제외한다.)
72번 단독경보형감지 기를 설치하여 야 하는 특정소방 대상물의 기준 중 옳은 것은?
73번 비상방송설비의 설치기준 중 기동장치에 따른 화재신고를 수신한 후 필요한 음량으로 화재 발생 상황 및 피난에 유효한 방송이 자동으로 개시될 때까지의 소요시간은 몇 초 이하로 하여야 하는가?
74번 비상방송설비를 설치하여야 하는 특정소방 대상물의 기준 중 틀린 것은? (단, 위험물 저장 및 처리 시설 중 가스시설, 사람이 거주하지 않는 동물 및 식물 관련 시설, 지하가 중 터널, 축사 및 지하구는 제외한다.)
75번 지하층·무창층 등으로서 환기가 잘되지 아니하거나 실내면적 이 40m2 미만인 장소에 설치하여야 하는 적응성이 있는 감지기가 아닌 것은?
76번
단독경보형감지기의 설치기준 중 다음 ( ) 안에 알맞은 것은?

77번 비상콘센트설비의 전원부와 외함사이의 절연저항은 전원부와 외함사이를 500V 절연저항계로 측정할 때 몇 MΩ 이상이어야 하는가?
78번 비상콘센트설비를 설치하여야 하는 특정소방 대상물의 기준으로 옳은 것은? (단, 위험물 저장 및 처리시설 중 가스시설 또는 지하구는 제외한다.)
79번
비상조명등의 설치제외 기준 중 다음 ( ) 안에 알맞은 것은?

80번 자동화재탐지설비 수신기의 구조기준 중 정격전압이 몇 V를 넘는 기구의 금속제 외함에는 접지단자를 설치하여야 하는가?
연도별
- 2022년04월24일
- 2022년03월05일
- 2021년09월12일
- 2021년05월15일
- 2021년03월07일
- 2020년09월26일
- 2020년08월22일
- 2020년06월06일
- 2019년09월21일
- 2019년04월27일
- 2019년03월03일
- 2018년09월15일
- 2018년04월28일
- 2018년03월04일
- 2017년09월23일
- 2017년05월07일
- 2017년03월05일
- 2016년10월01일
- 2016년05월08일
- 2016년03월06일
- 2015년09월19일
- 2015년05월31일
- 2015년03월08일
- 2014년09월20일
- 2014년05월25일
- 2014년03월02일
- 2013년09월28일
- 2013년06월02일
- 2013년03월10일
- 2012년09월15일
- 2012년05월20일
- 2012년03월04일
- 2011년10월02일
- 2011년06월12일
- 2011년03월20일
- 2010년09월05일
- 2010년05월09일
- 2010년03월07일
- 2009년08월30일
- 2009년05월10일
- 2009년03월01일
- 2008년09월07일
- 2008년05월11일
- 2008년03월02일
- 2007년09월02일
- 2007년05월13일
- 2007년03월04일
- 2006년09월10일
- 2006년05월17일
- 2006년03월05일
- 2005년09월04일
- 2005년05월29일
- 2005년03월06일
- 2004년09월05일
- 2004년05월23일
- 2004년03월07일
- 2003년08월31일
- 2003년05월25일
- 2003년03월16일