소방설비기사(전기분야) (2004년09월05일 기출문제)
1과목 : 소방원론
1번 증기가 공기와 혼합기체를 형성하였을 때 연소범위가 가장 넓은 물질은?
2번 가연성 섬유류 등의 연소성을 줄이기 위해서 화학물질을 사용하는 경우가 있는데, 그 방법과 원리로 옳지 않은 것은?
3번 어떤 인화성 액체가 공기중에서 열을 받아 점화원의 존재하에 지속적인 연소를 일으킬 수 있는 최저온도를 무엇이라고 하는가?
4번 다음 중 휘발유의 인화점은?
5번 알킬알루미늄의 소화에 적합한 소화제는?
6번 화재의 소화방법에 대한 설명으로 적당하지 않은 것은?
7번 화재시 발생하는 연기에 관한 설명으로 옳은 것은?
8번 연기의 농도표시방법 중 단위체적당 연기입자의 갯수를나타내는 방법은?
9번 유류 저장탱크의 화재중 열류층(HEAT LAYER)을 형성, 화재의 진행과 더불어 열류층이 점차 탱크 바닥으로 도달해탱크 저부에 물 또는 물기름 에멀젼(emulsion)이 수증기로 변해 부피팽창에 의하여 유류의 갑작스런 탱크 외부로의 분출을 발생시키면서 화재를 확대시키는 현상은?
10번 습기가 많을 때 그 전달속도가 빨라져서 사람이 방호할수 있는 능력을 떨어지게 하며 폐속으로 급히 흡입하면 혈압이 떨어져 혈액순환에 장애를 초래하게 되어 사망할수 있는 화재의 생성물은?
11번 출화 가옥의 기둥, 벽 등은 발화부를 향하여 도괴되는 경향이 있으므로 이곳을 출화부로 추정하는 것을 무엇이라 하는가?
12번 건물화재시 패닉(panic)의 발생원인과 직접적인 관계가없는 것은?
13번 객실부분에 대한 방재적인 피난계획으로 적절하지 못한것은?
14번 연소억제제 중 무기첨가제에 해당되는 것은?
15번 피난시설의 안전구획 설정과 관련이 없는 것은?
16번 다음 설명 중 옳지 않은 것은?
17번 주수 소화시 소화효과를 높이기 위한 방법은?
18번 "기체가 차지하는 부피는 압력에 반비례하며 절대온도에 비례한다."와 가장 관련이 있는 법칙은?
19번 석유, 고무, 동물의 털, 가죽 등과 같이 황성분을 함유하고 있는 물질이 불완전연소될 때 발생하는 연소가스로 계란 썩는 듯한 냄새가 나는 기체는?
20번 다음 중에서 제 2석유류에 해당되는 것은?
2과목 : 소방전기회로
21번 제 2과목: 소방전기회로 납축전지가 방전하면 양극물질(P) 및 음극물질(N)은 어떻게 변하는가?
22번 단상교류회로에 연결되어 있는 부하의 역률을 측정하고자 한다. 이 때 필요한 계측기의 구성으로 옳은 것은?
23번 옥내 배선의 굵기를 결정하는 요소가 아닌 것은 ?
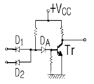
24번
다이오드 AND GATE에서 출력전압은 몇 [V]인가? (단, A=5[V], B=0[V]인 경우)

25번 분류기를 사용하여 전류를 측정하는 경우에 전류계의내부저항이 0.28Ω, 분류기의 저항이 0.07Ω이라면 그배율은 얼마가 되는가?
26번 피드백제어계중 물체의 위치, 방위, 자세 등의 기계적 변위를 제어량으로 하는 것은?
27번 같은 규격의 축전지 2개를 병렬로 연결하면?
28번 전기를 흐르게 하는 능력을 무엇이라 하는가 ?
29번
그림과 같은 직렬회로에서 RO를 고정시키고 리액턴스 Xc를 0 에서 ∞ 까지 변화시킬 때의 입력 어드미턴스의 궤적은 ?

30번 지멘스(Siemens)는 무엇의 단위인가?
31번 대칭 3상교류의 성형결선에서 선간전압이 220V일 때의 상전압은 몇 V 인가 ?
32번
그림과 같은 무접점회로는 어떤 논리회로인가?

33번 어떤 전압계의 측정 범위를 10배로 하자면 배율기의 저항은 내부저항의 몇 배로 하여야 하는가?
34번 공기중에서 5×10-4[Wb]와 8×10-3[Wb]의 두 자극사이에 작용하는 힘이 6.33[N]이었다면 두자극간의 거리는 얼마인가?
35번 실리콘정류기의 최고 허용온도는 약 몇 ℃ 정도 되는가?
36번 자기 히스테리시스곡선의 횡축과 종축이 나타내는 것은?
37번 제어기의 입력신호에 해당되는 것은?
38번 3상 유도전동기의 기동법이 아닌 것은?
39번
i1=Im cosω t인 그림과 같은 회로에서 개방된 2차단자에 나타나는 유기기전력 e2는 어떻게 표현되는가 ?

40번 1W·s와 같은 것은?
3과목 : 소방관계법규
41번 특정 소방대상물에 선임된 방화관리자가 실시하여야 할 사항이 아닌 것은?
42번 소방용수시설의 저수조는 지면으로부터의 낙차가 몇 m 이하이어야 하는가?
43번 화재경계지구의 지정은 누가 하는가?
44번 화재의 예방과 경계를 위한 소방신호의 목적이 아닌 것은?
45번 소방용기계· 기구를 제조하거나 수입하고자 하는자는형식승인을 얻어야 한다. 형식승인을 받지 않아도 되는 것은?
46번 다음 중 판매할 수 있는 소방용기계· 기구는?
47번 소방시설관리사 자격의 결격사유가 아닌 것은?
48번 무창층이라 함은 지상층 중 피난 또는 소화활동상 유효한 개구부의 면적의 합계가 당해 층의 바닥면적의 얼마 이하가 되는 층을 말하는가?
49번 특정 소방대상물의 관계인은 그 장소에 상시 근무 또는 거주하는 자에 대하여 훈련과 방화관리상 필요한 교육을 실시하여야 한다. 다음 중 해당되는 훈련의 종류가 아닌 것은?
50번 위험물의 운반시 용기·적재방법 및 운반방법에 관하여는 화재등의 위해예방과 응급조치상의 중요성을 감안하여 중요기준 및 세부기준은 어느 기준에 따라야 하는가?
51번 전문소방시설공사업에서 주된 기술인력으로 소방설비기사 자격자는 기계분야와 전기분야로 구분하여 각 몇 명 이상 이어야 하는가?
52번 소방시설의 완공검사는 누가 하는가?
53번 문화집회 및 운동시설로서 무대부의 바닥면적이 몇 m2 이상이면 제연설비를 설치하여야 하는가?
54번 소화기구를 설치하여야 할 소방대상물 중 수동식소화기 또는 간이 소화용구를 설치하여야 하는 것은 연면적이 몇 m2 이상인 소방대상물인가?
55번 다음 시설 중 하자 보수의 보증 기간이 틀린(다른) 것은?
56번 지하층을 포함하는 층수가 5층 이상인 건축물로서 연면적 몇 m2 이상일때, 비상조명등을 설치하여야 하는가 ?
57번 특정 소방대상물의 스프링클러설비 설치를 면제받을 수 있는 경우는 ?
58번 위험물제조소중 위험물을 취급하는 건축물은 특별한 경우를 제외하고 어떤 구조로 하여야 하는가?
59번 소방활동에 필요한 소방용수시설은 누가 설치하고 유지·관리 하여야 하는가?
60번 ( ① ) 또는 ( ② )은 소방업무를 보조하기 위하여 특별시· 광역시와 시· 읍· 면에 의용소방대를 둔다. ①, ②에 각각 들어갈 말은?
4과목 : 소방전기시설의 구조 및 원리
61번 제 4과목: 소방전기시설의 구조 및 원리 자동화재속보설비에 대한 설명으로 틀린 것은?
62번 누전경보기에 사용되는 변압기의 정격 1차전압은 몇 V 이하로 하여야 하는가?
63번 방송에 의한 비상경보설비중 확성기는 각 층마다 설치하되 그 층의 각 부분으로부터 다른 확성기까지의 수평거리는 몇 m 이하이어야 하는가?
64번 3상교류인 경우 비상콘센트설비의 전원회로 공급량으로 옳은 것은?(관련 규정 개정전 문제로 여기서는 기존 정답인 1번을 누르면 정답 처리 됩니다. 자세한 내용은 해설을 참고하세요)
65번 1층에서 발화한 경우 우선적으로 경보를 발하지 않아도 되는 층은?
66번 바닥에 매설한 통로유도등의 조명도로 옳은 것은?
67번 비상방송설비에서는 기동장치에 의한 화재신고를 수신한 후 필요한 음량으로 방송이 개시될 때 까지의 소요시간을 몇 초 이하로 하여야 하는가?
68번 비상콘센트를 보호하기 위하여 보호함 상부에 어떤색의 표시등을 설치하여야 하는가?
69번 가스누설 경보설비의 예비전원용 자동충전장치에 자동 과충전방지장치를 설치하지 않아도 되는 경우는?
70번 피난구 유도등의 조명도는 피난구로부터 몇[m]의 거리에서 문자 및 색채를 용이하게 식별할 수 있어야 하는가?
71번 무선통신 보조설비의 구성요소가 아닌 것은 ?
72번 비상조명등을 설치해야 되는 장소는?
73번 보상식스포트형감지기는 정온점이 감지기 주위의 평상시 최고온도보다 섭씨 몇 도 이상 높은 것으로 설치하여야 하는가?
74번 음향장치에서 음량은 부착된 음향장치의 중심으로부터 1m 떨어진 위치에서 몇 폰 이상이 되는 것으로 하여야 하는가?
75번 객석통로의 직선부분 거리가 65m이다. 몇 개의 통로 유도등을 설치해야 하는가?
76번 누전경보기의 설치방법으로 옳지 않은 것은?
77번 지하가에 무선통신보조설비의 누설동축케이블을 설치 하였다. 잘못된 것은?
78번 무선통신보조설비의 증폭기의 설치기준으로 옳지 않은것은?
79번 8m이상 15m미만의 높이에는 부착할 수 없는 감지기는?
80번 누전경보기의 크게 2가지로 구성되어 있다. 이 구성요소로 맞는 것은?
연도별
- 2022년04월24일
- 2022년03월05일
- 2021년09월12일
- 2021년05월15일
- 2021년03월07일
- 2020년09월26일
- 2020년08월22일
- 2020년06월06일
- 2019년09월21일
- 2019년04월27일
- 2019년03월03일
- 2018년09월15일
- 2018년04월28일
- 2018년03월04일
- 2017년09월23일
- 2017년05월07일
- 2017년03월05일
- 2016년10월01일
- 2016년05월08일
- 2016년03월06일
- 2015년09월19일
- 2015년05월31일
- 2015년03월08일
- 2014년09월20일
- 2014년05월25일
- 2014년03월02일
- 2013년09월28일
- 2013년06월02일
- 2013년03월10일
- 2012년09월15일
- 2012년05월20일
- 2012년03월04일
- 2011년10월02일
- 2011년06월12일
- 2011년03월20일
- 2010년09월05일
- 2010년05월09일
- 2010년03월07일
- 2009년08월30일
- 2009년05월10일
- 2009년03월01일
- 2008년09월07일
- 2008년05월11일
- 2008년03월02일
- 2007년09월02일
- 2007년05월13일
- 2007년03월04일
- 2006년09월10일
- 2006년05월17일
- 2006년03월05일
- 2005년09월04일
- 2005년05월29일
- 2005년03월06일
- 2004년09월05일
- 2004년05월23일
- 2004년03월07일
- 2003년08월31일
- 2003년05월25일
- 2003년03월16일