소방설비기사(전기분야) (2022년03월05일 기출문제)
1과목 : 소방원론
1번 소화원리에 대한 설명으로 틀린 것은?
2번 위험물의 유별에 따른 분류가 잘못된 것은?
3번 고층 건축물 내 연기거동 중 굴뚝효과에 영향을 미치는 요소가 아닌 것은?
4번 화재에 관련된 국제적인 규정을 제정하는 단체는?
5번 제연설비의 화재안전기준상 예상제연구역에 공기가 유입되는 순간의 풍속은 몇 m/s 이하가 되도록 하여야 하는가?
6번 화재의 정의로 옳은 것은?
7번 물에 황산을 넣어 묽은 황산을 만들 때 발생되는 열은?
8번 이산화탄소 소화약제의 임계온도는 약 몇 ℃ 인가?
9번 상온·상압의 공기중에서 탄화수소류의 가연물을 소화하기 위한 이산화탄소 소화약제의 농도는 약 몇 % 인가? (단, 탄화수소류는 산소농도가 10%일 때 소화된다고 가정한다.)
10번 과산화수소 위험물의 특성이 아닌 것은?
11번 건축물의 피난·방화구조 등의 기준에 관한 규칙상 방화구획의 설치기준 중 스프링클러를 설치한 10층 이하의 층은 바닥면적 몇 m2 이내마다 방화구획을 구획하여야 하는가?
12번 다음 중 분진 폭발의 위험성이 가장 낮은 것은?
13번 백열전구가 발열하는 원인이 되는 열은?
14번 동식물유류에서 “요오드값이 크다”라는 의미를 옳게 설명한 것은?
15번 단백포 소화약제의 특징이 아닌 것은?
16번 이산화탄소 소화약제의 주된 소화효과는?
17번 전기불꽃, 아크 등이 발생하는 부분을 기름 속에 넣어 폭발을 방지하는 방폭구조는?
18번 자연발화의 방지방법이 아닌 것은?
19번 소화약제의 형식승인 및 제품검사의 기술기준상 강화액 소화약제의 응고점은 몇 ℃ 이하이어야 하는가?
20번 상온에서 무색의 기체로서 암모니아와 유사한 냄새를 가지는 물질은?
2과목 : 소방전기회로
21번
그림과 같은 회로에서 단자 a, b 사이에 주파수 f(Hz)의 정현파 전압을 가했을 때 전류계 A1, A2의 값이 같았다. 이 경우 f, L, C 사이의 관계로 옳은 것은?

22번
논리식
를 간단히 표현한 것은?
를 간단히 표현한 것은?
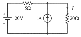
23번
회로에서 전류 I는 약 몇 A 인가?

24번 절연저항 시험에서 “전로의 사용전압이 500V 이하인 경우 1.0MΩ 이상”이란 뜻으로 가장 알맞은 것은?
25번
권선수가 100회인 코일에 유도되는 기전력의 크기가 e1이다. 이 코일의 권선수를 200회로 늘렸을 때 유도되는 기전력의 크기(e2)는?
26번
동일한 전류가 흐르는 두 평행 도선 사이에 작용하는 힘이 F1 이다. 두 도선 사이의 거리를 2.5배로 늘였을 때 두 도선 사이 작용하는 힘 F2는?
27번
그림의 회로에서 a와 c 사이의 합성 저항은?

28번 잔류편차가 있는 제어 동작은?
29번
그림과 같은 정류회로에서 R에 걸리는 전압의 최대값은 몇 V 인가? (단, v2(t) = 20√2 sinωt 이다.)

30번
회로에서 저항 20Ω에 흐르는 전류(A)는?

31번
다음의 내용이 설명하는 것으로 가장 알맞은 것은?

32번
그림과 같은 논리회로의 출력 Y는?

33번
3상 농형 유도전동기를 Y-△ 기동방식으로 기동할 때 전류 I1(A)과 △결선으로 직입(전전압) 기동할 때 전류 I2(A)의 관계는?
34번 유도전동기의 슬립이 5.6%이고 회전자 속도가 1700rpm일 때, 이 유도전동기의 동기속도는 약 몇 rpm 인가?
35번 목표값이 다른 양과 일정한 비율 관계를 가지고 변화하는 제어방식은?
36번 축전지의 자기 방전을 보충함과 동시에 일반 부하로 공급하는 전력은 충전기가 부담하고, 충전기가 부담하기 어려운 일시적인 대전류는 축전지가 부담하는 충전방식은?
37번 각 상의 임피던스가 Z=6+j8(Ω)인 △결선의 평형 3상 부하에 선간전압이 220v인 대칭 3상 전압을 가했을 때 이 부하로 흐르는 선전류의 크기는 약 몇 A 인가?
38번 전기화재의 원인 중 하나인 누설전류를 검출하기 위해 사용되는 것은?
39번
그림의 블록선도에서
을 구하면?
을 구하면?
40번 한 변의 길이가 150mm인 정방형 회로에 1A의 전류가 흐를 때 회로 중심에서의 자계의 세기는 약 몇 AT/m 인가?
3과목 : 소방관계법규
41번 화재예방, 소방시설 설치·유지 및 안전관리에 관한 법령상 건축허가등을 할 때 미리 소방본부장 또는 소방서장의 동의를 받아야 하는 건축물 등의 범위가 아닌 것은?
42번 소방기본법령상 일반음식점에서 음식조리를 위해 불을 사용하는 설비를 설치하는 경우 지켜야 하는 사항으로 틀린 것은?
43번 소방시설공사업법령상 소방시설업의 감독을 위하여 필요할 때에 소방시설업자나 관계인에게 필요한 보고나 자료 제출을 명할수 있는 사람이 아닌 것은?
44번 소방기본법령상 화재가 발생할 우려가 높거나 화재가 발생하는 경우 그로 인하여 피해가 클 것으로 예상되는 지역을 화재경계지구로 지정할 수 있는 자는?
45번 소방시설공사업법령상 소방시설업에 대한 행정처분기준에서 1차 행정처분 사항으로 등록취소에 해당하는 것은?
46번 소방시설공사업법령상 소방시설업자가 소방시설공사등을 맡긴 특정소방대상물의 관계인에게 지체 없이 그 사실을 알려야 하는 경우가 아닌 것은?
47번 화재예방, 소방시설 설치·유지 및 안전관리에 관한 법령에 따라 2급 소방안전관리대상물의 소방안전관리자 선임 기준으로 틀린 것은?
48번 소방시설공사업법령상 감리업자는 소방시설공사가 설계도서 또는 화재안전기준에 적합하지 아니한 때에는 가장 먼저 누구에게 알려야 하는가?
49번 화재예방, 소방시설 설치·유지 및 안전관리에 관한 법령상 특정소방대상물의 수용인원 산정방법으로 옳은 것은?
50번 위험물안전관리법령상 제조소등이 아닌 장소에서 지정수량 이상의 위험물 취급에 대한 설명으로 틀린 것은?
51번 소방시설공사업법령상 소방시설업 등록의 결격사유에 해당되지 않는 법인은?
52번 화재예방, 소방시설 설치·유지 및 안전관리에 관한 법령상 특정소방대상물의 소방시설 설치의 면제기준에 따라 연결살수설비를 설치면제 받을 수 있는 경우는?
53번 소방시설공사업 법령상 소방공사감리업을 등록한 자가 수행하여야 할 업무가 아닌 것은?
54번 소방기본법령상 소방업무의 응원에 대한 설명 중 틀린 것은?
55번 소방기본법령상 이웃하는 다른 시·도지사와 소방업무에 관하여 시·도지사가 체결할 상호응원협정 사항이 아닌 것은?
56번 위험물안전관리 법령상 옥내주유취급소에 있어서 당해 사무소 등의 출입구 및 피난구와 당해 피난구로 통하는 통로·계단 및 출입구에 설치해야 하는 피난설비는?
57번
위험물안전관리법령상 위험물 및 지정수량에 대한 기준 중 다음 ( ) 안에 알맞은 것은?

58번 위험물안전관리법령상 제조소등의 관계인은 위험물의 안전관리에 관한 직무를 수행하게 하기 위하여 제조소등마다 위험물의 취급에 관한 자격이 있는 자를 위험물안전관리자로 선임하여야 한다. 이 경우 제조소등의 관계인이 지켜야 할 기준으로 틀린 것은?
59번 다음 중 소방기본법령상 한국소방안전원의 업무가 아닌 것은?
60번 화재예방, 소방시설 설치·유지 및 안전관리에 관한 법령상 소방시설의 종류에 대한 설명으로 옳은 것은?
4과목 : 소방전기시설의 구조 및 원리
61번 비상콘센트설비의 성능인증 및 제품검사의 기술기준에 따라 비상콘센트설비의 절연된 충전부와 외함 간의 절연내력은 정격전압 150V이하의 경우 60Hz의 정현파에 가까운 실효전압 1000V 교류전압을 가하는 시험에서 몇 분간 견디어야 하는가?
62번 누전경보기의 형식승인 및 제품검사의 기술기준에 따라 비호환성형 수신부는 신호입력회로에 공칭작동전류치의 42%에 대응하는 변류기의 설계출력전압을 가하는 경우 몇 초 이내에 작동하지 아니하여야 하는가?
63번 자동화재탐지설비 및 시각경보장치의 화재안전기준(NFSC 203)에 따른 감지기의 시설기준으로 옳은 것은?
64번 누전경보기의 화재안전기준(NFSC 205)에 따라 경계전로의 누설전류를 자동적으로 검출하여 이를 누전경보기의 수신부에 송신하는 것은?
65번 비상방송설비의 화재안전기준(NFSC 202)에 따라 전원회로의 배선으로 사용할 수 없는 것은?
66번 층수가 5층 이상으로서 연면적 3000m2를 초과하는 특정소방대상물의 2층에서 발화한 때의 경보 기준으로 옳은 것은? (단, 비상방송설비의 화재안전기준(NFSC 202)에 따른다.)
67번 자동화재탐지설비 및 시각경보장치의 화재안전기준(NFSC 203)에 따라 감지기회로의 도통시험을 위한 종단저항의 설치기준으로 틀린 것은?
68번
경종의 우수품질인증 기술기준에 따른 기능시험에 대한 내용이다. 다음 ( ) 에 들어갈 내용으로 옳은 것은?

69번 「유통산업발전법」제2조 제3호에 따른 대규모점포(지하상가 및 지하역사는 제외한다)와 영화상영관에는 보행거리 몇 m 이내마다 휴대용비상조명등을 3개 이상 설치하여야 하는가? (단, 비상조명등의 화재안전기준(NFSC 304)에 따른다.)
70번 자동화재탐지설비 및 시각경보장치의 화재안전기준(NFSC 203)에 따라 전화기기실, 통신기기실 등과 같은 훈소화재의 우려가 있는 장소에 적응성이 없는 감지기는?
71번
자동화재속보설비의 속보기의 성능인증 및 제품검사의 기술기준에 따른 속보기의 기능에 대한 내용이다. 다음 ( ) 에 들어갈 내용으로 옳은 것은?

72번 비상콘센트설비의 화재안전기준(NFSC 504)에 따른 비상콘센트설비의 전원회로(비상콘센트에 전력을 공급하는 회로를 말한다)의 설치기준으로 틀린 것은?
73번 무선통신보조설비의 화재안전기준(NFSC 505)에 따라 분배기·분파기 및 혼합기 등의 임피던스는 몇 Ω의 것으로 하여야 하는가?
74번 자동화재탐지설비 및 시각경보장치의 화재안전기준(NFSC 203)에 따라 광전식분리형감지기의 설치기준에 대한 설명으로 틀린 것은?
75번 유도등의 형식승인 및 제품검사의 기술기준에 따라 유도등의 교류입력측과 외함 사이, 교류입력측과 충전부 사이 및 절연된 충전부와 외함 사이의 각 절연저항을 DC 500V의 절연저항계로 측정한 값이 몇 MΩ 이상이어야 하는가?
76번 비상경보설비의 축전지의 성능인증 및 제품검사의 기술기준에 따른 축전지설비의 외함 두께는 강판인 경우 몇 mm 이상이어야 하는가?
77번 유도등 및 유도표지의 화재안전기준(NFSC 303)에 따라 객석 내 통로의 직선부분 길이가 85m인 경우 객석유도등을 몇 개 설치하여야 하는가?
78번 비상경보설비 및 단독경보형감지기의 화재안전기준(NFSC 201)에 따른 용어에 대한 정의로 틀린 것은?
79번
다음의 무선통신보조설비 그림에서 ⓐ에 해당하는 것은?

80번 축전지의 자기방전을 보충함과 동시에 상용부하에 대한 전력공급은 충전기가 부담하도록 하되 충전기가 부담하기 어려운 일시적인 대전류 부하는 축전지로 하여금 부담하게 하는 충전방식은?
연도별
- 2022년04월24일
- 2022년03월05일
- 2021년09월12일
- 2021년05월15일
- 2021년03월07일
- 2020년09월26일
- 2020년08월22일
- 2020년06월06일
- 2019년09월21일
- 2019년04월27일
- 2019년03월03일
- 2018년09월15일
- 2018년04월28일
- 2018년03월04일
- 2017년09월23일
- 2017년05월07일
- 2017년03월05일
- 2016년10월01일
- 2016년05월08일
- 2016년03월06일
- 2015년09월19일
- 2015년05월31일
- 2015년03월08일
- 2014년09월20일
- 2014년05월25일
- 2014년03월02일
- 2013년09월28일
- 2013년06월02일
- 2013년03월10일
- 2012년09월15일
- 2012년05월20일
- 2012년03월04일
- 2011년10월02일
- 2011년06월12일
- 2011년03월20일
- 2010년09월05일
- 2010년05월09일
- 2010년03월07일
- 2009년08월30일
- 2009년05월10일
- 2009년03월01일
- 2008년09월07일
- 2008년05월11일
- 2008년03월02일
- 2007년09월02일
- 2007년05월13일
- 2007년03월04일
- 2006년09월10일
- 2006년05월17일
- 2006년03월05일
- 2005년09월04일
- 2005년05월29일
- 2005년03월06일
- 2004년09월05일
- 2004년05월23일
- 2004년03월07일
- 2003년08월31일
- 2003년05월25일
- 2003년03월16일