소방설비기사(전기분야) (2016년03월06일 기출문제)
1과목 : 소방원론
1번 일반적인 자연발화의 방지법으로 틀린 것은?
2번 위험물안전관리법령상 제4류 위험물의 화재에 적응성이 있는 것은?
3번 화학적 소화방법에 해당하는 것은?
4번 목조건축물에서 발생하는 옥외출화 시기를 나타낸 것으로 옳은 것은?
5번 무창층 여부를 판단하는 개구부로서 갖추어야 할 조건으로 옳은 것은?
6번 건물화재 시 패닉(panic)의 발생원인과 직접적인 관계가 없는 것은?
7번 화 재 발생 시 주수소화가 적합하지 않은 물질은?
8번 공기 중에서 수소의 연소범위로 옳은 것은?
9번 가연성가스나 산소의 농도를 낮추어 소화하는 방법은?
10번 이산화탄소(CO2)에 대한 설명으로 틀린 것은?
11번 분말 소화약제 중 A급, B급, C급 화재에 모두 사용할 수 있는 것은?
12번 증기비중의 정의로 옳은 것은? (단, 보기에서 분자, 분모의 단위는 모두 g/mol 이다.)
13번 화재발생 시 건축물의 화재를 확대시키는 주요인이 아닌 것은?
14번 위험물안전관리법령상 위험물 유별에 따른 성질이 잘못 연결된 것은?
15번 가연성 가스가 아닌 것은?(오류 신고가 접수된 문제입니다. 반드시 정답과 해설을 확인하시기 바랍니다.)
16번 화재 최성기 때의 농도로 유도등이 보이지 않을 정도의 연기농도는? (단, 감광계수로 나타낸다.)
17번 황린의 보관 방법으로 옳은 것은?
18번 공기 중의 산소의 농도는 약 몇 vol% 인가?
19번 제거소화의 예가 아닌 것은?
20번 제2종 분말 소화약제가 열분해되었을 때 생성되는 물질이 아닌 것은?
2과목 : 소방전기회로
21번 저항 6 Ω 과 유도리액턴스 8 Ω 이 직렬로 접속된 회로에 100V의 교류전압을 가할 때 흐르는 전류의 크기는 몇 A인가?
22번
다음과 같은 블록선도의 전달 함수는?

23번 콘덴서와 정전유도에 관한 설명으로 틀린 것은?
24번
그림과 같은 브리지 회로의 평형조건은?

25번 작동 신호를 조작량으로 변환하는 요소이며, 조절부와 조작부로 이루어진 것은?
26번 어떤 측정계기의 참값을 T, 지시값을 M 이라 할 때 보정율과 오차율이 옳은 것은?
27번 R=9 Ω, XL = 10 Ω, XC = 5 Ω 인 직렬부하회로에 220V 의 정현파 전압을 인가시켰을 때의 유효 전력은 약 몇 kW 인가?
28번
논리식을 간략화한 것 중 그 값이 다른 것은?
29번 금속이나 반도체에 압력이 가해진 겨우 전기저항이 변화하는 성질을 이용한 압력센서는?
30번 변압기의 내부고장 보호에 사용되는 계전기는 다음 중 어느 것인가?
31번 알칼리 축전지의 음극 재료는?
32번 PNPN 4층 구조로 되어 있는 사이리스터 소자가 아닌 것은?
33번 미지의 임의 시간적 변화를 목표값에 제어량을 추종시키는 것을 목적으로 하는 제어는?
34번 무한장 솔레노이드 자계의 세기에 대한 설명으로 틀린 것은?
35번
저항 R1 , R2 와 인덕턴스 L이 직렬로 연결된 회로에서 시정수[sec] 는?
36번 아날로그와 디지털 통신에서 데시벨의 단위로 나타내는 SN비를 올바르게 풀어 쓴 것은?
37번 분류기를 써서 배율을 9로 하기 위한 분류기의 저항은 전류계 내부저항의 몇 배인가?
38번 전지의 자기 방전을 보충함과 동시에 상용 부하에 대한 전력 공급은 충전기가 부담하도록 하되, 충전기가 부담하기 어려운 일시적인 내전류 부하는 축전지로 하여금 부담하게 하는 충전방식은?
39번
그림과 같은 R-C 필터회로에서 리플 함유율을 가장 효과적으로 줄일 수 있는 방법은?

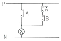
40번
그림과 같은 릴레이 스퀀스회로의 출력식을 간략화한 것은?

3과목 : 소방관계법규
41번 특정소방대상물의 관계인이 소방안전관리자를 해임한 경우 재선임 신고를 해야 하는 기준은? (단, 해임한 날부터를 기준일로 한다.)
42번 시·도지사가 설치하고 유지·관리하여야 하는 소방용수시설이 아니 것은?
43번
( )안의 내용으로 알맞은 것은?

44번 소방시설공사업자의 시공능력평가 방법에 대한 설명 중 틀린 것은?
45번 소방시설의 자체점검에 관한 설명으로 옳지 않은 것은?
46번 소방시설공사의 착공신고 시 첨부서류가 아닌 것은?
47번 시·도의 조례가 정하는 바에 따라 지정수량 이상의 위험물을 임시로 저장·취급할 수 있는 기간 (㉠)과 임시저장 승인권자 (㉡)는?
48번 연면적이 500m2 이상인 위험물 제조소 및 일반취급소에 설치하여야 하는 경보설비는?
49번 소방서의 종합상황실 실장이 서면 모사전송 또는 컴퓨터통신 등으로 소방본부의 종합상황실에 보고하여야 하는 화재가 아닌 것은?
50번 소방시설업의 등록권자로 옳은 것은?
51번 제3류 위험물 중 금수성 물품에 적응성이 있는 소화약제는?
52번 소방시설관리업의 등록을 반드시 취소해야 하는 사유에 해당하지 않는 것은?
53번 가연성가스를 저장·취급하는 시설로서 1급 소방안전관리대상물의 가연성가스 저장·취급 기준으로 옳은 것은?
54번 소방기본법상 소방용수시설·소화기구 및 설비등의 설치명령을 위반한 자의 과태료는?
55번 방염처리업의 종류가 아닌 것은?
56번 자동화재탐지설비를 설치하여야 하는 특정소방 대상물의 기준으로 틀린 것은?
57번 소방용수시설 저수조의 설치기준으로 틀린 것은?
58번 화재현장에서 피난 등을 체험할 수 있는 소방체험관의 설립 · 운영권자는?
59번 공동 소방안전관리자를 선임하여야 할 특정 소방대상물의 기준으로 틀린 것은?
60번 종합정밀점검의 경우 점검인력 1단위가 하루 동안 점검할 수 있는 특정소방대상물의 연면적 기준으로 옳은 것은?
4과목 : 소방전기시설의 구조 및 원리
61번 비상방송설비의 특징에 대한 설명으로 틀린 것은?
62번 자동화재탐지설비의 수신기 설치기준에 관한 사항 중, 최소 몇 층 이상의 특정소방대상물에는 발신기와 전화통화가 가능한 수신기를 설치하여야 하는가?
63번 지하층을 제외한 층수가 11층 이상의 층에서 피난층에 이륵는 부분의 소방시설에 있어 비상 전원을 60분 이상 유효하게 작동시킬 수 있는 용량으로 하여야 하는 설비들로 옳게 나열된 것은?
64번 화재안전기준에서 정하고 있는 연기감지기를 설치하지 않아도 되는 장소는?
65번 누전경보기의 수신부 설치 장소로서 맞는 것은?
66번 상용전원이 서로 다른 소방시설은?
67번 노유자시설로서 바닥면적이 몇 m2 이상인 층이 있는 경우에 자동화재속보설비를 설치하는가?
68번
경계구역에 관한 다음 내용 중 ( )안에 맞는 것은?

69번
절연저항시험에 관한 기준에서 ( )에 알맞은 것은?

70번
축광표지의 식별도시험에 관련한 기준에서 ( )에 알맞은 것은?

71번 환경상태가 현저하게 고온으로 되어 연기감지기를 설치할 수 없는 건조실 또는 살균실 등에 적응성 있는 열감지기가 아닌 것은?
72번 누전경보기의 화재안전기준에서 규정한 용어, 설치방법, 전원 등에 관한 설명으로 틀린 것은?
73번 누전경보기에서 감도조정장치의 조정범위는 최대 몇 mA인가?
74번 자동화재탐지설비의 GP형 수신기에 감지기 회로의 배선을 접속하려고 할 때 경계구역이 15개인 경우 필요한 공통선의 최소 개수는?
75번 무선통신보조설비에 대한 설명으로 틀린 것은?
76번 비상방송설비가 기동장치에 의한 화재신고를 수신한 후 필요한 음량으로 화재발생 상황 및 피난에 유효한 방송이 자동으로 개시될 때까지의 소요시간은 최대 몇 초 이하인가?
77번 지하층으로서 특정소방대상물의 바닥부분 중 최소 몇 면이 지표면과 동일한 경우에 무선통신 보조설비의 설치를 제외할 수 있는가?
78번 무창층의 도매시장에 설치하는 비상조명등용 비상전원은 당해 비상조명등을 몇 분 이상 유효하게 작동시킬 수 있는 용량으로 하여야 하는가?
79번 청각장애인용 시각경보장치는 천장의 높이가 2m 이하인 경우 천장으로부터 몇 m 이내의 장소에 설치해야 하는가?
80번 신호의 전송로가 분기되는 장소에 설치하는 것으로 임피던스 매칭과 신호 균등분배를 위해 사용되는 장치는?
연도별
- 2022년04월24일
- 2022년03월05일
- 2021년09월12일
- 2021년05월15일
- 2021년03월07일
- 2020년09월26일
- 2020년08월22일
- 2020년06월06일
- 2019년09월21일
- 2019년04월27일
- 2019년03월03일
- 2018년09월15일
- 2018년04월28일
- 2018년03월04일
- 2017년09월23일
- 2017년05월07일
- 2017년03월05일
- 2016년10월01일
- 2016년05월08일
- 2016년03월06일
- 2015년09월19일
- 2015년05월31일
- 2015년03월08일
- 2014년09월20일
- 2014년05월25일
- 2014년03월02일
- 2013년09월28일
- 2013년06월02일
- 2013년03월10일
- 2012년09월15일
- 2012년05월20일
- 2012년03월04일
- 2011년10월02일
- 2011년06월12일
- 2011년03월20일
- 2010년09월05일
- 2010년05월09일
- 2010년03월07일
- 2009년08월30일
- 2009년05월10일
- 2009년03월01일
- 2008년09월07일
- 2008년05월11일
- 2008년03월02일
- 2007년09월02일
- 2007년05월13일
- 2007년03월04일
- 2006년09월10일
- 2006년05월17일
- 2006년03월05일
- 2005년09월04일
- 2005년05월29일
- 2005년03월06일
- 2004년09월05일
- 2004년05월23일
- 2004년03월07일
- 2003년08월31일
- 2003년05월25일
- 2003년03월16일