소방설비기사(전기분야) (2021년03월07일 기출문제)
1과목 : 소방원론
1번 건축법령상 내력벽, 기둥, 바닥, 보, 지붕틀 및 주계단을 무엇이라 하는가?
2번 이산화탄소의 물성으로 옳은 것은?
3번 소화약제로 사용하는 물의 증발잠열로 기대할 수 있는 소화효과는?
4번 블레비(BLEVE) 현상과 관계가 없는 것은?
5번 할로겐화합물 소화약제에 관한 설명으로 옳지 않은 것은?
6번 스테판-볼쯔만의 법칙에 의해 복사열과 절대온도와의 관계를 옳게 설명한 것은?
7번 분자식이 CF2BrCl 인 할로겐화합물 소화약제는?
8번 대두유가 침적된 기름 걸레를 쓰레기통에 장시간 방치한 결과 자연발화에 의하여 화재가 발생한 경우 그 이유로 옳은 것은?
9번 조연성 가스에 해당하는 것은?
10번 물에 저장하는 것이 안전한 물질은?
11번 다음 각 물질과 물이 반응하였을 때 발생하는 가스의 연결이 틀린 것은?
12번
건축물의 화재 시 피난자들의 집중으로 패닉(Panic) 현상이 일어날 수 있는 피난방향은?
13번 위험물별 저장방법에 대한 설명 중 틀린 것은?
14번 전기화재의 원인으로 거리가 먼 것은?
15번 인화점이 낮은 것부터 높은 순서로 옳게 나열된 것은?
16번 가연성 가스이면서도 독성 가스인 것은?
17번 1기압상태에서, 100℃ 물 1g이 모두 기체로 변할 때 필요한 열량은 몇 cal 인가?
18번 다음 물질 중 연소범위를 통해 산출한 위험도 값이 가장 높은 것은?
19번 일반적으로 공기 중 산소농도를 몇 vol% 이하로 감소시키면 연소속도의 감소 및 질식 소화가 가능한가?
20번 가연물질의 구비조건으로 옳지 않은 것은?
2과목 : 소방전기회로
21번
논리식
을 간단히 하면?
을 간단히 하면?
22번
어떤 측정계기의 지시값을 M, 참값을 T라 할 때 보정률(%)은?
23번
그림과 같이 반지름 r(m)인 원의 원주상 임의의 2점 a, b 사이에 전류 I(A)가 흐른다. 원의 중심에서의 자계의 세기는 몇 A/m인가??

24번
회로에서 a, b 간의 합성저항(Ω)은? (단, R1=3Ω, R2=9Ω이다.)

25번 2차 제어시스템에서 무제동으로 무한 진동이 일어나는 감쇠율(damping ratio) δ는?
26번
블록선도의 전달함수 (C(s)/R(s))는?

27번 3상 유도전동기의 특성에서 토크, 2차 입력, 동기속도의 관계로 옳은 것은?
28번 어떤 회로에 v(t)=150sinωt(V)의 전압을 가하니 i(t)=12sin(ωt-30°)(A)의 전류가 흘렀다. 이 회로의 소비전력(유효전력)은 약 몇 W 인가?
29번
평행한 두 도선 사이의 거리가 r이고, 각 도선에 흐르는 전류에 의해 두 도선 간의 작용력이 F1일 때, 두 도선 사이의 거리를 2r로 하면 두 도선 간의 작용력 F2 는?
30번 200V의 교류전압에서 30A의 전류가 흐르는 부하가 4.8KW의 유효전력을 소비하고 있을 때 이 부하의 리액턴스(Ω)는?
31번 정전용량이 0.02㎌인 커패시터 2개와 정전용량이 0.01㎌인 커패시터 1개를 모두 병렬로 접속하여 24V의 전압을 가하였다. 이 병렬회로의 합성 정전용량(㎌)과 0.01㎌의 커패시터에 축적되는 전하량(C)은?
32번
그림과 같은 다이오드 회로에서 출력전압 Vo는? (단, 다이오드의 전압강하는 무시한다.)

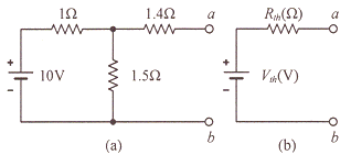
33번
데브난의 정리를 이용하여 그림(a)의 회로를 그림 (b)와 같은 등가회로로 만들고자 할 때 Vth(V)와 Rth(Ω)은?

34번
LC 직렬회로에 직류전압 E를 t=0(s)에 인가했을 때 흐르는 전류 I(t)는?
35번 다음 소자 중에서 온도 보상용으로 쓰이는 것은?
36번 변위를 압력으로 변환하는 장치로 옳은 것은?
37번
저항 R1(Ω), 저항 R2(Ω), 인덕턴스 L(H)의 직렬회로가 있다. 이 회로의 시정수(s)는?
38번 자기 인덕턴스 L1, L2가 각각 4mH, 9mH인 두 코일이 이상적인 결합이 되었다면 상호 인덕턴스는 몇 mH인가? (단, 결합계수는 1이다.)
39번
분류기를 사용하여 내부저항이 RA인 전류계의 배율을 9로 하기 위한 분류기의 저항 RS(Ω)은?
40번
그림의 논리회로와 등가인 논리 게이트는?

3과목 : 소방관계법규
41번 소방기본법령상 저수조의 설치기준으로 틀린 것은?
42번 소방시설공사업법령상 소방시설업 등록을 하지 아니하고 영업을 한 자에 대한 벌칙은?
43번 화재예방, 소방시설 설치/유지 및 안전관리에 관한 법령상 대통령령 또는 화재안전기준이 변경되어 그 기준이 강화되는 경우 기존 특정소방대상물의 소방시설 중 강화된 기준을 적용하여야 하는 소방시설은?
44번 소방기본법령상 화재조사의 종류 중 화재원인조사에 해당하지 않는 것은?
45번 소방기본법령상 소방신호의 방법으로 틀린 것은?
46번 화재예방, 소방시설 설치/유지 및 안전관리에 관한 법령상 특정소방대상물의 관계인이 수행하여야 하는 소방안전관리 업무가 아닌 것은?
47번 소방기본법에서 정의하는 소방대의 조직구성원이 아닌 것은?
48번 위험물안전관리법령상 인화성액체위험물(이황화탄소를 제외)의 옥외탱크저장소의 탱크주위에 설치하여야 하는 방유제의 기준 중 틀린 것은?
49번
위험물안전관리법상 시ㆍ도지사의 허가를 받지 아니하고 당해 제조소등을 설치 할 수 있는 기준 중 다음 ( )안에 알맞은 것은?

50번 화재예방, 소방시설 설치ㆍ유지 및 안전관리에 관한 법령상 건축허가등의 동의대상물의 범위기준 중 틀린 것은?
51번 화재예방, 소방시설 설치/유지 및 안전관리에 관한 법령상 지하가는 연면적이 최소 몇m2이상이어야 스프링클러설비를 설치하여야 하는 특정소방대상물에 해당하는가? (단, 터널은 제외한다.)
52번 화재예방, 소방시설 설치ㆍ유지 및 안전관리에 관한 법령상 소방안전관리대상물의 소방계획서에 포함되어야 하는 사항이 아닌 것은?
53번 위험물안전관리법상 업무상 과실로 제조소등에서 위험물을 유출ㆍ방출 또는 확산시켜 사람의 생명ㆍ신체 또는 재산에 대하여 위험을 발생시킨 자에 대한 벌칙기준은?
54번 소방기본법령상 소방용수시설의 설치기준 중 급수탑의 급수배관의 구경은 최소 몇mm 이상이어야 하는가?
55번 소방시설공사업법령상 공사감리자 지정대상 특정소방대상물의 범위가 아닌 것은?
56번
화재예방, 소방시설 설치ㆍ유지 및 안전관리에 관한 법령상 자동화재탐지설비를 설치하여야 하는 특정소방대상물에 대한 기준 중 ( )에 알맞은 것은?

57번 화재예방, 소방시설 설치/유지 및 안전관리에 관한 법령상 형식승인을 받지 아니한 방용품을 판매하거나 판매목적으로 진열하거나 소방시설공사에 사용한 자에 대한 벌칙 기준은?
58번 소방기본법에서 정의하는 소방대상물에 해당하지 않는 것은?
59번
화재예방, 소방시설 설치/유지 및 안전관리에 관한 법령상 특정소방대상물의 소방시설 설치의 면제기준 중 다음 ( )안에 알맞은 것은?

60번
위험물안전관리법령상 위험물의 유별 저장/취급의 공통기준 중 다음 ( )안에 알맞은 것은?

4과목 : 소방전기시설의 구조 및 원리
61번 비상콘센트설비의 화재안전기준(NFSC 504)에 따라 하나의 전용회로에 단상교류 비상콘센트 6개를 연결하는 경우, 전선의 용량은 몇 kVA 이상이어야 하는가?
62번 무선통신보조설비의 화재안전기준(NFSC 505)에 따라 지표면으로부터의 깊이가 몇m 이하인 경우에는 해당층에 한하여 무선통신보조설비를 설치하지 아니할 수 있는가?
63번 자동화재속보설비의 속보기의 성능인증 및 제품검사의 기술기준에 따른 속보기의 구조에 대한 설명으로 틀린 것은?
64번 공기관식 차동식 분포형감지기의 기능시험을 하였더니 검출기의 접점수고치가 규정이상으로 되어 있었다. 이때 발생되는 장애로 볼 수 있는 것은?
65번 경종의 형식승인 및 제품검사의 기술기준에 따라 경종은 전원전압이 정격전압의 ± 몇%범위에서 변동하는 경우 기능에 이상이 생기지 아니하여야 하는가?
66번 누전경보기의 화재안전기준(NFSC 205)에 따라 누전경보기의 수신부를 설치할 수 있는 장소는? (단, 해당 누전경보기에 대하여 방폭ㆍ방식ㆍ방습ㆍ방온ㆍ방진 및 정전기 차폐등의 방호조치를 하지 않은 경우이다.)
67번 자동화재탐지설비 및 시각경보장치의 화재안전기준(NFSC 203)에 따라 특정소방대상물 중 화재신호를 발신하고 그 신호를 수신 및 유효하게 제어할 수 있는 구역을 무엇이라 하는가?
68번 소방시설용 비상전원수전설비의 화재안전기준(NFSC 602) 용어의 정의에 따라 수용장소의 조영물(토지에 정착한 시설물 중 지붕 및 기둥 또는 벽이 있는 시설물을 말한다.)의 옆면 등에 시설하는 전선으로서 그 수용장소의 인입구에 이르는 부분의 전선은 무엇인가?
69번
비상콘센트설비의 성능인증 및 제품검사의 기술기준에 따른 표시등의 구조 및 기능에 대한 내용이다. 다음 ( )에 들어갈 내용으로 옳은 것은?

70번
감시기의 형식승인 및 제품검사의 기술기준에 따라 단독경보형감지기의 일반기능에 대한 내용이다. 다음 ( )에 들어갈 내용으로 옳은 것은?

71번
일반적인 비상방송설비의 계통되다. 다음의 ( )에 들어갈 내용으로 옳은 것은?

72번 자동화재탐지설비 및 시각경보장치의 화재안전기준(NFSC 203)에 따라 자동화재탐지설비의 주음향장치의 설치 장소로 옳은 것은?
73번 비상조명등의 형식승인 및 제품검사의 기술기준에 따라 비상조명등의 일반구조로 광원과 전원부를 별도로 수납하는 구조에 대한 설명으로 틀린 것은?
74번 누전경보기의 형식승인 및 제품검사의 기술기준에 따라 누전경보기에 사용되는 표시등의 구조 및 기능에 대한 설명으로 틀린 것은?
75번 유도등의 형식승인 및 제품검사의 기술기준에 따라 영상표시소자(LED, LCD 및 PDP 등)를 이용하여 피난유도표시 형상을 영상으로 구현하는 방식은?
76번
발신기의 형식승인 및 제품검사의 기술기준에 따라 발신기의 작동기능에 대한 내용이다. 다음 ( )에 들어갈 내용으로 옳은 것은?

77번 유도등의 형식승인 및 제품검사의 기술기준에 따라 객석유도등은 바닥면 또는 디딤바닥면에서 높이 0.5m의 위치에 설치하고 그 유도등의 바로 및에서 0.3m 떨어진 위치에서의 수평조도가 몇 lx 이상이어야 하는가?
78번 무선통신보조설비의 화재안전기준(NFSC 505)에 따라 무선통신보조설비의 주요구성요소가 아닌 것은?
79번 소방시설용 비상전원수전설비의 화재안전기준(NFSC 602)에 따라 일반전기사업자로부터 특별고압 또는 고압으로 수전하는 비상전원 수전설비로 큐비클형을 사용하는 경우의 시설기준으로 틀린 것은? (단, 옥내에 설치하는 경우이다.)
80번
비상방송설비의 화재안전기준에 따른 비상방송설비의 음향장치에 대한 내용이다. 다음 ( )에 들어갈 내용으로 옳은 것은?

연도별
- 2022년04월24일
- 2022년03월05일
- 2021년09월12일
- 2021년05월15일
- 2021년03월07일
- 2020년09월26일
- 2020년08월22일
- 2020년06월06일
- 2019년09월21일
- 2019년04월27일
- 2019년03월03일
- 2018년09월15일
- 2018년04월28일
- 2018년03월04일
- 2017년09월23일
- 2017년05월07일
- 2017년03월05일
- 2016년10월01일
- 2016년05월08일
- 2016년03월06일
- 2015년09월19일
- 2015년05월31일
- 2015년03월08일
- 2014년09월20일
- 2014년05월25일
- 2014년03월02일
- 2013년09월28일
- 2013년06월02일
- 2013년03월10일
- 2012년09월15일
- 2012년05월20일
- 2012년03월04일
- 2011년10월02일
- 2011년06월12일
- 2011년03월20일
- 2010년09월05일
- 2010년05월09일
- 2010년03월07일
- 2009년08월30일
- 2009년05월10일
- 2009년03월01일
- 2008년09월07일
- 2008년05월11일
- 2008년03월02일
- 2007년09월02일
- 2007년05월13일
- 2007년03월04일
- 2006년09월10일
- 2006년05월17일
- 2006년03월05일
- 2005년09월04일
- 2005년05월29일
- 2005년03월06일
- 2004년09월05일
- 2004년05월23일
- 2004년03월07일
- 2003년08월31일
- 2003년05월25일
- 2003년03월16일