소방설비기사(전기분야) (2007년03월04일 기출문제)
1과목 : 소방원론
1번 교차배관에서 공급되는 소화수를 스프링클러헤드까지 공급하는 역할을 하는 것으로서 스프링클러헤드가 설치되어 있는 배관을 무엇이라 하는가?
2번 화재의 분류방법 중 유류화재를 나타내는 것은?
3번 일반적인 자연발화를 방지하기 위한 조치로 옳지 않은 것은?
4번 CO2가스의 증기 비중은 약 얼마인가? (단, 분자량은 CO2 : 44, N2 : 28, O2: 32 이다.)
5번 다음 각 물질의 저장방법 중 잘못된 것은?
6번 목탄, 코크스, 금속분 등이 연소는 주로 어떤 형태의 연소에 해당되는가?
7번 가연물질이 연소가 잘되기 위한 조건 중 옳지 않은 것은?
8번 암모니아에 대한 설명 중 옳지 않은 것은?
9번 가연성 증기를 발생하는 액체가 공기와 혼합하여 기상부에 다른 불꽃이 닿았을 때 연소가 일어나는 최저의 액체 온도를 무엇이라고 하는가?
10번 화재의 경우 불은 불연성 가스를 그 연소물에 덮으면 그로 인하여 산소가 희석 또는 차단되면서 소화된다. 이때에 소화효과만을 고려하였을 경우 사용될 수 있는 기체가 아닌 것은?
11번 기체나 액체, 고체에서 나오는 분해가스의 농도를 엷게 하여 소화하는 방법은?
12번 다음 중 인화성 물질이 아닌 것은?
13번 화재 발생시 인명을 구조하는 것으로서 직접 활용할 수 없는 것은?
14번 다음중 소화약제로서 물을 사용하는 주된 이유는?
15번 플래시 오버(flash over)를 옳게 설명한 것은?
16번 다음 중 내화구조에 해당하는 것은?
17번 다음 중 불연재료가 아닌 것은?
18번 다음 중 가연성 가스가 아닌 것은?
19번 대기 중에 산소는 약 몇 %정도 있는가?
20번 백열전구에서 발열하는 것은 무엇 때문인가?
2과목 : 소방전기회로
21번 자기 히스테리시스극선의 횡축과 종축이 나타내는 것은?
22번 작동 신호를 조작량으로 변환하는 요소이며, 조절부와 조작부로 이루어진 것을 무엇이라 하는가?
23번 피드백제어계 중 물체의 위치, 방위, 자세등의 기계적변위를 제어량으로 하는 것은?
24번
논리식
와 같은 것은?
와 같은 것은?
25번
그림과 같은 이상변압기의 권선비가 n : n2=1:3 이다. a. b 단자에서 본 임피던스는 몇 Ω 인가?

26번 변압기의 자속을 만드는 전류는?
27번 동일 눈금형으로 사용되는 AC, DC 양용의 계기는?
28번 비직선적인 전압-전류 특성을 갖는 2단자 반도체 소자로, 주로 서지전압에 대한 보호용으로 사용되는 것은?
29번
그림과 같은 회로에서 검류계의 한 단자가 AC : CB가 2 : 3 이 되는점 C에서 검류계의 눈금이 0 을 가리켰다. 저항 X 는 몇 Ω인가? (단, AB는 저항이 균일한 도선이다.)

30번 전양정 55m, 토출량 0.3m3/min, 펌프 효울 0.55, 전도계수 1.1인 옥내소화전 전동기 출력은 약 몇 kw 인가?
31번
그림에서 전압계의 지시값이 100V 이고 전류계의 지시값이 5A 일 때 부하전력은 몇 W인가? (단, 전류계의 내부저항은 0.4Ω 이다.)

32번 일정한 저항에 가해지고 이는 전압을 3배로 하면 소비전력은 몇 배가 되는가?
33번 다음 중 바이메탈의 열팽창을 이용한 감지기는?
34번 어떤 전지에서 5A 의 전류가 10분간 흘렀다면, 이 전지에서 나온 전기량은 몇 C 인가?
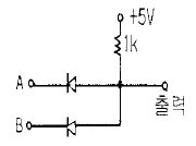
35번
다음 회로에서 출력전압을 몇 V 인가? (단, A = 5V, B= 0V 인 경우임)

36번 참값이 4.8A인 전류를 측정하였더니 4.65A이었다. 이 때 보정 백분율(%)은 약 얼마인가?
37번 가정용 전원 220V 라는 것은 어떤 값을 말하는가?
38번 교류전력변환장치로 사용되는 인버터회로에 대한 설명으로 옳지 않은 것은?
39번
그림과 같은 인덕터의 자기인덕턱스는 몇 H인가?

40번 이미터 전류를 1㎃ 변화시켰더니 컬렉터 전류는 0.84㎃ 이었다. 이 트랜지스터의 증폭율 β는?
3과목 : 소방관계법규
41번 화재 또는 구조ㆍ구급이 필요한 상황을 허위로 알린 자에 대한 조치로 옳은 것은?
42번 다음 중 방염대상물품에 해당되지 않는 것은?
43번 화재예방을 위하여 보일러는 벽ㆍ천장과 최소 몇 m 이상의 거리를 두고 설치하여야 하는가?
44번 시공능력평가 방법 중 시공능력평가액의 산정방식으로 알맞은 것은?
45번 이상기상(異常氣相)의 예보나 특보가 있을 때 화재위험을 알리는 소방신호로 알맞은 것은?
46번 특수가연물의 저장 및 취급기준으로 옳지 않은 것은? (단, 석탄ㆍ목탄류는 발전용으로 저장하지 않는 경우임)
47번 소방기본법에서 정하고 있는 화재의 예방조치 명령과 관계가 없는 것은?
48번 다음 중 소방시설별 하자보수 보증기간이 올바른 것은?
49번 다음 중 소방기본법에서 사용하는 용어의 정의로 옳지 않은 것은?
50번 다음 중 관리으 권원이 분리도어 있는 것으로서 공동방화관리를 하여야 할 특정소방대상물에 속하지 않는 것은?
51번 다음 중 위험물 유별 성질로서 옳지 않은 것은?
52번 다음 중 위험물과 그 지점 수량의 조합으로 옳은 것은?
53번 성능위주설계를 할 수 있는 자의 자격ㆍ기술 인력 및 자격에 따른 설계의 범위 등에 관한 사항은 다음 중 어느 것에 따라 정하고 있는가?
54번 1급 방화관리대상물의 방화관리자로 선임될 수 있는 대상자로 옳지 않은 것은?
55번 다음 중 연면적 3만m2 미만의 건축물의 건축허가 및 사용승인 동의여부 회신기간으로 올바른 것은? (단, 보완기간은 필요하지 않는 경우이다.)(관련 규정 개정전 문제로 여기서는 기존 정답인 2번을 누르면 정답 처리됩니다. 자세한 내용은 해설을 참고하세요.)
56번 다음 중 불특정다수인이 이용하는 다중이용업소에서 설치아여야 하는 소방시설로 알맞은 것은?
57번 다음 중 다중이용업에 해당하지 않는 것은?
58번 다음 중 “피난층”에 대한 설명으로 옳은 것은?
59번 특정소방대상물의 자체점검 기술자격자의 범위중 “행정자치부령이 정하는 기술자격자” 라 함은?
60번 소방시설관리업자가 점검을 하지 아니하거나 점검결과를 거짓으로 보고한 때의 1차 행정처분기준은?
4과목 : 소방전기시설의 구조 및 원리
61번 통로유도등 설치기준으로 옳지 않은 것은?
62번 객석의 통로의 직선부분의 길이가 35m 인 영화관의 수평로에 객석유도등을 설치할 경우 필요한 수량은?
63번 다음 중 광전식분리형감지기의 설치기준에 대한 설면으로 옳지 않은 것은?
64번 유도표지의 기준으로 옳지 않은 것은?
65번 자동화재탐지설비에는 그 설비에 대한 감시상태를 60분간 지속한 후 유효하게 몇 분 이상 경보할 수 있는 축전지설비를 설치하여야 하는가?
66번 휴대용비상조명등의 설치기준으로 옳지 않은 것은?
67번 비상콘센트설비의 전원회로가 3상 교류 200V 인 경우 그 공급용량은 몇 kVA 이상 이어야 하는가?(관련 규정 개정전 문제로 기존 정답은 4번이었습니다. 여기서는 4번을 누르면 정답 처리됩니다. 자세한 내용은 해설을 참고하세요.)
68번 비상콘센트설비의 전원회로를 설치하는 경우 하나의 전용회로에는 몇 개 이하의 비상콘센트를 설치할 수 있는가?
69번 자동화재탐지설비의 경계구역을 설정할 때 당해 소방대상물의 주된 출입구에서 그 내부 전체가 보이는 것에 있어서는 몇 m2 이하로 할 수 있는가?
70번 다음 중 비상방송설비의 설치기준으로 옳지 않은 것은?
71번 지하가중 터널의 경우에는 주행방향의 측벽길이 몇 m 이내 마다 비상벨설비의 발신기를 설치하여야 하는가?(오류 신고가 접수된 문제입니다. 반드시 정답과 해설을 확인하시기 바랍니다.)
72번 무선통신보조설비에서 2개 이상의 입력신호를 원하는 비율로 조합한 출력이 발생하도록 하는 장치는?
73번 누전경보기의 구성요소 중 경계전로의 누설전류를 자동으로 검출하여 이를 누전경보기의 수신부에 송신하는 기기를 무엇이라 하는가?
74번 자동화재탐지설비와 감지기를 천장 높이가 10m 인 업무시설에 설치하는 경우, 다음 중 적합한 감지기는? (단, 부착높이 등에 대하여 별도로 형식승인을 받지 않은 경우로 한다.)
75번 자동화재 탐지설비의 감지기 회로의 도통시험을 위한 ?단저항의 설치 기준으로 옳지 않은 것은?
76번 비상방송설비의 음량조정기를 설치하는 경우 음량조정기의 배선방식은?
77번 단독 경보형 감지기를 설치하는 경우에 대한 설명 중 옳지 않은 것은?
78번 다음 중 비상경보설비(비상벨설비 또는 자동식사이렌설비를 말한다.)의 설치기준을 설명한 것으로 옳지 않은 것은?
79번 유도등의 전원 및 배선 기준 중 옳지 않은 것은?
80번 감지기회로릐 전로저항과 감지기에 접속되는 배선전압이 옳게 짝지어진 것은?
연도별
- 2022년04월24일
- 2022년03월05일
- 2021년09월12일
- 2021년05월15일
- 2021년03월07일
- 2020년09월26일
- 2020년08월22일
- 2020년06월06일
- 2019년09월21일
- 2019년04월27일
- 2019년03월03일
- 2018년09월15일
- 2018년04월28일
- 2018년03월04일
- 2017년09월23일
- 2017년05월07일
- 2017년03월05일
- 2016년10월01일
- 2016년05월08일
- 2016년03월06일
- 2015년09월19일
- 2015년05월31일
- 2015년03월08일
- 2014년09월20일
- 2014년05월25일
- 2014년03월02일
- 2013년09월28일
- 2013년06월02일
- 2013년03월10일
- 2012년09월15일
- 2012년05월20일
- 2012년03월04일
- 2011년10월02일
- 2011년06월12일
- 2011년03월20일
- 2010년09월05일
- 2010년05월09일
- 2010년03월07일
- 2009년08월30일
- 2009년05월10일
- 2009년03월01일
- 2008년09월07일
- 2008년05월11일
- 2008년03월02일
- 2007년09월02일
- 2007년05월13일
- 2007년03월04일
- 2006년09월10일
- 2006년05월17일
- 2006년03월05일
- 2005년09월04일
- 2005년05월29일
- 2005년03월06일
- 2004년09월05일
- 2004년05월23일
- 2004년03월07일
- 2003년08월31일
- 2003년05월25일
- 2003년03월16일