소방설비기사(전기분야) (2004년03월07일 기출문제)
1과목 : 소방원론
1번 제연계획으로 부적당한 것은?
2번 자연발화성 물질및 금수성 물질에 물을 가할 때 생기는 반응 생성물로서 관계없는 것은?
3번 변전실 화재의 소화제로 적당하지 않은 것은?
4번 위험물로 분류되어 지는 것은?
5번 화재하중(FIRE LOAD)을 나타내는 단위는?
6번 화재에 대한 설명으로 옳지 않은 것은?
7번 물이 연소유의 뜨거운 표면에 들어갈 때 기름 표면에서 화재가 발생하는 현상은?
8번 물속에 넣어 저장하는 것이 안전한 물질은?
9번 내화구조에 대한 설명으로 옳은 것은?
10번 22℃에서 증기압이 60mmHg이고 증기밀도가 2.0인 인화성 액체의 22℃에서의 증기 공기밀도는 약 얼마인가? (단, 대기압은 760mmHg로 한다.)(오류 신고가 접수된 문제입니다. 반드시 정답과 해설을 확인하시기 바랍니다.)
11번 연소의 3요소중 점화원(발화원)의 분류로서 기계적착화원으로만 되어 있는 것은?
12번 제 4류 위험물의 소화에 가장 많이 사용되는 방법은?
13번 고층 건축물의 피난계획을 수립할 때의 유의사항으로 적당하지 않은 것은?
14번 출화란 화재를 뜻하는 말로서 옥내출화, 옥외출화로 구분한다. 이중 옥외출화 시기를 나타낸 것은?
15번 열전도율을 표시하는 단위는?
16번 연소에서 연쇄반응은 어느 것에 해당 하는가?
17번 정전기에 의한 발화를 방지하기 위한 예방대책으로 옳지 않은 것은?
18번 화재의 위험에 관한 사항중 맞지 않는 것은?
19번 고층건물내의 연기거동중 굴뚝효과(STACK EFFECT)와 관계가 없는 것은?
20번 다음 중 통신기기실, 박물관의 소화설비로 가장 적합한 것은?
2과목 : 소방전기회로
21번 8Ω의 저항과 6Ω의 용량리액턴스가 있는 직렬회로에 전압 V=28-j4[V]의 전압을 가하였을 때 회로에 흐르는 전류는 몇 A 인가?
22번
그림과 같은 시퀀스회로는 어떤 회로인가?

23번 저항 R=10[Ω], 코일 L=20[mH]을 직렬로 연결한 회로에 직류전원 전압 V=220[V]을 인사한 경우 정상 상태에서 축적된 에너지는 몇 [J]인가?
24번
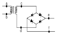
그림은 비상시에 대비한 예비전원의 공급회로이다. 직류 전압을 일정하게 유지하기 위하여 콘덴서를 설치한다면 그 위치로 적당한 곳은?

25번 잠동(creeping)이 발생하는 계기는?
26번 인덕턱스가 각각 5mH, 8mH인 두 코일간의 상호인덕턱스가 4mH라면 이 두 코일의 결합계수 K는 약 얼마인가?
27번
그림과 같은 계통의 전달함수는?

28번
그림과 같은 휘이트스토운브리지의 평형조건은?

29번
그림과 같은 회로에서 전체에서 흐르는 전류를 I[A]라 하고, 저항 R1과 R2에 흐르는 전류를 I1, I2로 표시할 때 I2/I1는 얼마가 되겠는가? (단, R1=2Ω, R2=3Ω이다.)

30번
그림과 같은 정전압회로에서 Q1의 역할은?

31번
v=Vm sinwt[V]로 표현되는 교류전압을 가하면 전력 P[W]를 소비하는 저항이 있다. 이 저항의 값은 P[W]를 소비하는 저항이 있다. 이 저항의 값은 몇 Ω인가?
32번 PLC(Programmble Logic Controller) 전원전압의 변동범위는 몇 % 인가?
33번
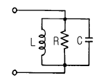
그림과 같은 회로에서 부하 L, R, C의 조건중 역률이 가장 좋은 것은?

34번 제어요소는 일반적으로 무엇으로 구성되는가?
35번 3상 유도전동기의 회전자 철손이 작은 이유는?
36번 Y-△기동방식인 농형유도전동기는 직입기동방식에 비해 기동전류가 몇 배로 되는가?
37번 10C의전하가 5초동안 어느 점을 통과하고 있을 때 전류값은 몇 A 인가?
38번 어떤 트랜지스터를 베이스접지에서 이미터접지로 하였더니 컬렉터 차단전류가 50배로 되었다. 이 트랜지스터의 α값은?
39번 60Hz의 3상전압을 전파 정류하면 맥동주파수는 얼마인가?
40번
그림과 같은 유접점회로의 논리식은?

3과목 : 소방관계법규
41번 위험물중 인화성액체에 해당되는 것은?
42번 소방자동차가 사이렌을 사용할 수 없는 조건은?
43번 연결살수설비를 설치하여야 할 소방대상물에서 주요 구조부가 내화구조로 되어 있는 경우에는 당해 기준면적에서 제외될 수 있는 부분이 있다. 기준면적에서 제외될 수 있는 용도부분이 아닌 것은?
44번 소방용기계. 기구 등의 형식승인을 얻은 자에게 6월이내의 기간을 정하여 검정의 중지 또는 시정조치를 명할 수 있는 것은?
45번 시.도의 소방업무에 필요한 경비의 일부를 보조하는 국고보조금의 전부 또는 일부의 교부를 취소.정지하거나 그의 반환을 명할 수 있는 사유라고 볼 수 없는 것은?
46번 소방용수시설은 당해 지역안의 각 소방대상물로부터 하나의 소방용수시설까지의 거리가 도시계획법에 의한 공업지역은 몇 m 이내가 되도럭 설치하여야 하는가?
47번 비상조명등을 설치하여야 할 소방대상물의 기준은?
48번 시공 신고를 하여야 할 소방시설 공사의 범위에 속하지 않는 것은?
49번 소방신호의 종류가 아닌 것은?
50번 특수위험물 판매취급소의 작업실의 조건으로 틀린 것은?
51번 소방본부장 또는 소방서장이 화재예방이나 소화활동을 위하여 명령할 수 있는 사항이 아닌 것은?
52번 다음중 위험물의 누출 ㆍ 비산 방지를 위하여 설치하는 구조로 틀린것은?
53번 위험물 제조소의 건축물의 구조로 잘못된 것은?
54번 화재가 발생하여 소방대가 화재현장에 도착할 때까지 그 소방대상물의 관계인이 조치하여야 할 사항으로 적당하지 못한 것은?
55번 소방시설중 경보설비에 해당되지 않는 것은?
56번 극장에서 사용하는 물건 중 방염성능이 없어도 되는 것은?
57번 소방대상물의 검사를 위한 수단 중 적절하지 못한 것은?
58번 소방공사감리 대상은 무엇인가?
59번 옥외탱크저장소 주위에는 공지를 보유하여야 한다. 저장 또는 취급하는 위험물의 최대 저장량이 지정수량의 600배 라면 몇 m이상이 너비의 공지를 보유하여야 하는가?
60번 위험물 시설 안전원을 둘수있는 제조소등은 지정수량의 몇배 이상의 위험물을 취급하는 제조소 인가?
4과목 : 소방전기시설의 구조 및 원리
61번 무선통신 보조설비의 분배기, 분파기, 혼합기 등의 임피던스는 몇 Ω인가?
62번 제연설비에서 제연경계는 천정 또는 반자로부터 그 수직 하단까지의 거리가 최소 몇 m이상 이어야 하는가?
63번 무선통신보조설비의 누설동축케이블은 화재에 의하여 당해 케이블의 피복이 소실된 경우에 케이블 본체가 떨어지지 아니하도록 몇 m이내마다 금속제 또는 자기제 등의 지지금구로 벽. 천정. 기둥 등에 견고하게 고정 시키는가?
64번 자계내에 있는 가동코일에 전류가 흘러 진동판(Cone)을 움직이게 하여 음이 발생되도록 한 구조로 진폭이 넓은 범위에 걸쳐 찌그러짐이 없고 저역재생이 양호하여 고충실도용으로 많이 보급되고 있는 확성기 (Speaker)는?
65번 자동화재속보설비의 속보기의 구조로서 틀린 것은?
66번 자동화재탐지설비의 배선에 관한 기준으로 적합하지 않은 것은?
67번 공기관식 차동식 분포형감지기의 유통시험시 필요하지 않는 기구는?
68번 누전경보기의 전원부 1차측에 ZNR의 설치 목적과 거리가 먼 것은?
69번 이산화탄소 소화설비 제어반의 기능이 아닌 것은?
70번 가스누설경보기의 경보농도 시험의 범위로 이소부탄가스에 대한 ⓐ부작동시험농도와 ⓑ작동시험농도를 바르게 표시한 것은?
71번 수신기로부터 음향장치까지의 배선과 관계가 없는 것은?
72번 3상 200V 비상콘센트 10개를 묶어 전원에 연결공사를 할 때 전원에 연결된 전선의 최소굵기는 몇mm2인가? (단, 선로는 금속관 매입공사로 시행하며, 비상콘센트1개의 전류용량은 30A, 전선의 허용전류는 8mm2: 42A, 14mm2: 61A, 22mm2: 80A, 30mm2: 97A이다.)
73번 소방시설점검기구로서 절연저항계의 전압 및 규격은?
74번 X=AB 인 논리식과 같은 논리회로는?
75번 P형 2급발신기의 구성요소가 아닌 것은?
76번 스프링클러설비의 비상전원에 대한 설명으로 틀린 것은?
77번 자동화재탐지설비의 전원으로 사용되는 축전지설비에 대한 설명으로 옳은 것은?
78번
스포트형감지기의 배선으로 옳은것은?
79번 소방대상물중 자동화재 탐지설비 설치대상으로 P형 1급 수신기 또는 R형 수신기를 설치해야할 대상은 ?
80번 차동식 분포형 열전대식 감지기를 설치하는데 있어서 하나의 검출부에 접속하는 열전대의 수는 몇 개 이하가 적당한가?
연도별
- 2022년04월24일
- 2022년03월05일
- 2021년09월12일
- 2021년05월15일
- 2021년03월07일
- 2020년09월26일
- 2020년08월22일
- 2020년06월06일
- 2019년09월21일
- 2019년04월27일
- 2019년03월03일
- 2018년09월15일
- 2018년04월28일
- 2018년03월04일
- 2017년09월23일
- 2017년05월07일
- 2017년03월05일
- 2016년10월01일
- 2016년05월08일
- 2016년03월06일
- 2015년09월19일
- 2015년05월31일
- 2015년03월08일
- 2014년09월20일
- 2014년05월25일
- 2014년03월02일
- 2013년09월28일
- 2013년06월02일
- 2013년03월10일
- 2012년09월15일
- 2012년05월20일
- 2012년03월04일
- 2011년10월02일
- 2011년06월12일
- 2011년03월20일
- 2010년09월05일
- 2010년05월09일
- 2010년03월07일
- 2009년08월30일
- 2009년05월10일
- 2009년03월01일
- 2008년09월07일
- 2008년05월11일
- 2008년03월02일
- 2007년09월02일
- 2007년05월13일
- 2007년03월04일
- 2006년09월10일
- 2006년05월17일
- 2006년03월05일
- 2005년09월04일
- 2005년05월29일
- 2005년03월06일
- 2004년09월05일
- 2004년05월23일
- 2004년03월07일
- 2003년08월31일
- 2003년05월25일
- 2003년03월16일