소방설비기사(전기분야) (2013년09월28일 기출문제)
1과목 : 소방원론
1번 표면온도가 350℃ 인 전기히터의 표면온도를 750℃ 로 상승시킬 경우, 복사에너지는 처음보다 약 몇 배로 상승되는가?
2번 다음 중 인화성 물질이 아닌 것은?
3번 다음 중 화재하중을 나타내는 단위는?
4번 상온, 상압에서 액체인 물질은?
5번 가스 A가 40vol%, 가스 B가 60vol% 로 혼합된 가스의 연소하한계는 몇 vol% 인가? (단, 가스 A 의 연소하한계는 4.9vol% 이며, 가스 B의 연소하한계는 4.15vol% 이다.)
6번 가연성의 기체나 액체, 고체에서 나오는 분해가스의 농도를 엷게 하여 소화하는 방법은?
7번 화재 분류에서 C급 화재에 해당하는 것은?
8번 니트로셀룰로오스에 대한 설명으로 잘못된 것은?
9번 소화약제로서 물 1g 이 1기압, 100℃ 에서 모두 증기로 변할 때 열의 흡수량은 몇 cal 인가?
10번 다음 중 인화점이 가장 낮은 물질은?
11번 건물 내부의 화재시 발생한 연기의 농도(감광계수)와 가시거리의 관계를 나타낸 것으로 틀린 것은?
12번 일반적인 화재에서 연소 불꽃 온도가 1500℃ 이었을 때의 연소 불꽃의 색상은?
13번 소화의 원리로 가장 거리가 먼 것은?
14번 Halon 2402 의 화학식은?
15번 건물의 피난동선에 대한 설명으로 옳지 않은 것은?
16번 건축물에서 주요 구조부가 아닌 것은?
17번 기온이 20℃ 인 실내에서 인화점이 70℃ 인 가연성의 액체표면에 성냥불 한개를 던지면 어떻게 되는가?
18번 위험물안전관리법령상 위험물에 해당하지 않는 물질은?
19번 공기 중의 산소를 필요로 하지 않고 물질 자체에 포함되어 있는 산소에 의하여 연소하는 것은?
20번 밀폐된 공간에 이산화탄소를 방사하여 산소의 체적 농도를 12% 되게 하려면 상대적으로 방사된 이산화탄소의 농도는 얼마가 되어야 하는가?
2과목 : 소방전기회로
21번 L-C 직렬회로의 공진조건은?
22번
그림에서 1[Ω]의 저항 단자에 걸리는 전압의 크기는?

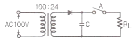
23번
그림과 같은 반파정류회로에 스위치 A를 사용하여 부하 저항 RL 을 떼어 냈을 경우, 콘덴서 C의 충전전압[V]은?

24번
논리식
와 같은 것은?
와 같은 것은?
25번 △결선된 부하를 Y결선으로 바꾸면 소비전력은 어떻게 되는가? (단, 선간전압은 일정하다.)
26번 내부저항이 200[Ω]이며 직류 120[mA]인 전류계를 6[A]까지 측정할 수 있는 전류계로 사용하고자 한다. 어떻게 하면 되겠는가?
27번
그림과 같은 회로에서 b-d 사이의 전압을 50[V]로 하려면 콘덴서 C의 정전용량은 몇 [μF] 인가?

28번 발전기의 조속기에 사용되는 제어는?
29번 직류전동기의 회전수는 자속이 감소하면 어떻게 되는가?
30번 자동제어계에서 각 요소를 블록선도로 표시할 때 각 요소는 전달함수로 표시한다. 신호의 전달경로는 무엇으로 표현하는가?
31번 시퀀스제어에 관한 설명 중 옳지 않은 것은?
32번
그림과 같은 다이오드 게이트 회로에서 출력전압은? (단, 다이오드내의 전압강하는 무시한다.)

33번 동기발전기의 병렬운전 조건으로서 옳지 않은 것은?
34번 발전기의 부하가 불평형이 되어 발전기의 회전자가 과열 소손되는 것을 방지하기 위하여 설치하는 계전기는?
35번 부궤한 증폭기의 장점에 해당되는 것은?
36번 비사인파의 일반적인 구성이 아닌 것은?
37번
회로에서 주파수를 60[Hz], 단상교류전압 V=100[V], 저항 R=18.8[Ω]일 때 L의 크기는? (단, L을 가감해서 R의 전력을 L=0일 때의 1/2이라 한다.)

38번
그림의 논리기호를 표시한 것으로 옳은 식은?

39번 자동화재 탐지설비의 수신기(정격 전압 220V인 경우)의 금속제 외함에 행하여야 하는 접지공사는?(관련 규정 개정전 문제로 여기서는 기존 정답인 3번을 누르면 정답 처리됩니다. 자세한 내용은 해설을 참고하세요.)
40번 축전지 용액의 저항을 측정할 때 사용하는 것은?
3과목 : 소방관계법규
41번 지정수량의 10배 이상의 위험물을 저장 또는 취급하는 제조소 등(이동탱크저장소를 제외한다)에는 화재발생시 이를 알릴 수 있는 경보설비를 설치하여야 한다. 이 경보설비의 종류로서 옳지 않은 것은?
42번 소방대상물의 관계인은 소방대상물에 화재, 재난ㆍ재해 등이 발생한 경우 소방대가 현장에 도착할 때까지 사람을 구출하는 조치 또는 불을 끄거나 불이 번지지 않도록 조치를 하여야 한다. 정당한 사유 없이 이를 위반한 관계인에 대한 벌칙은?
43번 전문소방시설공사업의 법인의 자본금은?
44번 소방방재청장ㆍ소방본부장 또는 소방서장은 소방업무를 전문적이고 효과적으로 수행하기 위하여 소방대원에게 필요한 교육ㆍ훈련을 실시하여야 하는데, 다음 설명 중 옳지 않은 것은?
45번 특정소방대상물의 각 부분으로부터 수평거리 140m 이내에 공공의 소방을 위한 소화전이 화재안전기준이 정하는 바에 따라 적합하게 설치되어 있는 경우에 설치가 면제되는 것은?
46번 소방안전교육사와 관련된 내용으로 옳지 않은 것은?
47번
소방안전관리자 선임에 관한 설명 중 옳은 것은?

48번 소방시설관리업의 등록기준 중 이산화탄소 소화설비의 장비기준이 아닌 것은?
49번 소방시설설치유지 및 안전관리에 관한 법률시행령에서 규정하는 소화활동설비에 속하지 않는 것은?
50번 “소방용품”이란 소방시설 등을 구성하거나 소방용으로 사용되는 기기를 말하는데, 피난설비를 구성하는 제품 또는 기기에 속하지 않는 것은?
51번 다음 중 소방안전관리자를 두어야 하는 1급 소방안전관리대상물에 속하지 않는 것은?
52번 소방안전관리대상물의 소방계획서에 포함되어야 할 내용으로 옳지 않은 것은?
53번 건축물 등의 신축ㆍ증축ㆍ개축ㆍ재축 또는 이전의 허가ㆍ협의 및 사용승인의 권한이 있는 행정기관은 건축허가 등을 함에 있어서 미리 그 건축물 등의 공사시 공지 또는 소재지를 관할하는 소방본부장 또는 소방서장의 동의를 받아야 한다. 다음 중 건축허가 등의 동의대상물의 범위로서 옳지 않은 것은?
54번 방염대상물품 중 제조 또는 가공공정에서 방염처리를 하여야 하는 물품이 아닌 것은?
55번 인화성 액체인 제4류 위험물의 품명별 지정수량으로 옳지 않은 것은?
56번 소방시설공사업자는 소방시설공사를 하려면 소방시설착공(변경)신고서 등의 서류를 첨부하여 소방본부장 또는 소방서장에게 언제까지 신고하여야 하는가?
57번 다음 중 대통령령으로 정하는 화재경계지구의 지정대상지역으로 옳지 않은 것은?
58번 소방본부장 또는 소방서장 등이 화재현장에서 소방활동을 원활히 수행하기 위하여 규정하고 있는 사항으로 틀린 것은?
59번 다음 중 소발시설 등의 자체점검업무에 관한 종합정밀 점검 시 점검자의 자격이 될 수 없는 사람은?
60번 위험물시설의 설치 및 변경 등에 있어서 허가를 받지 아니하고 당해 제조소 등을 설치하거나 그 위치ㆍ구조 또는 설비를 변경할 수 있으며, 신고를 하지 아니하고 위험물의 품명ㆍ수량 또는 지정수량의 배수를 변경할 수 있는 경우의 제조소 등으로 옳지 않은 것은?
4과목 : 소방전기시설의 구조 및 원리
61번 감지기를 설치하지 않는 기준으로 틀린 것은?(오류 신고가 접수된 문제입니다. 반드시 정답과 해설을 확인하시기 바랍니다.)
62번 누전경보기는 계약전류용량이 얼마를 초과하는 특정소방대상물에 설치하여야 하는가? (단, 특정소방대상물은 내화구조가 아닌 건축물로서 벽ㆍ바닥 또는 반자의 전부나 일부를 불연재료 또는 준불연재료가 아닌 재료에 철망을 넣어 만든 것에 한 한다.)
63번 P형 수신기에 구성되어 있는 표시장치를 나열한 것이다. 옳지 않은 것은?
64번
다음은 비상방송설비의 음향장치에 관한 설치기준이다. ( )안의 알맞은 내용으로 옳은 것은?

65번 옥내소화전설비로서 비상전원을 설치하는 경우, 자가발전 설비 또는 축전지설비는 정해진 기준에 따라 설치하여야 한다. 이 기준에 적합하지 않는 것은?
66번 열반도체식 차동식분포형감지기 설치기준으로 옳은 것은?
67번 다음 중 감지기의 종별에 관한 설명으로 옳지 않은 것은?
68번 유도등의 전선의 굵기는 인출선인 경우 단면적이 몇 mm2 이상이어야 하는가?
69번 전압이 종별을 구분할 때 저압의 기준으로 옳은 것은?(관련 규정 개정전 문제로 여기서는 기존 정답인 3번을 누르면 정답 처리됩니다. 자세한 내용은 해설을 참고하세요.)
70번 복도에 비상조명등을 설치한 경우 휴대용 비상조명등의 설치를 제외할 수 있는 시설로서 옳은 것은?
71번 P형 1급 발신기의 구성요소가 아닌 것은?
72번 소방관서에 통보하는 자동화재속보설비에 관한 설명으로 옳지 않은 것은?
73번 비상콘센트설비의 정격전압이 220 V인 경우 가하는 절연내력 실효전압은?
74번 누전경보기의 영상변류기(ZCT) 절연저항시험 주위로서 옳지 않은 것은?
75번 광전식분리형 감지기의 광축의 높이는 천장 등 높이의 몇 % 이상이어야 하는가?
76번 터널 내에 비상콘센트를 설치하는 경우 주행차로의 우측측벽에 얼마 이내의 간격으로 설치하여야 하는가?
77번 비상조명등에 관한 설치기준으로 옳은 것은?
78번 무선통신보조설비의 무선기기 접속단자의 설치기준으로 옳지 않은 것은?
79번 자동화재탐지설비의 경계구역 설정기준으로 옳지 않은 것은?
80번 누전경보기 수신부의 기능검사 항목이 아닌 것은?
연도별
- 2022년04월24일
- 2022년03월05일
- 2021년09월12일
- 2021년05월15일
- 2021년03월07일
- 2020년09월26일
- 2020년08월22일
- 2020년06월06일
- 2019년09월21일
- 2019년04월27일
- 2019년03월03일
- 2018년09월15일
- 2018년04월28일
- 2018년03월04일
- 2017년09월23일
- 2017년05월07일
- 2017년03월05일
- 2016년10월01일
- 2016년05월08일
- 2016년03월06일
- 2015년09월19일
- 2015년05월31일
- 2015년03월08일
- 2014년09월20일
- 2014년05월25일
- 2014년03월02일
- 2013년09월28일
- 2013년06월02일
- 2013년03월10일
- 2012년09월15일
- 2012년05월20일
- 2012년03월04일
- 2011년10월02일
- 2011년06월12일
- 2011년03월20일
- 2010년09월05일
- 2010년05월09일
- 2010년03월07일
- 2009년08월30일
- 2009년05월10일
- 2009년03월01일
- 2008년09월07일
- 2008년05월11일
- 2008년03월02일
- 2007년09월02일
- 2007년05월13일
- 2007년03월04일
- 2006년09월10일
- 2006년05월17일
- 2006년03월05일
- 2005년09월04일
- 2005년05월29일
- 2005년03월06일
- 2004년09월05일
- 2004년05월23일
- 2004년03월07일
- 2003년08월31일
- 2003년05월25일
- 2003년03월16일