2014년05월25일 64번
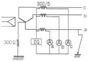
[전력공학] 그림과 같은 66 kV 선로의 송전전력이 20000 kW, 역률이 0.8(lag)일 때 a상에 완전 지략사고가 발생하였다. 지락계전기 DG에 흐르는 전류는 약 몇 A 인가? (단, 부하의 정상, 역상임피던스 및 기타 정수는 무시 한다.)

- ① 2.1
- ② 2.9
- ③ 3.7
- ④ 5.5
(정답률: 알수없음)
문제 해설
연도별
- 2021년08월14일
- 2020년08월22일
- 2019년08월04일
- 2018년08월19일
- 2016년08월21일
- 2016년03월06일
- 2015년08월16일
- 2015년03월08일
- 2014년08월17일
- 2014년05월25일
- 2014년03월02일
- 2013년08월18일
- 2013년06월02일
- 2013년03월10일
- 2012년08월26일
- 2012년05월20일
- 2012년03월04일
- 2011년08월21일
- 2011년06월12일
- 2011년03월20일
- 2008년07월27일
- 2008년05월11일
- 2008년03월02일
- 2006년08월03일
- 2005년05월29일
- 2004년08월08일
- 2004년05월23일
- 2004년03월07일
- 2003년08월10일
- 2003년05월25일
- 2003년03월16일
전력 = 전압 × 전류 × 역률
전류 = 전력 ÷ (전압 × 역률)
전압은 66 kV이므로, 66000 V로 변환한다.
전류 = 20000 kW ÷ (66000 V × 0.8)
전류 = 378.79 A
하지만, 이 문제에서는 a상에 대한 전류를 구하는 것이므로, 전류를 3으로 나누어야 한다.
전류 = 378.79 A ÷ 3
전류 = 126.26 A
따라서, 지락계전기 DG에 흐르는 전류는 약 126.26 A이다. 이 값을 소수점 첫째 자리까지 반올림하면 2.1이 된다.