기계설계기사 (2021년05월15일 기출문제)
1과목 : 재료역학
1번
직사각형 단면의 단주에 150 kN 하중이 중심에서 1m만큼 편심되어 작용할 때 이 부재 AC에서 생기는 최대 인장응력은 몇 kPa 인가?

2번
그림과 같이 균일분포 하중을 받는 외팔보에 대해 굽힘에 의한 탄성변형에너지는? (단, 굽힘강성 EI는 일정하다.)

3번
지름 50mm인 중실축 ABC가 A에서 모터에 의해 구동된다. 모터는 600rpm으로 50kW의 동력을 전달한다. 기계를 구동하기 위해서 기어 B는 35kW, 기어 C는 15kW를 필요로 한다. 축 ABC에 발생하는 최대 전단응력은 몇 MPa 인가?

4번
그림과 같이 평면응력 조건하에 최대 주응력은 몇 kPa 인가? (단, σx = 400kPa, σy = -400kPa, τxy = 300kPa 이다.)

5번
지름 200mm인 축이 120rpm으로 회전하고 있다. 2m 떨어진 두 단면에서 측정한 비틀림 각이 1/15 rad 이었다면 이 축에 작용하고 있는 비틀림 모멘트는 약 몇 kN·m인가? (단, 가로탄성계수는 80 GPa 이다.)
6번
단면적이 5cm2, 길이가 60cm인 연강봉을 천장에 매달고 30℃에서 0℃로 냉각시킬 때 길이의 변화를 없게 하려면 봉의 끝에 몇 kN의 추를 달아야 하는가? (단, 세로탄성계수 200GPa, 열팽창계수 a=12×10-6/℃ 이고, 봉의 자중은 무시한다.)
7번
전체 길이에 걸쳐서 균일 분포하중 200N/m가 작용하는 단순 지지보의 최대 굽힘응력은 몇 MPa 인가? (단, 폭×높이 = 3cm×4cm인 직사각형 단면이고, 보의 길이는 2m 이다. 또한 보의 지점은 양 끝단에 있다.)
8번
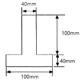
그림과 같은 단면에서 가로방향 도심축에 대한 단면 2차모멘트는 약 몇 mm4 인가?

9번
그림과 같은 단순보의 중앙점(C)에서 굽힘모멘트는?

10번
다음 보에 발생하는 최대 굽힘 모멘트는?

11번
반경 r, 내압 P, 두께 t인 얇은 원통형 압력용기의 면내에서 발생되는 최대 전단응력(2차원 응력 상태에서의 최대 전단응력)의 크기는?
12번
그림과 같이 전체 길이가 3L인 외팔보에 하중 P가 B점과 C점에 작요알 때 자유단 B에서의 처짐량은? (단, 보의 굽힘강성 EI는 일정하고, 자중은 무시한다.)

13번
그림과 같이 길이가 2L인 양단고정보의 중앙에 집중하중이 아래로 가해지고 있다. 이때 중앙에서 모멘트 M이 발생하였다면 이 집중하중(P)의 크기는 어떻게 표현되는가?

14번
그림과 같이 직사각형 단면의 목재 외팔보에 집중하중 P가 C점에 작용하고 있다. 목재의 허용압축응력을 8MPa, 끝단 B점에서의 허용 처짐량을 23.9mm라고 할 때 허용압축응력과 허용 처짐량을 모두 고려하여 이 목재에 가할 수 있는 집중하중 P의 최대값은 약 몇 kN인가? (단, 목재의 세로탄성계수는 12GPa, 단면2차모멘트는 1022×10-6 m4, 단면계수는 4.601×10-3 m3 이다.)

15번
길이 15m, 봉의 지름 10mm인 강봉에 P = 8 kN을 작용시킬 때 이 봉의 길이방향 변형량은 약 몇 mm인가? (단, 이 재료의 세로탄성계수는 210 GPa 이다.)

16번
바깥지름이 46mm인 속이 빈 축이 120kW의 동력을 전달하는데 이 때의 각속도는 40rev/s 이다. 이 축의 허용비틀림응력이 80 MPa 일 때, 안지름은 약 몇 mm 이하이어야 하는가?
17번
알루미늄봉이 그림과 같이 축하중 받고 있다. BC간에 작용하고 있는 하중의 크기는?

18번
다음과 같이 3개의 링크를 핀을 이용하여 연결하였다. 2000N의 하중 P가 작용할 경우 핀에 작용되는 전단응력은 약 몇 MPa 인가? (단, 핀의 지름은 1cm 이다.)

19번
5cm×4cm 블록이 x축을 따라 0.05cm 만큼 인장되었다. y방향으로 수축되는 변형률(εy)은? (단, 포아송 비(ν)는 0.3 이다.)

20번
허용인장강도가 400MPa 인 연강봉에 30 kN의 축방향 인장하중이 가해질 경우 이 강봉의 지름은 약 몇 cm 인가? (단, 안전율은 5 이다.)
2과목 : 기계제작법
21번
다음 용접 중 모재의 용접부에 용제 공급관을 통하여 입상의 용제를 쌓아놓고 그 속에 와이어전극을 송급하면 모재사이에서 아크가 발생하며 이 열에 의하여 와이어 자체가 용융되어 접합되는 용접은?
22번
선반에서 절삭비(cutting ratio, γ)의 표현식으로 옳은 것은? (단, ø는 전단각, α는 공구 윗면 경사각이다.)
23번
주철, 주강제의 작은 볼(ball)을 고속으로 가공물의 표면에 분사하여 표면을 매끄럽게 하며 동시에 얇은 경화층을 얻어 피로강도나 기계적 성질을 향상시키는 가공 방법은?
24번
센터리스 연삭기에 사용하는 부품이 아닌 것은?
25번
입도가 작고 연한 숫돌을 작은 압력으로 가공물 표면에 가압하면서 가공물에 이송을 주고, 숫돌을 좌우로 진동시키면서 가공하는 방법은?
26번
다음 중 항온 열처리의 종류로 가장 거리가 먼 것은?
27번
절삭유제를 사용하는 목적이 아닌 것은?
28번
방전가공용 전극재료의 구비조건으로 틀린 것은?
29번
다음 중 다이캐스팅에 관한 설명으로 틀린 것은?
30번
절삭공구 재료 중 다이아몬드의 일반적인 특성에 대한 설명 중 틀린 것은?
31번
다음 중 불활성가스 아크용접에 사용되는 가스가 아닌 것은?
32번
램(ram)에 설치된 바이트를 왕복 운동시켜 비교적 소형 공작물의 평면이나 홈 드을 절삭하는 기계는?
33번
이미 치수를 알고 있는 표준 값과의 편차를 구하여 치수를 알아내는 측정방법은?
34번
주물표면에 금속편을 붙여 급랭하면 표면의 경도가 증가되어 내마모성과 내압성을 향상시킨 주조는?
35번
측정기의 구조상에서 일어나는 오차로서 눈금 또는 피치의 불균일이나 마찰, 측정압 등의 변화 등에 의해 발생하는 오차는?
36번
냉간가공과 비교하여 열간가공의 특징으로 틀린 것은?
37번
연삭 중 숫돌의 떨림 현상이 발생하는 원인으로 가장 거리가 먼 것은?
38번
원주를 35등분 분할하려고 할 때 사용해야 할 분할판의 구멍수는? (단, 밀링작업에서 브라운 샤프형을 사용한다.)
39번
알루미늄, 구리 등의 재료를 컨테이너에 넣고 강력한 압축력을 주면 다이오리피스(die orifice)를 통과하여 원하는 제품으로 가공하는 방법은?
40번
볼트, 스크루, 리벳 등의 머리 부분을 제작하는데 사용되는 단조법은?
3과목 : 기계설계 및 기계재료
41번
코일 스프링에서 코일의 지름이 30mm, 코일 소선의 지름이 6mm, 유효감김수는 8.5이고, 허용전단응력이 600 MPa 일 때 받을 수 있는 최대하중(N)은? (단, 왈의 응력수정계수는 1로 한다.)
42번
평 벨트 전동에 비하여 V벨트 전동의 특징에 관한 설명으로 틀린 것은?
43번
유체 커플링의 입력축 회전수(N1)는 1500rpm, 출력축의 회전수(N2)는 1460rpm 일 때, 이 커플링의 효율(%)은 얼마인가?
44번
볼 베어링의 기본 동정격하중은 어떻게 정의되는가?
45번
접촉면의 바깥지름 150mm, 안지름 140mm, 폭 35mm의 외접 원추 클러치에서 회전수 600rpm 으로 동력을 전달하고자 한다. 접촉면 압력이 0.3MPa 이하가 되도록 사용한다면 최대 몇 kW 의 동력을 전달할 수 있는가? (단, 접촉부 마찰계수는 0.2 이다.)
46번
주철제 벨트 풀리가 지름 40mm의 연강축에 폭은 10mm, 높이는 8mm인 묻힘키로 조립되어 있다. 축의 회전속도를 120rpm으로 7.5kW 의 동력을 전달하고자 할 때 키의 길이는 약 몇 mm 이상으로 해야 하는가? (단, 키의 허용전단응력은 110 N/mm2이고, 허용전단응력만을 고려한다.)
47번
그림과 같은 양쪽 옆면 필릿 용접에서 오른쪽으로 P의 하중이 작용하고 있다. 용접부 목걸이를 h라고 할 때 용접부에 작용하는 전단응력(τ) 식으로 옳은 것은?

48번
유효지름이 32.5mm인 표준 4각나사로 이루어진 너트가 있다. 이 너트에 축방향으로 15kN의 질량을 가진 물체를 지탱하고자 할 때 너트 높이는 약 몇 mm 이상이어야 하는가? (단, 나사산의 허용 접촉면 압력은 10MPa, 나사산의 높이는 2.5mm, 피치는 5mm이고, 나사의 접촉부 마찰계수는 0.1 이다.)
49번
다음 브레이크의 종류 중 마찰력을 이용하는 브레이크에 해당하지 않는 것은?
50번
평기어에서 압력각을 증가시킬 때 나타나는 현상을 설명한 것으로 옳지 않은 것은?
51번
금속을 냉간 가공하였을 때의 기계적·물리적 성질의 변화에 대한 설명으로 틀린 것은?
52번
강을 담금질하면 경도가 크고 메지므로, 인성을 부여하기 위하여 A1 변태점 이하의 온도에서 일정 시간 유지하였다가 냉각하는 열처리 방법은?
53번
그림과 같은 항온 열처리하여 마텐자이트와 베이나이트의 혼합조직을 얻는 열처리는?

54번
열경화성 수지나 충전 강화수지(FRTP)등에 사용되는 것으로 내열성, 내마모성, 내식성이 필요한 열간 금형용 재료는?
55번
라우탈(Lautal) 합금의 주성분으로 옳은 것은?
56번
구리판, 알루미늄판 등 기타 연성의 판재를 가압 성형하여 변형 능력을 시험하는 시험법은?
57번
Fe-C 평형상태도에 대한 설명으로 틀린 것은?
58번
켈밋 합금(Kelmet alloy)의 주요 성분으로 옳은 것은?
59번
탄소강에 함유된 인(P)의 영향을 옳게 설명한 것은?
60번
스테인리스강의 조직계에 해당되지 않는 것은?
4과목 : 기구학 및 CAD
61번
CSG방식의 모델러에서 제공되는 모델링 기능만으로 짝지어진 것은?
62번
다음 형상 모델링 시스템 중 3차원적인 형상을 공간상의 선으로 표시하는 가장 간단한 형태의 형상 모델링 시스템은?
63번
솔리드모델링 시스템에서 구멍, 포켓, 모따기, 필릿, 슬롯 등과 같이 모델링의 단위로서 공학적 의미를 담고 있는 것은?
64번
3차원 공간상에 있는 임의 점의 동차 좌표값(x, y, z, 1)을 y축 기준으로 θ각도만큼 회전 시키고자 한다. 다음 회전변환 행렬에서 Try 로 옳은 것은?

65번
CAD 관련 도구들에 대한 설명으로 가장 거리가 먼 것은?
66번
직교좌표계(x, y, z)에서
으로 표현되는 단위 구의 방정식을 매개변수 u, v를 이용 P(u, v) = (cos u cos v, sin u cos v, sin v)의 매개변수식으로 다시 표현하였다면, u, v의 적절한 범위는?
으로 표현되는 단위 구의 방정식을 매개변수 u, v를 이용 P(u, v) = (cos u cos v, sin u cos v, sin v)의 매개변수식으로 다시 표현하였다면, u, v의 적절한 범위는?
67번
원점이 중심이가 장축이 x 축이고 그 길이가 a, 단축이 y축이고 그 길이가 b인 타원을 표현하는 매개변수식은?
68번
다음 설명에 해당되는 디스플레이 방식은?

69번
컴퓨터 그래픽에서 컬러를 표현하기 위해 사용되는 세 가지 색깔이 아닌 것은?
70번
은선이나 은면을 제거하기 위해 사용되는 후면 제거(back-face) 알고리즘에서 눈에 보이지 않는 면에 해당하는 판단식은? (단, M은 면 위의 점으로부터 관찰자 방향의 벡터이고 N은 면 위의 법선 벡터이다.)

71번
다음 중 체인전동에 대한 설명으로 가장 옳지 않은 것은?
72번
그림과 같이 5개의 링크로 평면운동을 하는 링크 기구의 자유도는 몇 개인가?

73번
바로걸기 평벨트 전동장치에서 풀리의 지름은 각각 D1, D2이고, 두 축간 거리가 C일 경우 벨트 전동장치에 사용되는 벨트 길이 L에 대한 식은? (단, D2 ≧ D1 이다.)
74번
다음 중 낮은 짝(또는 저차대우, lower pair)이 아닌 것은?
75번
캠의 윤곽곡선을 결정하는 요인으로 거리가 먼 것은?
76번
모듈이 20이고 잇수가 각각 15개, 20개인 한 쌍의 외접하는 평기어가 있다. 두 기어 간의 축간 거리는 약 몇 mm 인가?
77번
마찰자에서 운전 중 운전자가 원하는 대로 속도비를 변경할 수 있는 무단변속기구가 아닌 것은?
78번
두 축의 연장선이 서로 교차하는 기어는?
79번
지름 30cm인 디스크가 회전수 500rpm으로 회전하고 있을 때, 이 디스크의 원주속도(v)와 각속도(w)는 약 얼마인가?
80번
연쇄를 구성하는 1개의 링크에 운동을 주면 나머지 링크들은 일정한 운동을 하는 연쇄는?