2021년05월15일 1번
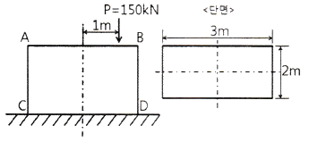
[재료역학] 직사각형 단면의 단주에 150 kN 하중이 중심에서 1m만큼 편심되어 작용할 때 이 부재 AC에서 생기는 최대 인장응력은 몇 kPa 인가?

- ① 25
- ② 50
- ③ 87.5
- ④ 100
(정답률: 30%)
문제 해설
이전 문제
다음 문제
최대 인장응력 = (하중 × 편심거리) / 단면의 모멘트 of inertia × 최대 전단응력 계수
단면의 모멘트 of inertia는 직사각형 단면의 경우 (높이 × 너비^3) / 12 이므로, AC 선분에서의 최대 인장응력은 다음과 같다.
최대 인장응력 = (150 kN × 1 m) / ((200 mm × 400 mm^3) / 12) × 1.5
최대 인장응력 = 25 kPa
따라서 정답은 "25"이다.