기계설계기사 (2015년05월31일 기출문제)
1과목 : 재료역학
1번
그림과 같은 트러스가 점 B에서 그림과 같은 방향으로 5kN의 힘을 받을 때 트러스에 저장되는 탄성에너지는 몇 kJ 인가? (단, 트러스의 단면적은 1.2cm2. 탄성계수는 106Pa 이다.)

2번
단면이 가로 100mm. 세로 150mm인 사각 단면보가 그림과 같이 하중(P)을 받고 있다. 전단응력에 의한 설계에서 P는 각각 100 kN 씩 작용할 때 안전계수를 2로 설계하였다고 하면, 이 재료의 허용전단응력은 약 몇 MPa인가?

3번
원형막대의 비틀림을 이용한 토션바(torsion bar) 스프링에서 길이와 지름을 모두 10%씩 증가시킨다면 토션바의 비틀림 스프링상수(비틀림 토크/비틀림 각도)는 몇 배로 되겠는가?
4번
양단이 힌지인 기둥의 길이가 2m이고, 단면이 직사각형(30mm×20mm)인 압축 부재의 좌굴하중을 오일러 공식으로 구하면 몇 kN 인가? (단, 부재의 탄성 계수는 200GPa 이다.)
5번
지름 3mm의 철사로 평균지름 75mm의 압축코일 스프링을 만들고 하중 10N에 대하여 3cm의 처짐량을 생기게 하려면 감은 회수(n)는 대략 얼마로 해야 하는가? (단, 전단 탄성계수 G=88GPa 이다.)
6번
무게가 각각 300N, 100N 인 물체 A, B가 경사면 위에 놓여있다. 물체 B 와 경사면과는 마찰이 없다고 할 때 미끄러지지 않을 물체 A와 경사면과의 최소 마찰 계수는 얼마인가?

7번
그림과 같이 단순보의 지점 B에 M0의 모멘트가 작용할 때 최대 굽힘 모멘트가 발생되는 A단에서부터 거리 x 는?

8번
바깥지름 50cm, 안지름 40cm의 중공원통에 500kN의 압축하중이 작용했을 때 발생하는 압축응력은 약 몇 MPa인가?
9번
그림과 같은 계단 단면의 중실 원형축의 양단을 고정하고 계단 단면부에 비틀림 모멘트 T가 작용할 경우 지름 D1과 D2의 축에 작용하는 비틀림 모멘트의 비 T1/T2 은? (단, D1=8cm, D2=4cm, ℓ1=40cm, ℓ2=10cm 이다.)

10번
σx=400MPa, σy=300MPa, τxy=200MPa가 작용하는 재료 내에 발생하는 최대 주응력의 크기는?
11번
길이가 L(m)이고, 일단 고정에 타단 지지인 그림과 같은 보에 자중에 의한 분포하중 w(N/m)가 보의 전체에 가해질 때 점 B에서의 반력의 크기는?

12번
강체로 된 봉 CD가 그림과 같이 같은 단면적과 재료가 같은 케이블 ①, ②와 C점에서 힌지로 지지되어 있다. 힘 P에 의해 케이블 ①에 발생하는 응력(σ)은 어떻게 표현되는가? (단, A는 케이블의 단면적이며 자중은 무시하고, a는 각 지점간의 거리이고 케이블 ①, ②의 길이 ℓ은 같다.)

13번
길이가 2m인 환봉에 인장하중을 가하여 변화된 길이가 0.14cm일 때 변형률은?
14번
왼쪽이 고정단인 길이 ℓ의 외팔보가 ω의 균일분포하중을 받을 때, 굽힘모멘트 선도(BMD)의 모양은?
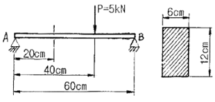
15번
그림과 같은 직사각형 단면의 단순보 AB에 하중이 작용할 때, A단에서 20cm 떨어진 곳의 굽힘 응력은 몇 MPa인가? (단, 보의 폭은 6cm 이고, 높이는 12cm 이다.)

16번
재료가 전단 변형을 일으켰을 때, 이 재료의 단위 체적당 저장된 탄성에너지는? (단, τ는 전단응력, G는 전단 탄성계수이다.)
17번
두께 8mm의 강판으로 만든 안지름 40cm의 얇은 원통에 1MPa의 내압이 작용할 때 강판에 발생하는 후프 응력(원주 응력)은 몇 MPa인가?
18번
그림과 같은 외팔보가 집중 하중 P를 받고 있을 때, 자유단에서의 처짐 δA는? (단, 보의 굽힘 강성 EI는 일정하고, 자중은 무시한다.)

19번
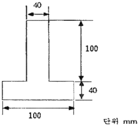
그림과 같은 단면에서 가로방향 중립축에 대한 단면 2차모멘트는?

20번
그림과 같은 가는 곡선보가 1/4원 형태로 있다. 이 보의 B 단에 Mo의 모멘트를 받을 때, 자유단의 기울기는? (단, 보의 굽힘 강성 EI는 일정하고, 자중은 무시한다.)

2과목 : 기계제작법
21번
스프링(spring)과 같이 반복하중을 받는 기계부품의 가공으로 적합한 것은?
22번
다음의 단조 양식 중 자유단조에 속하지 않는 것은?
23번
다이캐스팅(die casting)의 일반적인 설명 중 틀린 것은?
24번
다음 중 탄소강의 열처리에 영향을 가장 적게 주는 요소는?
25번
압출기의 주요 부분이 아닌 것은?
26번
정밀 입자 가공을 한 공작물의 특징으로 옳은 것은?
27번
조직을 균일하게 하고 내부응력을 제거하며 재질을 연하게 하는 열처리는?
28번
드로잉(drawing) 가공의 설명 중 틀린 것은?
29번
2차원 절삭모델에서 절삭깊이를 t1, 칩 두께를 t2 라고 할 때 절삭비 γc 는?
30번
전해연마(Electrolytic polishing)의 단점에 해당되는 것은?
31번
프레스 전단가공에서 두께 5mm 인 SM40C 강판에 지름 50mm의 구멍을 펀칭할 때 최대 전단력은 약 얼마인가? (단, 전단강도 τ=45kg/mm2 이다.)
32번
NC 서보기구(servo system)의 형식은 피드백장치의 유무와 검출위치에 따라 분류되는데 그 형식이 아닌 것은?
33번
미터나사를 3침법으로 유효지름을 측정하려고 할 때 산출방법으로 옳은 것은? (단, E: 유효지름, M: 3침 삽입 후 바깥지름, d: 3침의 지름, P: 피치이다.)
34번
상하의 형에 문자나 무늬의 요철을 붙이고, 이 사이에 소재를 놓고 압축하여 문자나 무늬를 생성하는 가공 방법은?
35번
공작기계의 구비조건으로 틀린 것은?
36번
열처리의 종류에 해당되지 않는 것은?
37번
주형은 주탕 시 주형에서 발생하는 가스, 쇳물에서 나오는 가스, 주형 공동부에 있었던 공기 등이 빠져 나올 수 있어야 기공의 발생을 방지할 수 있다. 이를 만족하기 위한 주물사의 통기도 계산식으로 옳은 것은? (단, K: 주물사의 통기도, V: 통과 공기량, h: 시편의 높이, P: 공기압력, A: 시편의 단면적, t: 통과시간이다.)
38번
밀링머신에서 커터의 지름이 150mm이고, 한 날당 이송이 0.2mm, 커터의 날수를 8개, 회전수를 2000rpm으로 할 때 절삭속도는 약 얼마인가?
39번
드릴부시(drill bushing)에서 일반부시로는 공구안내를 할 수 없을 경우 사용되며 테이퍼핀을 이용하여 부착시키는 것은?
40번
가스용접에서 사용하는 가스의 종류 중 조연성 가스에 해당하는 것은?
3과목 : 기계설계 및 기계재료
41번
벨트 전동에서 유효장력 P를 나타내는 식으로 옳은 것은? (단, Tt는 긴장측 장력이고, Ts는 이완측 장력을 나타낸다.)
42번
다음 중 미끄럼 베어링 재료의 요구조건으로 틀린 것은?
43번
지름이 d인 중실축이 비틀림 모멘트 T만을 받았을 때 생기는 최대전단응력을 τ1라 하면, 이 축에 비틀림 모멘트 T와 굽힘 모멘트 M(M=3T)을 동시에 작용시켰을 때, 생기는 최대전단응력은 τ1의 및 배가 되는가?
44번
리벳작업 중 보일러 및 압력용기 등에서 기밀을 유지하기 위하여 하는 작업은?
45번
사각나사에서 리드각 3.00°, 마찰계수 μ=0.2 일 때, 이 나사의 효율을 구하면?
46번
브레이크 드럼의 지름은 500mm, 허용브레이크의 압력은 0.9MPa, 브레이크 용량은 1MPa·m/s이고, 접촉부 마찰계수는 0.25인 주철제 브레이크가 있다. 이 브레이크를 허용브레이크 압력으로 브레이크 용량까지 사용할 경우 드럼의 회전수는 약 몇 rpm인가?
47번
비틀림 각이 30°인 표준 헬리컬 기어에서 피치원 지름이 160mm, 이직각 모듈이 4일 때, 이 기어의 바깥지름은 몇 mm인가?
48번
코터이음에서 20kN의 인장력이 작용하고 있을 때, 코터가 받는 전단응력은 약 몇 MPa인가? (단, 코터의 폭은 100mm, 두께는 50mm이다.)
49번
증기, 가스 등의 유체가 제한된 최고 압력을 초과했을 때, 자동적으로 밸브가 열려서 유체를 외부로 배출하며 배출이 끝난 후에는 압력이 정확하게 유지되고 제한 압력보다 너무 내려가지 않아야 하는 것은?
50번
겹판 스프링의 일반적인 특징에 관한 설명으로 틀린 것은?
51번
탄소강에 함유되어 있는 원소 중 많이 함유되면 적열 취성의 원인이 되는 것은?
52번
철강재료의 열처리에서 많이 이용되는 S곡선이란 어떤 것을 의미하는가?
53번
배빗메탈 이라고도 하는 베어링용 합금인 화이트 메탈의 주요성분으로 옳은 것은?
54번
고속도강의 특징을 설명한 것 중 틀린 것은?
55번
쾌삭강(Free cutting steel)에 절삭속도를 크게 하기 위하여 첨가하는 주된 원소는?
56번
오일리스 베어링과 관계가 없는 것은?
57번
탄소강을 경화 열처리 할 때 균열을 일으키지 않게 하는 가장 안전한 방법은?
58번
충격에는 약하나 압축강도는 크므로 공작기계의 베드, 프레임, 기계 구조물의 몸체 등에 가장 적합한 재질은?
59번
특수강인 Elinvar의 성질은 어느 것인가?
60번
백주철을 열처리로에서 가열한 후 탈탄시켜, 인성을 증가시킨 주철은?
4과목 : 기구학 및 CAD
61번
베지어(Bezier) 곡선과 B-Spline 곡선이 가지는 공통적인 성질이 아닌 것은?
62번
다음의 2차원 동차 변환 행렬(homogeneous transformation matrix)이 뜻하는 것은?

63번
솔리드 모델(solid model)의 입력방법에 대한 설명 중 틀린 것은?
64번
래스터 그래픽 (raster display) 장치에서 24-bit plane(빨강, 초록, 파랑을 각각의 색깔에 8 bit-plane씩을 사용)을 사용한다면 한 화면에 동시에 사용할 수 있는 전체 색깔 수는?
65번
다음 중 매개변수 곡면에 사용되는 아이소파라메트릭(isoparametric) 곡선의 성질로 가장 거리가 먼 것은?
66번
솔리드 모델의 자료구조 중 CSG 트리구조에 관한 설명으로 틀린 것은?
67번
경계표현법(B-rep)으로 만들어진 단순다면체 솔리드 모델을 검증하기 위한 오일러 공식은? (단, F:면의 수, E:모서리의 수, V:꼭지점의 수)
68번
상이한 CAD 시스템간의 형상 데이터 교환을 위한 중립 파일의 형식(neutral file format)이 아닌 것은?
69번
CSG(Constructive Solid Geometry) 모델에서 Primitive란 기본 형상을 의미하며 이들은 불리안 연산이 가능하다. 다음 중 CSG의 Primitive로 보기 어려운 것은?
70번
3차원 물체의 기하학적 변환은 일반적으로 4X4 변환 행렬로 다음과 같이 정의될 때, x축에 대해 회전 할 경우 관계되는 것은?

71번
등가속도 운동을 하는 캠 변위선도가 포물선인 경우 속도선도와 가속도선도의 함수식은 어떤 형태인가?
72번
기구를 구성하는 링크(link)운동에서 링크의 형상과는 관계없이 물체 상호간의 조합 상태만을 도시하는 스켈리톤(skeleton)표시법의 기호와 설명이 틀린 것은?
73번
기어 인벌류트 처형에서 압력각이 커졌을 때에 생기는 현상이 아닌 것은?
74번
선풍기의 날개나 벨트 풀리의 움직임은 기계운동의 종류 중에서 어느 운동이라 할 수 있는가?
75번
사일런트 체인을 사용하는 주목적으로 가장 적합한 것은?
76번
4링크 기구에서 고정 링크에 연결되어 있는 두 개의 링크가 왕복운동을 할 수 있는 것은?
77번
기어의 잇수 Z1=20개, Z2=30개, 모듈 m=3인 한 쌍의 스퍼 기어의 중심거리를 구하면 몇 mm인가?
78번
엇걸기 벨트 전동에서 속도비가 4일 때 양쪽 풀리의 접촉각 θ1과 θ2 사이의 관계는? (단, 접촉각 θ1:원동풀리, θ2:종동풀리 이다.)
79번
다음 그림에서 길이 60mm의 기소
가 점 A를 중심으로 회전할 때, 기소의 각속도 ω=10rad/s 이라면 점 B의 속도 VB는 몇 m/s인가?
가 점 A를 중심으로 회전할 때, 기소의 각속도 ω=10rad/s 이라면 점 B의 속도 VB는 몇 m/s인가?
80번
마찰차의 적용에 대한 설명 중 틀린 것은?