기계설계기사 (2012년05월20일 기출문제)
1과목 : 재료역학
1번
길이가 L이고 직경이 d인 축과 동일 재료로 만든 길이 3L인 축이 같은 크기의 비틀림모멘트를 받았을 때, 같은 각도만큼 비틀어지게 하려면 직경은 얼마가 되어야 하는가?
2번
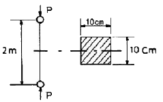
그림과 같이 지름 6mm 강선의 상단을 고정하고 하단에 지름 d1 = 100mm의 추를 달고 접선방향에 F = 10N 의 힘을 작용시켜 비틀면 강선이 ø=6.2°로 비틀어졌다. 이 때 강선의 길이가 ℓ=2m라면 이 강선의 전단 탄성계수는 약 몇 GPa 인가?

3번
그림과 같이 평면응력 조건하에 600kPa의 인장응력과 400kPa의 압축응력이 작용할 때 인장응력이 작용하는 면과 30° 의 각도를 이루는 경사면에 생기는 수 직응력은 몇 kPa인가?

4번
중앙에 집중 모멘트 M0(kN·m)가 작용하는 길이 L의 단순 지지보 내의 최대 굽힘응력은? (단, 보의 단면은 직경이 2a인 원이다.)
5번
그림과 같은 일단고정 타단 지지보에서 B점에서의 모멘트 Mb는 몇 kN·m 인가? (단, 균일단면보이며, 굽힘강성(EI)은 일정하다.)

6번
그림에서와 같이 지름이 50cm, 무게가 100N의 잔디밭용 롤러를 높이 5cm의 계단위로 밀어서 막 움직이게 하는데 필요한 힘 F는 몇 N인가?

7번
길이 3m의 부재가 하중을 받아 1.2mm 늘어났다. 이때 선형 탄성 거동을 갖는 부재의 변형률은?
8번
순수굽힘을 받는 선형 탄성 균일단면보의 전단력 F와 굽힘모멘트 M 및 분포하중 ω[N/m]사이에 옳은 관계식은?
9번
그림에서 클램프(clamp)의 압축력이 P = 5 kN 일때 m-n단면의 최소두께 h를 구하면 몇 cm 인가? (단, 직사각형 단면의 폭 b=10mm, 편심거리 e=50mm, 재료의 허용응력 σw=150MPa이다.)

10번
다음과 같은 부재에 축 하중 P=15kN이 가해졌을 때, x방향의 길이는 0.003mm 증가하고 z 방향의 길이는 0.0002mm 감소하였다면 이 선형 탄성 재료의 포아송 비는?

11번
그림과 같이 노치가 있는 둥근봉이 인장력 P = 10kN을 받고 있다. 노치의 응력 집중계수가 α= 2.5 라면, 노치부의 최대응력은 약 몇 MPa인가? (단위 : mm)

12번
그림과 같이 10 cm × 10 cm의 단면적을 갖고 양단이 회전단으로 된 부재가 중심축 방향으로 압축력 P가 작용하고 있을 때 장주의 길이가 2m라면 세장비는?

13번
그림과 같은 보가 집중하중 P 를 받고 있다. 최대굽힘 모멘트의 크기는?

14번
동일한 전단력이 작용할 때 원형 단면 보의 지름 D를 3D로 크게 하면 최대 전단응력 τmax는 어떻게 되는가?
15번
지름 d인 원형 단면봉이 비틀림 모멘트 T를 받을 때, 봉의 표면에 발생하는 최대 전단응력은? (단, G는 전단 탄성계수, θ는 봉의 단위 길이마다의 비틀림 각이다.)
16번
단면적이 일정한 강봉이 인장하중 W를 받아 탄성 한계내에서 인장응력 σ가 발생하고, 이 때의 변형률이 ε이었다. 이 강봉의 단위체적 속에 저장되는 탄성에너지 U를 나타내는 식은? (단, 강봉의 탄성계수는 E 이다.)
17번
그림과 같이 외팔보의 중앙에 집중 하중 P가 작용하면 자유단의 처짐은? (단, 보의 굽힘강성 EI는 일정하고, L은 보의 전체의 길이이다.)

18번
두 변의 길이가 각각 b, h인 직사각형의 한 모서리 점에 관한 극관성 모멘트는?
19번
그림과 같이 재료와 단면적이 같고 길이가 서로 다른 강봉에 지지되어 있는 보에 하중을 가해 수평으로 유지하기 위한 비 a/b 는?

20번
길이 3m의 직사각형 단면을 가진 외팔보에 단위 길이당 ω의 등분포하중이 작용하여 최대 굽힘응력 50MPa이 발생할 경우 최대 전단응력은 약 몇 MPa인가? (단, 단면의 치수 폭×높이(b×h) = 6cm×10cm 이다.)
2과목 : 기계제작법
21번
용접 피복제의 역할로 틀린 것은?
22번
일반적으로 저탄소강을 초경합금으로 선반가공 할 때, 힘의 크기가 가장 큰 것은?
23번
스플라인 구멍의 홈을 가공하거나 복잡한 형상의 구멍을 정밀하게 가공할 수 있고, 대량생산을 하기에 적합한 공작기계는?
24번
공기마이크로미터의 특징 설명으로 틀린 것은?
25번
선반의 전 소비동력은 다음 중 3가지 동력을 합한 것이다. 이 3가지에 해당하지 않는 것은?
26번
두께 2mm, C = 0.2%의 경질 탄소강판에 지름 25mm의 구멍을 펀치로 뚫을 때, 전단하중 P = 30.80 kN 라면 전단응력은 약 몇 MPa 인가?
27번
금속산화물의 산소와 알루미늄 분말과의 화학반응에 의해 발생하는 열을 이용한 용접 방법은?
28번
다음 중 센터리스 연삭기에 사용하지 않는 부품은?
29번
인발가공에서 인발 조건의 인자(因子)로 거리가 먼 것은?
30번
가스침탄법에서 침탄층의 깊이를 증가시킬 수 있는 첨가 원소는?
31번
다음 중 다이아몬드, 수정 등 보석류 가공에 가장 적합한 것은?
32번
연삭숫돌의 결합제(bond)중 주성분이 점토와 장석이며 연삭숫돌의 90% 이상을 차지할 만큼 많이 사용하는 결합제는?
33번
피측정물을 확대 관측하여 복잡한 모양의 윤곽, 좌표의 측정, 나사 요소의 측정 등과 같이 단독 요소의 측정기로는 측정할 수 없는 부분을 측정하기에 적합한 측정기는?
34번
내접 기어(internal gear)를 절삭하는 공작기계로 다음 중 가장 적합한 것은?
35번
프레스(press)가공에서 굽힘성형가공이 아닌 것은?
36번
코킹(Caulking)이란 어떤 작업인가?
37번
목형용 목재의 방부법이 아닌 것은?
38번
프레스 가공에서 압축가공의 종류가 아닌 것은?
39번
200mm의 사인바를 사용하여 각도를 측정하려고 한다. 사인바 양단에 설치된 게이지 블록의 높이차가 41.5mm일 때 사인바가 이루는 각도는 약 몇°인가?
40번
이음매 없는 강관을 제조하는 방법으로 적합하지 않은 가공법은?
3과목 : 기계설계 및 기계재료
41번
1초당 50리터의 물을 수송하는 바깥지름 165mm, 두께 5mm인 강관에 대해 설계 검증하고자 할 때 다음 중 틀린 것은? (단, 관의 허용응력은 100MPa이며, 기타 사항은 무시한다.)
42번
축은 가공하지 않고 회전체의 보스에만 키 홈을 내어 설치하는 키는?
43번
베어링 번호 6312인 볼베어링에 그리스 윤활로 45000 시간의 수명을 주고자 할 때, 최고사용회전수로 허용되어지는 베어링 하중의 최대 크기는 약 몇 N 인가? (단, 한계속도지수값(d·N)은 180000 mm ·rpm이며, 기본동적부하용량은 81.9kN이고, 하중계수는 1.5이다.)
44번
축 설계 시 일반적인 고려사항으로 거리가 먼 것은?
45번
브레이크 압력이 490kPa, 브레이크 드럼의 원주속도가 8m/s일 때 이 브레이크의 브레이크 용량(N ·m/s · mm2)은 얼마인가? (단, 마찰계수는 0.2이다.)
46번
나사의 풀림방지 대책으로 적절하지 않은 것은?
47번
이론적으로 기어의 압력각이 14.5°일 때 언더컷을 일으키지 않는 한계 잇수는?
48번
코일 스프링에서 하중을 P, 코일의 유효지름을 D, 소선의 지름을 d, 코일의 전단탄성계수를 G, 유 효감김수를 n이라 할 때 코일 스프링의 처짐량(δ)을 구하는 식은?
49번
볼트에 가해지는 충격하중에 대하여 충격 에너지 흡수 능력을 크게 하고자 할 때 다음 중 가장 적합한 방법은?
50번
원추 클러치에서 원추각이 마찰각 이하로 될 때 나타나는 현상으로 옳은 것은?
51번
주철의 성장을 방지하는 일반적인 방법이 아닌 것은?
52번
강의 쾌삭성을 증가시키기 위하여 첨가하는 원소는?
53번
구상흑연 주철에서 흑연을 구상으로 만드는데 사용하는 원소는?
54번
담금질 조직 중 가장 경도가 높은 것은?
55번
노 안에서 페로실리콘(Fe-Si), 알루미늄 등의 강력한 탈산제를 첨가하여 충분히 탈산시킨 강괴는?
56번
고속도강의 제조에 사용되지 않는 원소는?
57번
순철(pure iron)에 없는 변태는?
58번
탄소공구강 재료의 구비 조건으로 틀린 것은?
59번
다음 재료 중 고강도 합금으로써 항공기용 재료에 사용되는 것은?
60번
금형의 표면과 중심부 또는 얇은부분과 두꺼운 부분 등에서 담금질할 때 균열이 발생하는 가장 큰 이유는?
4과목 : 기구학 및 CAD
61번
3차의 베지어 패치(Bazier Patch)를 정의하는데 필요한 제어점(control points)의 수는?
62번
B-rap 방식에 의한 솔리드모델링 표현에서 오일러 (Euler)관계식을 적용하기 위하여 인위적인 경계요소(면, 모서리, 꼭짓점)의 추가가 필요한 형상은?
63번
다양한 형상을 미리 라이브러리로 형성해 놓고 이를 이용하여 형상을 모델링하는 솔리드 모델링 방법은?
64번
다음 중 전자가 형광체를 여기(excitation) 하여 발광을 하는 디스플레이 장치가 아닌 것은?
65번
다음은 솔리드를 표현하는 여러 방법 중 CSG(Constructive Solid Geometry)와 B-Rap (Boundary Representation)을 비교한 것이다. 틀린 것은?
66번
CSG 방식을 이용하여 다음의 솔리드 모델을 생성 하고자 한다. A, B, C에 들어갈 불리언(boolean) 연산자를 차례대로 표시한 것은? (∪ : 합집합, ∩ : 교집합, - : 차집합)

67번
곡선의 모델링시 주어진 데이터 점들의 양 끝점과 그 점에서의 접선벡터를 이용하여 3차 곡선을 정의하는 보간(interpolation)법은 무엇인가?
68번
다음 그림은 어떤 형상의 와이어프레임(wire frame)모델이다. 이 모델은 그림에서와 같이 보는 관점에 따라서 여러 가지 모양으로 해석될 수 있는 문제점을 지닌다. 어떠한 정보가 추가되어야 정확한 형상을 표현할 수 있는가?

69번
3차원(3D) 변환에 있어서는 X, Y, Z의 모든 축을 고려해야 한다. 3차원상의 한 점 P = [1 1 1]을 X축에 대해 반시계방향으로 90° 회전한 후의 점 좌표로서 알맞은 것은?
70번
여러 가지 곡선을 모델링하는 경우의 일반적인 설명으로 틀린 것은?
71번
평마찰차와 홀마찰차가 같은 힘으로 밀어붙일 때 회전력은 어떻게 되겠는가?
72번
원동자 지름 100mm, 회전수 500rpm이고, 종동차 지름 200mm인 벨트 전동장치에서 종동차의 회전수는 몇 rpm인가단, 벨트두께는 고려치 않는다.)
73번
왕복 슬라이더 크랭크기구에서 구성요소가 아닌 것은?
74번
다음 평 벨트의 걸기 형태에서 접촉각이 가장 큰 것은?
75번
기어 이(齒)의 크기를 표시하는 방법이 아닌 것은?
76번
두 축이 만나지도 평행하지도 않는 경우에 사용된 기어로 바르게 짝지어진 것은?
77번
다음 중 캠 기구를 응용한 장치는?
78번
기소 중에서 캠, 기어 등이 접촉하고 있는 대우는?
79번
사일런트 체인을 사용하는 주목적으로 가장 적합한 것은?
80번
어떤 기구가 정지 상태에서 출발하여 1분 후에 시속 100km의 속도가 되었다. 이 기구의 가속도(m/s2)는?