2019년03월03일 86번
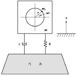
[기계제작법 및 기계동력학] 그림은 스프링과 감쇠기로 지지된 기관(engine, 총 질량 m)이며, m1은 크랭크 기구의 불평형 회전 질량으로 회전 중심으로부터 r만큼 떨어져 있고, 회전주파수는 ω이다. 이 기관의 운동 방정식을
라고 할 때 F(t)로 옳은 것은?
라고 할 때 F(t)로 옳은 것은?
-
①
-
②
-
③
-
④
(정답률: 23%)
문제 해설
연도별
- 2022년04월24일
- 2022년03월05일
- 2021년09월12일
- 2021년05월15일
- 2021년03월07일
- 2020년09월26일
- 2020년08월22일
- 2020년06월06일
- 2019년09월21일
- 2019년04월27일
- 2019년03월03일
- 2018년09월15일
- 2018년04월28일
- 2018년03월04일
- 2017년09월23일
- 2017년05월07일
- 2017년03월05일
- 2016년10월01일
- 2016년05월08일
- 2016년03월06일
- 2015년09월19일
- 2015년05월31일
- 2015년03월08일
- 2014년09월20일
- 2014년05월25일
- 2014년03월02일
- 2013년09월28일
- 2013년06월02일
- 2013년03월10일
- 2012년09월15일
- 2012년05월20일
- 2012년03월04일
- 2011년10월02일
- 2011년06월12일
- 2011년03월20일
- 2010년09월05일
- 2010년05월09일
- 2010년03월07일
- 2008년05월11일
- 2007년09월02일
- 2007년05월13일
- 2007년03월04일
- 2005년05월29일
- 2004년09월05일
- 2004년05월23일
- 2004년03월07일
- 2003년08월31일
- 2003년05월25일
- 2003년03월16일
- 2002년05월26일
- 2002년03월10일
진행 상황
0 오답
0 정답