전기철도기사 (2014년03월02일 기출문제)
1과목 : 전기철도공학
1번
가공 전차선로에서 양단의 가고가 같고, 전차선이 수평인 경우 x 정에서의 행거 길이[m]는? (단, 경간 중앙에서의 이도를 0.3m, 가고는 1m, 임의의 점 x 에서의 이도를 0.15m로 한다.)
2번
활차식 자동장력조정장치의 조정거리(L)를 구하는 식은? [단, △L= 전차선 신장길이, α= 전차선의 선광창 계수, △t= 온도변화(표준온도에대하여)]
3번
전선에 부착된 빙설이 탈락될경우전선이 도약하여 선간 혼측ㆍ용단 등의 피해가 말생하는 현상은?
4번
3상전원의 단락용량을 계산하는 3상 임피던스 계산식으로 옳은 것은? (단, ZD: 3상 임피던스[Ω], %Z0: 3상측 %임피던스[%], V: 기준전압(급전전압을 사용)[kV], P: 기준용량(일반적으로 10000 [kVA]))
5번
운전속도 V[m/s]. 파동전파속도 C[m/s]일 때 도플러 (Doppler)계수(α)는?
6번
제3궤조방식에서 적용하는 최고풍속[m/s]은?
7번
가공전차선로의 편위를 정할 때 전치선의 풍압편위, 지지물의 변형, 전기차 동요 등을 감안해서 최대 250[mm]로 정하는데 이때 고려되는 운전가능한 풍속 [m/s]은?
8번
가공전차선로에서 전차선만 자동장력을 조정할 경우 전차선(110mm2)의 허용장력이 1500kgf일 때 전차선의 표준장력 [kgf]은? (단, 전차선 장력의 변화를 허용장력의 15% 로 시설)
9번
강체 전차선의 구성 요소가 아닌 것은?
10번
연입률의 정의로 맞는 것은?
11번
경간 60[m]. 구배 1/1000으로 전차선이 낮아진다면 전차선의 높이 5.2[m]인 경우 다음 전주의 전차선 높이[m]는?
12번
전차선 110mm2의 아크전류가 3000[A]라면 전차선의 단선시점은 몇 초[s]인가?
13번
급전구간의 레일과 대지간의 누설전류를 경감하기 위하여 설치한 것은?
14번
강체전차선로에서 R-Bar 브래킷의 종류가 아닌 것은?
15번
곡선반경이 3000[m]이고 캔트가 6[mm]인 곡선 선로를 열차가 주행할 때 낼 수 있는 최대 속도[km/h]는? (단, 궤간은 1435[mm]로 한다.)
16번
가공 전차선로에서 지지정의 경도를 완화시켜 경간 중앙의 가선 탄성을 균등화하여 집전특성을 좋게 할 목적으로 사용되는 전선은?
17번
부하의 측정에 대한설명으로 거리가 먼 것은?
18번
전차선의 마모율과 가장 관계가 없는 것은?
19번
곡선당김금구 궁형 및 직선형 암의 표준 설치 각도는?
20번
교류강체방식(R-bar)에서 가공전차선로의 흐름방지장치와 같은 역할을 하는 것은?
2과목 : 전기철도 구조물공학
21번
가공전차선로에서 지지주간의 경간이 50m 이고, 부급전선의 지름이 20mm 인 경우 부급전선에 선로와 직각방향으로 가해지는 전선의 풍압하중[kgf]은? (단, 풍압하중의 수직투영면적당 하중은 100kgf/m2 이다.)
22번
전철주의 기초에서 하중의 일부를 측면 흙의 압력으로 지지하도록 하고, 빔을 지지하는 철주 및 인류주에 지선을 설치하지 않기 위하여 사용하는 기초는?
23번
길이 10m인 양단 고정보에서 온도가 40°C 만큼 상승하였을 때, 이 보에 생기는 응력[kgf/cm2]은? (단, 탄성계수 E=2.1×106kg/cm2, 선팽창계수 α=0.00001[1/°C])
24번
전기철도 구조물 증 2차원 구조물에 해당되지 않는 것은?
25번
그림과 같이 삼각형구조가 평형상태에 있을때 법선방향에 대한 힘의 크기 P는 약 몇 [kg]안가?

26번
전철주 푸싱기초 바닥면의 유효 지지력이 100[kN/m2]이고 기초 바닥면의 단면계수가 1.13[m3] 일 때, 기초바닥면의 허용 저항모멘트 M[kNㆍm]는?
27번
항암제의 길이에 대한 회전 반지룸의 비를 세장비라고 할 때, 전차선료용 강구조물의 주기둥재에서 세장비(λ=L/r) 제한을 얼마 이하로 하는가?
28번
가공 전차선로에서 표준경간 S[m]. 선로의 곡선반경 R[m]라 할 때 전차선의 편위 d[m]을 구하는 식은?
29번
지표면에서 높이가 10m인 단독 지지주에 28kgf/m의 수평분포하중이 작용하는 경우 지면과의 경계점 모멘트[kgfㆍm]는?

30번
그림과 같이 두 개의 활차를 사용하여 물체를 매달 때 3개의 물체가 평형을 이루기 위한 θ값은? (단, 로프와 활차의 마찰은 무시한다.)

31번
힘의 평형 조건식이 유지되기 위한 3대 평형방정식에 해당되지 않는 것은? (단, H는 수평력, V는 수직력, M은 모멘트, T는 장력)
32번
그림과 같이 큰 장력이나 수평장력이 가해지는 헤비 심플커티너리 가선방식의 인류용으로 사용되고 있는 지선방식은?

33번
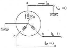
그림과 같은 트러스 빔에서 A 에 해당되는 것은?

34번
어떤 재료의 탄성계수가 E, 프와숨비가 ν일 때 이 재료의 전단 탄성계수 G는?
35번
단독 지지주에서 지지정이 6.75m 인 전차선에 136.4kgf 의 수평집중하층이 작용하는 경우, 지면과의 경계정에서 전단력[kgf]은?

36번
지름 10mm. 길이 20m의 강철봉에 무게 1000kg의 물체를 매달았을 때 강철봉이 늘어난 길이는 약 몇 [cm] 인가? (단, 종탄성계수는 2.1×106kg/cm2 이다.)

37번
그림과 같이 균일 단면봉이 축하중을 받고 평형을 이룰때. T=2P가 되려면 W는 얼마가 되어야 하는가?

38번
3m이상 제방, 교량 위, 산, 계곡 등에서 구조물의 강도계산에 적용하는 최대풍속[m/s]은?
39번
그림과 같은 단순보에 하중이 작용할 때 전단력도의 형상은?

40번
그림에서 빗금친 부분의 도심 y0 값은?

3과목 : 전기자기학
41번
전기 쌍극자에 대한 설명 중 옳은 것은?
42번
간격에 비해서 충분히 넓은 평행판 콘덴서의 판 사이에 비유전을 εs인 유전체를 채우고 외부에서 판에 수직방향으로 전계 E0를 가할 때 분극전하에 의한 전계의 세기는 몇 V/m 인가?
43번
공기 중에 있는 지름 2m의 구도체에 줄 수 있는 최대전하는 약 몇 C인가? (단, 공기의 절연내력은 3000 kV/m 이다.)
44번
와전류손(eddy current loss)에 대한 설명으로 옳은 것은?
45번
평행판 콘덴서의 극판 사이에 유전율이 각각 ε1, ε2 인 두 유전체를 반씩 채우고 극판 사이에 일정한 전압을 걸어줄 때 매질 (1), (2) 내의 전계의 세기 E1, E2 사이에 성립하는 관계로 옳은 것은?

46번
단면적 S, 길이 ℓ, 투자율 μ인 자성체의 자기회로에 권선을 N 회 감아서 I 의 전류를 흐르게 할 때 자속은?
47번
손실유전체(일반매출)에서의 고유잉피던스는?
48번
자기 강자율 N=2.5×10-3, 비투자율 μs=100 의 막대형 자성체를 자계의 세기 H=500 AT/m 의 평등자계 내에 놓았을 때 자화의 세기는 약 몇 Wb/m2 인가?
49번
다음 설명 중 옳지 않은 것은?
50번
전속밀도가 D=e-2y(axsin2x+aycos2x) (C/m2)일 때 전속의 단위 체적당 발산량(C/m3)은?
51번
x<0 영역에는 자유공간, x>0 영역에는 비유전율 εs=2 인 유전체가 있다. 자유공간에서 전계 E=10ax 가 경계면에 수직으로 입사한 경우 유전체 내의 전속밀도는?
52번
평면도체 표면에서 d(m) 거리에 정전하 Q(C)이 있을 때 이 전하를 무한원점까지 운반하는데 필요한 일(J)은?
53번
대지면에 높이 h로 평행하게 가설된 매우 긴 선전하가 지연으로부터 받는 힘은?
54번
자기인덕턴스 L1, L2 와 상호인덕턴스 M 사이의 결합계수는? (단, 단위는 H 이다.)
55번
그림과 같이 균일하게 도선을 강은 권수 N, 단면적 S(m2), 평균길이 l(m)인 공심의 환상솔레노이드에 I(A)의 전류를 흘렸을 때 자기인덕턴스 L(H)의 값은?

56번
다음 ( )안에 들어갈 내용으로 옳은 것은?

57번
정전계와 정자계의 대응관계가 성립되는 것은?
58번
반지름 a (m), 단위 길이당 권수 N, 전류 I (A)인 무한 솔레노이드 내부 자계의 세기(A/m)는?
59번
무한장 직선형 도선에 I (A)의 전류가 흐를 경우 도선으로부터 R(m) 떨어진 점의 자속밀도 B (Wb/m2)는?
60번
방송국 안테나 출력이 W (W) 이고 이로부터 진공 중에 r (m) 떨어진 점에서 자계의 세기의 실효치 H는 몇 A/m 인가?
4과목 : 전력공학
61번
그림의 F점에서 3상 단락고장이 생겼다. 발전기 쪽에서 본 3상 단락전류는 몇 kA 가 되는가? (단, 154 kV 송전선의 리액턴스는 1000 MVA 를 기준으로 하여 2 %/km 이다.)

62번
각 전력계통을 연계할 경우의 장점으로 틀린 것은?
63번
최대수용전력이 45×103kW인 공장의 어느 하루의 소비전력량이 480×103kWh라고 한다. 하루의 부하율은 몇 %인가?
64번
배전계통에서 부등률이란?
65번
원자력발전소에서 비등수형 원자로에 대한 설명으로 틀린 것은?
66번
154 kV 송전계통의 뇌에 대한 보호에서 절연강도의 순서가 가장 경제적이고 합리적인 것은?
67번
1차 변전소에서 가장 유리한 3권선 변압기 결선은?
68번
그림과 같은 3상 무부하 교류발전기에서 a상이 지략된 경우 지략전류는 어떻게 나타내는가?

69번
다음 중 가공 송전선에 사용하는 애자련 중전압부담이 가장 큰 것은?
70번
파동임피던스 Z1=500Ω, Z2=300Ω 인 두 무손실 선로 사이에 그림과 같이 저항 R을 접속하였다. 제1선로에서 구형파가 진행하여 왔을 때 무반사로 하기 위한 R의 값은 몇 Ω인가?

71번
유효정지계통에서 피뢰기의 정격전압을 결정하는데 가장 중요한 요소는?
72번
부하전류 차단이 불가능한 전력개폐 장치는?
73번
송전 선로의 안정도 향상 대책과 관계가 없는 것은?
74번
다음 중 환상선로의 단락보호에 주로 사용하는 계전방식은?
75번
직렬큰덴서를 선로에 삽입할 때의 이점이 아닌 것은?
76번
화력발전소에서 재열기의 사용 목적은?
77번
송ㆍ배전 전선로에서 전선의 진동으로 인하여 전선이 단선되는 것을 방지하기 위한 설비는?
78번
배전선의 전력손실 경감 대책이 아닌 것은?
79번
3상 3선식 송전선로가 소도체 2개의 복도체 방식으로 되어있을 때 소도체의 지름 8cm, 소도체 간격 36cm, 등가선간 거리 120cm인 경우에 복도체 1km의 인덕턴스는 약 몇 mH인가?
80번
배전 선로의 배전 변압기 탭을 선정함에 있어 틀린 것은?
연도별
- 2021년08월14일
- 2020년08월22일
- 2019년08월04일
- 2018년08월19일
- 2016년08월21일
- 2016년03월06일
- 2015년08월16일
- 2015년03월08일
- 2014년08월17일
- 2014년05월25일
- 2014년03월02일
- 2013년08월18일
- 2013년06월02일
- 2013년03월10일
- 2012년08월26일
- 2012년05월20일
- 2012년03월04일
- 2011년08월21일
- 2011년06월12일
- 2011년03월20일
- 2008년07월27일
- 2008년05월11일
- 2008년03월02일
- 2006년08월03일
- 2005년05월29일
- 2004년08월08일
- 2004년05월23일
- 2004년03월07일
- 2003년08월10일
- 2003년05월25일
- 2003년03월16일