승강기기사 (2022년04월24일 기출문제)
1과목 : 승강기 개론
1번
기계실의 조명장치와 관련하여 다음 항목에 대한 조도 기준을 올바르게 나타낸 것은?

2번
유압식 엘리베이터는 제약조건이 많아서 수요가 줄어들고 있는 추세인데, 다음 중 유압식 엘리베이터가 주로 이용되는 장소의 조건으로 거리가 먼 것은?
3번
엘리베이터의 상승과속방지장치에 대한 설명으로 옳지 않은 것은?
4번
다음 중 카를 지지하는 카 프레임(또는 카틀, car frame)의 주요 구성요소가 아닌 것은?
5번
승강기 안전관리법령에 따라 승강기의 정격속도에 따라서 고속 승강기와 중저속 승강기로 구분하는데 이를 구분하는 정격속도의 크기는?
6번
주로 1대의 엘리베이터를 운행할 경우 적용되는 방식으로 승강장의 누름 버튼을 상승용, 하강용의 양쪽 모두 동작이 가능한 방식이며, 상승 또는 하강으로의 진행방향에 승객이 합승을 원할 경우 합승 호출에 응답하면서 운전하는 방식은?
7번
적절한 권상능력 또는 전동기의 동력을 확보하기 위해 매다는 로프의 무게에 대한 보상수단을 적용해야 하는데, 이러한 보상수단 중 하나인 튀어오름 방지장치를 설치해야 하는 엘리베이터 정격속도의 기준은?
8번
카 자중 3500kg, 정격하중 2000kg, 승강행정 60m, 로프 6본, 균형추의 오버밸런스율이 40% 일 때 전부하시 카가 최상층에 있는 경우 트랙션비(권상비)는 약 얼마인가? (단, 로프는 1.2 kg/m 이고, 보상율이 90%가 되는 균형 체인을 설치한다.)
9번
다음 로프 흠에 대한 설명으로 가장 옳지 않은 것은?
10번
유압식 엘리베이터에서 한쪽 방향으로만 기름이 흐르도록 하는 밸브로서 상승 방향에는 흐르지만 약방향으로는 흐르지 않게 하는 밸브는?
11번
엘리베이터 제어방식 중 카의 실속도와 지령속도를 비교하여 사이리스터 점호각을 바꿔 유도전동기의 속도를 제어하는 방식은?
12번
에스컬레이터에 진입방지대가 설치되는 경우 그 설치요건에 관한 설명 중 옳지 않은 것은?
13번
권동식(확동구동식)과 비교하여 트랙션식(마찰구동식) 권상기의 특징에 대한 설명으로 옳지 않은 것은?
14번
하나의 승강로에 2대 이상의 엘리베이터가 있는 경우 카 벽에 비상구출문을 설치할 수 있다. 이 때 카 간의 수평거리는 몇 m를 초과하면 안되는가?
15번
경사형 엘리베이터 안전기준에 따라 승강로 벽을 설계할 때 승강로 벽의 높이 기준은 경사 각도에 따라 달라지는데, 그 기준의 경계가 되는 경사각도는 약 몇 ° 인가?
16번
승강기의 정격속도에 관계없이 사용할 수 있는 완충기로 옳은 것은?
17번
에스컬레이터의 공칭속도에 대한 기준이다. 괄호 안의 내용이 옳게 짝지어진 것은?

18번
권상식 엘리베이터에서 주 로프의 미끄러짐 현상을 줄이는 방법으로 옳지 않은 것은?
19번
엘리베이터 도어를 작동시키는 도어머신(door machine) 장치가 갖추어야 할 조건으로 가장 거리가 먼 것은?
20번
엘리베이터 안전기준에 따라 소방구조용 엘리베이터의 기본요건으로 틀린 것은?
2과목 : 승강기 설계
21번
정격속도 90m/min 인 엘리베이터 에너지분산형 완충기에 필요한 최소 행정거리는 약 몇 mm 인가?
22번
카 추락방지안전장치가 작동될 때, 무부하 상태의 카 바닥 또는 정격하중이 균일하게 분포된 부하 상태의 카 바닥은 정상적인 위치에서 몇 %를 초과하여 기울어지지 않아야 하는가?
23번
엘리베이터 설비계획과 관련한 설명으로 옳지 않은 것은?
24번
비상통화장치에 대한 설명으로 옳지 않은 것은?
25번
점차 작동형 추락방지안전장치를 사용하는 엘리베이터의 정격속도가 150m/min 일 때 다음 중 과속조절기가 작동해야 하는 엘리베이터의 속도로 적절한 것은?
26번
전동기의 공칭회로 전압이 380V일 때 시험전압 500V 기준으로 절연 저항은 몇 MΩ 이상이어야 하는가?
27번
엘리베이터용 전동기의 토크는 전동기의 속도가 증가함에 따라 차차 커지다가 최대 토크에 도달하면 그 이후 급격히 토크가 작아져 동기속도가 0이 된다. 이 과정에서 발생한 최대 토크를 무엇이라고 하는가?
28번
엘리베이터에서 카의 자중 및 카에 의해 지지되는 부품의 중량은 1850kg, 정격하중은 1500kg이다. 전 부하 상태의 카가 완충기에 작용하였을 때 피트 바닥에 지지해야 하는 전체 수직력의 최소값은 약 몇 kN 인가?
29번
감아 걸기 전동장치에 대한 설명 중 틀린 것은?
30번
자세 유형에 따른 피트 피난공간 크기의 최소 기준에 대한 설명 중 틀린 것은? (단, 주택용 엘리베이터는 제외한다.)
31번
기어 전동의 특징을 벨트 및 로프 전동과 비교한 설명으로 옳은 것은?
32번
엘리베이터용 전동기를 선정할 때 고려해야 할 조건으로 옳지 않은 것은?
33번
그림과 같은 가이드레일에서 x방향 수평하중(Fx)이 12kN 작용할 때 x방향 처짐량은 약 몇 mm 인가? (단, 가이드 브래킷 사이 최대 거리는 250cm 이고, y축 단면 2차 모멘트는 26.48cm4 이며, 재료의 세로탄성계수는 210 GPa 이다. 그리고, 건물 구조의 처짐량은 무시하고, 처짐 공식은 엘리베이터 안전기준에 따른다.)

34번
카 내부에 있는 사람에 의한 카문의 개방을 제한하기 위해 카가 운행 중일 때, 카문의 개방은 몇 N 이상의 힘이 요구되어야 하는가? (단, 잠금해제구간 밖에 있을 때는 제외한다.)
35번
엘리베이터 안전기준에 따라 기계실의 크기 및 치수의 기준에 관한 설명으로 옳은 것은?
36번
엘리베이터에 사용되는 로프의 공칭지름이 18mm일 때 풀리의 피치원 지름은 몇 mm 이상이어야 하는가? (단, 해당 건물은 상업용 건물이다.)
37번
트랙션비(Traction ratio)에 대한 설명으로 틀린 것은?
38번
카 문턱에 설치하는 에이프런의 수직 높이 기준에 관한 표이다. ㉠, ㉡에 들어갈 기준으로 옳은 것은?

39번
에스컬레이터를 배치할 경우 고려할 사항 중 틀린 것은?
40번
60Hz, 4극 전동기의 슬립이 5% 인 경우 전부하 회전수는 약 몇 rpm 인가?
3과목 : 일반기계공학
41번
일반적으로 단면이 각형이며 스터핑 박스에 채워 넣어 사용되어지는 패킹의 총칭은?
42번
드릴링 머신에서 너트나 볼트의 머리와 접촉하는 면을 평면으로 파는 작업은?
43번
두 축이 만나지도 않고, 평행하지도 않는 기어는?
44번
알루미늄 합금인 두랄루민의 표준성분에 해당하지 않는 원소는?
45번
하중을 물체에 작용하는 상태에 따라 분류할 때 해당하지 않는 것은?
46번
정밀 주조법의 일종으로 정밀한 금형에 용융금속을 고압, 고속으로 주입하여 주물을 얻는 방법으로 Al 합금, Mg 합금 등에 주로 사용되는 주조법은?
47번
철강 시험편을 오스테나이트화한 후 시험편의 한 쪽 끝에 물을 분사하여 퀜칭하는 표준시험법은?
48번
그림과 같이 용접이음을 하였을 때 굽힘응력을 계산하는 식으로 옳은 것은? (단, L : 용접 길이, t : 용접치수(용접판 두께), ℓ : 용접부에서 하중 작용선까지 거리, W : 작용하중이다.)

49번
호칭 지름이 50mm, 피치가 2mm인 미터 가는 나사가 2줄 왼나사로 암나사 등급이 6일 때 KS 나사 표시방법으로 옳은 것은?
50번
코일의 유효권수 12, 코일의 평균지름 40mm, 소선의 지름 6mm인 압축 코일 스프링에 30N의 외력이 작용할 때, 변위(mm)는 약 얼마인가? (단, 코일 스프링 재질의 전단탄성계수는 8×103N/mm2 이다.)
51번
리벳이음에서 리벳의 지름이 d, 피치가 p 일 때 판 효율을 구하는 식으로 옳은 것은?
52번
다음 중 나사산을 가공하는데 적합한 가공법은?
53번
유압기기 요소에서 길이가 단면 치수에 비해서 비교적 긴 죔구를 의미하는 용어는?
54번
그림과 같은 균일분포하중이 작용하는 보의 최대 처짐량을 구하는 식으로 옳은 것은? (단, W : 균일분포하중, L : 보의 길이, E : 세로탄성계수, I : 단면 2차 모멘트이다.)

55번
지름이 100mm인 유압 실린더의 이론 송출량이 830 cm3/s, 추력이 3kgf 일 때 이 유압실린더의 속도(cm/s)는 얼마인가? (단, 펌프의 용적효율은 90% 이다.)
56번
비틀림을 받는 원형 단면 봉에서 발생하는 비틀림 각에 대한 설명으로 옳은 것은?
57번
축에 직각인 하중을 지지하는 베어링은?
58번
다음 중 버니어 캘리퍼스로 측정할 수 없는 것은?
59번
지름 8cm, 길이 200cm인 연강봉에 7000N 인장하중이 작용하였을 때 변형량은? (단, 탄성한도 내에서 있다고 가정하며, 세로탄성계수는 2.1×106 N/cm2 이다.)
60번
유압 회로 구성에 사용되는 어큐뮬레이터의 용도가 아닌 것은?
4과목 : 전기제어공학
61번
어느 코일에 흐르는 전류가 0.1초간에 1A 변화하여 6V의 기전력이 발생하였다. 이 코일의 자기 인덕턴스는 몇 H 인가?
62번
어떤 장치에 원료를 넣어 이것을 물리적, 화학적 처리를 가하여 원하는 제품을 만들기 위해 사용하는 제어는?
63번
논리식
를 부울대수의 정리를 이용하여 간단히 하면?
를 부울대수의 정리를 이용하여 간단히 하면?
64번
전동기의 기계방정식이
일 때, 이 식으로 그린 블록선도는? (단, J는 관성계수, D는 마찰계수, τ는 전동기에서 발생되는 토크, ω는 전동기의 회전속도이다.)
일 때, 이 식으로 그린 블록선도는? (단, J는 관성계수, D는 마찰계수, τ는 전동기에서 발생되는 토크, ω는 전동기의 회전속도이다.)
65번
일 때 이 요소의 단위 계단 응답의 특성은?
일 때 이 요소의 단위 계단 응답의 특성은?
66번
2kΩ의 저항에 25mA의 전류를 흘리는 데 필요한 전압(V)은?
67번
접점부분이 비활성 가스를 충전한 유리관 속에 봉입되어 있는 스위치 코일에 흐르는 전류로 고속 동작을 하는 입력기구는?
68번
그림과 같은 블록선도에서 X3/X1를 구하면?

69번
입력으로 단위 계단함수 u(t)를 가했을 때, 출력이 그림과 같은 조절계의 기본 동작은?

70번
피드백 제어계의 제어장치에 속하지 않는 것은?
71번
그림과 같은 미끄럼줄 브리지가 R = 10kΩ, X = 30kΩ에서 평형 되었다. L1과 L2의 합이 100cm 일 때 L1의 길이(cm)는?

72번
(rad)의 단위를 각도(°) 단위로 표시하면 얼마인가?
(rad)의 단위를 각도(°) 단위로 표시하면 얼마인가?
73번
논리식
를 간단히 하면?
를 간단히 하면?
74번
변압깅의 열화방지를 위하여 콘서베이터를 설치하는데 기름이 직접 공기와 접촉하지 않도록 봉입하는 가스의 종류는?
75번
전동기 온도 상승 시험 중 반환 부하법에 해당되지 않는 것은?
76번
저항 R(Ω)에 전류 I(A)를 일정 시간 동안 흘렸을 때 도선에 발생하는 열량의 크기로 옳은 것은?
77번
그림과 같은 Y결선회로에서 X상에 걸리는 전압(V)은?

78번
다음 그림과 같은 회로가 있다. 이때 각 콘덴서에 걸리는 전압(V)은 약 얼마인가?

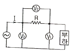
79번
그림은 3개의 전압계를 사용하여 교류측정이 가능한 회로이다. 이 회로에서 부하의 소비전력을 구하면?

80번
3상 불평형 회로가 있다. 각상 전압이 Va = 220(V), Vb = 220∠-140°(V), Vc = 220∠100°(V) 일 때 정상분전압 V1은 약 몇 V 인가?
연도별
- 2022년04월24일
- 2022년03월05일
- 2021년09월12일
- 2021년05월15일
- 2021년03월07일
- 2020년09월26일
- 2020년08월22일
- 2020년06월06일
- 2019년09월21일
- 2019년04월27일
- 2019년03월03일
- 2018년09월15일
- 2018년04월28일
- 2018년03월04일
- 2017년09월23일
- 2017년05월07일
- 2017년03월05일
- 2016년10월01일
- 2016년03월06일
- 2015년09월19일
- 2015년03월08일
- 2014년09월20일
- 2014년03월02일
- 2013년09월28일
- 2013년03월10일
- 2012년09월15일
- 2011년10월02일
- 2011년03월20일
- 2010년09월05일
- 2010년03월07일
- 2009년08월30일
- 2009년03월01일
- 2008년09월07일
- 2008년03월02일
- 2007년09월02일
- 2007년03월04일
- 2006년09월10일
- 2006년03월05일
- 2005년09월04일
- 2005년03월20일
- 2005년03월06일
- 2004년09월05일
- 2004년03월07일
- 2003년08월31일
- 2003년05월25일
- 2003년03월16일