승강기기사 (2018년04월28일 기출문제)
1과목 : 승강기 개론
1번
엘리베이터 메인 브레이크에 대한 설명 중 틀린 것은?
2번
그림과 같은 유압회로의 설명이 아닌 것은?

3번
유압엘리베이터에 대한 설명으로 틀린 것은?
4번
사이리스터를 이용한 직류제어방식은?
5번
엘리베이터의 조속기 로프는 어디에 고정시켜야 하는가?
6번
기어드(Geared)형 권상기에서 엘리베이터의 속도를 결정하는 요소가 아닌 것은?
7번
직접식 유압엘리베이터에 대한 설명 중 틀린 것은?
8번
승강장 출입구 바닥 앞부분과 카바닥 앞부분과의 틈새 너비가 35mm이하이어야 한다. 이 기준을 적용하지 않는 엘리베이터의 종류는?
9번
로핑 방법 중 로프에 걸리는 장력이 가장 적은 것은?
10번
다음 ( ) 안에 들어갈 내용으로 옳은 것은?

11번
VVVF 제어방식의 설명으로 틀린 것은?
12번
도어머신에 대한 설명 중 틀린 것은?
13번
엘리베이터용 트랙션 권상기에 대한 설명 중 틀린 것은?
14번
다음 승강기방식 중 유압식이 아닌 것은?
15번
에스컬레이터 적재하중을 산출하는데 필요한 사항이 아닌 것은?
16번
기계실의 구조에 대한 설명으로 틀린 것은?(관련 규정 개정전 문제로 여기서는 기존 정답인 2번을 누르면 정답 처리됩니다. 자세한 내용은 해설을 참고하세요.)
17번
록다운 비상정지장치에 대한 설명 중 틀린 것은?(관련 규정 개정전 문제로 여기서는 기존 정답인 4번을 누르면 정답 처리됩니다. 자세한 내용은 해설을 참고하세요.)
18번
권상기에서 구동 도르래(sheave)의 유효지름은 주로프 지름의 몇 배 이상이어야 하는가?
19번
엘리베이터에 사용되는 인터폰에 관한 설명으로 틀린 것은?
20번
승강기의 카와 균형추를 로프로 감는 방법 중 더블랩을 사용하는 승강기는?
2과목 : 승강기 설계
21번
1대의 승강기 조작방식에서 자동운전방식이 아닌 것은?
22번
비상용엘리베이터에 대한 요건이 아닌 것은? (문제 오류로 실제 시험에서는 2, 3번이 정답처리 되었습니다. 여기서는 2번을 누르면 정답 처리 됩니다.)
23번
엘리베이터 로프의 안전율(S)을 산출하는 식으로 옳은 것은? (단, K : 초핑계수, N : 로프 본수, P : 로프 1본당 와이어로프의 절단하중(kg), W : 적재하중(kg), Wc : 카 자중(kg), Wr : 로프자중(kg) 이다. )(오류 신고가 접수된 문제입니다. 반드시 정답과 해설을 확인하시기 바랍니다.)
24번
전기식 엘리베이터에서 피트 바닥은 전부하 상태의 카가 완충기에 작용하였을 때 완충기 지지대 아래에 부과되는 정하중의 몇 배를 지지할 수 있어야 하는가?
25번
전동기의 효율에 관한 식으로 옳은 것은?
26번
동기 기어리스 권상기를 설계하려고 한다. 주 도르래의 직경을 작게 설계한 경우에 대한 설명으로 틀린 것은?
27번
도어클로저의 방식 중 레버시스템과 코일스프링 및 도어체크를 조합한 방식은?
28번
유입식 완충기를 설계할 때 고려하여야 할 사항으로 옳은 것은?
29번
카틀 높이가 3.4m 꼭대기틈새가 1.4m, 기계실높이가 2.0m 출입구높이가 2.1m 인 승객용 엘리베이터 오버헤드(OH)는 몇 m 인가?
30번
후크의 법칙과 관련하여 관계식 E=σ/ε 에 대한 설명으로 틀린 것은?
31번
트랙션비(Traction ratio)에 대한 설명으로 틀린 것은?
32번
전기식 엘리베이터에서 주로프에 관한 설명으로 틀린 것은?
33번
공동주택(아파트)의 평균 운전간격은 몇 초(sec)가 적합한가?
34번
베어링 메탈 재료의 구비조건으로 틀린 것은?
35번
P10-co-150 지상 15층 규모 사무실 건물에 엘리베이터의 전 예상 정지수는?
36번
승객용 엘리베이터의 카측에 사용할 수 있는 가이드 레일의 최소 크기는?
37번
그림은 승각기 권상 시브의 언더컷 홈 모양이다. 홈의 갂인 면 a의 값을 구하는 식으로 옳은 것은?

38번
비상용엘리베이터의 설계 시 고려해야할 사항으로 틀린 것은?
39번
일반적으로 사용하는 가이드레일의 허용응력으로 가장 적합한 것은?
40번
스프링 복귀식 유입완충기를 정격속도 90m/min의 승강기에 사용하여 성능시험을 실시하였을 때 완충기의 평균 감속도는 약 몇 gn 인가? (단, 완충기가 동작한 시간은 0.3sec, 조속기의 트립 속도는 정격속도의 1,4배이다.)
3과목 : 일반기계공학
41번
원형축이 비틀림을 받고 있을 때 최대전단응력(τmax)과 축의 지름(d)과의 관계는?
42번
표면경화법에서 질화법의 특징으로 틀린 것은?
43번
용적형 펌프 중 정 토출량 및 가변 토출량으로서 공작기계, 프레스기계 등의 산업기계장치 도는 차량용에 널리 쓰이는 유압펌프는?
44번
물체를 달아 올리기 위해 훅(hook) 등을 걸 수 있는 볼트는?
45번
프레스 가공에서 드로잉한 제품의 플랜지를 소정의 형상이나 치수로 절단하는 가공법은?
46번
다음 중 스프링의 일반적인 용도로 가장 거리가 먼 것은?
47번
다음 중 버니어캘리퍼스로 측정할 수 없는 것은?
48번
직경 600mm, 800rpm으로 회전하는 원통마찰차로서 12.5kW를 전달시키는 힘은 약 몇 N인가? (단, 마찰계수 μ=0.2)로 한다.)
49번
다음 중 유압 및 공기압 용어에서 의미하는 표준상태는?
50번
다음 중 감마(γ)철에 탄소가 최대 2.11% 고용된 고용체로 면심입방격자의 결정구조를 가지고 있는 것은?
51번
그림과 같이 균일 분포하중(q0)을 받고 왼쪽 끝은 고정, 오른쪽 끝은 단순 지지되어 있는 보의 A점에서의 반력은?

52번
관용 나사에서 유체의 누설을 막기 위해 지정하는 테이퍼 값은?
53번
다음 유압회로 명칭으로 옳은 것은?

54번
외접 원통마찰차의 축간거리가 300 mm, 원동차의 회전수(N1)가 200 rpm, 종동차(N2)회전수가 100rpm 일 때 원동차의 지름(D1)과 종동차의 지름(D2)은 각각 몇 mm인가?
55번
봉이 인장하중을 받을 때, 탄성한도 영역 내에서 종변형률에 대한 횡변형률의 비는?
56번
취성재료에서 단순인장 또는 단순압축 하중에 대한 항복강도, 또는 인장강도나 압축강도에 도달하였을 때 재료의 파손이 일어난다는 이론은?
57번
주조품을 제조하기 위한 모형(pattern) 중 코어 모형을 사용해야 하는 주물로 적합한 것은?
58번
연삭숫돌을 구성하는 3요소가 아닌 것은?
59번
산화알루미늄(Al2O3) 분말을 마그네슘, 규소 등의 산화물과 소량의 다른 원소를 첨가하여 소결한 절삭공구로 충격에는 약하나 고속절삭에서 우수한 성능을 나타내는 것은?
60번
산화철 분말과 알루미늄 분말을 혼합하여 연소시킬 때 발생하는 열에 의해 접합하는 용접은?
4과목 : 전기제어공학
61번
다음과 같은 회로에서 a, b 양단자 간의 합성저항은? (단, 그림에서의 저항의 단위는 [Ω]이다.)

62번
다음 중 절연저항을 측정하는데 사용되는 계측기는?
63번
다음의 논리식을 간단히 한 것은?

64번
직류기에서 전압정류의 역할을 하는 것은?
65번
PLC프로그래밍에서 여러 개의 입력 신호 중 하나 도는 그 이상의 신호가 ON 되었을 때 출력이 나오는 회로는?
66번
다음 중 무인 엘리베이터의 자동제어로 가장 적합한 것은?
67번
단상변압기 2대를 사용하여 3상 전압을 얻고자 하는 결선방법은?
68번
그림과 같이 철심에 두 개의 코일 C1, C2를 감고 코일 C1에 흐르는 전류 I 에 △I 만큼의 변화를 주었다. 이 때 일어나는 현상에 관한 설명으로 옳지 않은 것은?

69번
100[V], 40[W]의 전구에 0.4[A]의 전류가 흐른다면 이 전구의 저항은?
70번
개루프 전달함수
인 단위 궤환계에서 단위계단입력을 가하였을 때 의 오프셋(off set)은?
인 단위 궤환계에서 단위계단입력을 가하였을 때 의 오프셋(off set)은?
71번
오차 발생시간과 오차의 크기로 둘러싸인 면적에 비례하여 동작하는 것은?
72번
온도 보상용으로 사용되는 소자는?
73번
저항 8[Ω]과 유도리액턴스 6[Ω]이 직렬접속된 회로의 역률은?
74번
전동기 2차측에 기동저항기를 접속하고 비례 추이를 이용하여 기동하는 전동기는?
75번
온 오프(on-off) 동작에 관한 설명으로 옳은 것은?
76번
물체의 위치, 방위, 자세 등의 기계적 변위를 제어량으로 하여 목표값의 임의의 변화에 항상 추종되도록 구성된 제어장치는?
77번
검출용 스위치에 속하지 않는 것은?
78번
공작기계의 물품 가공을 위하여 주로 펄스를 이용한 프로그램 제어를 하는 것은?
79번
그림과 같은 제어에 해당하는 것은?

80번
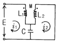
다음과 같은 회로에서 i2가 0 이 되기 위한 C의 값은? (단, L은 합성인덕턴스, M은 상호인덕턴스이다.)

연도별
- 2022년04월24일
- 2022년03월05일
- 2021년09월12일
- 2021년05월15일
- 2021년03월07일
- 2020년09월26일
- 2020년08월22일
- 2020년06월06일
- 2019년09월21일
- 2019년04월27일
- 2019년03월03일
- 2018년09월15일
- 2018년04월28일
- 2018년03월04일
- 2017년09월23일
- 2017년05월07일
- 2017년03월05일
- 2016년10월01일
- 2016년03월06일
- 2015년09월19일
- 2015년03월08일
- 2014년09월20일
- 2014년03월02일
- 2013년09월28일
- 2013년03월10일
- 2012년09월15일
- 2011년10월02일
- 2011년03월20일
- 2010년09월05일
- 2010년03월07일
- 2009년08월30일
- 2009년03월01일
- 2008년09월07일
- 2008년03월02일
- 2007년09월02일
- 2007년03월04일
- 2006년09월10일
- 2006년03월05일
- 2005년09월04일
- 2005년03월20일
- 2005년03월06일
- 2004년09월05일
- 2004년03월07일
- 2003년08월31일
- 2003년05월25일
- 2003년03월16일