승강기기사 (2016년03월06일 기출문제)
1과목 : 승강기 개론
1번
빈칸의 내용으로 옳은 것은?

2번
빈칸의 내용으로 옳은 것은?

3번
완성검사 시 승객용 엘리베이터의 카 문턱과 승강장문 문턱 사이의 수평거리는 몇 mm 이하인가?
4번
권상기의 미끄러짐을 결정하는 요소에 대한 설명으로 옳은 것은?
5번
전기식엘리베이터에서 조속기 명판에 반드시 표시되어할 것이 아닌 것은?
6번
카 틀의 부품이 아닌 것은?
7번
여러 층으로 배치되어 있는 고정된 주차구획에 아래·위 및 옆으로 이동할 수 있는 운반기에 의하여 자동차를 자동으로 운반 이동하여 주차하도록 설계한 주차장치는?
8번
시브(Sheave)의 흠 형상 중 언더 컷(Under cut)형상을 사용하는 주된 이유는?
9번
기계실의 구조에 대한 설명으로 틀린 것은?
10번
카의 상승과속방지수단에 대한 설명으로 틀린 것은?
11번
무빙워크의 경사도는 몇 도(°) 이하인가?
12번
엘리베이터 주로프에 가장 일반적으로 사용되는 와이어로프는?
13번
전기식 엘리베이터에서 권상도르래와 현수로프의 공칭직경사이의 비는 얼마 이상인가?
14번
에스컬레이터의 공칭속도는 경사도가 30° 이하인 경우 일반적으로 몇 m/s 이하로 하는가?
15번
정지 레오나드 방식에서 정지형 반도체 소자를 이용하여 교류를 직류로 전환시킴과 동시에 무엇을 제어하여 직류전압을 변화 시키는가?
16번
다음 보기의 교류엘리베이터 속도제어방식 중 수송능력이 우수한 순으로 나열된 것은?

17번
조속기의 회전속도가 정격속도를 넘을 때 기계적으로 감지하는 것은?
18번
에스컬레이터 적재하중의 산출 공식은? (단, A:에스컬레이터 스탭면의 수평투영면적(m2))
19번
승장의 신호장치가 아닌 것은?
20번
유압식 엘리베이터에 주로 사용되는 펌프의 방식은?
2과목 : 승강기 설계
21번
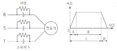
아래 그림은 승강기 속도제어 회로와 속도곡선이다. 3개의 스위치 S의 상태와 속도곡선의 구간에 대한 설명 중 틀린 것은?

22번
공칭속도 0.5m/s, 시간당 6000명을 수송할 수 있는 에스컬레이터를 설치하고자 할 경우 스텝 폭은 몇 m 인가?(오류 신고가 접수된 문제입니다. 반드시 정답과 해설을 확인하시기 바랍니다.)
23번
스트랜드의 외층소선을 내층소선보다 굵게하여 구성한 로프로 내마모성이 커 엘리베이터 주로프에 가장 많이 사용하는 종류는?
24번
승객용 엘리베이터의 적재하중 = 1000kg, 카전자중 = 2200kg, 길이 = 180cm, 사용재료 = 180×75×7, 단면계수 = 306cm3 일 경우 하부체대의 최대굽힘 모멘트(kg·cm)는? (단, 카의 전자중을 계산하고 또한 브레이스 로드가 분담하는 하중을 무시한다.)
25번
카바닥과 카틀의 부재에 작용하는 하중의 종류가 틀리게 연결된 것은?
26번
코일 스프링에서 전단응력을 구하는 식은? (단, r:전단응력, W:스프링에 작용하는 하중, D:평균지름, d:환봉의 지름이다.)
27번
엘리베이터의 미터인 유압회로에 대한 설명으로 틀린 것은?
28번
화물용 엘리베이터의 정격하중은 카의 면적 1m2 당 몇 kg으로 계산한 값 이상으로 하여야 하는가?
29번
변압기 2차측의 무부하 전압은 210V이고 전부하 전압은 200V일 때 변압기의 전압변동률은 몇 % 인가?
30번
엘리베이터에서 발생할 수 있는 범죄를 예방하기 위하여 실시하는 대책이 아닌 것은?
31번
승객용 엘리베이터의 카 바닥앞에 설치되는 보호판에 대하여 틀리게 설명한 것은?
32번
승강로의 구조에 대한 설명으로 틀린 것은?(관련 규정 개정전 문제로 여기서는 기존 정답인 3번을 누르면 정답 처리됩니다. 자세한 내용은 해설을 참고하세요.)
33번
피트 바닥은 전 부하 상태의 카가 완충기에 작용하였을 때 완충기 지지대 아래에 부과되는 정하중의 몇 배를 지지할 수 있어야 하는가?
34번
비상정지장치가 작동할 때 각 항목별로 이상유무를 확인하여야 한다. 다음 중 틀린 것은?
35번
조속기로프에 대한 설명으로 틀린 것은?
36번
엘리베이터의 감시반에 대한 설명 중 틀린 것은?
37번
괄호 안의 알맞은 내용으로 옳게 짝지어진 것은?

38번
기계대 강도 계산 시 작용하는 하중에 포함되지 않는 것은?
39번
승강로 상·하의 단말 정차장치(Terminal Stopping Device)에 대한 설명 중 틀린 것은?
40번
기계실에 설치할 수 있는 설비로 적합한 것은?
3과목 : 일반기계공학
41번
제작하려는 주물과 동일한 모형을 왁스 또는 파라핀으로 만들어 주형재에 매몰하고 주형을 가열 경화시키며 모형을 유출하여 주형을 완성하므로 정밀한 조조를 할 수 있는 것은?
42번
다음 중 두 축이 평행하지도 교차하지도 않은 기어는?
43번
원형 봉의 양단에 나사를 가공한 것으로 볼트의 머리가 없고 한쪽은 탭 볼트의 형태와 같으며, 한쪽은 머리가 없는 대신 나사부에 너트를 끼워서 죌 수 있도록 한 볼트로 부품을 자주 분해할 경우 사용하는 것은?
44번
그림에서 단면적 A1은 100cm2, 단면적 A2는 600cm2이고, A1 부분에 작용하는 실린더 작용력 P1은 200kN 일 때 A2 부분의 실린더가 발생하는 힘 P2는 약 몇 kN 인가? (단, 그림과 같이 두 공간 사이에는 유압 작동유가 가득차 있다고 가정한다.)

45번
일반 주철에 관한 설명으로 틀린 것은?
46번
축의 회전에 의해 동력을 전달하는 축으로 주로 비틀림 모멘트를 받는 축의 명칭으로 가장 적합한 것은?
47번
기어 펌프의 이송 체적이 3.0cm3/rev 이고, 회전수가 1500rpm 일 때 이 펌프의 이론 토출량은 약 몇 L/min 인가?
48번
단조를 열간 단조와 냉간 단조로 분류할 때 냉간 단조에 해당되지 않는 것은?(오류 신고가 접수된 문제입니다. 반드시 정답과 해설을 확인하시기 바랍니다.)
49번
다음 중 미소 이동량의 확대 지시장치로 레버(lever)를 이용하는 측정기는?
50번
중실축에서 동일한 비틀림 모멘트를 작용시킬 때 지름이 2배가 증가하면 저장되는 탄성에너지는 증가하기 전 탄성에너지에 비해 얼마로 변하는가?
51번
그림과 같이 도시된 유압 밸브 기호의 명칭은?

52번
열응력에 영향을 미치는 주요 인자가 아닌 것은?
53번
피복 아크 용접에서 피복제의 역할이 아닌 것은?
54번
미터계열 사다리꼴 나사의 나사산 각도는 몇도인가?
55번
다음 단면의 모양 중 외팔보에서 처짐량이 가장 작은 것은? (단, 단면적은 모두 동일하고 작용하중이나 재질 및 길이는 같다고 가정한다.)
56번
다음 중 청동이라고 하면 어떤 합금을 말하는가?
57번
영 계수(Young’s modulus)에 대한 설명으로 가장 옳은 것은?
58번
센터리스 연삭작업에서 공작물의 1회전마다의 이송량이 3mm 일 때 이송속도는 약 몇 m/min인가? (단, 공작물의 회전수는 2000rpm이다.)
59번
보온 재료들 중 무기질 보온 재료로 내열성이 있는 것은?
60번
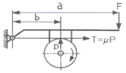
그림과 같은 블록 브레이크에서 드림 축의 레버를 누르는 힘(F)을 우회전할 때는 F1, 좌회전 할 때의 힘(F)을 F2라고 하면 F1/F2의 값은 얼마인가? (단, a는 800 mm, b는 400 mm 이며, 두 경우 모두 동일한 제동력을 발생시키는 것을 가정한다.)

4과목 : 전기제어공학
61번
제어 동작에 따른 분류 중 불연속제어에 해당되는 것은?
62번
변압기 Y-Y 결선방법의 특성을 설명한 것으로 틀린 것은?
63번
피드백 제어계를 시퀀스 제어계와 비교하였을 경우 그 이점으로 틀린 것은?
64번
상용전원을 이용하여 직류전동기를 속도제어 하고자 할 때 필요한 장치가 아닌 것은?
65번
단위계단 함수 u(t)의 그래프는?
66번
피드백 제어계에서 제어요소에 대한 설명 중 옳은 것은?
67번
어떤 제어계의 입력으로 단위 임펄스가 가해졌을 때 출력이 te-3t이었다. 이 제어계의 전달함수는?
68번
PI 동작의 전달함수는? (단, KP는 비례감도이다.)
69번
PLC프로그래밍에서 여러 개의 입력 신호 중 하나 또는 그 이상의 신호가 ON되었을 때 출력이 나오는 회로는?
70번
온도 보상용으로 사용되는 소자는?
71번
유도전동기에서 슬립이 ″0” 이란 의미와 같은 것은?
72번
그림과 같이 트랜지스터를 사용하여 논리소자를 구성한 논리회로의 명칭은?

73번
다음 그림과 같은 회로에서 스위치를 2분 동안 닫은 후 개방하였을 때 A지점에서 통과한 모든 전하량을 측정하였더니 240C 이었다. 이 때 저항에서 발생한 열량은 약 몇 cal 인가?

74번
R-L-C 병렬회로에서 회로가 병렬 공진되었을 때 합성 전류는 어떻게 되는가?
75번
그림과 같은 회로에서 단자 a, b간에 주파수 f(Hz)의 정현파 전압을 가했을 때, 전류값 A1과 A2의 지시가 같았다면 f, L, C간의 관계는?

76번
논리식
를 가장 간단히 정리한 것은?
를 가장 간단히 정리한 것은?
77번
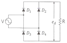
그림과 같은 회로에서 E 를 교류전압 V의 실효값이라 할 때, 저항 양단에 걸리는 전압 ed의 평균값은 E 의 약 몇 배 정도인가?

78번
자장 안에 놓여 있는 도선에 전류가 흐를 때 도선이 받는 힘 F= BI ℓsinθ(N) 이다. 이것을 설명하는 법칙과 응용기기가 맞게 짝지어진 것은?
79번
다음과 같이 저항이 연결된 회로의 a점과 b점의 전위가 일치할 때, 저항 R1과 R5 의 값(Ω)은?

80번
그림과 같은 R-L 직렬회로에서 공급전압이 10V 일 때 VR = 8V 이면 VL 은 몇 V 인가?

연도별
- 2022년04월24일
- 2022년03월05일
- 2021년09월12일
- 2021년05월15일
- 2021년03월07일
- 2020년09월26일
- 2020년08월22일
- 2020년06월06일
- 2019년09월21일
- 2019년04월27일
- 2019년03월03일
- 2018년09월15일
- 2018년04월28일
- 2018년03월04일
- 2017년09월23일
- 2017년05월07일
- 2017년03월05일
- 2016년10월01일
- 2016년03월06일
- 2015년09월19일
- 2015년03월08일
- 2014년09월20일
- 2014년03월02일
- 2013년09월28일
- 2013년03월10일
- 2012년09월15일
- 2011년10월02일
- 2011년03월20일
- 2010년09월05일
- 2010년03월07일
- 2009년08월30일
- 2009년03월01일
- 2008년09월07일
- 2008년03월02일
- 2007년09월02일
- 2007년03월04일
- 2006년09월10일
- 2006년03월05일
- 2005년09월04일
- 2005년03월20일
- 2005년03월06일
- 2004년09월05일
- 2004년03월07일
- 2003년08월31일
- 2003년05월25일
- 2003년03월16일