승강기기사 (2013년09월28일 기출문제)
1과목 : 승강기 개론
1번
유압엘리베이터의 오일(oil)의 온도는 약 몇 ℃ 정도로 유지하는 것이 가장 적정한가?
2번
양 단계에서 로프가 느슨해지면 로프의 장력을 검출하여 동력을 끊어주는 안전장치는?
3번
카의 실속도와 지령속도를 비교하여 사이리스터의 점호각을 바꿔 유도전동기의 속도를 제어하는 방식은?
4번
로프의 단말처리 요건으로 틀린 것은?
5번
트랙션비(Traction ratio)를 바르게 설명한 것은?
6번
제어방식 중 VVVF 제어의 특성이 아닌 것은?
7번
에스컬레이터 핸드레일 인입구에 각종 이물질이나 사람의 손가락 등이 빨려 들어가는 것을 방지하기 위한 안전장치는?
8번
승객용 엘리베이터의 강제 각층 정지운전은 왜 필요할까?
9번
다음 중 기계실에 설치되는 부품이 아닌 것은?
10번
권상기의 주 도르래의 흠 밑을 도려낸 언더커트흠을 사용하는 이유로 가장 알맞은 것은?
11번
전기식 엘리베이터의 검사 항목 중 계측장비를 사용하여야 할 측정 항목이 아닌 것은?
12번
승강로 벽의 재료로 사용할 수 없는 것은?
13번
유압 엘리베이터의 장점은?
14번
일반적으로 고속의 엘리베이터에 주로 많이 이용되는 조속기는?
15번
정격속도가 45m/min인 엘리베이터의 꼭대기 틈새와 피트 깊이는 얼마 이상이어야 하는가?(오류 신고가 접수된 문제입니다. 반드시 정답과 해설을 확인하시기 바랍니다.)
16번
오버밸러스율(Over Balance)에 대한 설명 중 틀린 것은?
17번
카틀이 레일에서 벗어나지 않도록 하는 것은?
18번
카가 어떤 원인으로 최하층을 통과하여 피트에 도달하였을 때 카의 충격을 완화해주는 장치는?
19번
승객용 엘리베이터의 동력이 차단되어서 카가 층 중간에 정지했을 때 가로열기 도어시스템에서 수동으로 카 도어를 여릭 위한 힘의 범위로 가장 적당한 것은?
20번
균형추측에 비상정지장치를 설치하는 경우의 조속기작동에 관한 설명으로 옳은 것은?
2과목 : 승강기 설계
21번
화재 시 비상 호출운전에 대하여 틀린 것은?
22번
꼭대기 틈새 최소치가 3.3.m이고, 피트 깊이가 3.8m인 경우 엘리베이터의 정격속도[m/min]는?(오류 신고가 접수된 문제입니다. 반드시 정답과 해설을 확인하시기 바랍니다.)
23번
직류 엘리베이터에서 동력전원설비인 변압기의 용량은
으로 설계된다. 여기서 정격전류 I[A]에 대한 설명으로 알맞은 것은? (단, PT은 변압기용량[kVA], E는 정격전압[V], N은 엘리베이터 대수[대], Y는 부등률, PC는 제어용 전력[kVA]이다.)
으로 설계된다. 여기서 정격전류 I[A]에 대한 설명으로 알맞은 것은? (단, PT은 변압기용량[kVA], E는 정격전압[V], N은 엘리베이터 대수[대], Y는 부등률, PC는 제어용 전력[kVA]이다.)
24번
엘리베이터의 전원이 3상3선식인 경우 전압강하를 계산하는데 필요하지 않은 것은?
25번
플린저 여유 스트로크에 의한 카의 이동거리 30cm, 카의 정격속도 45m/min인 간접식 유압 엘리베이터의 꼭대기부분 틈새는 약 몇 [cm] 이상으로 하여야 하는가?
26번
주행시간은 가속시간, 감속시간 및 전속주행시간의 합으로 구성된다. 따라서 주행시간에 영향을 미치는 요소가 아닌 것은?
27번
백화점에 엘리베이터와 에스컬레이터를 설치할 때 에스컬레이터의 수송분담률은 엘리베이터와 에스컬레이터 이용자 수의 몇 [%]가 적당한가?
28번
초고층 빌딩에서 서비스 층의 분할 방법에 관한 설명 중 틀린 것은?
29번
경사각이 30°, 속도가 30m/min, 디딤판폭이 0.8m이며, 층고가 9m인 에스컬레이터의 적재하중은 약 얼마인가?
30번
엘리베이터용 감시반에 대한 설명 중 옳지 않은 것은?
31번
카 자중이 1400kg, 균형추 중량이 1850kg, 정격적재하중이 1000kg일 때 로프식(전기식) 엘리베이터의 오버밸런스율은 몇 [%]인가?
32번
엘리베이터를 설치할 때 승강로의 크기를 결정하려고 한다. 이때 고려하지 않아도 되는 사항은?
33번
조속기에 대한 설명으로 틀린 것은?
34번
고속 엘리베이터에 주로 많이 사용하고 있는 로프의 거는 방법은?
35번
승강기 카와 균형추 하부에는 반드시 완충기를 설치하도록 하고 있다. 스프링 완충기는 정격속도가 몇 [m/min] 이하인 경우에 설치하여야 되는가?
36번
권상기의 시브 직경은 주로프 직경의 몇 배 이상이 가장 안전한가?
37번
전기식 엘리베이터의 카 천장에 설치된 비상구출구의 크기 기준으로 옳은 것은?(관련 규정 개정전 문제로 여기서는 기존 정답인 1번을 누르면 정답 처리됩니다. 자세한 내용은 해설을 참고하세요.)
38번
유압식 엘리베이터에 있어서 유량제어 밸브를 주회로에 삽입하여 유량을 직접 제어하는 회로는 어느 것인가?
39번
엘리베이터 기계실 및 기계대의 설치 사항으로 잘못된 것은?
40번
유압실린더의 설계에 관한 사항으로 옳은 것은? (단, p : 사용압력[kg/cm2], d : 실린더 내경[cm], s : 설계압력[kg/cm2], r : 오목면을 측정한 헤드반경)
3과목 : 일반기계공학
41번
다음 중 선반에서 할 수 있는 작업이 아닌 것은?
42번
일반적인 체인전동장치의 장ㆍ단점에 대한 설명으로 틀린 것은?
43번
자동차에서는 연비 상승을 위해 경량화(輕量化) 재료의 사용이 늘고 있다. 이와 같은 제품의 경량화와 가장 관계가 적은 재료는?
44번
양은(german silver)이라 부르는 비철 금속은 무엇의 합금인가?
45번
선반에서 4개의 죠(jaw)가 각기 움직일 수 있어 불규칙한 일감을 고정시키는데 적합한 척은?
46번
펌프의 분류를 크게 터보식과 용적식으로 분류할 때 다음 중 용적식 펌프에 속하는 것은?
47번
유체를 한쪽으로만 흐르게 하고 역류가 되면 즉시 자동적으로 밸브가 닫히게 되어 유체가 역류되는 것을 막아주는 밸브는?
48번
절삭 가공시 구성인선(built up edge)을 방지하기 위한 대책으로 옳지 못한 것은?
49번
심용접(seam welding)은 점용접보다 전극 사이의 가압력을 몇 배 정도로 해야 가장 적합한가?
50번
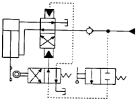
그림과 같은 유압회로는 어떤 회로인가?

51번
다음 중 미소 이동량의 확대 지시장치로 레버(lever)를 이용하는 측정기는?
52번
표준 스퍼 기어의 잇수를 Z, 모듈을 M, 원주피치(circlar pitch)를 P, 피치원(pitch circle) 지름을 D라 할 때 다음 관계식 중 틀린 것은?
53번
그림과 같은 기어 열에서 기어 잇수가 Z1 = 20, Z2 = 85, Z3 = 25, Z4 = 100일 때, Z1, Z4 의 회전수 비 n1:n4 는?

54번
바깥지름이 d이고, 안지름이
인 중공원형 단면축의 단면계수(Z)는 얼마인가?(오류 신고가 접수된 문제입니다. 반드시 정답과 해설을 확인하시기 바랍니다.)
인 중공원형 단면축의 단면계수(Z)는 얼마인가?(오류 신고가 접수된 문제입니다. 반드시 정답과 해설을 확인하시기 바랍니다.)
55번
52kN의 인장력을 지탱할 수 있는 훅 나사부의 골지름은 약 몇 mm 이상이어야 하는가? (단, 나사 재료의 허용인장응력은 60N/mm2 이다.)
56번
축제 접선방향으로 작용하는 하중에 대해 다음 중 가장 큰 힘을 전달할 수 있는 키는?
57번
금속재료를 고온에서 장시간 외력을 가하면 시간의 흐름에 따라 변형이 증가하게 되는데 이러한 현상을 무엇이라고 하는가?
58번
전체 길이에 균일분포하중을 받는 외팔보에서 자유단 처짐량에 대한 설명 중 틀린 것은?
59번
축의 비틀림 모멘트를 T[Nㆍm], 분당회전수를 N[rpm], 전달 동력을 H[W]라 할 때, T 를 구하는 식으로 옳은 것은?
60번
직사각형 단면의 높이가 폭의 2배인 단순보에 굼힘 모멘트가 54 Nㆍm 작용할 때, 굽힘 응력이 200N/cm2 인 경우 단면의 폭은 약 몇 cm 인가?
4과목 : 전기제어공학
61번
단위 피드백 제어계통에서 입력과 출력이 같다면 전향전달함수 G의 값은?
62번
그림에서 E, R1, R2를 일정하게 하고 R을 변화시킬 때 R의 소비전력이 최대가 되는 R의 값은?

63번
특성 방정식이 s3 + 2s2 + 3s + 4 = 0일 때 이 계통의 설명으로 맞는 것은?
64번
다음 중 3상 유도전동기 기동방법이 아닌 것은?
65번
서보 기구의 특징이 아닌 것은?
66번
자동제어계의 디지털 제어에 적합한 전동기는?
67번
R, L, C가 서로 직렬로 연결되어 있는 회로에서 양단의 전압과 전류가 동상이 되는 조건은?
68번
10분간은 100[kW]의 부하이고, 50분간은 20[kW]의 부하로 반복되는 유도전동기의 제곱평균법에 의한 등가적인 연속 출력은 약 몇 [kW] 인가?
69번
그림과 같은 논리회로의 논리식은?

70번
효율 80%, 출력 10[kW]인 전동기의 손실은 몇 [kW] 인가?
71번
교류(Alternating current)를 나타내는 값 중 임의의 순간의 크기를 나타내는 것은?
72번
3상 유도전동기의 출력이 10[kW], 슬립이 4.8%일 때의 2차 동손은 약 몇 [kW] 인가?
73번
영구자석의 재료로 요구되는 사항은?
74번
SCR에 관한 설명 중 틀린 것은?
75번
전기기기 및 전로의 누전여부를 알아보기 위한 계측기는?
76번
제어량이 온도, 압력, 유량 및 액면 등 일 경우에 해당되는 제어는?
77번
전류의 전기 작용 중 열작용과 가장 밀접한 관계가 있는 법칙은?
78번
전원전압을 안정하게 유지하기 위하여 사용되는 다이오드로 가장 알맞은 것은?
79번
그림과 같이 500[kΩ]의 가변저항기에 병렬로 저항 R을 접속하여 합성저항을 100[kΩ] 으로 만들려고 한다. 저항 R을 몇 [kΩ] 으로 하면 되는가?

80번
전달함수의 정의는?
연도별
- 2022년04월24일
- 2022년03월05일
- 2021년09월12일
- 2021년05월15일
- 2021년03월07일
- 2020년09월26일
- 2020년08월22일
- 2020년06월06일
- 2019년09월21일
- 2019년04월27일
- 2019년03월03일
- 2018년09월15일
- 2018년04월28일
- 2018년03월04일
- 2017년09월23일
- 2017년05월07일
- 2017년03월05일
- 2016년10월01일
- 2016년03월06일
- 2015년09월19일
- 2015년03월08일
- 2014년09월20일
- 2014년03월02일
- 2013년09월28일
- 2013년03월10일
- 2012년09월15일
- 2011년10월02일
- 2011년03월20일
- 2010년09월05일
- 2010년03월07일
- 2009년08월30일
- 2009년03월01일
- 2008년09월07일
- 2008년03월02일
- 2007년09월02일
- 2007년03월04일
- 2006년09월10일
- 2006년03월05일
- 2005년09월04일
- 2005년03월20일
- 2005년03월06일
- 2004년09월05일
- 2004년03월07일
- 2003년08월31일
- 2003년05월25일
- 2003년03월16일