전기기사 (2008년07월27일 기출문제)
1과목 : 전기자기학
1번
도체에 교류가 흐르는 경우 표피효과에 대한 설명으로 가장 알맞은 것은?
2번
유전체에서의 변위 전류에 대한 설명으로 옳은 것은?
3번
환상 철심에 권수 NA인 A코일과 NB인 B코일이 있을 때, 코일 A의 자기인덕턴스가 LAH라면 두 코일간의 상호 인덕턴스 [H]는? (단, A코일과 B코일 간의 누설 자속은 없는 것으로 한다.)
4번
대전 도체 표면의 전계의 세기는?
5번
단면적 15[cm2] 의 자석 근처에 같은 단면적을 가진 철편을 놓았을 때, 그 곳을 통하는 자속이 3×10-4Wb이면 철편에 작용하는 흡입력은 약 몇 [N]인가?
6번
진공 중에서 전계 E=√2 Eesinω(t-x/c)[V/m]인 평면 전자파가 있을 때 자계의 실효값은 약 몇 [A/m]인가?
7번
평면 도체 표면에서 진공내 d[m]의 거리에 점전하 Q[C]이 있을 때 이 전하를 무한원까지 운반하는데 요하는 일은 몇 [J]인가?
8번
비유전율 ℇs=5인 유전체 중에서 전속밀도가 4×10-4C/m2일 때 분극의 세기는 약 몇 [C/m2]인가?
9번
그림에서 직선 도체 바로 아래 10cm 위치에 지침이 나란히 있다고 하면 이때의 자침에 작용하는 회전력은 약 몇 [N·m/rad]인가? (단, 도체의 전류는 10[A], 자침의 자극의 세기는 10-6[Wb]이고, 자침의 길이는 10[cm]이다.)

10번
반지름이 1[m]인 고립 도체구의 정전용량은 약 몇 [pF]인가?
11번
그림과 같이 환상 철심에 2개의 코일을 감고, 1차 코일을 전지에 2차 코일을 검류계에 연결한다. 다음의 각 경우 중 검류계에 흐르는 전류의 방향이 옳게 언급된 것은?

12번
진공 중에 전하량 3×10-6[C]인 두 개의 대전체가 서로 떨어져 있고, 상호 간에 작용하는 힘이 9×10-3[N]일 때, 이들 사이의 거리는 몇 [m]인가?
13번
도전율 σ=4[S/m], 비투자율 μs=1, 비유전율 ℇr=81 인 바닷물 중에서 최소한 유전손실정접 (tanδ)이 100 이상이 되기 위한 주파수 범위 [MHz]는?
14번
자계의 벡터 포텐셜을 A[Wb/m]라 할 때 도체 주위에서 자계 B[Wb/m2]가 시간적으로 변화하면 도체에 발생하는 전계의 세기 E[V/m]는?
15번
30[V/m]의 전계내의 60[V] 되는 점에서 1[C]의 전하를 전계 방향으로 70[cm] 이동한 경우, 그 점의 전위는 몇 [V]인가?
16번
두 종류의 금속으로 하나의 폐회로를 만들고 여기에 전류를 흘리면 양 접속점에서 한쪽은 온도가 올라가고, 다른 쪽은 온도가 내려가서 열의 발생 또는 흡수가 생기고, 전류를 반대 방향으로 변화시키면, 열의 발생부와 흡수부가 바뀌는 현상이 발생한다. 이 현상을 지칭하는 효과로 알맞은 것은?
17번
그림과 같이 반지름이 20[Cm]인 도체 원판이 그 축에 평행이고, 세기가 2.4×103AT/m인 균일 자계 내에서 1분간에 1800회의 회전 운동을 하고 있다. 이 원판의 축과 원판 주위 사이에 2Ω[mA]의 저항체를 접속시킬 때, 이 저항에 흐르는 전류는 약 몇 [mA]인가? (단, 원판의 저항은 무시하고, 원판의 투자율은 공기의 투자율과 같다고 한다.)
18번
두 유전체의 경계면에 대한 설명 중 옳은 것은?
19번
자계의 실효값이 1[mA/m]인 평면 전자파가 공기 중에서 이에 수직되는 수직 단면적 10[m2]을 통과하는 전력은 몇 [W]인가?
20번
유전체에 작용하는 힘과 관련된 사항으로 전계 중의 두 유전체가 경계면에서 받는 변형력을 무엇이라 하는가?
2과목 : 전력공학
21번
다음 중 모선방식의 종류에 속하지 않는 것은?
22번
다음 중 송·배전 선로에 대한 설명으로 옳지 않은 것은?
23번
다음 중 원자로 내의 중성자 수를 적당하게 유지하기 위해 사용되는 제어봉의 재료로 알맞은 것은?
24번
화력 발전소에서 재열기의 목적은?
25번
발전기나 변압기의 내부고장 검출에 가장 많이 사용되는 계전기는?
26번
정격 10[kVA]의 주상변압기가 있다. 이것의 2차 측 일부하곡선이 그림과 같을 때, 1일의 부하율은 몇 [%]인가?

27번
피뢰기가 구비하여야 할 조건으로 옳지 않은 것은?
28번
선택접지(지락) 계전기의 용도를 옳게 설명한 것은?
29번
다음 중 현재 널리 사용되고 있는 GCB(Gas Circuit Breaker)용 가스는?
30번
가공 전선의 구비 조건으로 옳지 않은 것은?
31번
중성점 비접지방식에서 가장 많이 사용되는 변압기의 결선 방법은?
32번
송전단 전압이 3.4[kV], 수전단 전압이 3[kV]인 배전 선로에서 수전단의 부하를 끊은 경우 수전단 전압이 3.2[kV]로 되었다면 전압 변동률은 약 몇 [%]인가?
33번
송전선로에 복도체를 사용하는 이유로 가장 알맞은 것은?
34번
교류 송전방식에 비교하여 직류 송전방식을 설명할 때 옳지 않은 것은?
35번
파동임피던스가 500[Ω]인 가공 송전선 1Km당의 인덕턴스는 약 몇 [mH/Km]인가?
36번
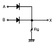
총낙차 80.9[m], 사용수량 30m3/S인 발전소가 있다. 수로의 길이가 3800m, 수로의 구배가 1/2000, 수압철관의 손실 낙차를 1m라고 하면, 이 발전소의 출력은 약 몇 [kW]인가? (단, 수차 및 발전기의 종합 효율은 83%라고 한다.)
37번
경간이 200M인 가공 전선로가 있다. 사용 전선의 길이는 경간보다 몇 [m] 더 길게 하면 되는가? (단, 사용전선의 1m당 무게는 2[㎏], 인장하중은 4000[㎏], 전선의 안전율은 2로 하고 풍압하중은 무시한다.)
38번
154[kV] 3상 1회선 송전선로 1선의 리액턴스가 25[Ω]이고, 전류가 400[A]일 때, % 리액턴스는 얼마인가?
39번
다음 중 부하 전류의 차단에 사용되지 않는 것은?
40번
3상 3선식 송전선로를 연가(transposition)하는 주된 목적은?
3과목 : 전기기기
41번
변압기의 부하 전류 및 전압이 일정하고, 주파수가 낮아 졌을 때의 현상으로 옳은 것은?
42번
단상 유도 전동기의 기동법이 아닌 것은?
43번
유도 전동기의 원선도 작성에 필요한 시험과 원선도에서 구할 수 있는 것이 옳게 배열된 것은?
44번
15[kW] 3상 유도 전동기의 기계손이 350[W] 전부하시의 슬립이 3[%]이다. 전부하시의 2차 동손 [W]은?
45번
정격 출력 10[MVA], 정격전압이 6600[V], 동기 임피던스가 매상 3.6[Ω]인 3상 동기 발전기의 단락비는 약 얼마인가?
46번
그림과 같은 정류회로에서 전류계의 지시값은 약 몇 [mA]인가? (단, 전류계는 가동 코일형이고, 정류기의 저항은 무시한다.)

47번
상전압 200[V]인 3상 반파 정류회로에 SCR을 사용하여 위상 제어할 때 제어각이 60º이면 직류 출력 전압은 약 몇 [V]인가?
48번
다음 중 서보모터가 갖추어야 할 조건이 아닌 것은?
49번
동기 발전기에서 코일 피치와 극간격의 비를 β라 하고, 상수를 m, 1극 1상당의 슬롯수를 q라고 할 때, 분포권 계수를 나타내는 식은?
50번
인견 공장에서 사용되는 포트 모터의 속도 제어는?
51번
그림은 단상 직권 정류자 전동기의 개념도이다. C를 무엇이라고 하는가?

52번
무부하 전압이 120[V]인 분권 발전기의 전압 변동률이 5[%]이다. 이 발전기의 정격 전압은 약 얼마인가?
53번
누설 변압기의 설명 중 틀린 것은?
54번
유도발전기에 관한 설명 중 틀린 것은?
55번
다음 중 3단자 사이리스터가 아닌 것은?
56번
임피던스 전압강하가 5[%]인 변압기가 운전 중 단락 되었을 때, 단락 전류는 정격전류의 몇 배인가?
57번
반작용 전동기에 관한 설명 중 틀린 것은?
58번
직류기의 전기자 권선을 중권으로 하였을 때 다음 중 틀린 것은?
59번
변압기 결선에서 제3고조파 전압이 발생하는 결선은?
60번
3상 동기 발전기의 1상의 유도 기전력 120 [V], 반작용 리액턴스 0.2[Ω]이다. 90º 진상전류가 20[A]일 때 발전기의 단자전압 [V]은? (단, 기타는 무시한다.)
4과목 : 회로이론 및 제어공학
61번
그림과 같은 4단자 망 회로의 4단자 정수 중 D의 값은? (단, 각 주파수는 w[rad/sec]이다.)

62번
어떤 회로의 전류가 i(t)=20-20-200t[A]로 주어졌다. 정상값은 몇 [A]인가?
63번
그림과 같이 선간전압 200[V]의 3상 전원에 대칭 부하를 접속할 때 부하 역률은? (단, R=9[Ω], 1/(ωC)=4[Ω]이다.)

64번
전압의 순시값이 다음과 같을 때 실효값은 약 몇 [V]인가?

65번
대칭 n 상에서 선전류와 상전류 사이의 위상차는 어떻게 되는가?
66번
60[hz]에서 3[Ω]의 리액턴스를 갖는 자기 인덕턴스 L값 및 정전용량 C 값은 약 얼마인가?
67번
자동제어계에서 중량함수 라고 불리어 지는 것은?
68번
분포정수 회로에서 무왜형 조건이 성립하면 어떻게 되는가?(오류 신고가 접수된 문제입니다. 반드시 정답과 해설을 확인하시기 바랍니다.)
69번
그림과 같은 회로에서 i1=lm sinωt[A]일 때, 개방된 2차 단자에 나타나는 유기 기전력 V2는 얼마인가?

70번
함수 f(t)=1-e-et의 라플라스 변환은?
71번
s 평면의 허수축은 z 평면의 어느 부분에 사상되는가?
72번
다음의 설명 중 틀린 것은?
73번
단위 궤환제어계의 개루프 전달함수가 G(s)=K/(s(s+2))일 때, 특성 방정식의 근 K가 -∞로부터 +∞까지 변할 때 알맞지 않는 것은?
74번
그림의 회로는 어느 게이트에 해당하는가?

75번
상태 방정식
, 출력 방정식 y(t)=Cx(t)에서
일 때 다음 설명 중 옳은 것은?
, 출력 방정식 y(t)=Cx(t)에서
일 때 다음 설명 중 옳은 것은?
76번
근궤적의 출발점 및 도착점과 관계되는 G(s), H(s)의 요소는? (단, K>0이다.)
77번
주파수 전달함수 G(jω)=1/(j100ω)인 계에서 ω=0.1[rad/s]일 때 계의 이득 [dB] 및 위상각 θ[deg]는 얼마인가?
78번
전달 함수
인 제어계는 다음 중 어느 경우인가?
인 제어계는 다음 중 어느 경우인가?
79번
z 변환 함수 Z/(Z-e-aT)에 대응되는 라플라스 변환과 이에 대응되는 시간함수는?
80번
그림과 같은 블록 선도에서 입력 R과 외란 D가 가해질 때 출력 C는?

5과목 : 전기설비기술기준 및 판단기준
81번
가공 전선로의 지지물 구성체가 강관으로 구성되는 철탑으로 할 경우 갑종 풍압하중은 몇 [Pa]의 풍압을 기초로 하여 계산한 것인가? (단, 단주는 제외하며, 풍압은 구성재의 수직 투영면적 1[m2]에 대한 풍압이다.)
82번
전력보안 통신 설비인 무선통신용 안테나 또는 반사판을 지지하는 철근콘크리트주의 기초의 안전율은 얼마 이상이어야 하는가? (단, 무선 통신용 안테나 또는 반사판이 전선로의 주위 상태를 감시할 목적으로 시설되는 것이 아닌 경우이다.)
83번
출퇴표시등 회로에 전기를 공급하기 위한 변압기는 2차측 전로의 사용전압이 몇 [V]이하인 절연 변압기 이어야 하는가?
84번
과전류차단기로 시설하는 퓨즈 중 고압전로에 사용하는 비포장 퓨즈는 정격전류의 1.25배의 전류에 견디고 또한 2배의 전류로 몇 분 안에 용단되어야 하는가?
85번
가공전선로의 지지물 중 지선을 사용하여 그 강도를 분담시켜서는 아니 되는 것은?
86번
교류식 전기철도는 그 단상 부하에 의한 전압 불평형으로 인하여 교류식 전기철도의 변전소의 변압기에 접속하는 전기 사업용 발전기, 조상기, 변압기 기타의 기계기구에 장해가 생기지 아니하도록 시설하여야 한다. 이때 전압 불평형의 허용 한도는 그 변전소의 수전점에서 몇 [%]이하이어야 하는가?
87번
다음 중 금속관 공사에 대한 기준으로 옳지 않은 것은?(오류 신고가 접수된 문제입니다. 반드시 정답과 해설을 확인하시기 바랍니다.)
88번
일반적으로 저압 옥내간선에서 분기하여 전기 사용기계기구에 이르는 저압 옥내 전로는 저압 옥내간선과 분기점에서 전선의 길이가 몇 [m] 이하인 곳에 개폐기 및 과전류 차단기를 시설하여야 하는가?
89번
고압전로 또는 특별고압 전로와 저압전로를 결합하는 변압기의 저압측의 중성점에 시설하여야 하는 접지 공사는?(오류 신고가 접수된 문제입니다. 반드시 정답과 해설을 확인하시기 바랍니다.)
90번
최대사용전압이 440[V]인 전동기의 절연내력 시험전압은 몇 [V]인가?
91번
특별고압 가공 전선로의 전선으로 케이블을 사용하여 시설하는 경우 기준에 적합하지 않은 것은?
92번
수소 냉각식 발전기 등의 시설기준을 잘못 설명한 것은?
93번
고압 가공전선로에 사용하는 가공지선은 인장강도가 5.25[kN]이상의 것 또는 지름 몇 [㎜]의 나경동선을 사용하여야 하는가?
94번
“제 2차 접근상태”라 함은 가공 전선이 다른 시설물과 접근하는 경우에 그 가공전선이 다른 시설물의 위쪽 또는 옆쪽에서 수평거리로 몇 [m] 미만인 곳에 시설되는 상태를 말하는가?
95번
다음 중 지중 전선로의 전선으로 가장 알맞은 것은?
96번
시가지 도로를 횡단하여 저압 가공전선을 시설하는 경우 지표상 높이는 몇 [m] 이상으로 하여야 하는가?
97번
점검할 수 있는 은폐장소로서 건조한 곳에 시설하는 애자 사용 공사에 의한 저압 옥내 배선은 사용전압이 400[V] 이상인 경우에 전선과 조영재와의 이격거리는 몇 [㎝] 이상이어야 하는가?
98번
사용 전압이 35[kV] 이하인 특별고압 가공전선과 저압 가공전선을 동일 지지물에 시설하는 경우 전선 상호간 이격거리는 몇 [m] 이상이어야 하는가?
99번
일반적으로 강색 차선의 레일면상의 높이는 몇 [m] 이상 이어야 하는가?
100번
발전소, 변전소, 개폐소 또는 이에 준하는 곳에 개폐기 또는 차단기에 사용하는 압축 공기 장치의 공기 압축기는 최고 사용압력의 1.5배의 수압을 연속하여 몇 분간 가하여 시험을 하였을 때에 이에 견디고 또한 새지 아니하여야 하는가?
연도별
- 2022년04월24일
- 2022년03월05일
- 2021년08월14일
- 2021년05월15일
- 2021년03월07일
- 2020년09월26일
- 2020년08월22일
- 2020년06월06일
- 2019년08월04일
- 2019년04월27일
- 2019년03월03일
- 2018년08월19일
- 2018년04월28일
- 2018년03월04일
- 2017년08월26일
- 2017년05월07일
- 2017년03월05일
- 2016년08월21일
- 2016년05월08일
- 2016년03월06일
- 2015년08월16일
- 2015년05월31일
- 2015년03월08일
- 2014년08월17일
- 2014년05월25일
- 2014년03월02일
- 2013년08월18일
- 2013년06월02일
- 2013년03월10일
- 2012년08월26일
- 2012년05월20일
- 2012년03월04일
- 2011년08월21일
- 2011년06월12일
- 2011년03월20일
- 2010년07월25일
- 2010년05월09일
- 2010년03월07일
- 2009년07월26일
- 2009년05월10일
- 2009년03월01일
- 2008년07월27일
- 2008년05월11일
- 2008년03월02일
- 2007년08월05일
- 2007년05월13일
- 2007년03월04일
- 2006년08월06일
- 2006년05월14일
- 2006년03월05일
- 2005년08월07일
- 2005년05월29일
- 2005년03월06일
- 2004년08월08일
- 2004년05월23일
- 2004년03월07일
- 2003년08월10일
- 2003년05월25일
- 2003년03월16일