전기공사산업기사 (2019년04월27일 기출문제)
1과목 : 전기응용
1번
목표값이 시간에 따라 변화하지 않는 제어는?
2번
전력용 반도체 소자의 종류 중 스위칭 소자가 아닌 것은?
3번
20cm2의 면적에 0.5lm의 광속이 입사할 때 그 면의 조도(lx)는?
4번
전기철도에 적용하는 직류 직권전동기의 속도제어 방법이 아닌 것은?
5번
최고 사용온도가 1100℃ 이고 고온강도가 크며 냉간가공이 용이한 고온용 발열체는?
6번
동의 원자량은 63.54 이고 원자가가 2라면 전기화학당량은 약 몇 mg/C 인가?
7번
광속의 정의에 대한 설명으로 옳은 것은?
8번
기전반응을 하는 화학 에너지를 전지 밖에서 연속적으로 공급하면 연속방전을 계속할 수 있는 전지는?
9번
반도체 소자 중 게이트-소스 간 전압으로 드레인 전류를 제어하는 전압제어 스위치로 스위칭속도가 빠른 소자는?
10번
교번 자계 중에서 도전성 물질 내에 생기는 와류손과 히스테리시스손에 의한 가열 방식은?
11번
절대온도 T(K)인 흑체의 복사발산도(전방사에너지)는? (단, σ는 스테판-볼츠만의 상수이다.)
12번
물체의 위치, 방위, 자세 등의 기계적 변위를 제어량으로 하는 것은?
13번
500W 의 전열기의 정격상태에서 1시간 사용할 때 발생하는 열량은 약 몇 kcal인가?
14번
동력 전달 효율이 78.4%인 권상기로 30t의 하중을 매분 4m의 속력으로 끌어 올리는 데 필요한 동력은 약 몇 kW 인가?
15번
그림과 같은 배광곡선과 루소선도에서 반사갓이 없는 형광등의 루소선도는 어느 것인가?

16번
3상 유도전동기의 기동방식이 아닌 것은?
17번
백색 LED의 발광 원리가 아닌 것은?
18번
2개의 곡선반경 중심이 선로에 대해 서로 반대 측에 위치하는 선로 곡선은?
19번
광속 5500lm인 광원에서 4m2의 투명 유리를 일정 방향으로 조사(照射)하는 경우 그 유리 뒷면의 광속발산도 R(rlx) 및 휘도 B(nt)는 약 얼마인가? (단, 투명 유리의 투과율은 80% 이다.)
20번
전기로에 사용되는 전극재료의 구비조건이 아닌 것은?
2과목 : 전력공학
21번
최대 수용전력의 합계와 합성 최대 수용전력의 비를 나타내는 계수는?
22번
가공지선을 설치하는 주된 목적은?
23번
3상 3선식 3각형 배치의 송전선로에 있어서 각 선의 대지 정전용량이 0.5038 μF이고, 선간 정전용량이 0.1237 μF일 때 1선의 작용 정전용량은 약 몇 μF 인가?
24번
주파수 60 Hz, 정전용량
μF의 콘덴서를 △결선해서 3상 전압 20000V를 가했을 때의 충전용량은 몇 kVA인가?
μF의 콘덴서를 △결선해서 3상 전압 20000V를 가했을 때의 충전용량은 몇 kVA인가?
25번
지상 역률 80%, 10000kVA의 부하를 가진 변전소에 6000kVA의 콘덴서를 설치하여 역률을 개선하면 변압기에 걸리는 부하(kVA)는 콘덴서 설치 전의 몇 %로 되는가?
26번
그림에서 X부분에 흐르는 전류는 어떤 전류인가?

27번
연가를 하는 주된 목적은?
28번
증기의 엔탈피(Enthalpy)란?
29번
지름 5mm의 경동선을 간격 1m로 정삼각형 배치를 한 가공전선 1선의 작용 인덕턴스는 약 몇 mH/km 인가? (단, 송전선은 평형 3상 회로)
30번
차단기의 정격차단시간을 설명한 것으로 옳은 것은?
31번
직류송전방식의 장점은?
32번
보호 계전 방식의 구비 조건이 아닌 것은?
33번
345 kV 송전계통의 절연협조에서 충격절연내력의 크기순으로 나열한 것은?
34번
변압기의 보호방식에서 차동계전기는 무엇에 의하여 동작하는가?
35번
저압뱅킹 배전방식에서 저전압 측의 고장에 의하여 건전한 변압기의 일부 또는 전부가 차단되는 현상은?
36번
전선에서 전류의 밀도가 도선의 중심으로 들어갈수록 작아지는 현상은?
37번
화력발전소의 기본 사이클이다. 그 순서로 옳은 것은?
38번
송전계통의 안정도를 증진시키는 방법은?
39번
보일러 절탄기(economizer)의 용도는?
40번
송전선로의 후비 보호 계전 방식의 설명으로 틀린 것은?
3과목 : 전기기기
41번
누설 변압기에 필요한 특성은 무엇인가?
42번
그림은 복권발전기의 외부특성곡선이다. 이 중 과복권을 나타내는 곡선은?

43번
직류 분권발전기가 운전 중 단락이 발생하면 나타나는 현상으로 옳은 것은?
44번
동기발전기의 단락시험, 무부하시험에서 구할 수 없는 것은?
45번
단락비가 큰 동기발전기에 대한 설명 중 틀린 것은?
46번
직류 직권전동기의 속도제어의 사용되는 기기는?
47번
동기발전기의 권선을 분포권으로 하면?
48번
다음은 직류 발전기의 정류곡선이다. 이 중에서 정류 말기에 정류의 상태가 좋지 않은 것은?

49번
권선형 유도전동기의 저항제어법의 장점은?
50번
직류전압의 맥동률이 가장 작은 정류회로는? (단, 저항부하를 사용한 경우이다.)
51번
단상변압기 3대를 이용하여 △-△ 결선하는 경우에 대한 설명으로 틀린 것은?
52번
동기 주파수변환기의 주파수 f1 및 f2 계통에 접속되는 양극을 P1, P2라 하면 다음 어떤 관계가 성립되는가?
53번
유도전동기에서 공간적으로 본 고정자에 의한 회전자계와 회전자에 의한 회전자계는?
54번
어떤 변압기의 부하역률이 60%일 때 전압변동률이 최대라고 한다. 지금 이 변압기의 부하역률이 100%일 때 전압변동률을 측정했더니 3%였다. 이 변압기의 부하역률이 80%일 때 전압변동률은 몇 % 인가?
55번
200V의 배전선 전압을 220V로 승압하여 30 kVA의 부하에 전력을 공급하는 단권변압기가 있다. 이 단권변압기의 자기용량은 약 몇 kVA 인가?
56번
권선형 유도전동기에서 비례추이를 할 수 없는 것은?
57번
6극 유도전동기의 고정자 슬롯(slot)홈 수가 36이라면 인접한 슬롯 사이의 전기각은?
58번
직류발전기에서 기하학적 중성축과 각도 θ만큼 브러시의 위치가 이동되었을 때 감자기자력(AT/극)은? (단,
)
)
59번
직류전동기의 속도제어 방법에서 광범위한 속도제어가 가능하며, 운전효율이 가장 좋은 방법은?
60번
자극수 4, 전기자 도체수 50, 전기자저항 0.1Ω의 증권 타여자전동기가 있다. 정격전압 105V, 정격전류 50A로 운전하던 것을 전압 106V 및 계자회로를 일정히 하고 무부하로 운전했을 때 전기자전류가 10A 이라면 속도변동률(%)은? (단, 매극의 자속은 0.05 Wb 라 한다.)
4과목 : 회로이론
61번
a-b 단자의 전압이 50∠0° (V), a-b단자에서 본 능동 회로망(N)의 임피던수가 Z = 6 + j8(Ω)일 때, a-b 단자에 임피던스 Z′ = 2 – j2(ohm)를 접속하면 이 임피던스에 흐르는 전류(A)는?

62번
그림과 같은 회로의 전압 전달함수 G(s)는?

63번
그림의 회로에서 전류 I는 약 몇 A 인가? (단, 저항의 단위는 Ω 이다.)

64번
의 주파수는 약 몇 Hz 인가?
의 주파수는 약 몇 Hz 인가?
65번
f(t) = eat의 라플라스 변환은?
66번
로 표시되는 2단자 회로망은?
로 표시되는 2단자 회로망은?
67번
구형파의 파형률(㉠)과 파고율(㉡)은?
68번
RL 직렬회로에서 시정수의 값이 클수록 과도현상은 어떻게 되는가?
69번
기본파의 60%인 제3고조파의 80%인 제5고자파를 포함하는 전압의 왜형률은?
70번
e1 = 6√2 sinωt (V), e2 = 4√2 sin(ωt-60°) (V)일 때, e1 - e2의 실효값(V)은?
71번
RLC 직렬회로에서 R = 100Ω, L = 5mH, C = 2μF일 때 이 회로는?
72번
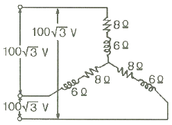
그림과 같은 평형 3상 Y결선에서 각 상이 8Ω의 저항과 6Ω의 리액턴스가 직렬로 연결된 부하에 선간전압 100√3 V 가 공급되었다. 이때 선전류는 몇 A 인가?

73번
대칭 6상 전원이 있다. 환상결선으로 각 전원이 150A의 전류를 흘린다고 하면 선전류는 몇 A 인가?
74번
1상의 직렬 임피던스가 R = 6Ω, XL = 8Ω인 △결선의 평형부하가 있다. 여기에 선간전압 100V인 대칭 3상 교류전압을 가하면 선전류는 몇 A 인가?
75번
인덕턴스가 각각 5H, 3H인 두 코일을 모두 dot 방향으로 전류가 흐르게 직렬로 연결하고 인덕턴스가 측정하였더니 15H이었다. 두 코일간의 상호 인덕턴스(H)는?
76번
3상 평형회로에서 선간전압이 200V이고 각 상의 임피던스가 24 + j7(Ω)인 Y결선 3상 부하의 유효전력은 약 몇 W 인가?
77번
의 역라플라스 변환은?
의 역라플라스 변환은?
78번
f(t) = e-t + 3t2 + 3cos2t + 5의 라플라스 변환식은?
79번
그림과 같은 회로의 영상 임피던스 Z01, Z02(Ω)는 각각 얼마인가?

80번
평형 3상 부하에 전력을 공급할 때 선전류가 20A 이고 부하의 소비전력이 4kW이다. 이 부하의 등가 Y회로에 대한 각 상의 저항은 약 몇 Ω 인가?
5과목 : 전기설비
81번
특고압 가공전선로의 지지물 양쪽의 경간의 차가 큰 곳에 사용되는 철탑은?
82번
특고압 가공전선로의 지지물에 시설하는 통신선 또는 이것에 직접 접속하는 통신선일 경우 설치하여야 할 보안장치로서 모두 옳은 것은?
83번
“지중 관로”에 포함되지 않는 것은?
84번
교류 전차선 등이 교량 등의 밑에 시설되는 경우 교량의 가더 등의 금속제 부분에는 제 몇 종 접지공사를 하여야 하는가?
85번
고압 가공 전선이 경동선 또는 내열 동합금선인 경우 안전율의 최소값은?
86번
최대사용전압 440V인 전동기의 절연내력 시험전압은 몇 V인가?
87번
저압 및 고압 가공전선의 높이에 대한 기준으로 틀린 것은?
88번
전체의 길이가 16m 이고 설계하중이 6.8kN 초과 9.8kN 이하인 철근 콘크리트주는 논, 기타 지반이 연약한 곳 이외의 곳에 시설할 때, 묻히는 깊이를 2.5m 보다 몇 cm 가산하여 시설하는 경우에는 기초의 안전율에 대한 고려 없이 시설하여야 되는가?
89번
고압 옥내배선을 애자사용 공사로 하는 경우, 전선의 지지점간의 거리는 전선을 조영재의 면을 따라 붙이는 경우 몇 m 이하이어야 하는가?
90번
고압 가공전선에 케이블을 사용하는 경우의 조가용선 및 케이블의 피복에 사용하는 금속체에는 몇 종 접지공사를 하여야 하는가?
91번
사용전압 60000V인 특고압 가공전선과 그 지지물·지주·완금류 또는 지선 사이의 이격거리는 몇 cm 이상이어야 하는가?
92번
철탑의 강도 계산에 사용하는 이상 시 상정하중의 종류가 아닌 것은?
93번
사용전압 15kV 이하인 특고압 가공전선로의 중성선 다중 접지시설은 각 접지선은 중성선으로부터 분리하였을 경우 1km 마다의 중성선과 대지사이의 합성 전기저상 값은 몇 Ω 이하이어야 하는가?
94번
23kV 특고압 가공전선로의 전로와 저압 전로를 결합한 주상변압기의 2차측 접지선의 굵기는 공칭단면적이 몇 mm2 이상의 연동선인가? (단, 특고압 가공전선로는 중성선 다중접지식의 것을 제외한다.)
95번
저압 옥내배선과 옥내 저압용의 전구선의 시설방법으로 틀린 것은?(문제 오류로 실제 시험에서는 2,4번이 정답처리 되었습니다. 여기서는 2번을 누르면 정답 처리 됩니다.)
96번
특고압 가공전선로에서 발생하는 극저주파 전자계는 지표상 1m에서 전계가 몇 kV/m 이하가 되도록 시설하여야 하는가?
97번
수소냉각식의 발전기·조상기에 부속하는 수소 냉각 장치에서 필요 없는 장치는?
98번
사용전압이 20kV인 변전소에 울타리·담 등을 시설하고자 할 때 울타리·담 등의 높이는 몇 m 이상이어야 하는가?
99번
강색 차선의 레일면상의 높이는 몇 m 이상이어야 하는가? (단, 터널 안, 교량아래 그 밖에 이와 유사한 곳에 시설하는 경우는 제외한다.)
100번
동일 지지물에 저압 가공전선(다중접지된 중성선은 제외)과 고압 가공전선을 시설하는 경우 저압 가공전선은?
연도별
- 2020년08월22일
- 2020년06월06일
- 2019년09월21일
- 2019년04월27일
- 2019년03월03일
- 2018년09월15일
- 2018년04월28일
- 2018년03월04일
- 2017년09월23일
- 2017년05월07일
- 2017년03월05일
- 2016년10월01일
- 2016년05월08일
- 2016년03월06일
- 2015년09월19일
- 2015년05월31일
- 2015년03월08일
- 2014년09월20일
- 2014년05월25일
- 2014년03월02일
- 2013년09월28일
- 2013년06월02일
- 2013년03월10일
- 2012년09월15일
- 2012년05월20일
- 2012년03월04일
- 2011년10월02일
- 2011년06월12일
- 2011년03월20일
- 2010년09월05일
- 2010년05월09일
- 2010년03월07일
- 2009년08월30일
- 2009년05월10일
- 2009년03월01일
- 2008년09월07일
- 2008년05월11일
- 2008년03월02일
- 2007년09월02일
- 2007년05월13일
- 2007년03월04일
- 2006년05월14일
- 2006년03월05일
- 2005년05월29일
- 2004년09월05일
- 2004년05월23일
- 2004년03월07일
- 2003년05월25일
- 2003년03월16일