전기공사산업기사 (2008년03월02일 기출문제)
1과목 : 전기응용
1번
망간 건전지의 전해액은?
2번
효율 80%의 전열기로 1kWh의 전력을 소비하였을 때 10L의 물의 온도를 약 몇 ℃ 상승 시킬 수 있는가?
3번
유도로에서 주강 500kg을 통전 30분 만에 158700kcal의 열량을 가하여 용해시켰다. 이때 소요 전력은 몇 kW인가? (단, 유도로의 효율은 75%로 한다)
4번
온도 T[K]의 흑채에 단위 면적으로부터 단위 시간에 복사되는 전 복사 에너지(W)는 그 절대온도 T의 몇 제곱에 비례하는가?
5번
다음 사이리스터 중 2단자 양방향 소자는?
6번
제너 다이오드에 관한 설명 중 틀린 것은?
7번
전기 분해에서 패러데이의 법칙은 어느 것이 적합한가? (단, Q[C]=통과한 전기량, K=물질의 전기화학당량, W[g]=석출된 물질의 양, t=통과 시간 I=전류, E[V]=전압을 각각 나타낸다)
8번
rate 동작이라고도 하며 제어 오차가 검출될 때 오차가 변화하는 속도에 비례하여 조작량을 가감하도록 하는 동작은?
9번
시속 100km/h의 열차가 반지름 1000m의 곡선 궤도를 주행할 때, 고도(mm)는 약 얼마인가? (단, 궤간은 1435mm이다.)
10번
전동기의 토크 단위는?
11번
전원으로 일그너 방식을 사용하는 것은?
12번
3상 유도전동기의 회전방향을 반대로 하기 위한 방법으로 옳은 것은?
13번
발광에 양광주를 이용하는 네온등은?
14번
고주파 가열방식에서 유도가열의 용도는?
15번
평균구면광도 100cd의 전구 5개를 지름 10m인 원형의 사무실에 점등할 때, 조명률 0.5, 감광보상률을 1.5라 하면 사무실의 평균조도는 약 몇 lx인가?
16번
전등 효율이 14lm/W인 100W 백열전구의 구면광도는 약 몇 cd인가?
17번
자동 제어의 추치 제어에 속하지 않는 것은?
18번
평행평판 전극 간에 유전체인 피열물을 삽입하고 고주파 전압을 인가하면 피열물 내 유전체손이 발생하여 발열하는 가열방식은?
19번
전기철도에서 궤도(track)의 3요소가 아닌 것은?
20번
방의 폭이 X[m], 길이가 Y[m], 작업면으로부터 광원까지의 높이가 H[m]일 때 실지수 K는?
2과목 : 전력공학
21번
송전 계통에서 1선 지락 고장 시 인접 통신선의 유도장해가 가장 큰 중성점 접지 방식은?
22번
다음 중 원자로에서 독작용을 설명한 것으로 가장 알맞은 것은?
23번
전압이 정정값 이하로 되었을 때 동작하는 것으로서 단락고장검출 등에 사용되는 계전기는?
24번
애자가 갖추어야 할 구비 조건으로 옳은 것은?
25번
송전선에 댐퍼(damper)를 다는 목적은?
26번
공통 중성선 다중접지방식인 22.9[kV]계통에 있어서 사고가 생기면 정전이 되지 않도록 선로 도중이나 분기선에 보호장치를 설치하여 상호 보호 협조로 사고 구간만을 제거할 수 있도록 각 종 개폐기의 설치순서를 옳게 나열한 것은?
27번
송전선로의 안정도 향상 대책으로 옳지 않은 것은?
28번
원자로 내에서 발생한 열에너지를 외부로 끄집어내기 위한 열매체를 무엇이라고 하는가?
29번
송전선로에서 복도체를 사용하는 주된 이유는?
30번
다음 중 송전선의 1선 지락 시 선로에 흐르는 전류를 바르게 나타낸 것은?
31번
3상 3선식 가공 송전선로가 있다. 전선 한 가닥의 저항은 15[Ω], 리액턴스는 20[Ω]이고, 부하전류는 100[A], 부하역률은 0.8로 지상이다. 이때 선로의 전압강하는 약 몇 [V]인가?
32번
차단기의 정격차단 시간은?
33번
동일 송전선로에 있어서 1선 지락의 경우, 지락 전류가 가장 적은 중성점 접지방식은?
34번
전력용 콘덴서에서 방전코일의 역할은?
35번
변전소의 역할에 대한 설명으로 옳지 않은 것은?
36번
피뢰기의 구비조건으로 옳지 않은 것은?
37번
출력 20[kW]의 전동기로서 총양정 10[m] 펌프 효율 0.75일 때 양수량은 몇[m3/min]인가?
38번
부하역률이 cosø인 배전선로의 저항 손실은 같은 크기의 부하전력에서 역률 1일 때의 저항손실과 비교하면? (단, 역률 1일 때의 저항손실을 1로 한다.)
39번
고압 가공 배전선로에서 고장, 또는 보수 점검 시, 정전 구간을 축소하기 위하여 사용되는 것은?
40번
흡출관이 필요 없는 수차는?
3과목 : 전기기기
41번
다음 중 변압기유가 갖추어야 할 조건으로 옳은 것은?
42번
시라게 전동기의 특성과 가장 가까운 전동기는?
43번
직류 분권 전동기의 운전 중 계자저항기의 저항을 증가하면 속도는 어떻게 되는가?
44번
2개의 사이리스터로 단상전파정류를 하여 90[V]의 직류 전압을 얻는데 필요한 최대 첨두역전압[V]은 약 얼마인가?
45번
25[kW],125[V],1200[rpm]의 타여자발전기가 있다. 전기자 저항(브러시포함)은 0.04[Ω]이다. 정격상태에서 운전하고 있을 때 속도를 200[rpm]으로 늦추었을 경우 부하전류[A]는 어떻게 변화하는가? (단, 전기자 반작용은 무시하고 전기자 회로 및 부하저항 값은 변하지 않는다고 한다.)
46번
직류 분권전동기의 공급 전압의 극성을 반대로 하면 회전 방향은 어떻게 되는가?
47번
유도전동기의 슬립 s의 범위는?
48번
변압기의 내부 고장 보호에 쓰이는 계전기는?
49번
동기 전동기에서 난조를 방지하기 위하여 자극면에 설치하는 권선은?
50번
부하에 관계없이 변압기에 흐르는 전류로서 자속만을 만드는 것은?
51번
유도전동기의 제동법이 아닌 것은?
52번
단상 직권 정류자 전동기는 그 전기자 권선의 권선수를 계자 권수에 비해서 특히 많게 하고 있는 이유를 설명한 것으로 옳지 않은 것은?
53번
단상 변압기 2대를 사용하여 3상 전원에서 2상 전압을 얻고자 할 때 가장 적합한 결선은?
54번
단상변압기에서 1차 전압은 3300[V]이고, 1차측 무부하 전류는 0.09[A], 철손은 115[W]이다. 이때 자화 전류[A]는 약 얼마인가?
55번
3상 동기발전기의 단락비를 산출하는데 필요한 시험은?
56번
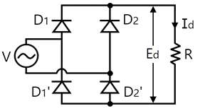
그림의 단상 전파정류회로에서 교류측 공급전압 628sin314t, 직류측 부하저항 20[Ω]일 때의 직류측 부하전류의 평균치 Id[A] 및 직류측 부하전압의 평균치 Ed[V]는?

57번
다음 정류 방식 중 맥동률이 가장 작은 방식은?
58번
어떤 정류기의 부하 전압이 2000[V]이고 맥동률이 3[%]이면 교류분은 몇 [V]포함되어 있는가?
59번
정격속도로 회전하고 있는 분권 발전기가 있다. 단자전압 100[V], 계자권선의 저항은 50[Ω], 계자 전류 2[A], 부하전류 50[A], 전기자저항 0.1[Ω]이다. 이때 발전기의 유기 기전력은 몇 [V]인가? (단, 전기자 반작용은 무시한다.)
60번
3상 6극 슬롯수 54의 동기 발전기가 있다. 어떤 전기자 코일의 두 변이 제1슬롯과 제8슬롯에 들어 있다면 기본파에 대한 단절권 계수는 얼마인가?
4과목 : 회로이론
61번
전달함수 C(S)=G(s)R(s)에서 입력함수를 단위 임펄스 즉, δ(t)로 가할 때 계의 응답은?
62번
그림과 같은 회로에서 t=0인 순간에 스위치 S를 닫았다. 이 순간에 인덕턴스 L에 걸리는 전압은? (단, L의 초기 전류는 0이다.)

63번
R[Ω]의 3개의 저항을 전압 E[V]의 3상 교류 선간에 그림과 같이 접속할 때 선전류 [A]는 얼마인가?

64번
그림과 같은 2단자 망에서 구동점 임피던스를 구하면?

65번
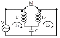
그림과 같은 캠벨브리지(Campbell bridge)회로에 있어서 I2가 0이 되기 위한 C의 값은?

66번
그림과 R-L-C 직렬회로에서 입력을 전압 ei(t) 출력을 전류 i(t)로 할 때 이 계의 전달함수는?

67번
어떤 교류회로에
의 전압을 가할 때 회로에 흐르는 전류가
라 한다. 이 회로에서 소비되는 전력 [W]은?
의 전압을 가할 때 회로에 흐르는 전류가
라 한다. 이 회로에서 소비되는 전력 [W]은?
68번
대칭 3상 Y결선 부하에서 1상당의 부하 임피던스가 Z=16+j12[Ω] 이다. 부하전류가 10[A]일 때 이 부하의 선간전압은 약 몇 [V]인가?
69번
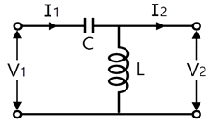
그림과 같은 L형 회로의 4단자 ABCD 정수 중 A는?

70번
단자전압의 각 대칭분
가 0이 아니고 같게 되는 고장의 전류는?
가 0이 아니고 같게 되는 고장의 전류는?
71번
의 역 Laplace 변환을 구하면 어떻게 되는가?
의 역 Laplace 변환을 구하면 어떻게 되는가?
72번
파형이 반파 정류파일 때 파고율은?
73번
정현파 교류
를 복소수의 극좌표 형식으로 표시하면?
를 복소수의 극좌표 형식으로 표시하면?
74번
f(t)=sin+2cost를 라플라스 변환하면?
75번
그림과 같은 이상변압기에 대하여 성립되지 아니하는 관계식은? (단, n1, n2는 1차 및 2차 코일의 권수, n은 권수비 : n=n1/n2)

76번
리액턴스 2단자 회로망의 임피던스 함수 Z(jω)=jX(ω)라 놓을 때 는 어떻게 되는가?
77번
R-L 직렬회로에서 스위치 S를 닫아 직류전압 E[V]를 회로 양단에 급히 가한 후 L/R(초) 후의 전류 I[A] 값은?
78번
다음 회로에서 부하 RL에 최대 전력이 공급될 때의 전력값이 5[W]라고 할 때 RL+Ri의 값은 몇 [Ω]인가? (단, Ri는 전원의 내부저항이다.)

79번
그림과 같은 회로에서 선형저항 3[Ω] 양단의 전압은 몇 [V]인가?

80번
그림과 같은 톱니파형의 실효값은?

5과목 : 전기설비
81번
지선을 사용하여 그 강도를 분담시켜서는 아니 되는 가공전선로의 지지물은?
82번
지중전선로를 직접매설식에 의하여 시설하는 경우에는 그 매설깊이를 차량 기타 중량물의 압력을 받을 우려가 없는 장소에서는 몇 [㎝]이상으로 하면 되는가?
83번
다음 중 옥내에 시설하는 저압전선으로 나전선을 사용하여서는 아니 되는 경우는?
84번
다음 중 저압 접촉전선을 절연 트롤리 공사에 의하여 시설하는 경우에 대한 기준으로 옳지 않은 것은? (단, 기계기구에 시설하는 경우가 아닌 것으로 한다.)
85번
진열장 안의 사용전압이 400[V] 미만인 저압 옥내배선으로 외부에서 보기 쉬운 곳에 한하여 시설 할 수 있는 전선은? (단, 진열장은 건조한 곳에 시설하고 또한 진열장 내부를 건조한 상태로 사용하는 경우이다.)
86번
다음 중 전로의 중성점 접지의 목적으로 거리가 먼 것은?
87번
고압 가공전선이 가공 약전류전선 등과 접근하는 경우는 고압 가공전선과 가공 약전류전선 등 사이의 이격거리는 몇 [㎝]이 이상이어야 하는가? (단, 전선이 케이블인 경우)
88번
다음 중 파이프라인 등에 발열선을 시설하는 기준에 대한 설명으로 옳지 않은 것은?
89번
저압전로를 절연변압기로 결합하여 특별고압 가공전선로의 철탑 최상부에 설치한 항공 장해 등에 이르는 저압전로가 있다. 이 절연변압기의 부하측 1단자 또는 중성점에는 제 몇 종 접지공사를 하여야 하는가?
90번
가공전선로의 지지물에 시설하는 통신선 또는 이에 직접 접속하는 가공 통신선의 높이는 철도 또는 궤도를 횡단하는 경우에는 레일면상 몇 [m]이상으로 하여야 하는가?
91번
유도장해를 방지하기 위하여 사용전압 60000[V] 이하인 가공 전선로의 유도전류는 전화선로의 길이 12[Km] 미다 몇 [μA] 를 넘지 않도록 하여야 하는가?
92번
다음 ( ) 안에 알맞은 것은?

93번
저압전로에서 그 전로에 지락이 생긴 경우에 0.5초 이내에 자동적으로 전로를 차단하는 장치를 시설하는 경우, 자동차단기의 정격감도전류가 200[mA]이면 특별 제3종 접지공사의 접지저항값은 몇 [Ω] 이하로 하여야 하는가? (단, 물기가 있는 장소인 경우이다.)
94번
전기설비기술기준상 전력계통의 운용에 관한 지시 및 급전조작을 하는 곳으로 정의되는 것은?
95번
제1종 접지공사의 접지선은 인장강도 1.04[kN] 이상의 금속선 또는 지름이 몇 [㎜] 이상의 연동선이어야 하는가?
96번
금속제 외함을 가진 저압의 기계·기구로서 사람이 쉽게 접촉할 우려가 있는 곳에 시설하는 경우 전로에 지락이 생겼을 때 사용 전압이 최소 몇 [V]를 초과하는 경우를 자동적으로 전로를 차단하는 장치를 시설하여야 하는가?
97번
갑종 풍압하중을 계산할 때 강관에 의하여 구성된 철탑에서 구성재의 수직투영면적 1[m2]에 대한 풍압하중은 몇 [Pa]를 기초로 하여 계산한 것인가? (단, 단주는 제외한다.)
98번
터널 등에 시설하는 사용전압이 220[V]인 전압의 전구선으로 방습 코드를 사용하는 경우 단면적은 몇 [mm2] 이상이어야 하는가?
99번
특별고압 가공전선이 도로 등과 교차하여 도로 상부측에 시설할 경우에 보호망도 같이 시설하려고 한다. 보호망은 제 몇 종 접지공사로 하여야 하는가?
100번
다음 중 고압 옥내배선의 시설로서 알맞은 것은?
연도별
- 2020년08월22일
- 2020년06월06일
- 2019년09월21일
- 2019년04월27일
- 2019년03월03일
- 2018년09월15일
- 2018년04월28일
- 2018년03월04일
- 2017년09월23일
- 2017년05월07일
- 2017년03월05일
- 2016년10월01일
- 2016년05월08일
- 2016년03월06일
- 2015년09월19일
- 2015년05월31일
- 2015년03월08일
- 2014년09월20일
- 2014년05월25일
- 2014년03월02일
- 2013년09월28일
- 2013년06월02일
- 2013년03월10일
- 2012년09월15일
- 2012년05월20일
- 2012년03월04일
- 2011년10월02일
- 2011년06월12일
- 2011년03월20일
- 2010년09월05일
- 2010년05월09일
- 2010년03월07일
- 2009년08월30일
- 2009년05월10일
- 2009년03월01일
- 2008년09월07일
- 2008년05월11일
- 2008년03월02일
- 2007년09월02일
- 2007년05월13일
- 2007년03월04일
- 2006년05월14일
- 2006년03월05일
- 2005년05월29일
- 2004년09월05일
- 2004년05월23일
- 2004년03월07일
- 2003년05월25일
- 2003년03월16일