전기공사산업기사 (2003년03월16일 기출문제)
1과목 : 전기응용
1번
다음 중 잘못된 것은?
2번
20[W], 형광등(안정기 손실 5[W])과 60[W] 백열 전구를 사용하는 수용가에 대하여 항목별 조사내용에 따른 계산 결과는 다음과 같다. 이때 경제성을 비교하면 형광등은 백열전구에 대해서 약 몇 % 의 비용이 드는가? (단, 1년간 점등시간을 2000 시간으로 했음)

3번
알루미늄, 마그네슘의 용접에 가장 적당한 용접 방법은?
4번
전원으로 일그너 방식을 사용하는 것은?
5번
자동차 기타 차량 공업, 기계 및 전기 기계기구, 기타의 금속 제품의 도장을 건조하는데 이용되는 가열은?
6번
열전 온도계의 원리는?
7번
5[kg]의 강재를 20[℃]에서 85[℃]까지 35초 사이에 가열하면 몇[kw]의 전력이 필요한가? (단, 강재의 평균 비열은 0.15[kcal/℃ kg]이고 강재에서 온도의 방사는 생각하지 않는다.)
8번
적분 요소의 전달함수는?
9번
망간 건전지의 전해액은?
10번
전식 방지법이 아닌 것은?
11번
전동기를 발전기로 운전시키고 그유도 전압을 전원전압보다 높게하여 발생전력을 전원에 반환하는 방식의 제동은?
12번
직권 정류자 전동기는 다음에 분류하는 전동기중 어디에 속하는가?
13번
직류전원 전압을 안정하게 유지하기 위하여 사용되는 다이오드는?
14번
점광원 150[cd]에서 5[m]떨어진 거리에서, 그방향과 직각인 면과 기울기 60° 로 설치된 간판의 조도[lx]는?
15번
전해 콘덴서의 제조나 재생고무의 제조등에 주로 응용하는 현상은?
16번
전압 증폭 소자로서 적합한 전계효과 트랜지스터(FET)를 맞게 설명한 것은?
17번
광질과 특색이 고휘도이고 광색은 적색 부분이 비교적 많은 편이고 발생광속이 많고 흑화가 거의 일어나지 않는 전등은?
18번
구면광도의 평균치가 150[㏅]인 광원으로부터 발산되는 총광속[lm]은 얼마인가?
19번
교류 200[V], 정류기 전압강하 10[V]인 단상반파 정류 회로의 저항부하의 직류 전압[V]은?
20번
30[t]의 전차가 30[‰]의 경사를 올라 가는데 요하는 견인력[㎏]은 얼마인가? 단, 열차 저항은 무시한다.
2과목 : 전력공학
21번
3상용 차단기의 정격차단용량은?
22번
특유 속도를 선정할 때 그 한계를 표시하는 식으로
이 사용되는 수차는?
이 사용되는 수차는?
23번
ACSR은 동일한 길이에서 동일한 전기저항을 갖는 경동 연선에 비하여 어떠한가?
24번
3상 1회선 송전선로의 소호리액터의 용량은?
25번
동기조상기와 전력용콘덴서를 비교할 때 전력용콘덴서의 이점으로 옳은 것은?
26번
뇌서지와 개폐서지의 파두장과 파미장에 대한 설명으로 옳은 것은?
27번
송전선 보호에 있어서 주로 교류 표시선 방식인 표시선 계전방식(pilot wire relaying)에 해당되는 것은?
28번
비접지 3상3선식 배전선로에서 선택지락보호를 하려고 한다. 필요하지 않은 것은?
29번
정격전압 1차 6600V, 2차 220V의 단상변압기 2대를 승압기로 V 결선하여 6300V의 3상전원에 접속하면 승압된 전압은 약 몇 V 인가?
30번
그림과 같이 D[m]의 간격으로 반지름 r[m]의 두 전선 a, b가 평행하게 가선되어 있는 경우, 작용인덕턴스는 몇 mH/km 인가?

31번
지중 케이블에서 고장점을 찾는 방법이 아닌 것은?
32번
설비 A의 설비용량이 150kW, 설비 B의 설비용량이 350kW일 때 수용률이 각각 0.6 및 0.7일 경우, 합성최대전력이 279kW이면 부등률은 약 얼마인가?
33번
선간거리가 2D[m]이고 선로 도선의 지름이 d[m]인 선로의 단위 길이당 정전용량은 몇 μF/km 인가?
34번
장거리송전선에서 단위길이당 임피던스 Z=r+jωL[Ω/km], 어드미턴스 Y=g+jωC[Ω/km]라 할 때 저항과 누설콘덕턴스를 무시하는 경우 특성임피던스의 값은?
35번
전력계통의 전압을 조정하는 가장 보편적인 방법은?
36번
송전계통의 안정도를 증진시키는 방법이 아닌 것은?
37번
그림과 같은 3상3선식 전선로의 단락점에 있어서의 3상단락전류는 몇 A 인가? (단, 22kV에 대한 %리액턴스는 4%, 저항분은 무시한다.)

38번
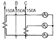
그림과 같이 200/5 인 변류기의 1차측에 150A의 3상 평형 전류가 흐를 때 전류계 A3에 흐르는 전류는 몇 A 인가?

39번
송전선로의 중성점을 접지하는 목적은?
40번
발열량 5500kcal/kg의 석탄 10ton을 연소하여 24000kWh의 전력을 발생하는 화력발전소의 열효율은 약 몇 % 인가?
3과목 : 전기기기
41번
정류방식 중에서 맥동율이 가장 작은 회로는?
42번
정격전압이 일정하고 일정한 파형에서 주파수가 상승하면 변압기 철손은 어떻게 변하는가?
43번
100[kw], 효율 93[%]인 직류발전기를 3상 유도 전동기에 직결하여 운전할때, 전동기 유입 전류를 구하시오. (단, 전동기의 단자전압은 3300[V], 효율95[%], 역률85[%]이다.)
44번
3상 동기발전기에 3상전류(평형)가 흐를때 전기자 반작용은 이 전류가 기전력에 대하여 A 때 감자작용이 되고 B일때 자화작용이 된다. A, B의 적당한 것은?
45번
10[KW], 3상, 200[V] 유도전동기의 전부하 전류[A]는? (단, 효율 및 역률 85[%])
46번
용량 1[KVA], 3000/200[V]의 단상 변압기를 단권변압기로 결선해서 3000/3200[V]의 승압기로 사용할 때 그 부하용량[KVA]는?
47번
60[Hz], 슬립 3[%], 회전수 1164[rpm]인 유도전동기의 극수는?
48번
직권 전동기에서 위험 속도가 되는 경우는?
49번
어떤 변압기의 백분율 저항 강하가 2[%], 백분율 리액턴스 강하가 3[%]라 한다. 이 변압기로 역률이 80[%]인 부하에 전력을 공급하고 있다. 이 변압기의 전압 변동률[%]는?
50번
변압기 권선의 층간 절연시험은?
51번
25[kw], 125[V], 1,200[rpm]의 직류 타여자 발전기가 있다. 전기자 저항(브러시 저항포함)은 0.4[Ω]이다. 이 발전기를 정격 상태에서 운전하고 있을때 속도를 200[rpm]으로 저하 시켰다면 발전기의 유기기전력은 어떻게 변화하겠는가? (단, 정상 상태에서 유기기전력을 E라 한다)
52번
권선형 유도전동기의 슬립 S에 있어서의 2차 전류는? (단, E2, X2는 전동기 정지시의 2차 유기전압과 2차 리액턴스로 하고, R2는 2차 저항으로 한다.)
53번
3상 동기 발전기의 전기자 반작용은 부하의 성질에 따라다르다. 잘못 설명한 것은?
54번
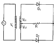
그림과 같은 단상 전파 정류 회로를 사용하여 직류전압 100[V]를 얻으려고 한다. 회로에 사용한 D1, D2 는 몇 [V]의 PIV인 다이오드를 사용해야 하는가? (단, 부하는 무유도 저항이고 정류회로 및 변압기내의 전압강하는 무시한다.)

55번
동기 발전기에 회전 계자형을 사용하는 경우가 많다. 그 이유에 적합하지 않은 것은?
56번
T-결선에 의하여 3300[V]의 3상으로부터 200[V], 40[KVA]의 전력을 얻는 경우 T 좌 변압기의 권수비는?
57번
SCR의 설명중 옳지 않은 것은?
58번
전원전압 100[V]인 단상전파제어 정류에서 점호각이 30° 일때 직류 평균 전압 [V]은?
59번
60[Hz], 20[극], 3상 권선형 유도전동기의 2차 주파수가 3[Hz]일 때 2차 손실이 600[W]이다. 토크[Kg∙m]는? (단, 기계적 손실은 무시한다)
60번
직류전동기의 공급전압을 V[V], 자속을 ø[Wb], 전기자 전류를 I[A], 전기자저항을 Ra[Ω], 속도를 N[rpm]라 할 때 속도식은? (단, k 는 상수이다)
4과목 : 회로이론
61번
비정현파의 이그러짐의 정도를 표시하는 양으로서 왜형률 이란?
62번
최대눈금이 50[V]인 직류전압계가 있다. 이전압계를 써서 150[V]의 전압을 측정하려면 몇 [Ω]의 저항을 배율기로 사용하여야 되는가? (단, 전압계의 내부저항은 5000[Ω]이다.)
63번
정전용량 C만의 회로에 100[V], 60[Hz]의 교류를 가하니 60[mA]의 전류가 흐른다. C는 얼마인가?
64번
△결선된 부하를 Y결선으로 바꾸면 소비전력은 어떻게 되겠는가? (단, 선간전압은 일정하다)
65번
인덕턴스 L=50[mH]의 코일에 I0 = 200[A]의 직류를 흘려 급히 그림과 같이 용량 C=20[μF]의 콘덴서에 연결할 때 회로에 생기는 최대전압[KV]는?

66번
회로에서 스위치 S를 닫았을 때 시정수[S]의 값은? (단, L = 10[mH], R = 20[Ω]이다)

67번
전장 중에 단위 정전하를 놓을때 여기에 작용하는 힘과 같은 것은?
68번
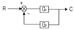
그림과 같은 궤환회로의 종합 전달함수는?

69번
어느 회로에 전압과 전류의 실효값이 각각 50[V], 10[A]이고, 역률이 0.8이다. 무효전력[Var]은?
70번
R[Ω]인 3개의 저항을 같은 전원에 뽁결선으로 접속시킬 때와 Y결선으로 접속시킬 때 선전류의 크기비(I△/IY)는?
71번
이상적인 변압기로 구성된 4단자 회로에서 정수 D 를 구하면?

72번
4단자 회로망의 4정수 A, B, C, D중 출력단자 3-4가 개방 되었을 때의 V1/V2인 A의 값은?

73번
그림과 같은 회로의 전달함수는? (단, ei는 입력, eo는 출력신호이다.)

74번
저항과 리액턴스의 직렬 회로에
=14+j38[V]인 교류 전압을 가하니
=6+j2[A]의 전류가 흐른다. 이 회로의 저항과 리액턴스는 얼마인가?
=14+j38[V]인 교류 전압을 가하니
=6+j2[A]의 전류가 흐른다. 이 회로의 저항과 리액턴스는 얼마인가?
75번
저항과 콘덴서를 병렬로 접속한 회로에 직류 100[V]를 가하면 5[A]가 흐르고, 교류 300[V]를 가하면 25[A]가 흐른다. 이때 콘덴서의 리액턴스 [Ω]는?
76번
3상 불평형 전압에서 불평형률은?
77번
일때 f(t)의 초기값은 얼마인가?
일때 f(t)의 초기값은 얼마인가?
78번
3상 불평형회로가 있다. 각상 전압이
=220[V],
=220∠-140°[V],
=220∠100° [V]일 때 정상분전압 V1[V]는?
=220[V],
=220∠-140°[V],
=220∠100° [V]일 때 정상분전압 V1[V]는?
79번
주기적인 구형파의 신호의 합성은 어떤 현상인가?
80번
구형파의 파고율은?
5과목 : 전기설비
81번
금속덕트공사에 의한 저압 옥내배선의 시설방법으로 적합하지 않은 것은?
82번
고압 가공전선에 케이블을 사용하는 경우의 조가용선 및 케이블의 피복에 사용하는 금속체에는 몇 종 접지공사를 하여야 하는가?
83번
가공전선로에 사용하는 지지물의 강도계산에 적용하는 갑종풍압하중은 지지물이 목주, 원형철주, 원형철근콘크리트주인 경우 수직투영면적 1m2에 대하여 몇 kgf의 풍압을 기초로 하여 계산하는가?
84번
건조한 곳에 시설하고 또한 내부를 건조한 상태로 사용하는 쇼윈도안의 사용전압이 400V미만인 저압 옥내배선의 전선은?
85번
고압전로와 비접지식의 저압전로를 결합하는 변압기로서 그 고압권선과 저압권선간에 금속제의 혼촉방지판이 붙어 있고 이 혼촉방지판에 제2종접지공사를 한 것에 접속하는 저압전선을 옥외에 시설할 때 사용할 수 있는 것은?
86번
특별고압 가공전선로의 지지물 양측의 경간의 차가 큰 곳에 사용되는 철탑은?
87번
전력보안통신설비로 무선용안테나 등의 시설에 관한 설명으로 옳은 것은?
88번
"관등회로"라고 하는 것은?
89번
전동기 등에만 이르는 저압 옥내전로의 과전류차단기는 그 과전류차단기에 직접 접속하는 부하측의 전선의 허용 전류가 40A인 경우 정격전류가 몇 A 이하인 것을 사용하 여야 하는가?
90번
저압 옥내간선에서 분기하여 전기사용 기계기구에 이르는 저압 옥내전로는 저압 옥내간선과의 분기점에서 전선의 길이가 몇 m 이하인 곳에 개폐기 및 과전류차단기를 시설 하여야 하는가?
91번
최대사용전압이 6600V인 3상 유도전동기의 권선과 대지 사이의 절연내력시험전압은 몇 V 인가?
92번
전로에 시설하는 400V 이상의 저압용 기계기구의 철대 및 금속제 외함에는 제 몇 종 접지공사를 하여야 하는가?(관련 규정 개정전 문제로 여기서는 기존 정답인 4번을 누르면 정답 처리됩니다. 자세한 내용은 해설을 참고하세요.)
93번
600V 비닐절연전선을 사용한 저압 가공전선이 위쪽에서 상부 조영재와 접근하는 경우의 전선과 상부 조영재간의 이격거리는 최소 몇 m 인가?
94번
가공직류 전차선 또는 이와 전기적으로 접속하는 조가용선이 가공약전류전선 등과 접근되어 시설되는 경우, 가공약전류전선 등과의 수평거리는 전차선로의 사용전압이 고압인 경우에는 최소 몇 m 이상으로 하면 되는가?
95번
소맥분, 전분, 유황 등의 가연성 분진이 존재하는 공장에 전기설비가 발화원이 되어 폭발할 우려가 있는 곳의 저압옥내배선에 적합하지 못한 공사는?
96번
일정 용량이상의 조상기에는 그 내부에 고장이 생긴 경우에 자동적으로 이를 전로로부터 차단하는 장치를 하여야 하는데 그 용량은 몇 kVA 이상인가?
97번
시가지의 고압 가공전선로에는 그 선로길이 몇 km 이하 마다 개폐기를 시설하여야 하는가?
98번
지중전선로에 사용하는 지중함의 시설기준으로 옳지 않은 것은?
99번
옥내에 시설하는 사용전압이 400V 미만인 전구선으로 캡타이어 케이블을 사용할 경우, 단면적이 몇 mm2 이상 인 것을 사용하여야 하는가?
100번
저압 연접인입선은 인입선에서 분기하는 점으로부터 몇 m 를 넘는 지역에 미치지 아니하여야 하는가?
연도별
- 2020년08월22일
- 2020년06월06일
- 2019년09월21일
- 2019년04월27일
- 2019년03월03일
- 2018년09월15일
- 2018년04월28일
- 2018년03월04일
- 2017년09월23일
- 2017년05월07일
- 2017년03월05일
- 2016년10월01일
- 2016년05월08일
- 2016년03월06일
- 2015년09월19일
- 2015년05월31일
- 2015년03월08일
- 2014년09월20일
- 2014년05월25일
- 2014년03월02일
- 2013년09월28일
- 2013년06월02일
- 2013년03월10일
- 2012년09월15일
- 2012년05월20일
- 2012년03월04일
- 2011년10월02일
- 2011년06월12일
- 2011년03월20일
- 2010년09월05일
- 2010년05월09일
- 2010년03월07일
- 2009년08월30일
- 2009년05월10일
- 2009년03월01일
- 2008년09월07일
- 2008년05월11일
- 2008년03월02일
- 2007년09월02일
- 2007년05월13일
- 2007년03월04일
- 2006년05월14일
- 2006년03월05일
- 2005년05월29일
- 2004년09월05일
- 2004년05월23일
- 2004년03월07일
- 2003년05월25일
- 2003년03월16일