2005년08월07일 1번
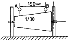
[기계제작법] 그림과 같은 고정구에 의하여 테이퍼 1/30의 검사를 할 때 A로부터 B까지의 다이얼 게이지를 이동시키면 다이얼 게이지의 지시 눈금의 차는 얼마인가?

- ① 3.0㎜
- ② 3.5㎜
- ③ 5.0㎜
- ④ 2.5㎜
(정답률: 알수없음)
문제 해설
고정구에 의해 테이퍼 1/30의 검사를 한다는 것은, A와 B 사이의 거리가 30배 더 멀어진다는 것을 의미합니다. 따라서 다이얼 게이지의 지시 눈금도 30배 더 커지게 됩니다. 이때, A에서 B까지의 거리는 75mm이므로, 다이얼 게이지의 지시 눈금의 차는 75mm의 1/30인 2.5mm가 됩니다. 따라서 정답은 "2.5㎜"입니다.
이전 문제
다음 문제
연도별
- 2021년08월14일
- 2020년08월22일
- 2020년06월06일
- 2019년08월04일
- 2019년03월03일
- 2018년03월04일
- 2017년08월27일
- 2017년03월05일
- 2016년08월21일
- 2016년03월06일
- 2015년08월16일
- 2015년03월08일
- 2014년08월17일
- 2014년03월02일
- 2013년08월18일
- 2013년03월10일
- 2012년08월26일
- 2012년03월04일
- 2011년08월21일
- 2011년03월20일
- 2010년07월25일
- 2010년03월07일
- 2009년07월26일
- 2009년03월01일
- 2008년07월27일
- 2008년03월02일
- 2007년03월04일
- 2006년03월05일
- 2005년08월07일
- 2005년03월06일
- 2004년08월08일
- 2004년03월07일
- 2003년08월10일
- 2003년03월16일
진행 상황
0 오답
0 정답