건축산업기사 (2016년03월06일 기출문제)
1과목 : 건축계획
1번
업무시설 중 사무소에서 장애인 등의 편의를 위해 건축물의 주출입구에 턱낮추기를 하는 경우, 주출입구와 통로의 높이 차이는 최대 얼마 이하가 되도록 하여야 하는가?
2번
주택 식당의 배치 유형 중 다이닝 키친(DK형)에 관한 설명으로 옳은 것은?
3번
더운 지방의 좁은 대지 조건에 적절한 형식으로 각 주호 공동의 옥외 정원을 갖는 주택 형식은?
4번
건축설계과정에 관한 설명으로 옳지 않은 것은?
5번
근린생활권에 관한 설명으로 옳지 않은 것은?
6번
사무소 건축에서 엘리베이터 조닝(zoning)에 관한 설명으로 옳지 않은 것은?
7번
듀플렉스형 공동주택에 관한 설명으로 옳지 않은 것은?
8번
학교의 운영방식에 관한 설명으로 옳지 않은 것은?
9번
양식주택과 비교한 한식주택의 특징 설명으로 옳지 않은 것은?
10번
공장건축의 형식 중 집중형(block type)에 관한 설명으로 옳지 않은 것은?
11번
학교건축의 교실 배치 유형 중 클러스터형을 가장 올바르게 설명한 것은?
12번
주택설계의 기본방향과 가장 거리가 먼 것은?
13번
상점건축에서 쇼윈도우(show window)의 눈부심을 방지하는 방법으로 옳지 않은 것은?
14번
학교건축에 관한 설명으로 옳지 않은 것은?
15번
아파트 건축의 평면형식에 관한 설명으로 옳지 않은 것은?
16번
아파트 단지 내 어린이 놀이터 계획에 관한 설명으로 옳지 않은 것은?
17번
오피스 건축에 사용되는 아트리움에 관한 설명으로 옳지 않은 것은?
18번
상점 건축의 매장 내 쇼케이스(show case)를 배치할 때 고려할 사항과 가장 거리가 먼 것은?
19번
사무소 건축의 엘리베이터계획에 관한 설명으로 옳지 않은 것은?
20번
다음 중 고층 사무소 건물의 코어 내에 들어가는 공간으로 가장 부적당한 것은?
2과목 : 건축시공
21번
침엽수에 관한 설명으로 옳지 않은 것은?
22번
입찰 및 계약제도에 관한 설명으로 옳은 것은?
23번
콘크리트 배합설계 시 용적계산에 포함시켜야 하는 혼화재료는?
24번
지붕재료로 적당하지 않은 것은?
25번
콘크리트 강도에 관한 설명으로 옳지 않은 것은?
26번
벽돌 쌓기 시 주의사항으로 옳지 않은 것은?
27번
일반적으로 기준층의 철근공사에서 철근 조립 시 배근순서로 옳은 것은?
28번
네트워크 공정표에 관한 설명으로 옳지 않은 것은?
29번
콘크리트 구조물의 크리프(Creep)의 증가원인으로 옳지 않은 것은?
30번
지붕재료의 요구 성능으로 옳지 않은 것은?
31번
슬래브 및 보 밑 거푸집 설계 시 고려하는 하중과 가장 거리가 먼 것은?
32번
공통가설공사에 해당되지 않는 것은?
33번
기초말뚝의 허용지지력을 구하는 방법 중 지지말뚝과 마찰말뚝에 공용으로 사용할 수 있는 방법은?
34번
건설공사 공동도급의 특징이 아닌 것은?
35번
지내력시험의 종류에 해당하지 않는 것은?
36번
원가절감 기법으로 많이 쓰이는 VE(Value Engineering)의 적용대상이 아닌 것은?
37번
프리캐스트 콘크리트 커튼윌의 줄눈폭 허용차는?
38번
건축재료 중 합성수지에 대한 특징으로 옳지 않은 것은?
39번
보강 블록 공사에 대한 설명으로 옳지 않은 것은?
40번
골재의 함수상태에 관한 설명으로 옳지 않은 것은?
3과목 : 건축구조
41번
콘크리트구조에서 허용균열폭 결정 시 고려사항과 가장 거리가 먼 것은?
42번
SN400A로 표기된 강재에 관한 설명으로 옳은 것은?
43번
강구조 기둥 압축재에 대한 설명으로 옳지 않은 것은?
44번
콘크리트에서 보통 골재를 사용하였을 경우 탄성계수비를 구하면? (단, KCI2012기준, fck=24MPa, Es=2.0×105MPa)
45번
강도설계법으로 철근콘크리트보를 설계시 공칭모멘트 강도 Mn=150kN·m, 강도감소계수 ø=0.85일 때 설계모멘트(Mu) 값은?
46번
연약지반에 대한 대책으로 틀린 것은?
47번
그림과 같은 구조물에서 지점 A의 수평반력은?

48번
그림과 같은 2방향 슬래브를 1방향 슬래브로 보고 계산할 수 있는 경우는? (단, L > S 일 경우)

49번
지름 30mm, 길이 5m인 봉강에 50kN의 인장력이 작용하여 10mm 늘어났을 때의 인장응력 σt와 변형률 ε은?
50번
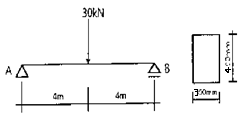
그림과 같은 단순보에서 C점의 처짐값(δc)은? (단, 보의 단면은 600mm×600mm 이고, 탄성계수는 E=2.0×104 MPa이다.)

51번
그림과 같은 목재보의 최대 처짐은? (단, =10,000MPa이고 자중은 무시한다.)

52번
단면 각 부분의 미소면적 dA에 직교좌표 원점까지의 거리 r의 제곱을 곱한 합계를 그 좌표에 대한 무엇이라 하는가?
53번
건축물 전체에 작용하는 풍압력의 크기를 산정할 때 관계 없는 것은?
54번
그림은 강도설계법에서 단근장방형보의 응력도를 표시한 것이다. 압축력 C값으로 옳은 것은? (단, fck=21MPa, fy=300MPa, b=250mm)

55번
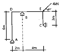
그림과 같이 E점에 4kN의 집중하중이 45° 경사지게 작용했을 때 AD부재의 축 방향력은? (단, + : 인장, ― : 압축)

56번
그림과 같은 겔버보에서 A지점의 수직반력은?

57번
강구조 관련 용어에 관한 설명으로 옳지 않은 것은?
58번
KCI에 따른 나선철근 기둥과 관련된 구조기준으로 틀린 것은?
59번
강도설계법에 의한 철근콘크리트 직사각형 보에서 콘크리트가 부담할 수 있는 공칭전단강도는? (단, fck=24MPa, b=300mm, d=500mm, 경량콘크리트계수는 1)
60번
직경이 50mm이고, 길이가 2m인 강봉에 100kN의 축방향 인장력이 작용할 때 이 강봉의 재축방향 변형량은? (단, 강봉의 탄성계수 E=2.0×105MPa)
4과목 : 건축설비
61번
다음 설명에 알맞은 통기방식은?

62번
분기회로 구성 시 유의사항에 관한 설명으로 옳지 않은 것은?
63번
공기조화방식 중 전공기방식에 관한 설명으로 옳지 않은 것은?
64번
급수의 오염 원인과 가장 거리가 먼 것은?
65번
다음과 같은 조건에서 북측에 위치한 면적 12m2인 콘크리트 외벽체를 통한 관류에 의한 손실 열량은?

66번
건축화조명방식 중 천장면 이용방식에 속하지 않는 것은?
67번
백화점에서의 밀도율 산정방법으로 옳은 것은? (단, A : 2층 이상 매장면적 합계(m2), CTU: 수송능력 합계(엘리베이터, 에스컬레이터 총 수송능력)(인/h) 이다. )
68번
금속관에 부설되는 전선의 절연피복을 포함한 총 단면적은 금속관 내 단면적의 최대 몇 % 이하가 되어야 하는가?
69번
건구온도 20℃, 상대습도 50%인 습공기 1000m3/h를 30℃로 가열하였을 때 가열량(현열)은? (단, 습공기의 밀도는 1.2kg/m3, 비열은 1.01kJ/kg·K 이다.)
70번
옥내 수평주관에 사용하며, 공공 하수관으로부터의 유독가스를 차단하기 위해 사용하는 트랩은?
71번
다음 중 소방시설에 속하지 않는 것은?
72번
급탕설비에 관한 설명으로 옳지 않은 것은?
73번
다음과 같은 조건에서 냉방시 외기 3000m3/h가 실내로 인입될 때 외기에 의한 현열 부하는?

74번
터보식 냉동기에 관한 설명으로 옳지 않은 것은?
75번
LPG와 LNG에 관한 설명으로 옳은 것은?
76번
급수방식에 관한 설명으로 옳지 않은 것은?
77번
보일러의 스케일(Scale)에 관한 설명으로 옳지 않은 것은?
78번
배관의 신축이음 방법에 속하지 않는 것은?
79번
증기난방과 비교한 온수난방의 특징으로 옳지 않은 것은?
80번
공기조화설비에서 에너지 절약을 위한 방법으로 옳지 않은 것은?
5과목 : 건축관계법규
81번
다음은 공동주택의 환기설비에 관한 기준 내용이다. ( )안에 알맞은 것은?(단, 공동주택의 세대수가 100세대 이상인 경우)

82번
다음은 건축법령상 다세대주택의 정의이다. ( )안에 알맞은 것은?

83번
공작물을 축조(건축물과 분리하여 축조하는 것을 말한다)할 때 특별자치시장·특별자치도지사 또는 시장·군수·구청장에게 신고를 하여야 하는 대상 공작물 기준으로 옳은 것은?(2020년 12월 15일 개정된 규정 적용됨)
84번
다음 그림과 같은 대지의 대지 면적은?

85번
건축허가신청에 필요한 기본설계도서 중 배치도에 표시하여야 할 사항에 속하지 않는 것은?
86번
승용승강기 설치 대상 건축물에서 승용승강기 설치 대수 산정에 직접적으로 이용되는 것은?
87번
건축법령상 주요구조부에 속하는 것은?
88번
대지에 조경 등의 조치를 하여야 하는 건축물은? (단, 면적이 200m2 이상인 대지에 건축을 하는 경우)
89번
연면적 200m2를 초과하는 건축물에 설치하는 계단에 관한 기준 내용으로 옳지 않은 것은?
90번
부설주차장 설치대상 시설물이 숙박시설인 경우, 부설주차장 설치기준 내용으로 옳은 것은?
91번
주차장법령상 다음과 같이 정의되는 주차장의 종류는?

92번
다음은 피난계단의 설치에 관한 기준 내용이다. ( )안에 알맞은 것은?(단, 갓복도식 공동주택 제외)

93번
특별피난계단의 구조에 관한 기준 내용으로 옳지 않은 것은?
94번
다음은 사용승인신청과 관련된 기준 내용이다. ( )안에 알맞은 것은?

95번
다음 중 허가대상건축물이라 하더라도 미리 특별자치시장 · 특별자치도지사 또는 시장 · 군수 · 구청장에게 국토교통부령으로 정하는 바에 따라 신고를 하면 건축허가를 받은 것으로 볼 수 있는 경우에 관한 기준 내용으로 옳지 않은 것은?(단, 3층 미만의 건축물인 경우)
96번
노외주차장의 출입구 너비는 최소 얼마 이상으로 하여야 하는가? (단, 주차대수 규모가 30대인 경우)
97번
주차장 주차단위구획의 크기 기준으로 옳은 것은?(단, 평행주차형식인 경우이며, 일반형)
98번
국토의 계획 및 이용에 관한 법령상 공동주택 중심의 양호한 주거환경을 보호하기 위하여 지정하는 지역은?
99번
국토의 계획 및 이용에 관한 법률에 따른 용도 지역의 건폐율 기준으로 옳지 않은 것은?
100번
다음은 같은 건축물 안에 공동주택과 위락시설을 함께 설치하고자 하는 경우에 관한 기준 내용이다. ( )안에 알맞은 것은?

연도별
- 2020년08월22일
- 2020년06월06일
- 2019년08월04일
- 2019년04월27일
- 2019년03월03일
- 2018년08월19일
- 2018년04월28일
- 2018년03월04일
- 2017년08월26일
- 2017년05월07일
- 2017년03월05일
- 2016년08월21일
- 2016년05월08일
- 2016년03월06일
- 2015년08월16일
- 2015년05월31일
- 2015년03월08일
- 2014년08월17일
- 2014년05월25일
- 2014년03월02일
- 2013년08월18일
- 2013년06월02일
- 2013년03월10일
- 2012년08월26일
- 2012년05월20일
- 2012년03월04일
- 2011년08월21일
- 2011년06월12일
- 2011년03월20일
- 2010년07월25일
- 2010년05월09일
- 2010년03월07일
- 2009년07월26일
- 2009년03월01일
- 2008년05월11일
- 2007년08월05일
- 2007년05월13일
- 2007년03월04일
- 2006년08월16일
- 2005년08월07일
- 2005년05월29일
- 2005년03월06일
- 2004년08월08일
- 2004년05월23일
- 2004년03월07일
- 2003년08월10일
- 2003년05월25일
- 2003년03월16일
- 2002년08월11일
- 2002년05월26일
- 2002년03월10일