2010년07월25일 23번
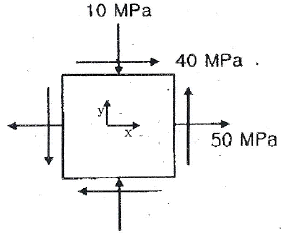
[재료역학] 다음과 같은 평면 응력 상태에서의 최대(σ1) 및 (σ2) 주응력은 몇 MPa 인가?

- ① σ1=70 , σ2=-30
- ② σ1=30 , σ2=-70
- ③ σ1=70 , σ2=30
- ④ σ1=-30 , σ2=-70
(정답률: 알수없음)
문제 해설
연도별
- 2021년08월14일
- 2020년08월22일
- 2020년06월06일
- 2019년08월04일
- 2019년03월03일
- 2018년03월04일
- 2017년08월27일
- 2017년03월05일
- 2016년08월21일
- 2016년03월06일
- 2015년08월16일
- 2015년03월08일
- 2014년08월17일
- 2014년03월02일
- 2013년08월18일
- 2013년03월10일
- 2012년08월26일
- 2012년03월04일
- 2011년08월21일
- 2011년03월20일
- 2010년07월25일
- 2010년03월07일
- 2009년07월26일
- 2009년03월01일
- 2008년07월27일
- 2008년03월02일
- 2007년03월04일
- 2006년03월05일
- 2005년08월07일
- 2005년03월06일
- 2004년08월08일
- 2004년03월07일
- 2003년08월10일
- 2003년03월16일
진행 상황
0 오답
0 정답
최소 주응력은 가장 작은 응력을 받는 면에 해당하는 σ2이다. 이 경우, σ2는 수직응력과 수평응력의 차로 구할 수 있다. 수직응력은 60 MPa, 수평응력은 40 MPa 이므로, σ2=60-40=20 MPa 이다. 하지만, 이 경우는 음수가 아니므로 보기에서 주어진 답 중에서는 없다.
따라서, σ1=70 MPa 이고, σ2는 수직응력과 수평응력의 차로 구할 수 있다. 수직응력은 60 MPa, 수평응력은 40 MPa 이므로, σ2=60-40=20 MPa 이다. 하지만, σ2는 음수여야 하므로, σ2=-30 MPa 이다. 따라서, 정답은 "σ1=70 , σ2=-30" 이다.