무선설비산업기사 (2017年03月05일 기출문제)
1과목 : 디지털 전자회로
1번
RC 평활회로에서 시정수 RC=1이고 5[V]의 구형펄스를 입력했을 때 커패시턴스의 방전시 파형으로 맞는 것은?
2번
다음 중 초크입력형 평활회로의 특징에 대한 설명으로 틀린 것은?
3번
크로스오버(Crossover) 일그러짐은 어떤 증폭방식에서 발생하는가?
4번
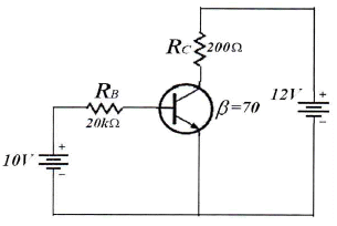
다음 그림의 회로에 대한 선형동작을 위한 교류콜렉터(Collector) 전류의 최대 변동값 IC(p-p)(Peak to Peak)은 얼마인가? (단, 베이스-이미터 전압 VBE=0으로 가정한다.)

5번
다음 중 이미터 폴로워(Emitter Follower)의 특징이 아닌 것은?
6번
다음 중 무궤환시 회로와 비교해서 부궤환시 증폭기의 일반적 특성이 아닌 것은?
7번
다음 중 수정발진기의 주파수 안정도가 양호한 이유로 틀린 것은?
8번
다음 중 발진기에서 이용되는 궤환회로로 옳은 것은?
9번
다음 중 교류 신호를 구성하는 기본적인 요소가 아닌 것은?
10번
다음 중 콜렉터 변조 회로의 특징으로 틀린 것은?
11번
다음 설명과 같은 특징을 갖는 변조방식은 어느 것인가?

12번
다음 중 펄스변조방식이 아닌 것은?
13번
다음 중 슈미트 트리거(Schmitt Trigger)의 출력파형으로 적합한 것은?
14번
다음 중 저역통과 RC회로에서 시정수(Time Constant)에 대한 설명으로 옳은 것은?
15번
논리식
단순화한 것은?
단순화한 것은?
16번
다음의 카르노 맵을 간략화한 논리식으로 옳은 것은?

17번
16진수 (2AE)16을 8진수로 변환하면?
18번
다음은 디지털 시계의 블록 다이어그램이다. 괄호 안에 들어갈 알맞은 항목은 무엇인가?

19번
다음 중 비동기식 계수기에 관한 설명으로 틀린 것은?
20번
다음 중 레지스터의 기능으로 옳은 것은?
1번
RC 평활회로에서 시정수 RC=1이고 5[V]의 구형펄스를 입력했을 때 커패시턴스의 방전시 파형으로 맞는 것은?
2번
다음 중 초크입력형 평활회로의 특징에 대한 설명으로 틀린 것은?
3번
크로스오버(Crossover) 일그러짐은 어떤 증폭방식에서 발생하는가?
4번
다음 그림의 회로에 대한 선형동작을 위한 교류콜렉터(Collector) 전류의 최대 변동값 IC(p-p)(Peak to Peak)은 얼마인가? (단, 베이스-이미터 전압 VBE=0으로 가정한다.)

5번
다음 중 이미터 폴로워(Emitter Follower)의 특징이 아닌 것은?
6번
다음 중 무궤환시 회로와 비교해서 부궤환시 증폭기의 일반적 특성이 아닌 것은?
7번
다음 중 수정발진기의 주파수 안정도가 양호한 이유로 틀린 것은?
8번
다음 중 발진기에서 이용되는 궤환회로로 옳은 것은?
9번
다음 중 교류 신호를 구성하는 기본적인 요소가 아닌 것은?
10번
다음 중 콜렉터 변조 회로의 특징으로 틀린 것은?
11번
다음 설명과 같은 특징을 갖는 변조방식은 어느 것인가?

12번
다음 중 펄스변조방식이 아닌 것은?
13번
다음 중 슈미트 트리거(Schmitt Trigger)의 출력파형으로 적합한 것은?
14번
다음 중 저역통과 RC회로에서 시정수(Time Constant)에 대한 설명으로 옳은 것은?
15번
논리식
단순화한 것은?
단순화한 것은?
16번
다음의 카르노 맵을 간략화한 논리식으로 옳은 것은?

17번
16진수 (2AE)16을 8진수로 변환하면?
18번
다음은 디지털 시계의 블록 다이어그램이다. 괄호 안에 들어갈 알맞은 항목은 무엇인가?

19번
다음 중 비동기식 계수기에 관한 설명으로 틀린 것은?
20번
다음 중 레지스터의 기능으로 옳은 것은?
2과목 : 무선통신 기기
21번
다음은 FM송신기 블록도의 일부이다. 3체배 한 후 최대주파수편이가 ±6[kHz]이면, FM 변조 후 3체배하기 전의 최대 주파수편이(Δf)는 얼마인가?

22번
다음 중 DSB(Double Side Band) 통신방식과 비교한 SSB(Single Side Band) 통신방식의 장점에 대한 설명으로 적합하지 않은 것은?
23번
다음 중 방향 탐지기의 구성 요소가 아닌 것은?
24번
다음 중 무선수신기의 선택도를 높이기 위한 방법으로 맞는 것은?
25번
디지털 신호의 펄스열을 그대로 또는 다른 형식의 펄스 파형으로 변환시켜 전송하는 방식은?
26번
다음 중 디지털 데이터 0과 1을 아날로그 통신망을 사용해 전송할 때 반송파의 진폭에 실어 보내는 변조 기술은 무엇인가?
27번
다음 중 무선통신망의 구축 기획에 포함되는 통상적인 업무가 아닌 것은?
28번
다음 중 마이크로파 통신에 대한 설명으로 틀린 것은?
29번
다음 중 축전지의 AH(암페어시)가 의미하는 것은?
30번
다음 중 위성통신에 관한 일반적인 사항으로 틀린 것은?
31번
다양한 통신 시스템에서 안테나는 상호간에 송ㆍ수신하기 위한 기본 요소이다. 다음 중 안테나의 파라미터에 해당하지 않는 것은?
32번
다음 중 DVB-T(COFDM) 전송방식에서 사용하는 변조방식이 아닌 것은?
33번
다음 중 이동전화망의 교환국에 시설되는 VLR(Visitor Location Register) 및 HLR(Home Location Register)의 기능과 가장 밀접한 관계가 있는 것은?
34번
Off-Line 동작 방식의 무정전공급장치 (Uninterruptible Power Supply)는 입력 전압이 변동되면 출력 전압이 어떻게 되는가?
35번
장시간 부동충전방식으로 충전할 경우 축전지 각각의 특성에 따라 방전량에 차이가 발생하여 축전지의 충전전압이 달라져 충전부족 상태의 축전지가 생길 수 있다. 이런 문제점을 해결하기 위한 충전방식으로 적합한 것은?
36번
송신안테나로부터 일정거리 떨어진 A지점에서 측정한 전계강도가 20[dB]일 때 A지점보다 2배 떨어진 B지점에서의 전계강도는 몇 [μV/m]인가?
37번
다음 중 무선 송신기의 신호대잡음비(S/N) 측정시 필요하지 않은 측정기는?
38번
상온에서 만충전 시 전해액의 비중이 1.28, 방전종지 시 비중이 1.02이고, 용량이 100[AH]인 축전지에서 현재 상태의 비중이 1.25일 경우 현재 방전량은 약 얼마인가?
39번
다음 중 전송선로상에서의 등가 임피던스와 등가 어드미턴스의 비를 의미하는 것은 무엇인가?
40번
다음 중 송신기의 점유주파수대폭 측정법이 아닌 것은?
21번
다음은 FM송신기 블록도의 일부이다. 3체배 한 후 최대주파수편이가 ±6[kHz]이면, FM 변조 후 3체배하기 전의 최대 주파수편이(Δf)는 얼마인가?

22번
다음 중 DSB(Double Side Band) 통신방식과 비교한 SSB(Single Side Band) 통신방식의 장점에 대한 설명으로 적합하지 않은 것은?
23번
다음 중 방향 탐지기의 구성 요소가 아닌 것은?
24번
다음 중 무선수신기의 선택도를 높이기 위한 방법으로 맞는 것은?
25번
디지털 신호의 펄스열을 그대로 또는 다른 형식의 펄스 파형으로 변환시켜 전송하는 방식은?
26번
다음 중 디지털 데이터 0과 1을 아날로그 통신망을 사용해 전송할 때 반송파의 진폭에 실어 보내는 변조 기술은 무엇인가?
27번
다음 중 무선통신망의 구축 기획에 포함되는 통상적인 업무가 아닌 것은?
28번
다음 중 마이크로파 통신에 대한 설명으로 틀린 것은?
29번
다음 중 축전지의 AH(암페어시)가 의미하는 것은?
30번
다음 중 위성통신에 관한 일반적인 사항으로 틀린 것은?
31번
다양한 통신 시스템에서 안테나는 상호간에 송ㆍ수신하기 위한 기본 요소이다. 다음 중 안테나의 파라미터에 해당하지 않는 것은?
32번
다음 중 DVB-T(COFDM) 전송방식에서 사용하는 변조방식이 아닌 것은?
33번
다음 중 이동전화망의 교환국에 시설되는 VLR(Visitor Location Register) 및 HLR(Home Location Register)의 기능과 가장 밀접한 관계가 있는 것은?
34번
Off-Line 동작 방식의 무정전공급장치 (Uninterruptible Power Supply)는 입력 전압이 변동되면 출력 전압이 어떻게 되는가?
35번
장시간 부동충전방식으로 충전할 경우 축전지 각각의 특성에 따라 방전량에 차이가 발생하여 축전지의 충전전압이 달라져 충전부족 상태의 축전지가 생길 수 있다. 이런 문제점을 해결하기 위한 충전방식으로 적합한 것은?
36번
송신안테나로부터 일정거리 떨어진 A지점에서 측정한 전계강도가 20[dB]일 때 A지점보다 2배 떨어진 B지점에서의 전계강도는 몇 [μV/m]인가?
37번
다음 중 무선 송신기의 신호대잡음비(S/N) 측정시 필요하지 않은 측정기는?
38번
상온에서 만충전 시 전해액의 비중이 1.28, 방전종지 시 비중이 1.02이고, 용량이 100[AH]인 축전지에서 현재 상태의 비중이 1.25일 경우 현재 방전량은 약 얼마인가?
39번
다음 중 전송선로상에서의 등가 임피던스와 등가 어드미턴스의 비를 의미하는 것은 무엇인가?
40번
다음 중 송신기의 점유주파수대폭 측정법이 아닌 것은?
3과목 : 안테나 개론
41번
“높은 주파수를 갖는 전류에 의해 변화하고 있는 전계는 자계를 발생한다”라는 사실을 뒷받침하는 이론으로 적합한 것은?
42번
다음 중 손실을 갖는 매질 내를 전파하는 평면파의 감쇠정수에 대한 설명으로 옳은 것은?
43번
전파의 단파 주파수 범위에 해당하는 파장 범위는?
44번
다음 중 어떤 구간 L에서 도파관의 장변을 줄여 줌으로써 감쇠를 얻는 방식의 도파관 감쇠기는?
45번
다음 중 휴대 전화 안테나와 전력증폭기 사이에 아이솔레이터(Isolator)를 삽입하였을 경우의 효과에 대한 설명으로 틀린 것은?
46번
다음 중 급전선의 필요조건으로 적합하지 않은 것은?
47번
다음 중 급전선에 대한 설명으로 옳은 것은?
48번
다음 중 임피던스 정합에 대한 내용으로 틀린 것은?
49번
다음 중 안테나의 구조에 의한 분류로 적합하지 않은 것은?
50번
공급전력이 1[kW]일 때 안테나 전류가 10[A]인 안테나의 경우 안테나에 16[kW]의 전력을 공급하면 안테나 전류의 값은 얼마인가?
51번
다음 그림과 같은 안테나 접지방식은?

52번
다음 중 안테나의 광대역성을 갖도록 하는 방법으로 틀린 것은?
53번
다음 중 슬롯 안테나의 대역폭을 넓게 하는 방법으로 옳은 것은?
54번
다음 중 임의의 송수신 지점간 무선통신에서 자유공간 전송손실 특성에 대한 설명으로 틀린 것은?
55번
다음 중 단파통신 전파예보에서 알 수 없는 것은?
56번
다음 중 대류권의 변동현상에 의한 페이딩의 분류에 포함되지 않는 것은?
57번
다음 중 지표면에서 가장 가까운 전리층 영역은?
58번
두 개 이상의 안테나를 서로 떨어진 곳에 설치하고 두 출력을 합성하여 페이딩을 방지하는 방식은?
59번
다음 중 LBS(Location Base Service)의 기반 기술이 아닌 것은?
60번
다음 중 지표파에 관한 설명으로 옳지 않은 것은?
41번
“높은 주파수를 갖는 전류에 의해 변화하고 있는 전계는 자계를 발생한다”라는 사실을 뒷받침하는 이론으로 적합한 것은?
42번
다음 중 손실을 갖는 매질 내를 전파하는 평면파의 감쇠정수에 대한 설명으로 옳은 것은?
43번
전파의 단파 주파수 범위에 해당하는 파장 범위는?
44번
다음 중 어떤 구간 L에서 도파관의 장변을 줄여 줌으로써 감쇠를 얻는 방식의 도파관 감쇠기는?
45번
다음 중 휴대 전화 안테나와 전력증폭기 사이에 아이솔레이터(Isolator)를 삽입하였을 경우의 효과에 대한 설명으로 틀린 것은?
46번
다음 중 급전선의 필요조건으로 적합하지 않은 것은?
47번
다음 중 급전선에 대한 설명으로 옳은 것은?
48번
다음 중 임피던스 정합에 대한 내용으로 틀린 것은?
49번
다음 중 안테나의 구조에 의한 분류로 적합하지 않은 것은?
50번
공급전력이 1[kW]일 때 안테나 전류가 10[A]인 안테나의 경우 안테나에 16[kW]의 전력을 공급하면 안테나 전류의 값은 얼마인가?
51번
다음 그림과 같은 안테나 접지방식은?

52번
다음 중 안테나의 광대역성을 갖도록 하는 방법으로 틀린 것은?
53번
다음 중 슬롯 안테나의 대역폭을 넓게 하는 방법으로 옳은 것은?
54번
다음 중 임의의 송수신 지점간 무선통신에서 자유공간 전송손실 특성에 대한 설명으로 틀린 것은?
55번
다음 중 단파통신 전파예보에서 알 수 없는 것은?
56번
다음 중 대류권의 변동현상에 의한 페이딩의 분류에 포함되지 않는 것은?
57번
다음 중 지표면에서 가장 가까운 전리층 영역은?
58번
두 개 이상의 안테나를 서로 떨어진 곳에 설치하고 두 출력을 합성하여 페이딩을 방지하는 방식은?
59번
다음 중 LBS(Location Base Service)의 기반 기술이 아닌 것은?
60번
다음 중 지표파에 관한 설명으로 옳지 않은 것은?
4과목 : 전자계산기 일반 및 무선설비기준
61번
10진수의 산술 연산은 팩형식(Pack Decimal)의 데이터에 대하여 행하며, 필드의 길이는 16바이트까지 지정할 수 있는데 10진수의 최대 자리수는?
62번
다음 중 ROM과 RAM의 차이점을 설명한 것으로 틀린 것은?
63번
다음 중 사진 및 그 외의 자료로부터 이미지를 읽어들이는 장치는?
64번
병렬 컴퓨터에서 컴퓨터의 속도를 향상시키기 위한 기술 중에 Super-Scalar을 설명한 것은?
65번
정보데이터 비트가 4비트 1011일 때 짝수 패리티 비트의 전체 해밍코드는? (단, 맨 왼쪽 비트가 1번재 비트이다.)
66번
다음 중 어셈블리 언어(Assembly Language)의 특징이 아닌 것은?
67번
다음 중 주소 지정 방식에 대한 설명으로 틀린 것은?
68번
다음 중 스케줄링에 대한 설명으로 틀린 것은?
69번
다음 Process Scheduling 정책 중 남은 시간이 가장 짧은 JOB을 우선적으로 처리하는 방식은?
70번
다음 중 C언어의 특징에 대한 설명으로 틀린 것은? (문제 오류로 실제 시험에서는 3,4번이 정답처리 되었습니다. 여기서는 3번을 누르면 정답 처리 됩니다.)
71번
다음 중 정보통신공사업법 시행령이 정하는 공사범위가 아닌 것은?
72번
무선설비를 보호하기 위한 보호 장치로서 전원 회로의 퓨즈 또는 차단기는 안테나공급전력이 얼마 이상일 때 갖추어야 하는가?
73번
다음 중 미래창조과학부장관이 주파수할당을 하고자 할 때의 공고사항이 아닌 것은?
74번
“방송통신기자재 등의 적합성평가에 관한 고시”의 주무부처는?(관련 규정 개정전 문제로 여기서는 기존 정답인 1번을 누르면 정답 처리 됩니다. 자세한 내용은 해설을 참고하세요)
75번
다음 무선국 중 허가의 유효기간이 무기한인 것은?
76번
무선국의 정기검사 유효 기간이 3년인 무선국은 허가유효기간 만료일 전후 얼마 이내에 정기검사를 받도록 되어 있는가?
77번
다음 중 정보통신설비 공사의 감리원 업무범위가 아닌 것은?
78번
다음 중 예비전원 및 예비품의 무선설비기준이 아닌 것은?
79번
다음 중 정보통신공사업법의 목적으로 틀린 것은?
80번
다음 문장의 괄호안에 들어 갈 내용으로 적합한 것은?

61번
10진수의 산술 연산은 팩형식(Pack Decimal)의 데이터에 대하여 행하며, 필드의 길이는 16바이트까지 지정할 수 있는데 10진수의 최대 자리수는?
62번
다음 중 ROM과 RAM의 차이점을 설명한 것으로 틀린 것은?
63번
다음 중 사진 및 그 외의 자료로부터 이미지를 읽어들이는 장치는?
64번
병렬 컴퓨터에서 컴퓨터의 속도를 향상시키기 위한 기술 중에 Super-Scalar을 설명한 것은?
65번
정보데이터 비트가 4비트 1011일 때 짝수 패리티 비트의 전체 해밍코드는? (단, 맨 왼쪽 비트가 1번재 비트이다.)
66번
다음 중 어셈블리 언어(Assembly Language)의 특징이 아닌 것은?
67번
다음 중 주소 지정 방식에 대한 설명으로 틀린 것은?
68번
다음 중 스케줄링에 대한 설명으로 틀린 것은?
69번
다음 Process Scheduling 정책 중 남은 시간이 가장 짧은 JOB을 우선적으로 처리하는 방식은?
70번
다음 중 C언어의 특징에 대한 설명으로 틀린 것은? (문제 오류로 실제 시험에서는 3,4번이 정답처리 되었습니다. 여기서는 3번을 누르면 정답 처리 됩니다.)
71번
다음 중 정보통신공사업법 시행령이 정하는 공사범위가 아닌 것은?
72번
무선설비를 보호하기 위한 보호 장치로서 전원 회로의 퓨즈 또는 차단기는 안테나공급전력이 얼마 이상일 때 갖추어야 하는가?
73번
다음 중 미래창조과학부장관이 주파수할당을 하고자 할 때의 공고사항이 아닌 것은?
74번
“방송통신기자재 등의 적합성평가에 관한 고시”의 주무부처는?(관련 규정 개정전 문제로 여기서는 기존 정답인 1번을 누르면 정답 처리 됩니다. 자세한 내용은 해설을 참고하세요)
75번
다음 무선국 중 허가의 유효기간이 무기한인 것은?
76번
무선국의 정기검사 유효 기간이 3년인 무선국은 허가유효기간 만료일 전후 얼마 이내에 정기검사를 받도록 되어 있는가?
77번
다음 중 정보통신설비 공사의 감리원 업무범위가 아닌 것은?
78번
다음 중 예비전원 및 예비품의 무선설비기준이 아닌 것은?
79번
다음 중 정보통신공사업법의 목적으로 틀린 것은?
80번
다음 문장의 괄호안에 들어 갈 내용으로 적합한 것은?

연도별
- 2023年03月21일
- 2023년03월21일
- 2021年10月02일
- 2021년10월02일
- 2020年09月26일
- 2020년09월26일
- 2020年06月27일
- 2020년06월27일
- 2020年05月24일
- 2020년05월24일
- 2019年10月12일
- 2019년10월12일
- 2019年06月29일
- 2019년06월29일
- 2019年03月09일
- 2019년03월09일
- 2018年10月06일
- 2018년10월06일
- 2018年04月28일
- 2018년04월28일
- 2018年03月04일
- 2018년03월04일
- 2017年09月23일
- 2017년09월23일
- 2017年05月07일
- 2017년05월07일
- 2017年03月05일
- 2017년03월05일
- 2016年10月01일
- 2016년10월01일
- 2016年05月08일
- 2016년05월08일
- 2016年03月05일
- 2016년03월05일
- 2015年10月04일
- 2015년10월04일
- 2015年06月06일
- 2015년06월06일
- 2015年03月07일
- 2015년03월07일
- 2014年10月04일
- 2014년10월04일
- 2014年05月31일
- 2014년05월31일
- 2014年03月09일
- 2014년03월09일
- 2013年10月12일
- 2013년10월12일
- 2013年06月09일
- 2013년06월09일
- 2013年03月17일
- 2013년03월17일
- 2012年10月06일
- 2012년10월06일
- 2012年06月03일
- 2012년06월03일
- 2012年03月11일
- 2012년03월11일
- 2011年09月25일
- 2011년09월25일
- 2011年05月29일
- 2011년05월29일
- 2011年03月13일
- 2011년03월13일
- 2010年10月10일
- 2010년10월10일
- 2010年05月02일
- 2010년05월02일
- 2010年03月14일
- 2010년03월14일
- 2010年02月21일
- 2010년02월21일
- 2009年07月26일
- 2009년07월26일
- 2009年05月10일
- 2009년05월10일
- 2009年03月01일
- 2009년03월01일
- 2008年09月07일
- 2008년09월07일
- 2008年05月11일
- 2008년05월11일
- 2008年03月02일
- 2008년03월02일
- 2007年09月02일
- 2007년09월02일
- 2007年05月13일
- 2007년05월13일
- 2007年03月04일
- 2007년03월04일
- 2006年09月10일
- 2006년09월10일
- 2006年05月14일
- 2006년05월14일
- 2006年03月05일
- 2006년03월05일
- 2005年09月04일
- 2005년09월04일
- 2005年05月29일
- 2005년05월29일
- 2005年03月20일
- 2005년03월20일
- 2005年03月06일
- 2005년03월06일
- 2004年09月05일
- 2004년09월05일
- 2004年05月23일
- 2004년05월23일
- 2004年03月07일
- 2004년03월07일
- 2003年08月31일
- 2003년08월31일
- 2003年05月25일
- 2003년05월25일
- 2003年03月16일
- 2003년03월16일
- 2002年09月08일
- 2002년09월08일
- 2002年05月26일
- 2002년05월26일
- 2002年03月10일
- 2002년03월10일