무선설비산업기사 (2006년09월10일 기출문제)
1과목 : 디지털 전자회로
1번
다음 중 2진수 1110의 2의 보수는?
2번
다음 게이트 중 두 입력이 1과 0일 때 1의 출력이 나오지 않는 것은?
3번
그림과 같은 발진회로에서 안정된 발진이 지속되기 위한 동조회로의 임피던스는 어떻게 되어야 하는가?

4번
다음 변조방식 중에서 입력신호의 크기에 따라 펄스의 위치만을 변화시키는 변조방식은?
5번
그림의 회로에서 스위치가 t=0일 때, 1에서 2의 위치로 갑자기 옮겨졌다. 이 때 흐르는 전류는?

6번
3개의 T 플립플롭이 직렬로 연결되어 있다. 입력단(첫단)에 1000[Hz]의 입력신호를 인가하면 마지막 플립플롭의 출력신호는 몇 [Hz]인가?
7번
고주파 증폭회로에서 중화회로를 사용하는 주 목적은?
8번
다음 중 RC 필터 회로에서 리플 함유율을 작게 하려면?
9번
다음 중 연산 증폭기의 특성과 관련 없는 것은?
10번
NOT, AND 및 EX-OR로 구성된 회로의 명칭은?

11번
멀티 바이브레이터에 대한 설명 중 가장 관계없는 것은?
12번
다음 그림의 회로는 무슨 회로인가?

13번
주된 맥동전압주파수가 전원주파수의 6배가 되는 정류 방식은?
14번
에미터 플로워(emitter follower)의 임피던스 특성으로 옳은 것은?
15번
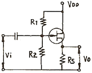
그림의 회로에서 R3, R4의 역할은 무엇인가?

16번
그림의 논리회로는 어떤 논리작용을 하는가?

17번
다음 회로에서 Z1=10[kΩ], Z2=100[kΩ]일 때 전압 증폭도(Vo/Vi)는? (단, 연산 증폭기는 이상적인 것이다)

18번
슈미트 트리거 회로의 출력파형으로 옳은 것은?
19번
A, B를 입력으로 하는 반가산기의 올림수(Carry) C에 대한 논리식으로 맞는 것은?
20번
그림 증폭회로의 전압이득 Av는 약 얼마인가) ?단, gm=10[m℧], RS=2[kΩ]이다.)

1번
다음 중 2진수 1110의 2의 보수는?
2번
다음 게이트 중 두 입력이 1과 0일 때 1의 출력이 나오지 않는 것은?
3번
그림과 같은 발진회로에서 안정된 발진이 지속되기 위한 동조회로의 임피던스는 어떻게 되어야 하는가?

4번
다음 변조방식 중에서 입력신호의 크기에 따라 펄스의 위치만을 변화시키는 변조방식은?
5번
그림의 회로에서 스위치가 t=0일 때, 1에서 2의 위치로 갑자기 옮겨졌다. 이 때 흐르는 전류는?

6번
3개의 T 플립플롭이 직렬로 연결되어 있다. 입력단(첫단)에 1000[Hz]의 입력신호를 인가하면 마지막 플립플롭의 출력신호는 몇 [Hz]인가?
7번
고주파 증폭회로에서 중화회로를 사용하는 주 목적은?
8번
다음 중 RC 필터 회로에서 리플 함유율을 작게 하려면?
9번
다음 중 연산 증폭기의 특성과 관련 없는 것은?
10번
NOT, AND 및 EX-OR로 구성된 회로의 명칭은?

11번
멀티 바이브레이터에 대한 설명 중 가장 관계없는 것은?
12번
다음 그림의 회로는 무슨 회로인가?

13번
주된 맥동전압주파수가 전원주파수의 6배가 되는 정류 방식은?
14번
에미터 플로워(emitter follower)의 임피던스 특성으로 옳은 것은?
15번
그림의 회로에서 R3, R4의 역할은 무엇인가?

16번
그림의 논리회로는 어떤 논리작용을 하는가?

17번
다음 회로에서 Z1=10[kΩ], Z2=100[kΩ]일 때 전압 증폭도(Vo/Vi)는? (단, 연산 증폭기는 이상적인 것이다)

18번
슈미트 트리거 회로의 출력파형으로 옳은 것은?
19번
A, B를 입력으로 하는 반가산기의 올림수(Carry) C에 대한 논리식으로 맞는 것은?
20번
그림 증폭회로의 전압이득 Av는 약 얼마인가) ?단, gm=10[m℧], RS=2[kΩ]이다.)

2과목 : 무선통신 기기
21번
M/W 중계방식 중 장해물 정상에 송ㆍ수신 안테나를 설치하거나 반사판을 설치하여 전파를 목적하는 방향으로 유도하는 방식은?
22번
AM 송신기의 RF 전력증폭기 기능으로 가장 옳은 것은?
23번
다음 INMARSAT에 대한 설명 중 가장 적당한 것은?
24번
다음은 AM 수신기의 중간주파수를 낮게 선정하면 개선되는 것이다. 맞지 않은 것은?
25번
AM 송신기의 조건으로 타당하지 않은 것은?
26번
다음 중 1,414km의 저 궤도 위성체(48기)를 이용하여 고품질의 통신서비스를 제공하는 이동통신시스템은?
27번
어떤 송신기에 의사 부하로서 10[Ω]의 무유도 저항을 접속하고 이 부하에 흐르는 전류를 고주파 전류계로 측정하였더니 7[A]이었다. 이 송신기의 출력은 몇 [W]인가?
28번
다음 중 IDC 회로를 사용하는 목적으로 가장 적합한 것은?
29번
99.9[MHz]의 반송파를 최대주파수 편이 80[kHz]로 하고 20[kHz]의 신호파로 FM 변조 했을 경우의 변조지수(mf)와 주파수 대역폭(BW)은 각각 얼마인가?
30번
다음 중 AM 송신기의 변조파, 고조파 발사 강도, rltodq라진(parasitic oscillation) 등을 측정하기 위한 장비로 가장 적당한 것은?
31번
전파 정류 회로에서 맥동 전압을 나타낸 설명 중 옳은 것은) ?단, 평활 회로는 콘덴서 입력형임)
32번
SSB 점유 주파수 대역폭은 DSB에 비해 몇 배인가?
33번
통신위성에 관한 설명 중 틀린 것은?
34번
어떤 송신기의 기본파 전압 이득이 40[dB], 제2고조파 성분이 20[dB]이었다. 왜율은?
35번
다음 중 2신호(실효) 선택도에 해당되지 않는 것은?
36번
다음 중 슈퍼헤테로다인 수신기에서 단일조정에 대한 설명으로 가장 적합한 것은?
37번
다음 중 무선 송신기에서 사용되지 않는 회로는?
38번
단상 반파 정류기가 1[kΩ]의 부하에 전력을 공급하고 있다. 정류기에 인가되는 교류 전압은 300[V]이고, 다이오드 저항은 100[Ω]이라 할 때 정류 효율은?
39번
limiter 작용을 겸한 FM 검파기는?
40번
무선수신기의 AGC 회로에서 CR의 값이 지나치게 크면 어떻게 되는가?
21번
M/W 중계방식 중 장해물 정상에 송ㆍ수신 안테나를 설치하거나 반사판을 설치하여 전파를 목적하는 방향으로 유도하는 방식은?
22번
AM 송신기의 RF 전력증폭기 기능으로 가장 옳은 것은?
23번
다음 INMARSAT에 대한 설명 중 가장 적당한 것은?
24번
다음은 AM 수신기의 중간주파수를 낮게 선정하면 개선되는 것이다. 맞지 않은 것은?
25번
AM 송신기의 조건으로 타당하지 않은 것은?
26번
다음 중 1,414km의 저 궤도 위성체(48기)를 이용하여 고품질의 통신서비스를 제공하는 이동통신시스템은?
27번
어떤 송신기에 의사 부하로서 10[Ω]의 무유도 저항을 접속하고 이 부하에 흐르는 전류를 고주파 전류계로 측정하였더니 7[A]이었다. 이 송신기의 출력은 몇 [W]인가?
28번
다음 중 IDC 회로를 사용하는 목적으로 가장 적합한 것은?
29번
99.9[MHz]의 반송파를 최대주파수 편이 80[kHz]로 하고 20[kHz]의 신호파로 FM 변조 했을 경우의 변조지수(mf)와 주파수 대역폭(BW)은 각각 얼마인가?
30번
다음 중 AM 송신기의 변조파, 고조파 발사 강도, rltodq라진(parasitic oscillation) 등을 측정하기 위한 장비로 가장 적당한 것은?
31번
전파 정류 회로에서 맥동 전압을 나타낸 설명 중 옳은 것은) ?단, 평활 회로는 콘덴서 입력형임)
32번
SSB 점유 주파수 대역폭은 DSB에 비해 몇 배인가?
33번
통신위성에 관한 설명 중 틀린 것은?
34번
어떤 송신기의 기본파 전압 이득이 40[dB], 제2고조파 성분이 20[dB]이었다. 왜율은?
35번
다음 중 2신호(실효) 선택도에 해당되지 않는 것은?
36번
다음 중 슈퍼헤테로다인 수신기에서 단일조정에 대한 설명으로 가장 적합한 것은?
37번
다음 중 무선 송신기에서 사용되지 않는 회로는?
38번
단상 반파 정류기가 1[kΩ]의 부하에 전력을 공급하고 있다. 정류기에 인가되는 교류 전압은 300[V]이고, 다이오드 저항은 100[Ω]이라 할 때 정류 효율은?
39번
limiter 작용을 겸한 FM 검파기는?
40번
무선수신기의 AGC 회로에서 CR의 값이 지나치게 크면 어떻게 되는가?
3과목 : 안테나 개론
41번
접지안테나의 복사저항은 40.6[Ω]이고, 접지저항이 4.4[Ω]일 때 이 안테나의 효율은 약 얼마인가?
42번
단파통신에 페이딩(Fading)에 대한 경감 방법으로 적합하지 않은 것은?
43번
단파대에서 제1종 감쇠의 설명으로 맞는 것은?
44번
임계 주파수에 대한 설명 중 맞는 것은?
45번
전파에 관한 성질 중 맞지 않는 것은?
46번
다음 중 안테나에 사용되는 연장코일의 역할은?
47번
출력 100[kW]로써 방송되고 있는 라디오파가 안테나로부터 20[km] 떨어진 장송에서의 전계강도는 약 얼마인가? (단, 1[km] 떨어진 곳에서는 1.73[V/m]이다.)
48번
통신 선로의 임피던스를 정합시키는 이유로 가장 적합한 것은?
49번
다음 중 부 반사기로 블록 타원체를 사용하고 있으며 위성 통신 지구국용 고이득 저잡음 안테나는?
50번
빔(Beam) 안테나의 소자수를 2배로 하면 이득의 증가는 약 몇 [dB]가 되는가?
51번
주파수 600[kHz], 전계강도 8[mV/m]인 전파를 λ/4 수직접지 안테나로 수신했을 때 안테나에 유기되는 전압은?
52번
파라보라 안테나(Parabola Antenna)의 특징에 대한 설명 중 잘못된 것은?
53번
지표면으로부터 전리층을 향하여 수직으로 펄스파를 발사한 후 0.0004초에 반사파를 확인했다. 어느 층에서 반사 되었는가?
54번
방향 탐지용 안테나로 사용되지 않는 것은?
55번
공전(空電)의 경감 대책으로 맞지 않는 것은?
56번
롬빅(Rhombic) 안테나와 관계없는 것은?
57번
구면의 중심에 있는 등방성 안테나(Isotropic Antenna)에서 전력 P가 복사된다면, 중심으로부터 거리 r[m]인 점의 전계강도는 어떻게 표시되는가?
58번
내부도체의 직경 d[mm], 외부 도체의 직경 D[m], 내부의 등가비유전율 s인 경우 동축케이블에서 표피효과의 영향을 고려할 경우 고주파저항 R의 값은 주파수 f의 몇 승의 비례하는가?
59번
동조 급전선의 설명 중 틀린 것은?
60번
자유공간(유전율=ε0, 투자율=μ0)을 속도 V[m/s]로 전파하는 전자파 E[V/m] 및 H[A/m]가 있다. 전계와 자계간의 관계식은?
41번
접지안테나의 복사저항은 40.6[Ω]이고, 접지저항이 4.4[Ω]일 때 이 안테나의 효율은 약 얼마인가?
42번
단파통신에 페이딩(Fading)에 대한 경감 방법으로 적합하지 않은 것은?
43번
단파대에서 제1종 감쇠의 설명으로 맞는 것은?
44번
임계 주파수에 대한 설명 중 맞는 것은?
45번
전파에 관한 성질 중 맞지 않는 것은?
46번
다음 중 안테나에 사용되는 연장코일의 역할은?
47번
출력 100[kW]로써 방송되고 있는 라디오파가 안테나로부터 20[km] 떨어진 장송에서의 전계강도는 약 얼마인가? (단, 1[km] 떨어진 곳에서는 1.73[V/m]이다.)
48번
통신 선로의 임피던스를 정합시키는 이유로 가장 적합한 것은?
49번
다음 중 부 반사기로 블록 타원체를 사용하고 있으며 위성 통신 지구국용 고이득 저잡음 안테나는?
50번
빔(Beam) 안테나의 소자수를 2배로 하면 이득의 증가는 약 몇 [dB]가 되는가?
51번
주파수 600[kHz], 전계강도 8[mV/m]인 전파를 λ/4 수직접지 안테나로 수신했을 때 안테나에 유기되는 전압은?
52번
파라보라 안테나(Parabola Antenna)의 특징에 대한 설명 중 잘못된 것은?
53번
지표면으로부터 전리층을 향하여 수직으로 펄스파를 발사한 후 0.0004초에 반사파를 확인했다. 어느 층에서 반사 되었는가?
54번
방향 탐지용 안테나로 사용되지 않는 것은?
55번
공전(空電)의 경감 대책으로 맞지 않는 것은?
56번
롬빅(Rhombic) 안테나와 관계없는 것은?
57번
구면의 중심에 있는 등방성 안테나(Isotropic Antenna)에서 전력 P가 복사된다면, 중심으로부터 거리 r[m]인 점의 전계강도는 어떻게 표시되는가?
58번
내부도체의 직경 d[mm], 외부 도체의 직경 D[m], 내부의 등가비유전율 s인 경우 동축케이블에서 표피효과의 영향을 고려할 경우 고주파저항 R의 값은 주파수 f의 몇 승의 비례하는가?
59번
동조 급전선의 설명 중 틀린 것은?
60번
자유공간(유전율=ε0, 투자율=μ0)을 속도 V[m/s]로 전파하는 전자파 E[V/m] 및 H[A/m]가 있다. 전계와 자계간의 관계식은?
4과목 : 전자계산기 일반 및 무선설비기준
61번
스택(Stack) 구조와 관계되는 명령어 형식은?
62번
10진수 12.3을 2진수로 진법 변환한 것으로 가장 근사값은 어느 것인가?
63번
다음 중 명령어가 해독되는 장치는?
64번
1개의 패리티 비트와 3개의 존 비트, 그리고 4개의 디지트 비트로 구성되는 코드체계는?
65번
입출력장치와 중앙처리장치 사이에 존재하며 속도 차이로 인하여 발생하는 문제점을 해결하기 위해 고안된 것은?
66번
어떤 명령이 수행되기 위해 가장 우선적으로 이루어져야하는 마이크로 오퍼레이션은 무엇인가?
67번
정보를 기억 장치에 기억시키거나 읽어내는 명령을 한 후부터 실제로 정보가 기억 또는 읽기 시작할 때까지의 소요되는 시간을 무엇이라 하는가?
68번
DMA의 기능을 가장 타당하게 설명한 것은?
69번
다음 중 자기보수(Self Complement) 코드의 종류가 아닌 것은?
70번
컴퓨터의 처리속도를 표시하는 방법으로서 가장 널리 쓰이는 단위는?
71번
아마추어국 및 실험국의 송신설비의 공중선전력은 무엇으로 표시하는가?
72번
지정된 공중선 전력을 400W로 하고 허용편차를 상한 10%, 하한 5%로 하면 전파를 발사할 경우에 허용되는 공중선전력의 범위는?
73번
전파의 형식의 표기방법에서 주반송파의 변조형식 기호가 “A" 이면 다음 중 어느 형식을 나타내는가?
74번
전기통신기자재, 무선설비기기와 전자파장해기기 및 전자파로부터 영향을 받는 기기의 통합적인 용어로 가장 타당한 것은?
75번
무선국의 수신설비의 충족 조건으로 맞지 않는 것은?
76번
전파형식 A3E를 사용하는 방송국의 공중선 전력의 표시는?
77번
다음 중 정보통신기기인증규칙에서 인증이라는 용어의 정의에 포함되지 않는 것은?
78번
30MHz 초과 300MHz 이하의 주파수대 약칭은 무엇인가?
79번
C3F, F3E, G3E 전파의 텔레비전 방송국의 무선설비에 대한 점유주파수 대역폭의 허용치는?
80번
전파연구소장은 형식검정의 신청서를 접수한 날부터 특별한 사유가 없는 한 며칠 이내에 처리해야 하는가? (단, 단서규정은 제외)
61번
스택(Stack) 구조와 관계되는 명령어 형식은?
62번
10진수 12.3을 2진수로 진법 변환한 것으로 가장 근사값은 어느 것인가?
63번
다음 중 명령어가 해독되는 장치는?
64번
1개의 패리티 비트와 3개의 존 비트, 그리고 4개의 디지트 비트로 구성되는 코드체계는?
65번
입출력장치와 중앙처리장치 사이에 존재하며 속도 차이로 인하여 발생하는 문제점을 해결하기 위해 고안된 것은?
66번
어떤 명령이 수행되기 위해 가장 우선적으로 이루어져야하는 마이크로 오퍼레이션은 무엇인가?
67번
정보를 기억 장치에 기억시키거나 읽어내는 명령을 한 후부터 실제로 정보가 기억 또는 읽기 시작할 때까지의 소요되는 시간을 무엇이라 하는가?
68번
DMA의 기능을 가장 타당하게 설명한 것은?
69번
다음 중 자기보수(Self Complement) 코드의 종류가 아닌 것은?
70번
컴퓨터의 처리속도를 표시하는 방법으로서 가장 널리 쓰이는 단위는?
71번
아마추어국 및 실험국의 송신설비의 공중선전력은 무엇으로 표시하는가?
72번
지정된 공중선 전력을 400W로 하고 허용편차를 상한 10%, 하한 5%로 하면 전파를 발사할 경우에 허용되는 공중선전력의 범위는?
73번
전파의 형식의 표기방법에서 주반송파의 변조형식 기호가 “A" 이면 다음 중 어느 형식을 나타내는가?
74번
전기통신기자재, 무선설비기기와 전자파장해기기 및 전자파로부터 영향을 받는 기기의 통합적인 용어로 가장 타당한 것은?
75번
무선국의 수신설비의 충족 조건으로 맞지 않는 것은?
76번
전파형식 A3E를 사용하는 방송국의 공중선 전력의 표시는?
77번
다음 중 정보통신기기인증규칙에서 인증이라는 용어의 정의에 포함되지 않는 것은?
78번
30MHz 초과 300MHz 이하의 주파수대 약칭은 무엇인가?
79번
C3F, F3E, G3E 전파의 텔레비전 방송국의 무선설비에 대한 점유주파수 대역폭의 허용치는?
80번
전파연구소장은 형식검정의 신청서를 접수한 날부터 특별한 사유가 없는 한 며칠 이내에 처리해야 하는가? (단, 단서규정은 제외)
연도별
- 2023年03月21일
- 2023년03월21일
- 2021年10月02일
- 2021년10월02일
- 2020年09月26일
- 2020년09월26일
- 2020年06月27일
- 2020년06월27일
- 2020年05月24일
- 2020년05월24일
- 2019年10月12일
- 2019년10월12일
- 2019年06月29일
- 2019년06월29일
- 2019年03月09일
- 2019년03월09일
- 2018年10月06일
- 2018년10월06일
- 2018年04月28일
- 2018년04월28일
- 2018年03月04일
- 2018년03월04일
- 2017年09月23일
- 2017년09월23일
- 2017年05月07일
- 2017년05월07일
- 2017年03月05일
- 2017년03월05일
- 2016年10月01일
- 2016년10월01일
- 2016年05月08일
- 2016년05월08일
- 2016年03月05일
- 2016년03월05일
- 2015年10月04일
- 2015년10월04일
- 2015年06月06일
- 2015년06월06일
- 2015年03月07일
- 2015년03월07일
- 2014年10月04일
- 2014년10월04일
- 2014年05月31일
- 2014년05월31일
- 2014年03月09일
- 2014년03월09일
- 2013年10月12일
- 2013년10월12일
- 2013年06月09일
- 2013년06월09일
- 2013年03月17일
- 2013년03월17일
- 2012年10月06일
- 2012년10월06일
- 2012年06月03일
- 2012년06월03일
- 2012年03月11일
- 2012년03월11일
- 2011年09月25일
- 2011년09월25일
- 2011年05月29일
- 2011년05월29일
- 2011年03月13일
- 2011년03월13일
- 2010年10月10일
- 2010년10월10일
- 2010年05月02일
- 2010년05월02일
- 2010年03月14일
- 2010년03월14일
- 2010年02月21일
- 2010년02월21일
- 2009年07月26일
- 2009년07월26일
- 2009年05月10일
- 2009년05월10일
- 2009年03月01일
- 2009년03월01일
- 2008年09月07일
- 2008년09월07일
- 2008年05月11일
- 2008년05월11일
- 2008年03月02일
- 2008년03월02일
- 2007年09月02일
- 2007년09월02일
- 2007年05月13일
- 2007년05월13일
- 2007年03月04일
- 2007년03월04일
- 2006年09月10일
- 2006년09월10일
- 2006年05月14일
- 2006년05월14일
- 2006年03月05일
- 2006년03월05일
- 2005年09月04일
- 2005년09월04일
- 2005年05月29일
- 2005년05월29일
- 2005年03月20일
- 2005년03월20일
- 2005年03月06일
- 2005년03월06일
- 2004年09月05일
- 2004년09월05일
- 2004年05月23일
- 2004년05월23일
- 2004年03月07일
- 2004년03월07일
- 2003年08月31일
- 2003년08월31일
- 2003年05月25일
- 2003년05월25일
- 2003年03月16일
- 2003년03월16일
- 2002年09月08일
- 2002년09월08일
- 2002年05月26일
- 2002년05월26일
- 2002年03月10일
- 2002년03월10일