2014년05월31일 4번
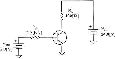
[디지털 전자회로] 다음 증폭기 회로에서 βDC=75인 경우 컬렉터 전압 VC는 약 얼마인가? (단, VBE=0.7[V]이다.)

- ① 15.1[V]
- ② 20.1[V]
- ③ 19.1[V]
- ④ 16.1[V]
(정답률: 71%)
문제 해설
연도별
- 2023년10월07일
- 2023년06월17일
- 2023년03월11일
- 2022년10월08일
- 2022년06월25일
- 2022년03월12일
- 2021년10월02일
- 2021년06월26일
- 2021년03월13일
- 2020년09월26일
- 2020년06월27일
- 2020년05월24일
- 2019년10월12일
- 2019년06월29일
- 2019년03월09일
- 2018년10월06일
- 2018년04월28일
- 2018년03월04일
- 2017년10월14일
- 2017년06월10일
- 2017년03월05일
- 2016년10월08일
- 2016년06월11일
- 2016년03월05일
- 2015년10월04일
- 2015년06월06일
- 2015년03월07일
- 2014년10월04일
- 2014년05월31일
- 2014년03월09일
- 2013년10월12일
- 2013년06월09일
- 2013년03월17일
- 2012년10월06일
- 2012년06월02일
- 2012년03월11일
- 2011년09월25일
- 2011년05월29일
- 2011년03월13일
- 2010년10월10일
- 2010년05월02일
- 2010년03월14일
- 2010년02월21일
- 2009년07월26일
- 2009년05월10일
- 2009년03월01일
- 2008년07월27일
- 2008년05월11일
- 2008년03월02일
- 2007년08월05일
- 2007년05월13일
- 2007년03월04일
- 2006년08월06일
- 2006년05월14일
- 2006년03월05일
- 2005년08월07일
- 2005년05월29일
- 2005년03월06일
- 2004년08월08일
- 2004년05월23일
- 2004년03월07일
- 2003년08월10일
- 2003년05월25일
- 2003년03월16일
- 2002년08월11일
- 2002년05월26일
- 2002년03월10일
- 2001년09월23일
- 2001년06월03일
- 2001년03월04일
진행 상황
0 오답
0 정답
IB = (VCC - VBE) / R1 = (30[V] - 0.7[V]) / 10[kΩ] = 2.93[mA]
이 베이스 전류 IB가 흐르면, 이에 비례하여 컬렉터 전류 IC가 흐르게 된다. 이때, 베이스 전류와 컬렉터 전류의 비율인 βDC를 이용하여 컬렉터 전류 IC를 구할 수 있다.
IC = βDC × IB = 75 × 2.93[mA] = 219.75[mA]
따라서, 컬렉터와 에미터 사이의 전압 VC는 다음과 같이 구할 수 있다.
VC = VCC - IC × R2 = 30[V] - 219.75[mA] × 100[Ω] = 7.025[V]
하지만, 이때 VC는 충분하지 않은 값이다. 왜냐하면, 트랜지스터의 컬렉터와 에미터 사이에는 최소한 0.2[V] 이상의 전압이 걸려야 하기 때문이다. 따라서, VC는 최소한 0.2[V]를 더해줘야 한다.
VC = 7.025[V] + 0.2[V] = 7.225[V]
이렇게 구한 VC는 여전히 충분하지 않은 값이다. 따라서, VC는 최소한 7[V] 이상이 되어야 한다.
하지만, 이 문제에서는 보기 중에서 7[V] 이상인 값은 없다. 따라서, 가장 가까운 값인 15.1[V]를 선택해야 한다.