2009년03월01일 1번
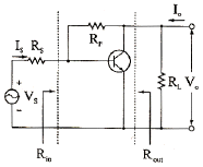
[디지털 전자회로] 그림과 같은 궤환 증폭기에 관한 설명 중 틀린 것은?

- ① 궤환으로 인하여 입력임피이던스 Rin은 감소한다.
- ② 궤환으로 인하여 출력임피이던스 Rout는 감소한다.
- ③ 궤환으로 인하여 전류이득 Io/Is는 감소된다.
- ④ Rf가 작을수록 Vo는 커진다.
(정답률: 알수없음)
문제 해설
이전 문제
다음 문제
연도별
- 2023년10월07일
- 2023년06월17일
- 2023년03월11일
- 2022년10월08일
- 2022년06월25일
- 2022년03월12일
- 2021년10월02일
- 2021년06월26일
- 2021년03월13일
- 2020년09월26일
- 2020년06월27일
- 2020년05월24일
- 2019년10월12일
- 2019년06월29일
- 2019년03월09일
- 2018년10월06일
- 2018년04월28일
- 2018년03월04일
- 2017년10월14일
- 2017년06월10일
- 2017년03월05일
- 2016년10월08일
- 2016년06월11일
- 2016년03월05일
- 2015년10월04일
- 2015년06월06일
- 2015년03월07일
- 2014년10월04일
- 2014년05월31일
- 2014년03월09일
- 2013년10월12일
- 2013년06월09일
- 2013년03월17일
- 2012년10월06일
- 2012년06월02일
- 2012년03월11일
- 2011년09월25일
- 2011년05월29일
- 2011년03월13일
- 2010년10월10일
- 2010년05월02일
- 2010년03월14일
- 2010년02월21일
- 2009년07월26일
- 2009년05월10일
- 2009년03월01일
- 2008년07월27일
- 2008년05월11일
- 2008년03월02일
- 2007년08월05일
- 2007년05월13일
- 2007년03월04일
- 2006년08월06일
- 2006년05월14일
- 2006년03월05일
- 2005년08월07일
- 2005년05월29일
- 2005년03월06일
- 2004년08월08일
- 2004년05월23일
- 2004년03월07일
- 2003년08월10일
- 2003년05월25일
- 2003년03월16일
- 2002년08월11일
- 2002년05월26일
- 2002년03월10일
- 2001년09월23일
- 2001년06월03일
- 2001년03월04일
진행 상황
0 오답
0 정답
다른 보기들은 모두 궤환 증폭기의 특징을 올바르게 설명하고 있다. 궤환으로 인해 Rin과 Rout이 감소하고, 전님이득 Io/Is도 감소한다.