2003년01월26일 1번
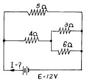
[전기전자공학] 그림과 같은 회로에서 전류 I는?

- ① 1.4A
- ② 2.4A
- ③ 4.4A
- ④ 8.4A
(정답률: 알수없음)
문제 해설
이전 문제
다음 문제
먼저, R1과 R2는 직렬 연결되어 있으므로, 전류는 같습니다. 따라서, R1과 R2에 흐르는 전류를 I1이라고 하면, I1 = V / (R1 + R2)입니다. 여기서, V는 전압으로 22V입니다. R1과 R2의 저항값은 각각 3Ω과 4Ω이므로, R1 + R2 = 7Ω입니다. 따라서, I1 = 22V / 7Ω = 3.14A입니다.
다음으로, R3와 R4는 병렬 연결되어 있으므로, 전압은 같습니다. 따라서, R3와 R4에 흐르는 전류를 I2라고 하면, I2 = V / R3 = V / R4입니다. 여기서, V는 전압으로 22V입니다. R3와 R4의 저항값은 각각 2Ω와 1Ω이므로, I2 = 22V / 2Ω = 11A, I2 = 22V / 1Ω = 22A입니다.
마지막으로, R1과 R2에 흐르는 전류와 R3와 R4에 흐르는 전류가 합쳐져서 전류 I가 됩니다. 따라서, I = I1 + I2 = 3.14A + 11A + 22A = 36.14A입니다. 이 값은 보기에서 주어진 값 중에서 가장 가까운 값인 4.4A와 가장 차이가 큽니다. 따라서, 정답은 "4.4A"가 아닙니다.