의공산업기사 (2019년09월21일 기출문제)
1과목 : 기초의학 및 의공학
1번
다음은 혈액순환에 대한 것으로 무엇을 설명한 것인가?

2번
산소-헤모글로빈 해리곡선의 S자형에 영향을 미치는 요소가 아닌 것은?
3번
광센서를 응용하여 측정하는 양으로만 이루어진 것은?
4번
열전쌍의 장점이 아닌 것은?
5번
막을 경계로 한 두 이온 용액의 평형상태에서의 전위를 예측할 수 있는 방법은?
6번
센서에서 입력과 출력신호를 쉽게 비교하기 위해서는 입력과 출력신호 사이에 어떤 특성이 있어야 하는가?
7번
다음 ( )안에 알맞은 말은?

8번
측정용 전극과 전기 자극용 전극에 대한 설명으로 옳은 것은?
9번
신체의 혈관 중 총 단면적이 가장 큰(넓은) 것은?
10번
신경세포에 대한 설명으로 틀린 것은?
11번
심장 전도계에서 전기 자극의 전달 순서로 옳은 것은?
12번
전자식 직접 혈압측정에 사용되는 방법으로 부적절한 것은?
13번
금속이 전해질 속의 이온과 평형상태를 이루게 되어 그 금속 특유의 전극전위를 갖게 되는데, 이를 무엇이라 하는가?
14번
일차뼈 되기 중심과 이차뼈 되기 중심에 있는 연골로서 뼈의 길이 성장이 일어나는 것은?
15번
다음 전극 중 근육의 근섬유 전위를 측정하는 용도로 사용되는 것은?
16번
흡착전극의 부착위치로 가장 적당한 부위는?

17번
다음 그림은 일회용 금속판 전극(disposable electrode)의 단면을 나타낸 것이다. 일반적으로 전해질 겔(electrolyte gel) 부분에 반드시 있어야 할 이온은?

18번
압전센서의 활용 용도로 틀린 것은?
19번
선형가변차동변환기의 설명으로 틀린 것은?
20번
호흡과 관련된 다음 용어들에 대한 설명으로 틀린 것은?
2과목 : 의용전자공학
21번
다음 중 생체신호를 계측하는 방법이 아닌 것은?
22번
커패시터를 사용한 평활회로에서 충전과 방전에 의한 출력전압의 변동을 나타내는 전압은?
23번
생체 계측시 유도잡음 대책이 아닌 것은?
24번
다음의 연산증폭기 회로에서 R1=R2=R3=330Ω 이고, Rf=3.3kΩ 일 때 이득은 얼마인가?

25번
옴의 법칙을 설명한 것으로 옳은 것은?
26번
마이크로프로세서의 성능은 크게 데이터를 처리하는 3가지 척도를 사용하여 평가한다. 다음 중 3가지 척도에 해당하지 않는 것은?
27번
다음 카르노 맵(Karnaugh map)을 이용한 가장 간단한 논리식은?

28번
광학적 계측시스템에서 쓰이는 광원이 아닌 것은?
29번
다음 반파 정류된 전압의 평균값(V)은?

30번
공기 콘덴서의 극판 사이에 비유전율 εs의 유전체를 채웠을 때 정전용량은 얼마나 증가하는가?
31번
기체농도의 측정에서 “적외선이 기체에 의해 흡수되는 정도를 측정하여 농도를 계산”하는 것은?
32번
교류 전력의 정의에 관한 설명으로 틀린 것은?
33번
다음 중 정전압용으로 주로 사용되는 다이오드는?
34번
2진수 (110101)2의 10진수 값은?
35번
심전도를 측정할 경우 그 신호에 크게 영향을 주는 인자가 아닌 것은?
36번
FM 방식에서 변조지수가 1보다 매우 클 때, 최대주파수 편이가 △fs 라 하면 주파수 대역폭 BWFM은 얼마만큼 필요한가?
37번
다음 중 생체신호 측정 시 고려사항이 아닌 것은?
38번
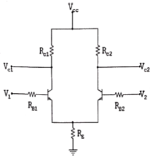
그림과 같은 회로의 명칭으로옳 은 것은?

39번
생체신호용 전극 중 주로 신생아의 심전도 측정에 사용 되는 것은?
40번
입출력 장치와 주기억장치 사이의 데이터 전송을 담당하는 입출력 전담 장치는?
3과목 : 의료안전ㆍ법규 및 정보
41번
다음 중 의료정보관련 국제 표준이 아닌 것은?
42번
의료가스 중 구급용, 인공호흡용, 고압산소치료용 등 주로 흡입용으로 사용되는 가스는?
43번
다음 중 누설전류의 종류가 아닌 것은?
44번
SNOMED 에 대한 설명 중 틀린 것은?
45번
의료폐기물의 수집·운반의 경우 잘못 설명한 것은?
46번
다음 중 여러 치료서비스 조건에 적합하도록 의료가스를 설계해야하는 장소에 속하지 않는 것은?
47번
의료기기의 등급분류를 위한 잠재적 위해성의 판단기준으로 틀린 것은?
48번
전자파가 인체 조직세포의 온도를 순식간에 비정상적으로 상승시켜 기능이상을 일으키거나 파괴하는 것은 전자파의 어떤 작용 때문인가?
49번
보건산업진흥원이 식품·약품·화장품·의료기기 등의 품질과 기능을 엄격히 평가해 기준을 통과한 제품에 부여하는 마크는?
50번
의료기기의 기계적 강도시험의 종류가 아닌 것은?
51번
의료기기법령상 과징금을 부과하려는 때에 반드시 명시하지 않아도 되는 것은?
52번
원격의료의 응용분야에 거리가 먼 것은?
53번
미생물에 물리적·화학적 자극을 가하여 완전히 사멸 제거하는 방법은?
54번
인체에 흐르는 전류 중 인체반응에서 최대 감지전류 값은 얼마인가?
55번
의료기기법상 의료기기의 수입을 업으로 하려는 자의 절차로 옳은 것은?
56번
손가락 끝 등으로 만졌을 때 처름 찌릿하게 느끼는 전류를 무엇이라 하는가?
57번
현재 국내 의료보험 청구 방법 중 가장 일반적으로 사용되고 있는 것은?
58번
의료기기 제조 및 품질관리 중 품질경영시스템의 문서화 항목이 아닌 것은?
59번
주요 멸균 공정과 멸균 의료기기 표시에 대한 요구사항과 관련된 규격은?
60번
눈이나 피부가 레이저에 노출되었을 때 위험한 영향이나 생물학적 부작용이 발생하지 않을 정도의 레이저광 방사 수준을 의미하는 것은?
4과목 : 의료기기
61번
재택진단기기의 특징으로 틀린 것은?
62번
다음 중 사이클로트론이 필요한 단층 촬영장치는?
63번
심박출량 측정법에 해당하지 않는 것은?
64번
방사선 치료장치 중 고에너지 치료장치에 해당되는 것은?
65번
적혈구, 백혈구, 혈소판 등 혈액속의 혈구수를 측정하기 위한 임상검사기기는?
66번
다음 중 위치감지회로를 사용하는 영상장치는?
67번
다음 중 간접 혈압측정법에 대한 설명으로 틀린 것은?
68번
인공관절면이 마모되어 미립자가 떨어져 나와 생체반응을 일으킴으로써 점차 뼈가 녹아내리고 고정면이 느슨해지는 현상은?
69번
다음 중 물의 CT-번호(Hounsfield Unit)는?
70번
초음파 영상 촬영 방식 중 단면 영상을 보여주는 것은?
71번
임시형 페이스메이커를 이용한 응급처리 방법 중 안전하며 심방의 활동 정보를 정확히 알 수 있는 심박조율 방법은?
72번
인공 페이스메이커 이식 후의 주의사항으로 틀린 것은?
73번
일반인의 가청주파수 대역은?
74번
초음파의 전파속도에 대한 설명으로 옳지 않은 것은?
75번
인공심폐기의 구성 중 동맥펌프와 더불어 가장 중요한 장치로 정맥혈액에 산소 공급을 해줄 뿐만 아니라 이산화탄소 제거 기능을 해주는 장치는?
76번
극초단파 치료기에 사용되는 극초단파의 특징으로 틀린 것은?
77번
분당 심박출량이 5.0 L/min, 심박수가 100 beat/min 일 때 1회 박출량은 얼마인가?
78번
뇌파 중 주파수 대역이 8 ~ 13 Hz 인 성분의 명칭은?
79번
인공신장기의 구성요소가 아닌 것은?
80번
체외충격파쇄석기의 구성요소가 아닌 것은?
5과목 : 의용기계공학
81번
초음파에 대해 올바르게 설명한 것은?

82번
생체의 열적 특성에 대한 설명으로 틀린 것은?
83번
손실된 사지 일부의 기능이나 외관을 대행하는 기구를 무엇이라 하는가?
84번
세포괴사(Necrosis)는 세포조직이 붕괴되거나 기능이 정지되어 죽게 되는 과정이다. 다음 중 세포괴사의 물리적 원인이 아닌 것은?
85번
수산화인회석의 의학적 응용이 아닌 것은?
86번
보행과 관련된 힘의 성분으로 틀린 것은?
87번
자외선(파장영역 200~400nm)에 생체가 과도하게 노출되었을 때, 생체에 미치는 영향이 아닌 것은?
88번
스프링 와셔에 대한 설명으로 옳은 것은?
89번
고주파의 전자장이 생체에 미치는 영향 중 열적작용 효과에 대한 설명으로 틀린 것은?
90번
뼈와 뼈를 역학적으로 연결하는 수동적인 생체조직은?
91번
인공재료의 기계적 특성 중 최대하중의 대소관계로 올바른 것은?
92번
어린이(유아)보행에 대한 설명으로 틀린 것은?
93번
의용합성고분자재료로 폴리에틸렌의 수소가 불소로 치환된 구조를 가지며 생체단백질이 흡착하지 못하여 혈전형성이 억제되므로 인공혈관의 재료로도 사용되는 재료는?
94번
생체재료의 기능적 평가에서 무한히 반복하여도 파괴가 일어나지 않는 응력의 한계를 무엇이라 하는가?
95번
다음 특성을 가지는 의료용 고분자 재료는?

96번
단면적이 0.01 m2인 어떤 재료의 인장시험에서 인장력이 100N일 때, 이 재료의 단면에 발생하는 응력은?
97번
다음 중 생체 비활성 소재인 것은?
98번
생체의 광학적 특성에 대한 설명으로 틀린 것은?
99번
어떤 재료가 변형률 0.01까지 탄성변형을 하며, 변형률 0.01에서의 응력이 10 Pa이었다면 이 재료의 탄성계수(Pa)는 얼마인가?
100번
피치가 10mm인 2줄 나사의 리드는?