공유압기능사 (2009년09월27일 기출문제)
1과목 : 임의구분
1번
일반적으로 고온에서 볼 수 있는 현상으로, 금속에 오랜 시간 외력을 가하면 시간이 경과됨에 따라 그 변형이나 변형률이 증가되는 현상은?

2번
코일 전체의 평균지름을 D[mm], 소선의 지름을 d[mm]라할 때, 스프링지수(C)를 구하는 식으로 옳은 것은?
3번 아이볼트(Eye Bolt)fh 52[kN]의 물체를 수직으로 들어 올리려고 한다. 이 아이 볼트 나사부의 바깥지름은 약 몇 [mm]인가? (단, 볼트재료는 연강으로 하고 허용 인장응력은 60[N/mm2]이다.)
4번 V벨트의 단면 형태를 표시한 것 중 단면적이 가장 큰 것은?
5번 브레이크 블록의 구비 조건으로 적당하지 않은 것은?
6번 다음 중 원통 커플링에 속하지 않는 것은?
7번 스플라인에 관한 설명으로 틀린 것은?
8번 마찰 클러치 설계 시 고려사항이 아닌 것은?
9번 OR 논리를 만족시키는 밸브는?
10번
다음과 같이 1개의 입력포트와 1개의 출력포트를 가지고 입력포트에 입력이 되지 않은 경우에만 출력포트에 출력이 나타나는 회로는?

11번
다음의 변위단계 선도에서 실린더 동작순서가 옳은 것은? (단, + : 실린더의 전진, - : 실린더의 후진)

12번 압력조절 밸브에 대한 설명으로 맞는 것은?
13번 압력 제어밸브에서 급격한 압력 변동에 따른 밸브 시트를 두드리는 미세한 진동이 생기는 현상은?
14번 유압에서 이용되는 속도 제어의 3가지 기본 회로는?
15번 유압펌프의 동력을 계산하는 방법으로 맞는 것은?
16번 다음 중 이상적인 유압 시스템의 최적 온도는?
17번 유량비례 분류 밸브의 분류 비율은 어떤 범위에서 사용하는가?
18번 전기신호를 이용하여 제어를 하는 이유로 가장 적합한 것은?
19번 관속을 흐르는 유체에서 “A1V1 = A2V2 = 일정" 하다는 유체 운동의 이론은 (A1, A2 : 단면적, V1, V2 : 유체속도)
20번 액추에이터의 속도를 조절하는 밸브는?
2과목 : 임의구분
21번 어큐뮬레이터의 용도가 아닌 것은?
22번 압축공기 조정 유닛(Unit)의 조합기구가 아닌 것은?
23번 저압의 피스톤 패킹에 사용되고 피스톤에 볼트로 장착 될 수 있으며 저항이 다른 것에 비해 적은 것은?
24번 공압과 유압의 조합기기에 해당되는 것은?
25번
다음의 기호에 해당되는 밸브가 사용되는 경우는?

26번 실린더 중 양방향의 운동에서 모두 일을 할 수 있는 것은?
27번
다음 도면 기호의 명칭은 무엇인가?

28번 증압기에 대한 설명으로 가장 적합한 것은?
29번 자기 현상을 이용한 스위치로 빠른 전환 사이클이 요구될 때 적당한 스위치를 무엇이라 하는가?
30번 다음 중 공압 실린더가 운동할 때 낼 수 있는 힘(F)을 식으로 맞게 표현한 것은? (단, P : 실린더에 공급되는 공기의 압력, A : 피스톤 단면적, v : 피스톤 속도)
31번 송풍기가 발생시키는 압축 공기의 범위는?
32번
다음과 같은 기호의 명칭은?

33번
다음 그림의 밸브 기호가 나타내는 것은?

34번 공기압 장치의 특징 설명으로 틀린 것은?
35번 유압펌프 무부하 회로에 대한 설명으로 맞는 것은?
36번 회로의 압력이 설정압을 초과하면 격막이 파열되어 회로의 최고 압력을 제한하는 것은?
37번 포핏 방식의 방향 전환 밸브가 갖는 장점이 아닌 것은?
38번 다음 중 유체 에너지를 기계적인 에너지로 변환하는 장치는?
39번 교류 전원의 주파수가 60[Hz]이고 극수가 4극인 동기 전동기의 회전수는?
40번 전원이 교류가 아닌 직류로 주어져 있을 때에 어떤 직류 전압을 입력으로 하여 크기가 다른 직류를 얻기 위한 회로는?
3과목 : 임의구분
41번 전류의 유무나 전류의 세기를 측정하는 데 쓰는 실험용 계기로 보통 1[mA] 이하의 미소전류를 측정할 때 쓰는 계기는?
42번
그림에서 2[Ω], 3[Ω], 4[Ω]의 저항을 직렬로 연결하고 전압 ET=9[V]를 인가할 때 4[Ω]에 의한 전압 강하[V]는?

43번 도선에 전류가 흐를 때 발생하는 열량은?
44번 3상 유도전동기에서 기동 시에는 Y결선으로 운전하여 기동 전류를 감소시키고, 전동기의 속도가 점차로 증가하여 정격 속도에 이르면 △결선으로 정상 운전하는 기동법은?
45번 검출 스위치가 아닌 것은?
46번 다음 중 동기기의 전기자 반작용에 해당되지 않는 것은?
47번 일반적인 가정에서 제일 많이 사용하는 전원 방식은?
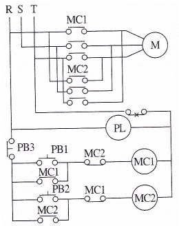
48번
시퀀스 회로에서 전동기를 표시하는 것은?

49번 시퀀스 제어(Sequence Control)의 기능에 대한 용어를 잘못 설명한 것은?
50번 회로 시험기 사용에서 저항 측정 시 전환 스위치를 R×100에 놓았을 때 계기의 바늘이 50[Ω]을 가리켰다면 측정된 저항값은?
51번 R-C직렬회로에서 임피던스가 10[Ω], 저항이 8[Ω]일 때 용량리액턴스[Ω]는?
52번
저항 R[Ω]과 유도리액턴스가 XL[Ω]이 직렬로 접속된 회로의 임피던스 Z[Ω]의 값은?
53번 다음 중 회로 시험기를 사용할 때 극성에 주의해서 측정해야 하는 것은?
54번 ISO 규격에 있는 관용 테이퍼 수나사의 기호는?
55번 기계제도에 사용하는 선의 분류에서 가는 실선의 용도가 아닌 것은?
56번 A : B로 척도를 표시할 때 A : B의 설명이 가장 적합한 것은? (순서대로 A, B)
57번
배관의 간략 도시방법에서 파이프의 영구 결합부(용접 또는 다른 공법에 의한다) 상태를 나타내는 것은?
58번
그림과 같은 입체도에서 화살표 방향을 정면도로 했을 때 평면도로 가장 적합한 것은?

59번
그림의 ㉠ 부분과 같이 경사면부가 있는 대상물에서 그 경사면의 실형을 표시할 필요가 있는 경우 사용하는 투상도는?

60번
배관 도시 기호 중 체크 밸브를 나타내는 것은?